基于 STM32 的智能窗户控制系统设计与实现【源码分享】

116 阅读5分钟

基于 STM32 的智能窗户控制系统设计与实现【源码分享】

智能家居的发展正让越来越多的传统设备焕发生机,而“窗户”作为家庭环境调节与安全防护的重要环节,其自动化与智能化价值也愈发显现。本文将基于 STM32 微控制器 + ESP8266 Wi-Fi 模块,设计并实现一个具备环境感知、安全监测、自动控制与远程交互能力的智能窗户控制系统。整个方案以嵌入式设计为核心,兼具工程可实施性和软硬件扩展能力。


在这里插入图片描述

源码分享

免费开源,源码见:

blog.csdn.net/weixin_5290…

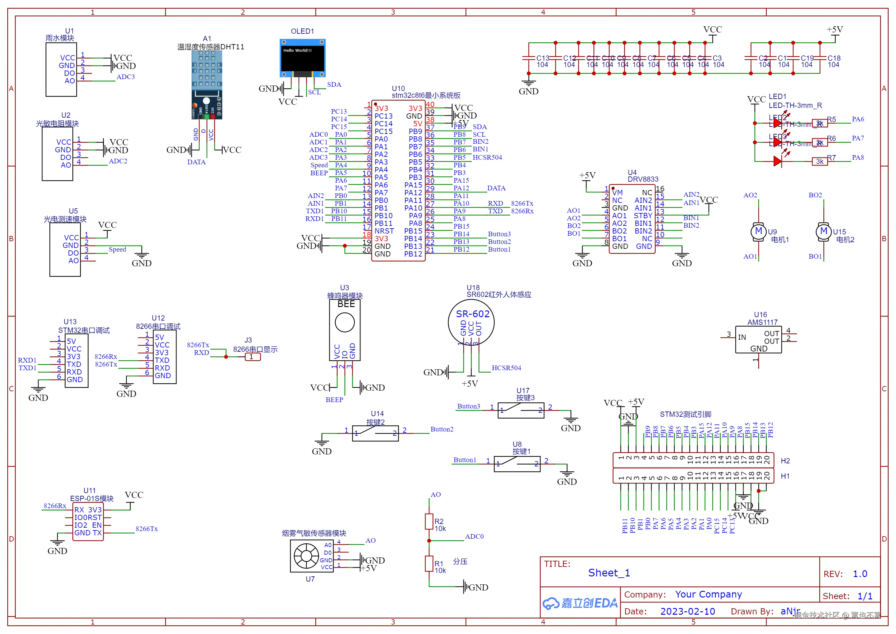
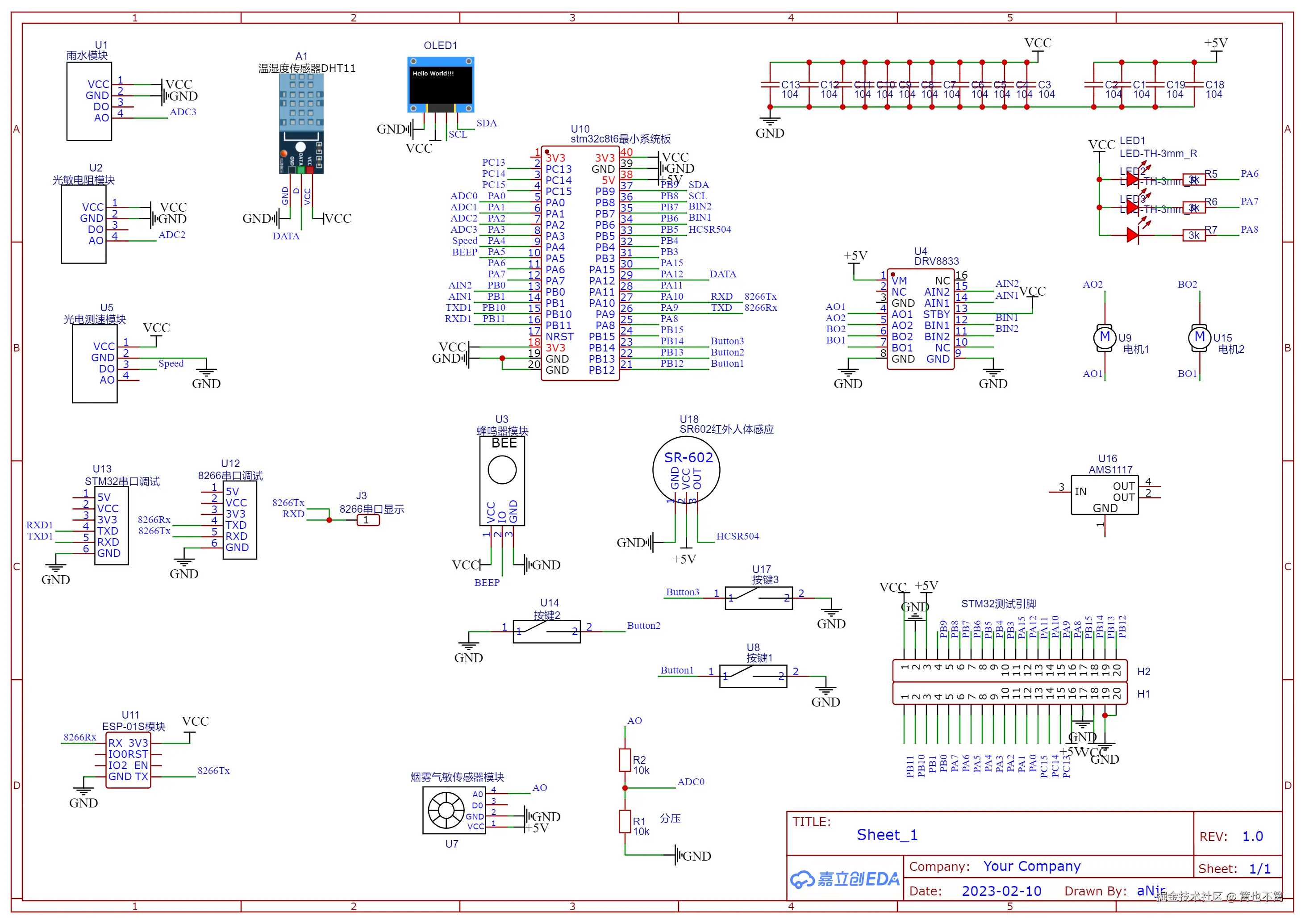
一、系统总体架构

智能窗户控制系统以 STM32 为主控,协同 ESP8266 进行无线通信,实现以下功能:

  • 构建传感器局域网,采集窗户周边环境数据
  • 实时监测温湿度、雨滴、风力、光照等环境信息
  • 监测异常入侵情况,并进行本地或远程告警
  • 控制电机实现自动开关窗
  • 使用手机 APP 远程查看数据与控制窗户开合
  • 提供扩展接口,实现更多场景自动化

整体结构如下:

┌─────────────────────────────────┐
│           手机 App / 云端服务      │
└───────────────▲─────────────────┘
                │ Wi-Fi (ESP8266)
┌───────────────┴─────────────────┐
│               ESP8266           │
│  Wi-Fi 通信 / MQTT / HTTP 控制通道  │
└───────────────▲─────────────────┘
                │ UART
┌───────────────┴─────────────────┐
│               STM32              │
│ 传感器管理 | 控制算法 | 电机驱动 | 安防检测 │
│                                     │
│        传感器总线(I2C/ADC/UART)       │
└───────────────┬─────────────────┘
                │
       ┌────────┴──────────┐
       │        │           │
 雨滴传感器   温湿度传感器     光照传感器
 风速模块     霍尔/红外入侵检测  窗户位置检测

二、无线传感器局域网的搭建(ESP8266)

为了实现远程控制与数据查看,系统采用 ESP8266 作为无线通信模块。实现方式包含两个部分:

1. ESP8266 与 STM32 的串口通信协议

通过 UART 通信,设计轻量级的数据帧结构,如:

[Header][Cmd][Len][Payload][Checksum]

用于实现以下命令交互:

  • 上传传感器数据
  • 发送开窗/关窗指令
  • 状态同步、心跳包

2. Wi-Fi 与云端/APP 的通信

主流方式包括:

  • MQTT:轻量、实时性强,适合 IoT
  • HTTP + REST API:便于调试和快速集成
  • WebSocket:适合实现实时状态推送

ESP8266 作为网关,将 STM32 的数据透明地上传至云端,实现室内外双向通信。


Schematic_窗户控制系统 copy_2023-07-14

三、温湿度检测与环境数据采集

系统采用常用的温湿度传感器(如 SHT30、DHT20)采集 室内外温湿度,并由 STM32 进行以下处理:

  • 数据滤波:如均值滤波、低通滤波
  • 数据校准:消除传感器误差
  • 趋势判断:用于窗户开关策略决策

例如: 当室外温度低于室内且空气质量好时,可自动开窗通风; 反之,则保持关闭或仅部分开启。

根据季节与用户习惯,还可以结合配置文件制定不同控制策略。


四、非法入侵检测与驱离机制

考虑到窗户也是入侵入口,系统可接入多种检测方式:

1. 红外人体检测(PIR)

检测近距离移动物体,适合夜间警戒。

2. 窗户振动与位移监测

通过加速度计/震动传感器检测外力破窗行为。

3. 磁性开关/霍尔传感器

判断窗户是否被强行开启。

当检测到异常时:

  • 本地警告(蜂鸣器、灯光)
  • 推送警报到手机 APP
  • 可选择自动关闭窗户

实现家庭安防的一道额外防线。


五、雨滴、风力、光照检测与天气联动

户外天气的快速变化是影响开窗的关键因素,系统通过以下传感器实时监测:

1. 雨滴传感器

检测降雨,一旦触发立即关窗。

2. 风速检测模块(小型风力传感器)

风力过大时需限制开窗角度,避免损坏。

3. 光照强度传感器(光敏电阻/光照度计)

通过光强变化判断时间段或天气情况,有助于完善自动控制策略:

例如

  • 光照变弱 + 风雨信号 → 可能即将下雨
  • 高光照 → 夏季需要减少室外热量进入

多源数据融合使窗户控制更智能。


六、电机控制与自动开关算法

核心执行机构为直流电机或步进电机,通过 L298N、TB6612 或更高效的无刷驱动进行控制。

1. 电机结构设计

  • 推杆式开窗器:行程大、推力强
  • 齿轮齿条式:控制精度高
  • 小型舵机:适用于小窗户

2. 自动开关窗算法

算法可基于多条件决策,例如:

if (下雨 OR 风力过大) → 立即关窗
else if (室外温度低于室内 && 空气质量好 && 无异常入侵) → 自动开窗
else if (夜间 && 温度较低) → 保持关闭

可结合 PID 控制调节开窗角度,也可通过限位开关保证安全。


七、手机 APP 远程控制与可视化

通过 ESP8266 将数据上传至云端,APP 可实时查看:

  • 室内外温湿度
  • 光照、风力、雨滴状态
  • 开窗位置和当前状态
  • 安防告警记录

用户可远程执行:

  • 开窗 / 关窗 / 停止
  • 切换自动/手动模式
  • 设置窗户开合策略
  • 启动安防警戒模式

UI 可使用 Flutter、uni-app 或原生方案开发。

在这里插入图片描述

总结

本文构建了一个 完整的智能窗户控制系统方案,涵盖了传感器网络、环境监测、安防检测、电机控制算法、无线通信和远程 APP 交互。 通过 STM32 + ESP8266 的组合,使原本普通的窗户具备了环境感知、自动控制与远程操控能力,加速传统家居设备的智能化升级。