基于双PI控制器和铁损补偿的PMSM控制系统simulink建模与仿真

79 阅读2分钟

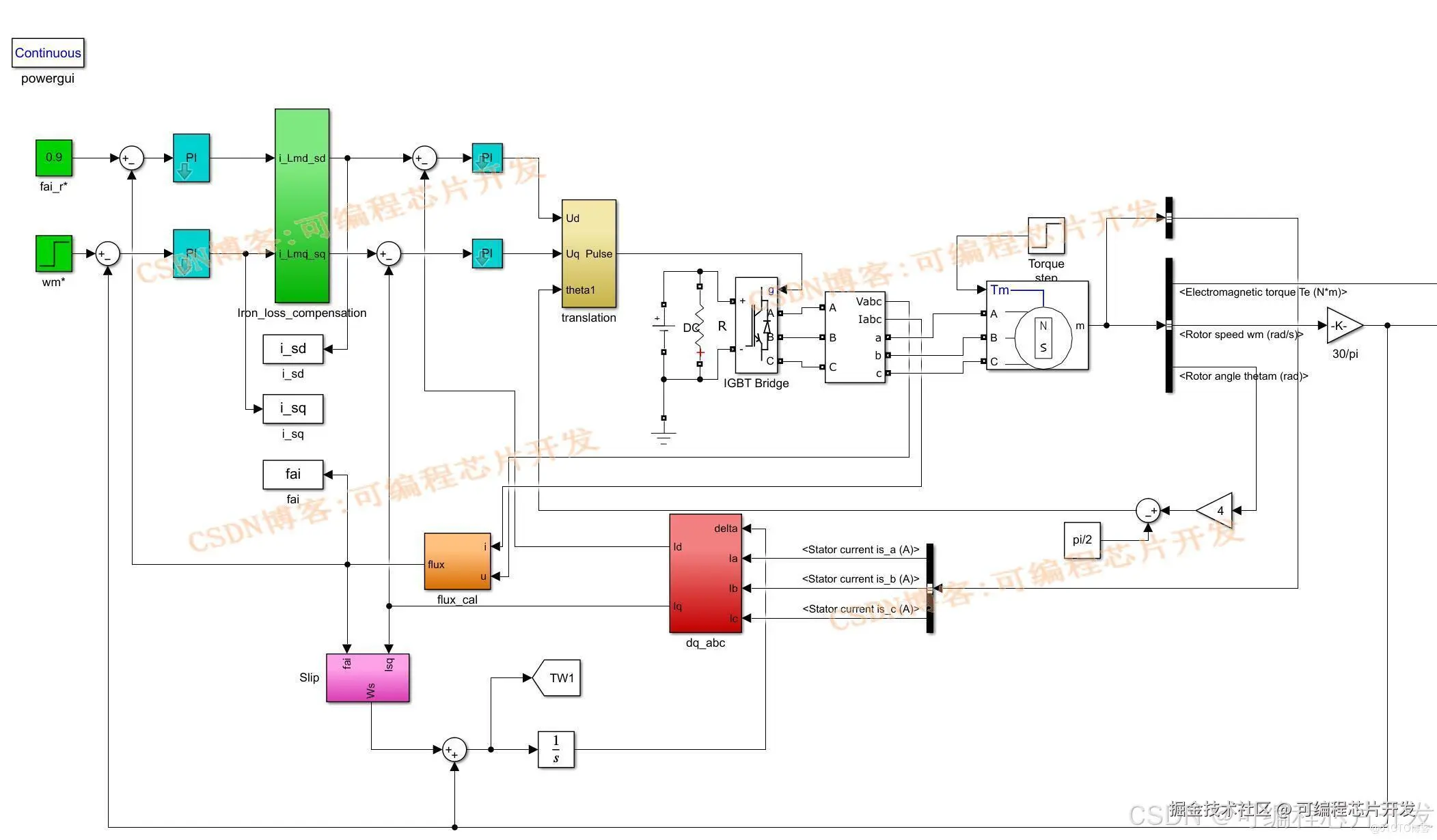
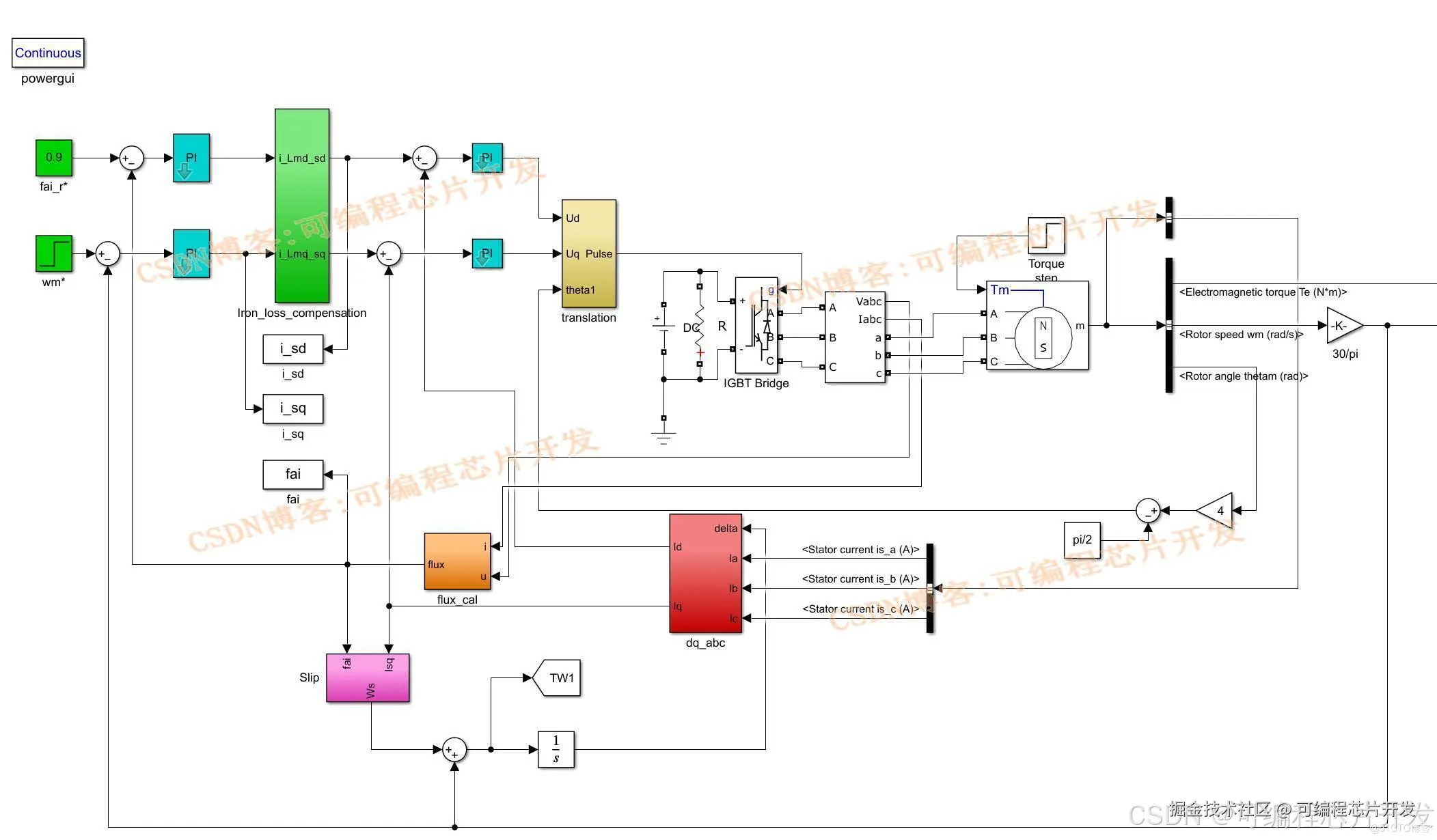
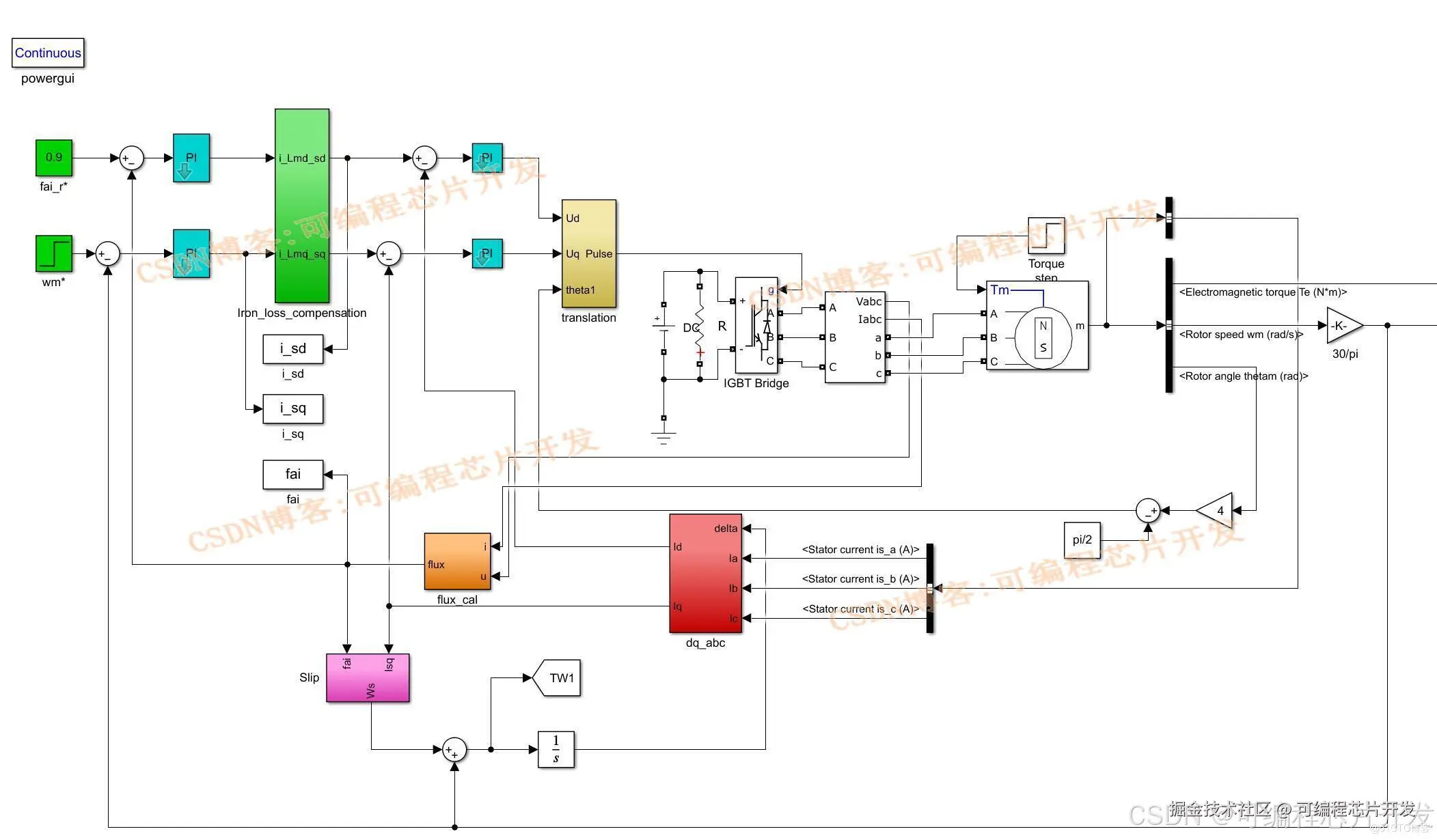
1.课题概述 基于双PI控制器和铁损补偿的PMSM控制系统simulink建模与仿真,模型包括PI控制器,铁损补偿模块,abc2dq模块,逆变器,电机等模块。

2.系统仿真结果

70e880fa5d6f9e6acf3c565b5d37aa54_watermark,size_14,text_QDUxQ1RP5Y2a5a6i,color_FFFFFF,t_100,g_se,x_10,y_10,shadow_20,type_ZmFuZ3poZW5naGVpdGk=.jpg

5b4f44a0bdc7ffd1672b8da59be53ac2_watermark,size_14,text_QDUxQ1RP5Y2a5a6i,color_FFFFFF,t_100,g_se,x_10,y_10,shadow_20,type_ZmFuZ3poZW5naGVpdGk=.jpg 3.核心程序与模型 版本:MATLAB2022a

162340953056e999d42ff447276d5004_watermark,size_14,text_QDUxQ1RP5Y2a5a6i,color_FFFFFF,t_100,g_se,x_10,y_10,shadow_20,type_ZmFuZ3poZW5naGVpdGk=.jpg

`clc; close all; warning off;

Ts = 1;

Value_w = we.signals.values; time1 = Ts/length(Value_w):Ts/length(Value_w):Ts;

Value_T = Te.signals.values; time2 = Ts/length(Value_T):Ts/length(Value_T):Ts;

Value_isd = i_sd.signals.values; time3 = Ts/length(Value_isd):Ts/length(Value_isd):Ts;

Value_isq = i_sq.signals.values; time4 = Ts/length(Value_isq):Ts/length(Value_isq):Ts;

Value_fai = fai.signals.values; time5 = Ts/length(Value_fai):Ts/length(Value_fai):Ts;

figure; subplot(321); plot(time1,Value_w,'linewidth',1); grid on xlabel('t/s'); ylabel('n/r/min'); axis([0,1,0,2000]);

subplot(322); plot(time2,Value_T,'linewidth',1); grid on xlabel('t/s'); ylabel('Te/N.m'); axis([0,1,10,40]);

subplot(323); plot(time3,Value_isd,'linewidth',1); grid on xlabel('t/s'); ylabel('isd/A'); axis([0,1,-1,5]);

subplot(324); plot(time4,Value_isq,'linewidth',1); grid on xlabel('t/s'); ylabel('isq/A'); axis([0,1,-10,100]);

subplot(3,2,[5,6]); plot(time5,Value_fai,'linewidth',1); grid on xlabel('t/s'); ylabel('Phir/Wb'); axis([0,1,0,1.5]); `

4.系统原理简介 永磁同步电机(Permanent Magnet Synchronous Motor,PMSM)因其高功率密度、高效率和良好的调速性能等优点,在工业自动化、电动汽车、航空航天等众多领域得到了广泛应用。然而,PMSM 控制系统的设计面临诸多挑战,例如电机内部的铁损会影响电机的效率和性能,并且在不同的运行工况下需要精确的控制策略来保证电机稳定、高效地运行。

4.1 铁损模型

bf9dd9c9b350c2712abdcde4bfba3ce2_watermark,size_14,text_QDUxQ1RP5Y2a5a6i,color_FFFFFF,t_100,g_se,x_10,y_10,shadow_20,type_ZmFuZ3poZW5naGVpdGk=.png

4.2 铁损补偿方法

981bb540af201141bf396459ec777476_watermark,size_14,text_QDUxQ1RP5Y2a5a6i,color_FFFFFF,t_100,g_se,x_10,y_10,shadow_20,type_ZmFuZ3poZW5naGVpdGk=.png

4.3 PI控制器 PI 控制器能够根据电流误差进行比例和积分调节。比例调节可以快速响应电流误差,使电流快速接近给定值;积分调节则可以消除稳态误差,保证电流在稳态时能够精确跟踪给定值。通过合理调整比例系数和积分系数,可以使电流环具有良好的动态和稳态性能。

   速度环的输出决定了电机的电磁转矩需求,通过调整交轴电流给定值来实现。而电流环则负责精确控制电机的实际电流,使其满足速度环的要求。这种嵌套的双环控制结构使得 PMSM 控制系统能够在不同的运行工况下稳定、高效地运行。例如,当负载转矩发生变化时,速度环首先检测到转速误差,然后调整交轴电流给定值,电流环迅速响应,改变电机的实际电流,从而使电机的转速能够快速恢复到给定值。