基于PI控制的三相整流器控制系统的simulink建模与仿真,包含超级电容充电和电机

82 阅读2分钟

1.课题概述

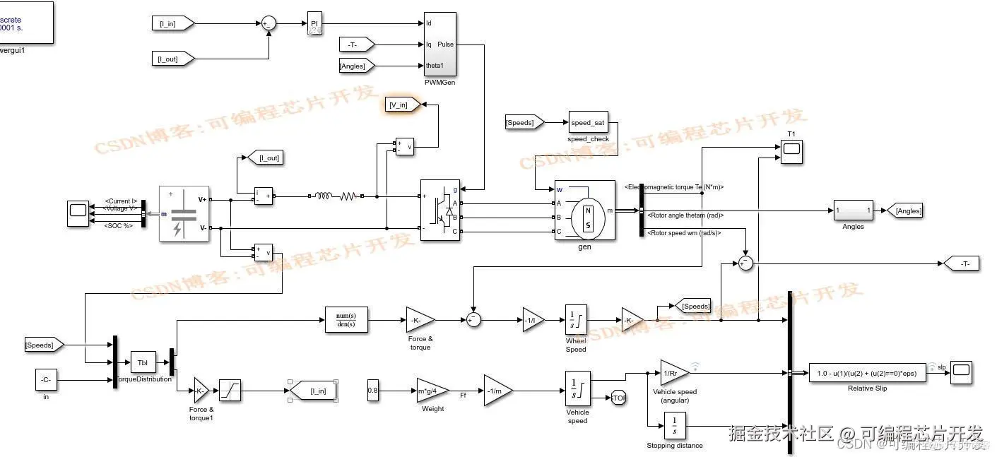
       基于PI控制的三相整流器控制系统的simulink建模与仿真,用MATLAB自带的PMSM电机设为发电机,输入为转速,后面接一个可以调节电流的三相整流器,给一个超级电容充电,超级电容上已建好电压、电流与SOC的显示模块了。

 

2.系统仿真结果

(完整程序运行后无水印)

1.jpeg

2.jpeg

3.jpeg

3.核心程序与模型

版本:MATLAB2022a

0ecfcec933f5fbd5450b8ac1d306f319_watermark,size_14,text_QDUxQ1RP5Y2a5a6i,color_FFFFFF,t_100,g_se,x_10,y_10,shadow_20,type_ZmFuZ3poZW5naGVpdGk=.jpg  

4.系统原理简介

        基于比例积分(PI)控制的三相整流器控制系统,在结合超级电容器充电和电机驱动的应用中,是一个复杂且高度集成的电力电子系统。该系统旨在高效地从交流电网获取电能,转换为直流电能,一方面用于超级电容器的充电,另一方面为电机供电,以满足不同工况下的能量管理和动力需求。

 

系统主要由以下几个部分组成:

 

三相整流器:将交流电转换为直流电,是系统的核心部分。

超级电容器:作为一种高功率密度的能量储存设备,用于快速充放电,以应对瞬间功率需求。

电机:电能的最终消费者,可以是直流电机或通过逆变器驱动的交流电机。

PI控制器:用于调节整流器的输出电压或电流,以满足超级电容器的充电要求和电机的功率需求。

d54a1be4ed0305e167910bae03ffe473_watermark,size_14,text_QDUxQ1RP5Y2a5a6i,color_FFFFFF,t_100,g_se,x_10,y_10,shadow_20,type_ZmFuZ3poZW5naGVpdGk=.jpg

        调整触发角α的规则可以基于电压误差,通过调整触发角间接控制直流侧电压,以满足超级电容器的充电要求和电机驱动的需要。

 

        在实际应用中,超级电容器的充电和电机驱动往往需要通过优先级管理或能量管理策略协调。例如,在电池电量充足时,优先保证电机的功率需求;而在电池电量不足时,适当降低电机功率需求,优先为超级电容器充电,确保系统整体能效和可靠性。