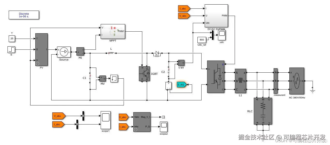
基于MPPT最大功率跟踪和SVPWM的光伏三相并网逆变器simulink建模与仿真

185 阅读2分钟

1.课题概述

     基于MPPT最大功率跟踪和SVPWM的光伏三相并网逆变器simulink建模与仿真。包括PV模块,MPPT模块,SVPWM模块,电网模块等。

                 

2.系统仿真结果

1不同光照大小的输出电压

f025a54a759f0f28c0611020c5f48c18_watermark,size_14,text_QDUxQ1RP5Y2a5a6i,color_FFFFFF,t_100,g_se,x_10,y_10,shadow_20,type_ZmFuZ3poZW5naGVpdGk=.jpg  

2不同光照大小的输出功率

522896bad39845ca7298422ef8dd9fb9_watermark,size_14,text_QDUxQ1RP5Y2a5a6i,color_FFFFFF,t_100,g_se,x_10,y_10,shadow_20,type_ZmFuZ3poZW5naGVpdGk=.jpg

3不同光照大小的有功功率-无功功率

ee7f83a3a62e9a425d35a94963de4a43_watermark,size_14,text_QDUxQ1RP5Y2a5a6i,color_FFFFFF,t_100,g_se,x_10,y_10,shadow_20,type_ZmFuZ3poZW5naGVpdGk=.jpg  

4不同光照大小的直流母线实时电压

47c721a29afa7b3aea5e02846c38fd8a_watermark,size_14,text_QDUxQ1RP5Y2a5a6i,color_FFFFFF,t_100,g_se,x_10,y_10,shadow_20,type_ZmFuZ3poZW5naGVpdGk=.jpg  

5不同光照大小的并网电压电流

e54ba410648c036c0f056b360ba0aab7_watermark,size_14,text_QDUxQ1RP5Y2a5a6i,color_FFFFFF,t_100,g_se,x_10,y_10,shadow_20,type_ZmFuZ3poZW5naGVpdGk=.jpg

3.核心程序与模型

版本:MATLAB2022a

604e15f120e023f79cb7da1379587f6b_watermark,size_14,text_QDUxQ1RP5Y2a5a6i,color_FFFFFF,t_100,g_se,x_10,y_10,shadow_20,type_ZmFuZ3poZW5naGVpdGk=.jpg

 

4.系统原理简介

      光伏三相并网逆变器是太阳能光伏系统中的关键组成部分,负责将光伏电池板产生的直流电转换为符合电网要求的三相交流电,并有效地馈入电网。这个过程中,最大功率点跟踪(Maximum Power Point Tracking, MPPT)技术和空间矢量脉宽调制(Space Vector Pulse Width Modulation, SVPWM)技术起到了至关重要的作用。

 

      MPPT技术的目的是确保光伏阵列始终工作在其最大功率点(MPP),即使在光照强度变化时也能保持高效率。光伏电池的输出特性曲线呈现非线性,其最大功率点随光照强度和温度变化而移动。MPPT算法的任务是实时追踪并锁定这个点,以最大化能量转换效率。

 

       SVPWM是一种先进的PWM调制策略,用于生成近似正弦波形的三相电压输出。与传统的SPWM(正弦脉宽调制)相比,SVPWM能更高效地利用开关器件,减少谐波含量,提高输出电压质量。

 

1816ceb3a8401d8c0c675d6aabc3f1da_watermark,size_14,text_QDUxQ1RP5Y2a5a6i,color_FFFFFF,t_100,g_se,x_10,y_10,shadow_20,type_ZmFuZ3poZW5naGVpdGk=.png

 

       在实际应用中,首先通过MPPT算法调节DC-DC升压转换器的占空比,使光伏电池工作在MPP处,然后将稳定提升后的直流电压输入到基于SVPWM的三相逆变器部分。逆变器根据电网频率和电压要求,通过SVPWM算法产生高质量的三相交流电,经滤波后与电网同步并网。