基于PI控制器的DC-DC结构PWM系统simulink建模与仿真

63 阅读1分钟

1.课题概述

       基于PI控制器的DC-DC结构PWM系统simulink建模与仿真。包括IGBT结构,PI控制器结构,PWM模块等。

 

2.系统仿真结果

1.jpeg

2.jpeg

3.jpeg  

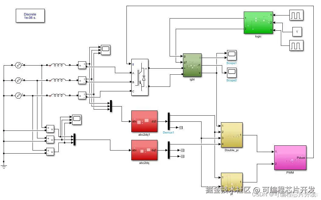
3.核心程序与模型

版本:MATLAB2022a

94dd4345618cc69977851f65db1d45fb_watermark,size_14,text_QDUxQ1RP5Y2a5a6i,color_FFFFFF,t_100,g_se,x_10,y_10,shadow_20,type_ZmFuZ3poZW5naGVpdGk=.jpg

 

4.系统原理简介

       在电力电子领域,特别是在直流电源变换系统(DC-DC转换器)中,脉宽调制(PWM)技术结合比例积分(PI)控制器广泛应用于电压或电流的精确控制。

 

       一个典型的降压型DC-DC转换器(Buck Converter)包括电感L、电容C、开关S(通常为MOSFET)以及二极管D。其工作原理基于开关周期T内的导通时间和关断时间比(即占空比D)来控制输出电压Vo相对于输入电压Vi的比例:

be275f76670c97a4412a965b3ab339cd_watermark,size_14,text_QDUxQ1RP5Y2a5a6i,color_FFFFFF,t_100,g_se,x_10,y_10,shadow_20,type_ZmFuZ3poZW5naGVpdGk=.png  

PI控制器负责维持输出电压Vo与参考电压Vref之间的误差尽可能小。其数学表达式如下:

d0749f7bf58b532414fbea5729d125ca_watermark,size_14,text_QDUxQ1RP5Y2a5a6i,color_FFFFFF,t_100,g_se,x_10,y_10,shadow_20,type_ZmFuZ3poZW5naGVpdGk=.png

 

       PI控制器输出的占空比指令经过比较器与三角波载波信号比较后生成PWM波形。当u(k)高于三角波信号时,开关器件导通;反之则关断。这样就实现了对输出电压Vo的闭环控制。