太阳能光伏电池的simulink建模与仿真

199 阅读3分钟

1.课题概述

        太阳能光伏电池的simulink建模与仿真.分析不同光照温度,光照强度下的光伏电池的U-I特性曲线以及P-V特性曲线。

 

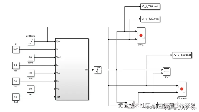
2.系统仿真结果

 

1.jpeg

2.jpeg

3.jpeg

4.jpeg

5.jpeg

6.jpeg  

3.核心程序与模型

版本:MATLAB2022a

f0f592818a3c3ce950436c96e040d4b8_watermark,size_14,text_QDUxQ1RP5Y2a5a6i,color_FFFFFF,t_100,g_se,x_10,y_10,shadow_20,type_ZmFuZ3poZW5naGVpdGk=.png

 

  `clc;

clear;

close all;

warning off;

 

R   = 1;

 

 

 

load PV_p_T20.mat

P20 = ans.Data;

load PV_v_T20.mat

V20 = R*ans.Data;

 

 

 

load PV_p_T40.mat

P40 = ans.Data;

load PV_v_T40.mat

V40 = R*ans.Data;

 

 

 

load PV_p_T60.mat

P60 = ans.Data;

load PV_v_T60.mat

V60 = R*ans.Data;

 

 

figure;

plot(V20,P20,'-bs',...

    'LineWidth',1,...

    'MarkerSize',6,...

    'MarkerEdgeColor','k',...

    'MarkerFaceColor',[0.9,0.0,0.0]);

hold on

plot(V40,P40,'-mo',...

    'LineWidth',1,...

    'MarkerSize',6,...

    'MarkerEdgeColor','k',...

    'MarkerFaceColor',[0.5,0.9,0.0]);

hold on

plot(V60,P60,'-r>',...

    'LineWidth',1,...

    'MarkerSize',6,...

    'MarkerEdgeColor','k',...

    'MarkerFaceColor',[0.9,0.9,0.0]);

hold on

legend('20℃','40℃','60℃');

 

xlabel('U (v)');

ylabel('P (w)');

grid on

axis([0,130,0,200]);

 

 

 

 

 

load VI_i_T20.mat

I20 = ans.Data;

load VI_v_T20.mat

V20 = ans.Data;

 

 

load VI_i_T40.mat

I40 = ans.Data;

load VI_v_T40.mat

V40 = ans.Data;

 

 

 

load VI_i_T60.mat

I60 = ans.Data;

load VI_v_T60.mat

V60 = ans.Data;

 

 

figure;

plot(V20,I20,'-bs',...

    'LineWidth',1,...

    'MarkerSize',6,...

    'MarkerEdgeColor','k',...

    'MarkerFaceColor',[0.9,0.0,0.0]);

hold on

plot(V40,I40,'-mo',...

    'LineWidth',1,...

    'MarkerSize',6,...

    'MarkerEdgeColor','k',...

    'MarkerFaceColor',[0.5,0.9,0.0]);

hold on

plot(V60,I60,'-r>',...

    'LineWidth',1,...

    'MarkerSize',6,...

    'MarkerEdgeColor','k',...

    'MarkerFaceColor',[0.9,0.9,0.0]);

hold on

legend('20℃','40℃','60℃');

 

xlabel('U (v)');

ylabel('I (A)');

grid on

axis([0,130,0,4]);

02_053m`

4.系统原理简介

       太阳能光伏电池,也称为太阳能电池或光伏单元,是一种能够将太阳能直接转换为电能的半导体器件。其核心原理是光生电效应,即当光照射到半导体材料上时,光子与半导体中的原子相互作用,导致电子从价带跃迁到导带,形成光生电子-空穴对。这些光生载流子(电子和空穴)在半导体内部被分离并收集,从而产生电流。

 

4.1 光伏电池的基本结构

       光伏电池通常由N型半导体和P型半导体构成,形成PN结。在PN结附近,由于N型和P型半导体的费米能级不同,会形成内建电场。当光照射到PN结上时,产生的光生电子-空穴对在内建电场的作用下被分离,电子被推向N区,空穴被推向P区,从而在PN结两端形成电势差。

 

4.2 光伏电池的工作原理

光吸收:当太阳光照射到光伏电池表面时,光子穿过减反射膜和电池表面,进入半导体材料。光子能量必须大于半导体材料的禁带宽度(Eg),才能被吸收并产生光生电子-空穴对。

 

载流子产生与分离:吸收光子后,半导体中的电子从价带跃迁到导带,留下空穴。这些光生电子和空穴在内建电场的作用下被分离,电子移向N区,空穴移向P区。

 

载流子收集:分离后的电子和空穴分别被光伏电池两端的电极收集。电子通过外部电路流向负载,产生电流;空穴则通过P区与电极接触,流回电池内部与电子复合。

 

电流与电压输出:当光伏电池连接到负载上时,电流从N区流出,经过负载流回P区。同时,PN结两端形成的电势差提供输出电压。

 

       实际应用中,太阳能电池的制造涉及多个物理过程和技术优化,包括半导体材料的选择、PN结的设计、减反射层的使用、以及各种提高效率和稳定性的工艺技术等。