基于simulink的光伏并网逆变器电网系统建模与仿真

219 阅读3分钟

1.课题概述

           使用simulink实现光伏并网逆变器电网系统建模与仿真。

 

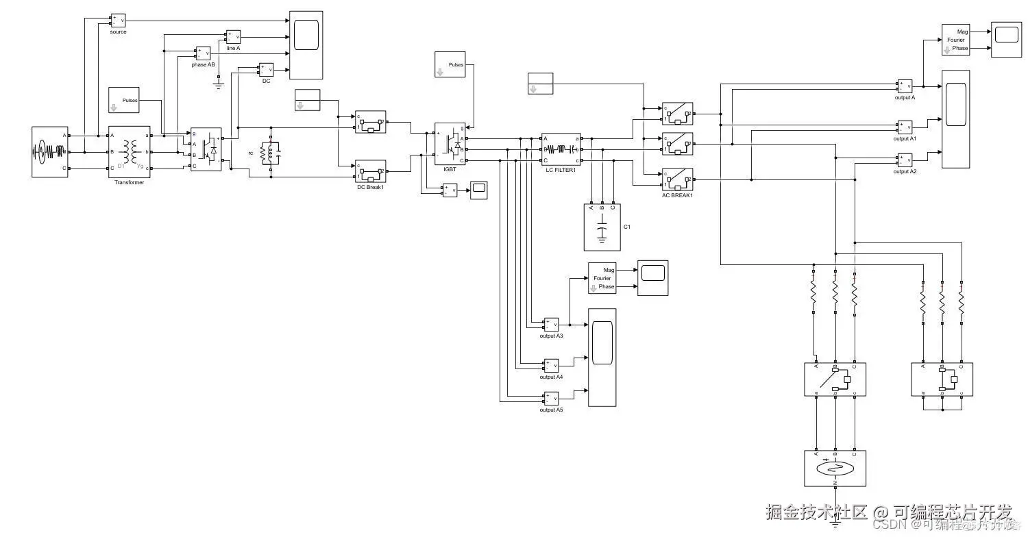
2.系统仿真结果

 

1.jpeg

2.jpeg

3.jpeg

4.jpeg

5.jpeg  

3.核心程序与模型

版本:MATLAB2022a

890bcc81a485db5f3e7c05d82c53f1e7_watermark,size_14,text_QDUxQ1RP5Y2a5a6i,color_FFFFFF,t_100,g_se,x_10,y_10,shadow_20,type_ZmFuZ3poZW5naGVpdGk=.jpg

 

4.系统原理简介

        光伏并网逆变器是太阳能光伏发电系统中的核心组件之一,它负责将光伏电池板产生的直流电转换为与电网同步的交流电,并将电能注入到电网中。

 

4.1 光伏并网逆变器的基本工作原理

光伏并网逆变器的基本工作原理可以概括为以下几个步骤:

 

直流电输入:光伏电池板将太阳能转换为直流电,并输送到逆变器的直流输入端。

最大功率点跟踪(MPPT):逆变器通过MPPT算法调整光伏电池板的工作电压和电流,以最大化从光伏电池板中提取的功率。

直流-直流(DC-DC)转换:逆变器中的DC-DC转换器将光伏电池板输出的不稳定直流电压转换为稳定的直流电压。

直流-交流(DC-AC)转换:逆变器中的DC-AC转换器将稳定的直流电转换为与电网同步的交流电。

滤波和电网同步:逆变器对输出的交流电进行滤波处理,以确保其波形质量和电网的兼容性。同时,逆变器还需要与电网保持同步,以确保输出的交流电与电网的频率和相位一致。

电能注入:逆变器将转换后的交流电注入到电网中,以供用户使用或向电网输送电能。

 

 

4.2 光伏并网逆变器的数学公式

直流-直流(DC-DC)转换公式:

DC-DC转换器通常采用Boost、Buck等拓扑结构。以Boost转换器为例,其电压转换比公式为:

Vout/Vin = 1 / (1 - D)

其中,Vout和Vin分别表示输出和输入电压,D表示开关管的占空比。通过调节占空比D,可以实现输出电压Vout的稳定控制。

 

滤波和电网同步公式:

逆变器输出的交流电需要经过滤波处理以消除谐波成分。常用的滤波器类型包括L型、LC型等。以L型滤波器为例,其传递函数公式为:

G(s) = 1 / (sL)

其中,s表示拉普拉斯变换的复数变量,L表示滤波电感值。通过选择合适的电感值L,可以实现滤波效果的优化。

 

       在与电网同步方面,逆变器需要检测电网的电压和频率信息,并据此调整自身输出的交流电参数。常用的同步方法包括锁相环(PLL)等。以PLL为例,其同步误差公式为:

e(t) = Vg * sin(ωgt + θg) - Vinv * sin(ωinvt + θinv)

        其中,e(t)表示同步误差信号,Vg和Vinv分别表示电网电压和逆变器输出电压的幅值,ωg和ωinv分别表示电网和逆变器的角频率,θg和θinv分别表示电网和逆变器的相位角。通过调节PLL的控制参数使得e(t)趋近于零可以实现逆变器与电网的同步。