基于simulink的分布式发电系统自动重合闸的建模与仿真分析

161 阅读5分钟

1.课题概述

       在配电系统中,80%-90%的故障都是瞬时故障。发生故障时,线路被保护迅速断开,随即重合闸。当分布式电源接入配电网后,线路发生故障后重合闸,此时分布式电源没有跳离线路,这将产生两种潜在威胁,即非同期重合闸和故障点电弧重燃。

 

      非同期重合闸:当线路上发生故障,断路器跳闸,此时分布式电源仍然并列于配电网,形成电力孤岛。从跳闸到重合闸这段时间,系统电源与电力孤岛可能会产生相角差。此时非同期重合闸会产生很大的冲击电流。冲击电流会造成线路保护的误动,使重合闸失去迅速恢复瞬时性故障的功能。特别是当分布式电源的容量比较大,冲击电流超过发电机能承受的最大值,会对发电机组造成破坏。

 

       分布式发电系统自动重合闸是一种在分布式发电系统中应用的保护措施,它可以在电力系统发生故障时,自动地将故障线路断开,并在故障排除后自动地将线路重新投入运行。这种重合闸的实现需要借助Simulink等仿真软件进行模拟和设计。

 

2.系统仿真结果

2.1分布式电源在配电网中在不同的位置非同期重合闸是时冲击电流

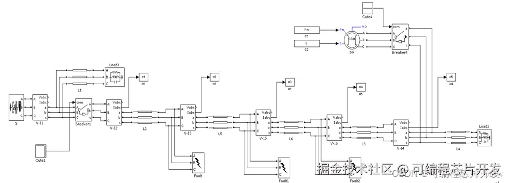
         当故障发生在F1点的时候,会发生非同期重合闸,并且根据图1的基本分布式配电网机构,构建如下的Simulink仿真模型。

 

6295d3c1c8b0138da594dd1d5e6e5043_watermark,size_14,text_QDUxQ1RP5Y2a5a6i,color_FFFFFF,t_100,g_se,x_10,y_10,shadow_20,type_ZmFuZ3poZW5naGVpdGk=.png

 

其仿真结果如下所示:

 

352204677d08131ef650485ab8d71655_watermark,size_14,text_QDUxQ1RP5Y2a5a6i,color_FFFFFF,t_100,g_se,x_10,y_10,shadow_20,type_ZmFuZ3poZW5naGVpdGk=.png

 

2.2不同容量的分布式电源在相同位置时冲击电流的大小

        改变分布式电源的容量,然后进行仿真,可得仿真结果如下图所示,将分布式电源使用普通发电机代替。

 

9c2de51b96110b1b4628f5ec7b717f8b_watermark,size_14,text_QDUxQ1RP5Y2a5a6i,color_FFFFFF,t_100,g_se,x_10,y_10,shadow_20,type_ZmFuZ3poZW5naGVpdGk=.png

 

2.3、两种故障方式仿真

       一种是突发性故障,就是重合闸起效,效果和前面的仿真结果相同,另外一种就是永久性故障,即重合闸失效,其仿真结果如下所示:

 

033cf567438f6e541ba38748f0a34a56_watermark,size_14,text_QDUxQ1RP5Y2a5a6i,color_FFFFFF,t_100,g_se,x_10,y_10,shadow_20,type_ZmFuZ3poZW5naGVpdGk=.png

 

3.核心程序与模型

版本:MATLAB2022a

`%初始化simulink中各个模块的参数

Ts = 0.00001;

ST = 4;

F          = 30;

 

 

%设置不同位置的非同期重合闸

%定义故障时间

Cute_time1 = [0  2  2.2];

pos1       = [1  0    1];   %位置1中断

 

Cute_time4 = [0 2.4 2.5];

pos4       = 1;%位置1中断

 

%Three-Phase Source模块

V         = 10e3;  %10KV

MVA       = 300e6; %额定容量200MVA

BV        = 30e3; %基础电压

XR        = 10;

 

%Distributed Parameter Line模块,共四个,参数设置相同

Num_Phase = 3;

Len       = 8;%KM

 

%Load

Power     = 50e6;

 

%SSM

Pm        = 100000;

E         = 500;

 

open('Tops_10kv.mdl');

sim('Tops_10kv.mdl');

 

%提取simulink的仿真结果,得到仿真结果

SS1 = rr1.signals.values;

SS2 = rr2.signals.values;

SS3 = rr3.signals.values;

SS4 = rr4.signals.values;

SS5 = rr5.signals.values;

 

START = 60000;

 

figure;

plot(SS1(START:end,1),'r');hold on

plot(SS1(START:end,2),'g');hold on

plot(SS1(START:end,3),'b');hold on

 

axis([0,330000,-V/10,V/10]);

02_008m`  

 

4.系统原理简介

       分布式发电系统自动重合闸的工作原理与传统的电力系统中的自动重合闸类似,它主要包括以下几个步骤:

 

故障检测:当电力系统发生故障时,重合闸首先需要对故障进行检测。这可以通过检测线路电流、电压等参数来实现。当检测到故障时,重合闸会触发断路器跳闸,将故障线路断开。

故障隔离:在断路器跳闸后,重合闸会自动将故障线路与其他正常线路隔离,以防止故障扩大。

自动重合:当故障排除后,重合闸会自动将断路器重新合上,使线路重新投入运行。这个过程不需要人工干预,可以大大提高系统的自动化程度。

       分布式发电系统自动重合闸的实现需要用到一些数学公式来进行模拟和计算。其中最重要的是时间常数和阈值的概念。

 

时间常数:时间常数是用来描述系统响应速度的参数,它表示系统从一个状态达到稳定状态所需的时间。在分布式发电系统中,时间常数需要根据系统的具体参数和要求进行设定。

阈值:阈值是用来判断系统是否发生故障的参数。当系统的参数超过阈值时,就认为系统发生了故障。阈值的设定需要根据系统的实际情况进行调试和优化。

       Simulink是MATLAB的一个模块,它可以用来对动态系统进行模拟和设计。在分布式发电系统自动重合闸的设计中,Simulink可以用来模拟系统的动态响应过程,并对重合闸的参数进行优化设计。具体步骤如下:

 

建立模型:在Simulink中建立分布式发电系统的模型,包括发电机、负荷、变压器、断路器等元件。

添加检测模块:在模型中添加检测模块,对线路电流、电压等参数进行实时监测。

添加逻辑模块:在模型中添加逻辑模块,根据检测到的参数判断系统是否发生故障。

添加控制模块:在模型中添加控制模块,根据逻辑模块的输出控制断路器的跳闸和重合操作。

优化参数:通过调整时间常数、阈值等参数,优化系统的响应速度和误报率等指标。

仿真运行:对模型进行仿真运行,观察系统的动态响应过程和重合闸的效果。

调试修正:根据仿真结果进行调试和修正,使系统的性能达到最优。