基于simulink的简易电机电力系统建模与仿真性能分析

111 阅读3分钟

1.课题概述

一个50HZ的简单电力系统如下图所示,在Simulink中建立仿真模型研究该系统的性能。

 

ce4d392ab2cdfe8afbc5e752b6a38ce0_watermark,size_14,text_QDUxQ1RP5Y2a5a6i,color_FFFFFF,t_100,g_se,x_10,y_10,shadow_20,type_ZmFuZ3poZW5naGVpdGk=.png

 

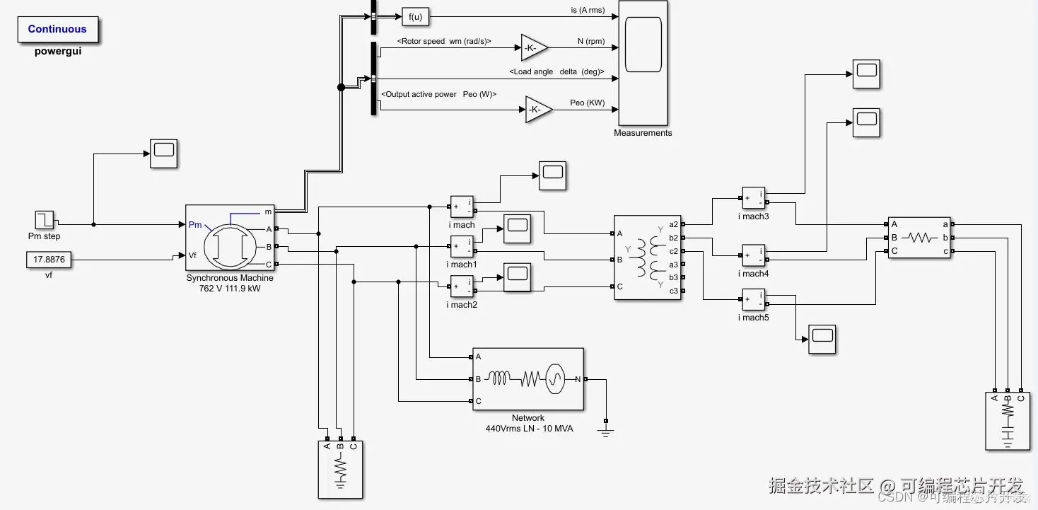
       发电机G采用“Synchronous Machine pu Fundamental”模型,变压器T采用“Three-Phase Transformer(Three Windings)”模型,输出线路L采用“Three-Phase Series RLC Branch”模型,负荷LD2,LD2采用“Three-Phase Series RLC Load” 模型。

 

        调用SIMULINK中的响应模块:

 

97094a831f36bc05956abd53b687a37c_watermark,size_14,text_QDUxQ1RP5Y2a5a6i,color_FFFFFF,t_100,g_se,x_10,y_10,shadow_20,type_ZmFuZ3poZW5naGVpdGk=.png

 

    线路参数的设置原则:忽略电容,X/R=3,线路通过发电机额定功率使首末端压降约为0.05PU;  其配置规则如下所示:这里要求忽略电容,那么则没有电容,所以C=inf

 

image.png

 

2.系统仿真结果

 

ba8700f07f6172f5ad30409c6eb2d7c8_watermark,size_14,text_QDUxQ1RP5Y2a5a6i,color_FFFFFF,t_100,g_se,x_10,y_10,shadow_20,type_ZmFuZ3poZW5naGVpdGk=.png

image.png  

3.核心程序与模型

版本:MATLAB2022a

 

ab766fd47dcfdd3fb961e672dda08d7b_watermark,size_14,text_QDUxQ1RP5Y2a5a6i,color_FFFFFF,t_100,g_se,x_10,y_10,shadow_20,type_ZmFuZ3poZW5naGVpdGk=.png

 

4.系统原理简介

        电机电力系统是电力系统和控制系统中最重要的部分之一。对于电机控制和电力系统分析,建模和仿真成为不可或缺的工具。

 

一、电机电力系统的基本原理

 

       电机电力系统主要由电源、电机、控制系统和负载组成。电源提供能量,电机作为转换器将电能转换为机械能,控制系统调节电机的运行状态,负载则是电机的输出端。在这个系统中,电机是核心,其类型和控制方式直接影响整个系统的性能。

 

二、Simulink的基本原理和数学公式

 

       Simulink是MATLAB的一个组件,主要用于系统建模、仿真和分析。Simulink提供了大量的模块库和数学函数,使用户可以方便地建立各种系统模型,通过数学公式描述系统的动态行为。

 

        在电机电力系统的建模中,我们通常使用Simulink的电力系统模块库。这个库提供了各种电力系统的组件,如电源、电机、电阻、电容等。我们可以根据系统的需求将这些模块组合起来,构建出完整的电机电力系统模型。

 

三、简易电机电力系统的建模与仿真性能分析

 

系统建模

首先,在Simulink中新建一个模型,然后从电力系统模块库中拖入电源、电机、控制系统和负载等模块,并将它们连接起来形成一个完整的系统。在这个过程中,我们需要根据具体的系统需求选择合适的模块和参数。

 

数学公式实现

在建立好系统模型后,我们需要根据系统的动态行为,使用数学公式来实现控制逻辑。在Simulink中,可以使用MATLAB函数来实现数学公式。例如,我们可以使用MATLAB函数来计算PID控制器的输出值。

 

系统仿真性能分析

完成数学公式的实现后,我们可以运行仿真来分析系统的性能。Simulink提供了各种仿真的配置参数,如仿真时间、仿真步长等。通过调整这些参数,我们可以观察系统在不同条件下的表现。同时,我们还可以从图表中提取各种性能指标,如响应时间、超调量等,并对这些指标进行分析。