基于模糊PID控制器的风力温度控制系统simulink建模与仿真

149 阅读3分钟

1.课题概述

        当房间的温度不能保持目标温度时,这个系统中的某个部件肯定出现问题了,也许是过滤器太脏引起压强差过大,冷风不能进入房间,也许是管道不够密封了,也许是风扇出现问题了,很多种情况,需要通过诊断判断出到底问题出在哪里。例如:

 

外的温度保持恒温 18ºc, 室内运行计算机,有散热,需要室内温度保持:

 

在 23ºc,当室内温度大于 23 ºc 小于 28 ºc 电风扇开一档;

 

当室内温度大于 28 ºc 小于 33 ºc 电风扇开二档;

 

当室内温度大于 33 ºc 小于 40 ºc 电风扇开三档。

 

各个部件在运行过程中的输入输出参数为:温度,压强,风速,通风量,对于风扇还有频率,转速。

 

2.系统仿真结果

 

cb574ea4d30180f56b7e6ce7e3721249_watermark,size_14,text_QDUxQ1RP5Y2a5a6i,color_FFFFFF,t_100,g_se,x_10,y_10,shadow_20,type_ZmFuZ3poZW5naGVpdGk=.jpg  

3.核心程序与模型

版本:MATLAB2022a

67e91f7685adb125562f500528f5c673_watermark,size_14,text_QDUxQ1RP5Y2a5a6i,color_FFFFFF,t_100,g_se,x_10,y_10,shadow_20,type_ZmFuZ3poZW5naGVpdGk=.jpg

02_019m

 

4.系统原理简介

       基于模糊PID控制器的风力温度控制系统是一种结合了模糊逻辑和比例-积分-微分(PID)控制理论的先进控制系统。该系统旨在通过智能调整PID控制器的参数来优化风力发电设备的温度控制性能,从而确保设备在各种工况下都能稳定、高效地运行。

 

4.1 模糊逻辑控制原理

       模糊逻辑控制是一种基于模糊集合理论的控制方法,它能够处理不精确或模糊的信息。在风力温度控制系统中,模糊逻辑控制器通过接收温度误差和误差变化率等模糊输入信息,并根据预定义的模糊规则库进行推理,输出模糊控制量来调整PID控制器的参数。

 

4.2 PID控制原理

       PID控制器是一种经典的反馈控制器,它通过比较设定值与实际输出值之间的误差,并根据比例、积分和微分三个环节的组合来调整控制量,从而减小误差并使系统趋近于设定值。PID控制器的数学表达式为:

0c3842cd43d389c36350aad5679201f5_watermark,size_14,text_QDUxQ1RP5Y2a5a6i,color_FFFFFF,t_100,g_se,x_10,y_10,shadow_20,type_ZmFuZ3poZW5naGVpdGk=.png

4.3 模糊PID控制器原理

        模糊PID控制器结合了模糊逻辑和PID控制的优点,通过模糊逻辑控制器动态调整PID控制器的参数,以适应不同的工况和扰动。具体来说,模糊PID控制器的设计包括以下几个步骤:

 

确定模糊输入和输出变量

 

      通常选择温度误差 e 和误差变化率 ec 作为模糊输入变量,选择PID控制器的参数调整量 ΔKp​、ΔKi​ 和 ΔKd​ 作为模糊输出变量。

 

模糊化处理

 

将输入变量 e 和 ec 模糊化为模糊集合,通常使用三角形或梯形隶属度函数进行模糊化。

 

建立模糊规则库

 

       根据专家经验或实验数据,建立模糊规则库来描述输入变量与输出变量之间的关系。例如,当 e 较大且 ec 也较大时,应该增加 Kp​ 以加快响应速度;当 e 较小且 ec 也较小时,应该减小 Kp​ 并增加 Ki​ 和 Kd​ 以提高稳态精度。

 

模糊推理

 

       根据模糊输入和模糊规则库进行模糊推理,得到模糊输出变量 ΔKp​、ΔKi​ 和 ΔKd​ 的模糊集合。

 

清晰化处理

 

       将模糊输出变量清晰化为具体的数值,通常使用重心法或最大隶属度法进行清晰化。

 

调整PID参数

 

      将清晰化后的 ΔKp​、ΔKi​ 和 ΔKd​ 加到初始的PID参数上,得到调整后的PID参数,并用于计算控制量 u(t)。

 

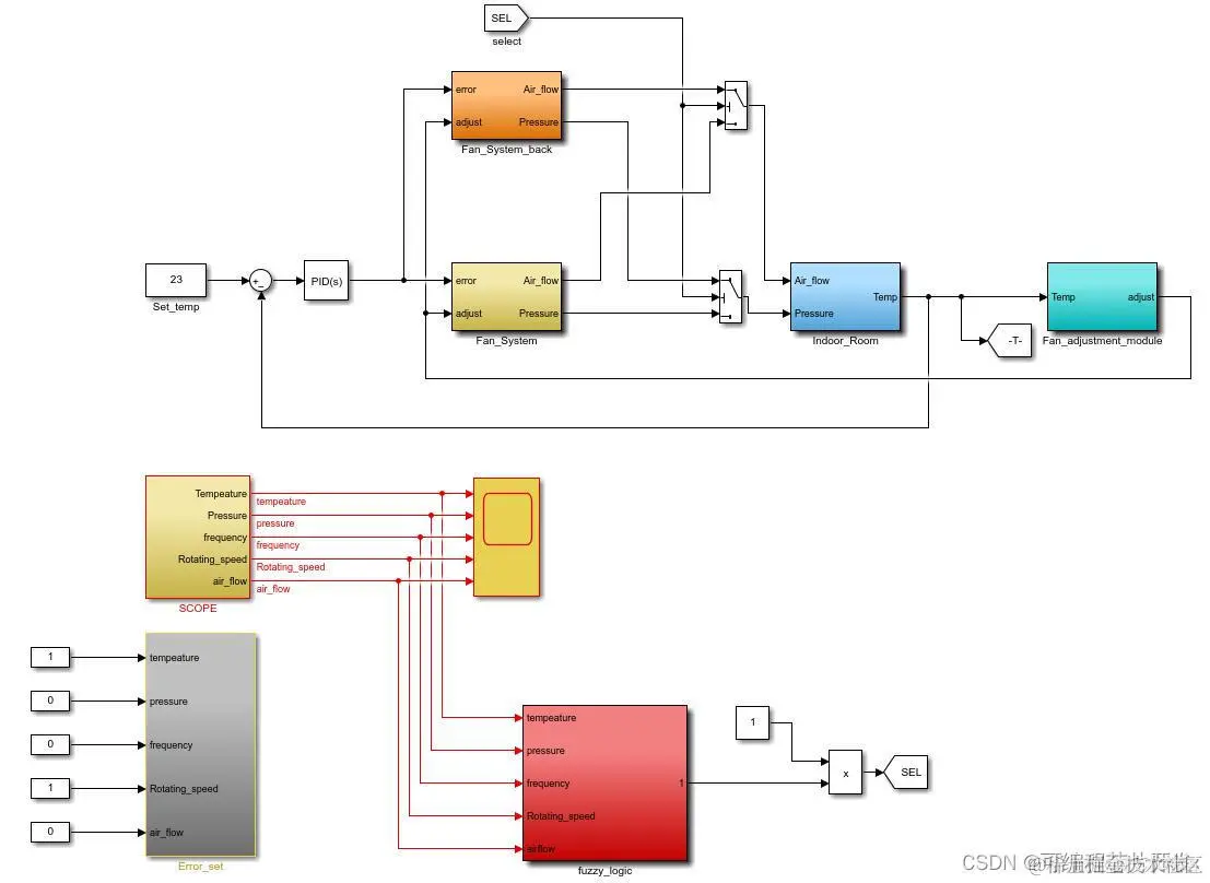
4.4 整体系统概述

整个系统基本结构如下:

 

672047e9d7203c81f00608e8b7abd604_watermark,size_14,text_QDUxQ1RP5Y2a5a6i,color_FFFFFF,t_100,g_se,x_10,y_10,shadow_20,type_ZmFuZ3poZW5naGVpdGk=.png