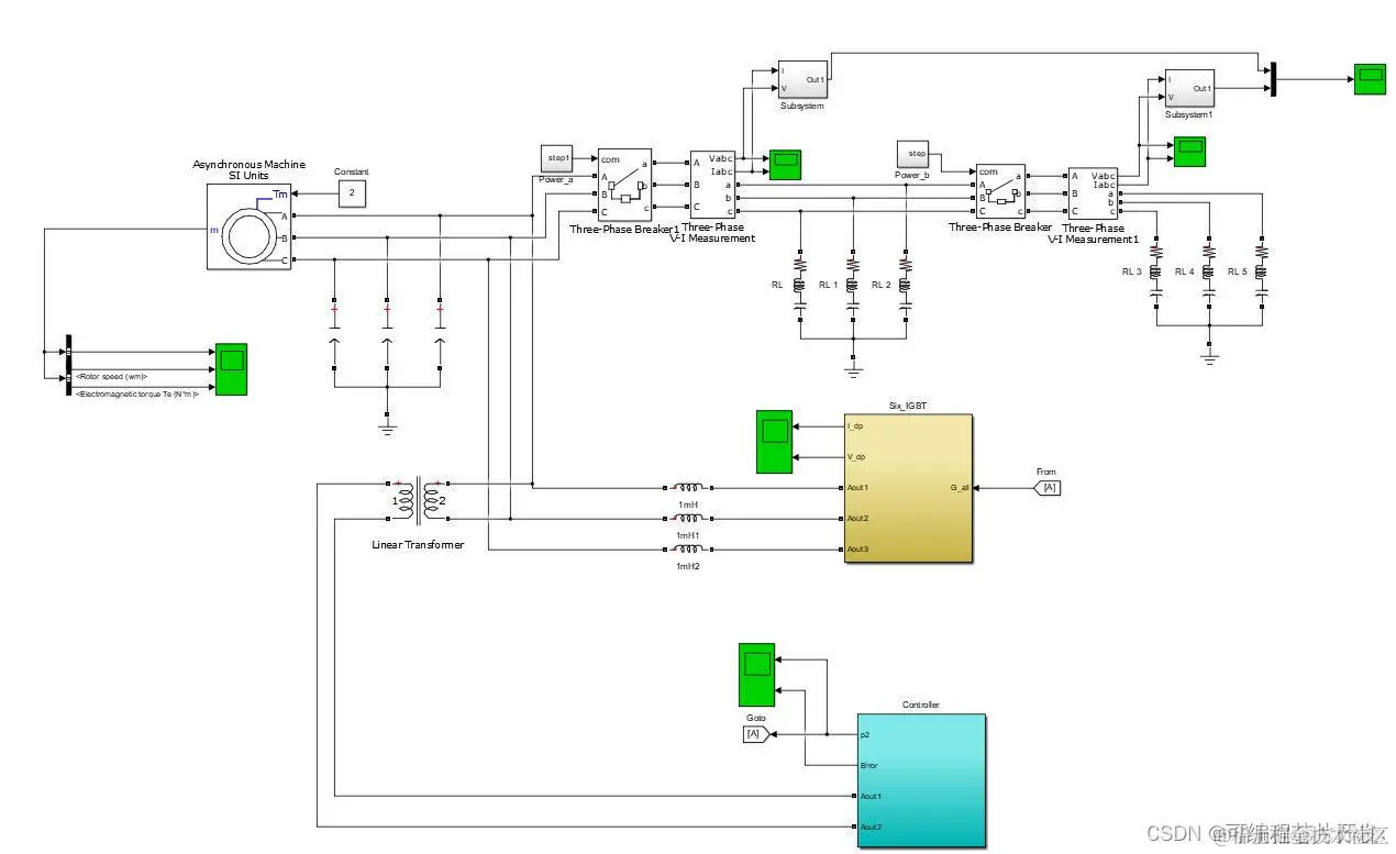
基于6个IGBT的全桥电路simulink建模与仿真

191 阅读3分钟

1.课题概述

基于6个IGBT的全桥电路simulink建模与仿真.

 

2.系统仿真结果

 

1.jpeg

2.jpeg

3.jpeg

4.jpeg

5.jpeg  

 

 

 

3.核心程序与模型

版本:MATLAB2022a

 

35d9897b06761ca1ce4751095e6a60d1_watermark,size_14,text_QDUxQ1RP5Y2a5a6i,color_FFFFFF,t_100,g_se,x_10,y_10,shadow_20,type_ZmFuZ3poZW5naGVpdGk=.jpg

 

4.系统原理简介

        基于6个IGBT的全桥电路通常指的是一个三相全桥逆变器电路,它在电力电子变换器中被广泛应用,尤其是在电机驱动和电源转换等领域。在这个电路中,6个IGBT(绝缘栅双极晶体管)及其反并联二极管共同构成了能够将直流电转换为交流电的三相桥式结构。

 

4.1 三相逆变器全桥电路原理

电路结构

 

        三相全桥逆变器电路由6个IGBT组成,每两个IGBT构成一个桥臂,总共形成三个桥臂,对应三相输出(A、B、C)。每个IGBT都有一个与之反并联的二极管,用于在IGBT关断时提供续流路径。

 

工作原理

 

       当某个桥臂的上管导通、下管关断时,该相输出为正电压;相反,当上管关断、下管导通时,输出为负电压。通过控制每个桥臂上IGBT的开关状态,可以在输出端得到不同电压和频率的三相交流电。

 

IGBT全桥驱动电路的主要目标是提供适当的电压和电流信号来控制IGBT模块的开关状态。其工作原理基于通过驱动信号控制IGBT的栅极电位,进而控制IGBT的导通和截止。通过合理控制栅极电位,可以使IGBT快速切换,实现有效的功率转换。

 

4.2 全桥电路应用领域

1.变频驱动应用:

 

      IGBT全桥驱动电路在变频驱动系统中起着关键作用。例如,在交流电机驱动中,通过对IGBT全桥驱动电路精确控制,可以实现电机速度和转矩的调节,实现高效能量转换和精确运行控制。这在工业领域的无刷直流电机驱动、轨道交通以及船舶等领域都有广泛应用。

 

2.逆变器应用:

 

      逆变器用于将直流电源转换为交流电源,IGBT全桥驱动电路在逆变器中发挥着关键作用。逆变器广泛应用于新能源发电、太阳能和风能转换系统中。通过精确控制IGBT全桥驱动电路,可以实现高效的电能转换,并保证输出波形的质量和稳定性。

 

3.电动汽车应用:

 

       IGBT全桥驱动电路在电动汽车领域是不可或缺的。电动汽车使用高压直流电池供电,通过IGBT全桥驱动电路将直流电转换为交流电,驱动电机实现车辆运动。IGBT全桥驱动电路可确保高效的能量转换和精确的电机控制,提高电动汽车的性能和续航里程。

 

4.可再生能源应用:

 

       在可再生能源领域,如光伏逆变器和风力发电系统中,IGBT全桥驱动电路起着关键作用。透过对光伏电池和风力发电机输出进行精确控制,可以使得电能以高效率注入电网。IGBT全桥驱动电路的快速开关特性与高频调制技术相结合,使得光伏和风力能源得到最大程度的利用。

 

       基于6个IGBT的全桥电路(三相全桥逆变器)通过控制IGBT的开关状态,能够将直流电转换为三相交流电。这种电路在电机驱动、电力系统和可再生能源等领域有着广泛的应用。通过PWM调制技术,可以精确地控制输出电压的幅值和频率,满足不同的应用需求