基于simiulink的flyback反激型电路建模与仿真

108 阅读4分钟

1.课题概述

       flyback反激型电路建模与仿真。反激变换器在开关管导通时电源将电能转为磁能储存在变压器中,当开关管关断时,再将磁能变为电能传送到负载。单端反激变换器是由Buck-Boost变换器派生而来。

 

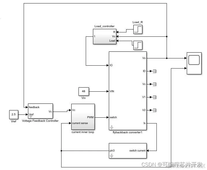
2.系统仿真结果

1.jpeg

2.jpeg

3.jpeg

4.jpeg  

 

3.核心程序与模型

版本:MATLAB2022a

 

 

02_016m

 

4.系统原理简介

        Flyback反激型电路是一种广泛应用于开关电源中的拓扑结构,尤其在低功率到中等功率的应用中尤为常见。它的主要优点是结构简单、元件数量少、成本低且易于实现隔离输出。本文将详细阐述Flyback反激型电路的工作原理、数学建模以及仿真方法,力求为读者提供深入的理论分析和实践指导。

 

4.1 Flyback反激型电路的基本原理

       Flyback反激型电路属于单端开关电源电路的一种,它利用一个开关管和变压器实现输入电能到输出电能的转换。在开关管导通时,变压器原边储存能量;在开关管关断时,变压器副边释放能量给负载。

 

       电路结构:Flyback反激型电路主要由输入整流滤波电路、开关管、变压器、输出整流滤波电路以及控制电路组成。其中,开关管是电路的核心元件,它的开关状态决定了电路的工作模式。

工作过程:

       储能阶段:当开关管导通时,输入电压加在变压器原边上,副边二极管因反向偏置而截止,此时变压器原边储存能量。

       释能阶段:当开关管关断时,变压器原边电流迅速下降为零,副边产生感应电动势,二极管正向偏置导通,将储存的能量释放给负载。

 

 

4.2 Flyback反激型电路的数学建模

       为了更深入地理解Flyback反激型电路的工作原理,我们需要对其进行数学建模。这里主要分析电路在连续导电模式(CCM)和断续导电模式(DCM)下的工作情况。

 

 

4.3 Flyback反激型电路的仿真方法

         在进行Flyback反激型电路的仿真时,我们可以采用电路仿真软件如PSPICE、LTspice或Simulink等。以下是仿真的基本步骤:

 

搭建电路模型:根据Flyback反激型电路的原理图,在仿真软件中搭建相应的电路模型。这包括选择适当的元件(如电阻、电容、电感、二极管和开关管)以及设置它们的参数值。

设置仿真参数:设置仿真的时间范围、步长以及需要观察的变量(如电压、电流和功率)。此外,还需要设置开关管的驱动信号以模拟实际的工作情况。

运行仿真:在完成上述设置后,可以开始运行仿真并观察仿真结果。通过比较仿真结果和实际测量数据,可以验证电路设计的正确性和性能指标的达标情况。

优化设计:根据仿真结果和分析,可以对电路设计进行优化调整以提高性能或降低成本。这可能涉及到更改元件参数、调整控制策略或优化布局布线等方面的工作。

      Flyback反激型电路作为一种高效、可靠的开关电源拓扑结构,在电力电子领域具有广泛的应用前景。通过本文的详细阐述和分析,相信读者对该电路的工作原理、数学建模以及仿真方法有了更深入的了解和认识。在未来的研究和实践中,我们可以进一步探索Flyback反激型电路的优化设计方法、新型控制策略以及在高功率密度和高效率方面的应用潜力。同时,随着新材料和新技术的不断涌现和发展进步, Flyback反激型电路将会在更多领域发挥其独特优势并推动相关产业的快速发展与升级换代。