一款高温型霍尔效应传感器

954 阅读1分钟

一、产品概述

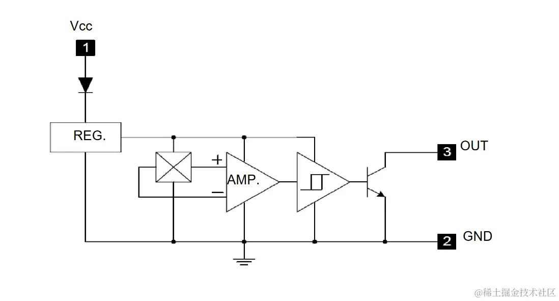
HAL443A单极性霍尔位置传感器是由内部电压稳压器、霍尔电压发生器、差分 放大器、温度补偿单

元、施密特触发器和集 电极开路输出级组成的磁敏传感电路,其输入为磁感应强度,输出是一个数字电压

信号。它是一种单磁极工作的磁敏电路,适合于矩形或者柱形磁体下工作。工作温度范围为-40 ℃ ~150

℃,电源电压工作范围为 3.8V~30V ,负载电流能力最高可达到 50mA,封装形式为 SIP3L(TO-92UA)。

二、产品特点

  • 电源电压范围宽,输出电流大。

    开关速度快,无瞬间抖动。

    工作频率宽(0~100KHz)。

    寿命长、体积小、安装方便。

    能直接和逻辑电路接口。

三、典型应用

  • 直流无刷电机 无触点开关
  • 位置控制 电流传感器
  • 汽车点火器 安全报警装置
  • 隔离检测 转速检测

四、电路结构

内部框图

测试电路图

磁电转换特性

封装信息