一款完整的单节锂离子电池采用恒定电流/恒定电压线性充电器-CSDN博客

100 阅读5分钟

一、基本概述

TX5806是一款完整的单节锂离子电池采用恒定电流/恒定电压线性充电器。芯片外部元件少,使芯片成为便携式应用的理想选择。芯片可以适合 USB 电源和适配器电源工作。由于采用了内部P-MOS架构,加上防倒充电路,所以不需要外部隔离二极管。热反馈可对充电电流进行自动调节,以便在大功率操作或高环境温度

条件下对芯片温度加以限制。

充电电压固定于 4.2V,而充电电流可通过一个外部电阻进行设置。当充电电流在达到最终浮充电压之后降至设定值 1/10 时,芯片将自动终止充电循环。当输入电压被拿掉时,芯片自动进入一个低电流状态,将电池漏电流降至 2uA 以下。芯片在有电源时也可置于停机模式,以而将供电电流降至55uA。芯片的其他特点包括电池温度检测、欠压闭锁、自动再充电和两个用于指示充电、LED 的结束状态引脚。芯片采用 ESOP8/MSOP8 封装。

二、应用指南

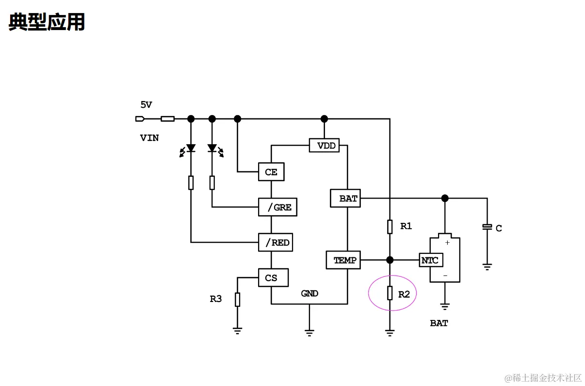
TEMP 脚:电池温度检测输入端

将 TEMP 管脚接到电池的 NTC 传感器的输出端。如果 TEMP 管脚的电压小于输入电压的 45%或者大于输入电压的 80%,意味着电池温度过低或过高,则充电被暂停。如果 TEMP 直接接 GND,电池温度检测功能取消,其他充电功能正常。

CS 脚:恒流充电电流设置和充电电流监测端

从 CS 管脚连接一个外部电阻到地端可以对充电电流进行编程。在预充电阶段,此管脚的电压被调制在 0.1V;在恒流充电阶段,此管脚的电压被固定在 1V。在充电状态的所有模式,测量该管脚的电压都可以根据下面的公式来估算充电电流。

VDD 脚:输入电压正输入端

当 VDD 与 BAT 管脚的电压差小于 30mV 时,芯片将进入低功耗的停机模式,此时 BAT 管脚的电流小于 2uA。

BAT :电池连接端

将电池的正端连接到此管脚。在芯片被禁止工作或者睡眠模式,BAT 管脚的漏电流小于 2uA。BAT 管脚向电池提供充电电流和 4.2V 的限制电压。

GRE 脚:电池充电完成指示端

当电池充电完成时被内部开关拉到低电平,表示充电完成。除此之外,管脚将处于高阻态。

RED 脚:充电状态指示端

当充电器向电池充电时,管脚被内部开关拉到低电平,表示充电正在进行;否则,管脚处于高阻态。

EN 脚:芯片使能端

高电平时将使芯片处于正常工作状态,低输入电平时芯片处于被禁止充电状态。EN 脚可以驱动 TTL 电平或者 CMOS 电平。

工作原理

TX5806 是一款专门为单节锂离子或锂聚合物电池充电的恒压恒流芯片。最大持续充电电流可达 1A ,不需要另加阻流二极管和电流检测电阻。芯片有两个输出状态指示:充电状态、故障状态。在芯片的结温超过 145℃ 时自动降低充电电流,在最坏情况下芯片会自动减小充电电流。当输入电压大于电源低电压检测阈值时,芯片开始对电池充电,RED 管脚输出低电平,表示充电正在进行。如果电池电压低于 3V,充电器用小电流对电池进行预充电。当电池电压超过 3V 时,充电器采用恒流模式对电池充电,充电电流由 R3 的值确定。当电池电压接近 4.2V 电压时,充电电流逐渐减小,芯片将进入恒压充电模式。当充电电流减小到充电结束阈值时,充电周期结束,RED 端输出高阻态,GRE 端输出低电位。当电池电压降到再充电阈值以下时,芯片自动开始新的充电周期。芯片的电压精度在 1% 以内,满足了锂离子电池和锂聚合物电池的要求。当输入电压掉电或者输入电压低于电池电压时,充电器进入低功耗的睡眠模式,电池端消耗的电流小于 3uA 。如果将使能输入端 CE 接低电平,充电器停止充电。

充电电流的设定

充电电流是通过连接在 CS 引脚与地之间的电阻来设定的。电阻值和充电电流可根据需要通过下列公式来计算:

充电状态指示器

芯片内有两个漏极开路状态指示输出端 /RED 和 /GRE。当充电器处于充电状态时,/RED 被拉到低电平,在其它状态下,/RED 处于高阻态。当电池的温度处于正常温度范围之外,/RED 和 /GRE 管脚都输出高阻态。当 TEMP 端正常接法使用时, 当电池没有接到充电器时,表示故障状态: 红灯和绿灯都不亮。在TEMP 端接 GND 时,电池温度检测不起作用,当电池没有接到充电器时,输出脉冲信号表示没有安装电池。当 BAT 管脚外接电容 10uF 时 闪烁频率约1-4秒。当不用状态指示功能时,将不用的状态指示输出端接地。