一款基于ESP32的迷你四足机器人-CSDN博客

259 阅读2分钟

一、软件介绍

增加自定义动作模式,可以在小程序中自定义一个最多10个步骤的动作。

附件中:带自定模式固件bin.zip esp32c3固件文件

烧录下图设置

无串口版本esp32c3开发板烧录前先按住BOOT键再插线进入烧录模式,LoadMode选择USB。

二、APP下载

微信小程序蓝牙遥控app审核通过了,扫这个码就能用:

三、图片展示

视频介绍:www.ixigua.com/71595196513…

舵机使用:SG90 180度舵机

固定螺丝:SG90自带两颗固定螺丝可以直接用。

          舵机臂固定螺丝舵机自带的不够长需要单独购买----M2*6 8颗。

          上下盖固定螺丝--------------------------------------M2.5*8 8颗。

          机器人头部显示屏支架螺丝--------------------------M2.5*4 2颗。

          主板固定螺丝-----------------------------------------M2*4 4颗。

合宙esp32c3开发板:item.taobao.com/item.htm?sp…

两档开关 :item.taobao.com/item.htm?sp…

16340电池盒:shop59087254.taobao.com/category-51…

FPC接口:item.taobao.com/item.htm?sp…(分类:8P脚位 间距:0.5mm间距 规格:下接)

1.14寸lcd 液晶屏 :item.taobao.com/item.htm?sp…(插接式)

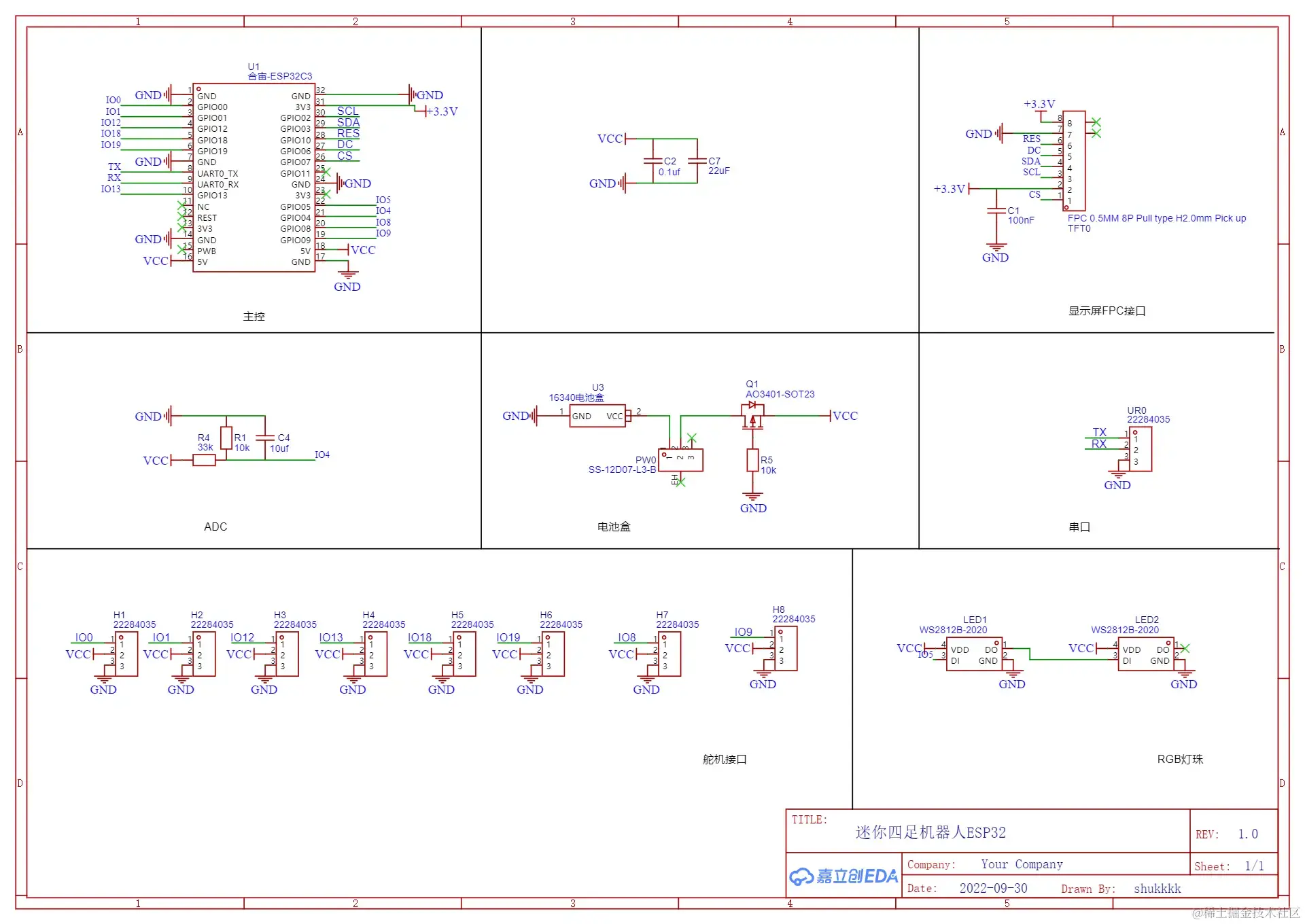
原理图:

PCB