七功能遥控编解码芯片-CSDN博客

121 阅读7分钟

一、基本概述

TT6/TR6 是一对为遥控玩具车设计的 CMOS LSI 芯片。TT6 为发射编码芯片,TR6 为接收解码芯片。TT6/TR6 提供七个功能按键控制前进、后退、左转、右转、加速、独立功能 F1,独立功能 F2 的动作。除此以外,还有这五种常规小车功能(前、后、左、右和加速)的组合,此组合实现了前进和后退功能的两檔变速。

TT6 内置自动关机功能。当功能输入脚接地时,TT6 被唤醒,SO 和 SC 持续分别用 RF 格式(无载波)和 IR 格式(有载波)发送代码。当一个完整的代码发送出去且按键松开后,TT6 将自动进入待机模式。

TR6 提供了两个高效率的放大器和增强的信号识别电路来提升遥控距离。

TR6 内置了驱动电机过流保护功能和智能转向等友好功能。这些功能都保证玩具进行安全而又智能的动作。

二、特点

  • 工作电压范围:2.0V~5.0V(适用于 TT6 和 TR6)

    TR6 内置了 3.8V 稳压二极管,高压供电时需使用限流电阻

    九种功能遥控控制前进/后退/加速/右转/左转/独立功能 F1/独立功能 F2

    为不同的应用提供两种信号传输接口(RF 和 IR)

    只需少量外围组件;振荡电路只需外加一个电阻

    低待机电流和工作电流

    典型振荡频率:

    RF: 128KHZ

    IR: 114KHZ(载波频率: 57KHZ)

    IR: 76KHZ(载波频率: 38KHZ)

    TT6 具有无输入信号时自动关机功能

    实现前进和后退的两级变速功能

    通过 TR6 的过流保护引脚可选择是否进行过流保护;过流保护模式下外围电路简单

    TR6 提供了供客户自行选择使用的智能转向功能,通过简单的电路可实现遥控玩具车自动绕过障碍物运行;TR6

    亦为客户提供了在转向运动时是否禁止高速运动的功能选择模式

    TR6 内置两个高效率的放大器且对微弱输入信号有增强的识别能力,从而提高遥控距离

    TR6 功能输出脚具有超强的驱动能力

三、电气特性

典型应用:除非特别说明,VDD=3.8V,振荡频率=128KHz,T A =25℃

四、功能详细描述

(1)常规功能描述

所谓“常规功能”描述是指遥控玩具车最基本的动作功能,其包括前进功能、后退功能、左转功能、右转功能和加速功能。

常规功能的功能组合输入输出表如下:

备注:1.本列(1)资料表示输入按下,对应输入端被拉到低电平(L 表示被拉到低电平)

2.本列(2)资料表示输出,若末有“脉冲输出”的特别说明,则对应脚输出高电平。(H 表示输出高电平,Z 表示输出 84Hz 66.6%Duty 的脉冲)

3.脉冲频率的高低取决于振荡频率,上图中的 84Hz 为 TR6 振荡频率为 128KHz 时的数据

4.脉冲的占空比无论如何都不会改变

5.编解码电路中已做优先级设置:系统内部禁止同时向前和向后有输出;禁止同时左转和右转有输出。也就是说如果 TT6 功能输入有前后或左右冲突的情况下,解码芯片 TR6 对应的前后或左右功能不会有任何输出,直到功能输入芯片解决了这一冲突

(2)F1 ,F2 功能描述

TT6/TR6 提供了两个独立的数字信道 F1 和 F2,这两个信道的动作相互独立且与其它功能动作也独立。

客户可通过使用这两个信道来实现灯光,音频,驱动电机等外围应用的控制。

(3) VT 过流保护功能描述

为了保护玩具车在遇到障碍作用后发生驱动电机因大电流而烧毁的情况,TR6 特意提供了“过流保护功能”来防止这种情况发生。

客户可以选择是否启用“过流保护”功能。当客户不使用“过流保护”功能时,请将 VT 引脚接地。

如果选用“过流保护功能”,则需要通过简单的外围电路将电机耗用的电流量转化为电压量提供给 TR6 的 VT 脚输入。当 TR6 的 VT 检测到输入电压超过某一区域范围后会开启保护功能,将所有输出关闭。TR6 为了防止过流保护时产生抖动,亦采用了“回滞曲线”型的防抖动电路。其示意图如下

(4)LRTD 转向时禁止加速功能描述

没有玩家愿意接受在转向时因高速运动而翻倾的小车。所以 TR6 特意提供了转向时禁止高速(加速)运动功能。

客户可以选择是否启用“禁止高速”功能。当客户不使用“禁止高速”功能时,请将 LRTD 悬空即可。

当客户选择“禁止高速”功能时,请将 TR6 的 LRTD 引脚接地(其悬空为高电平),从而芯片输出会禁止转向时的高速运动输出。其输入输出组合示意图如下

备注:上述资料中 Z 表示输出脉冲 H 表示输出高电平。

(5)两级变速功能描述

从 TT6/TR6 的常规功能输入输出组合表中可以看出其能够实现前进和后退的两档变速,从而实现高速和低速的前后功能运动,那么在实际应用中如何实现呢?

TR6 的 FORWARD 和 BACKWARD 两个输出引脚来驱动前后电机,无 Turbo 加速时因为输出脉冲之因素而低速运动,当有 Turbo 输入时因输出高电平而高速运动,而 TR6 的 TURBO 对应的功能引脚输出可以通过灯光等形式作为标志输出。

五、典型应用电路

发射器典型应用电路(TT6 振荡频率为 128 KHz)

备注:1.电路可实现前进功能的两级变速。如果需要同时实现前后和两级变速请选用其它电路形式。

2.振荡电路如下所示,图中所示值的振荡频率为 128KHz,如果客户需要改变振荡频率,请改变振荡电阻 R1

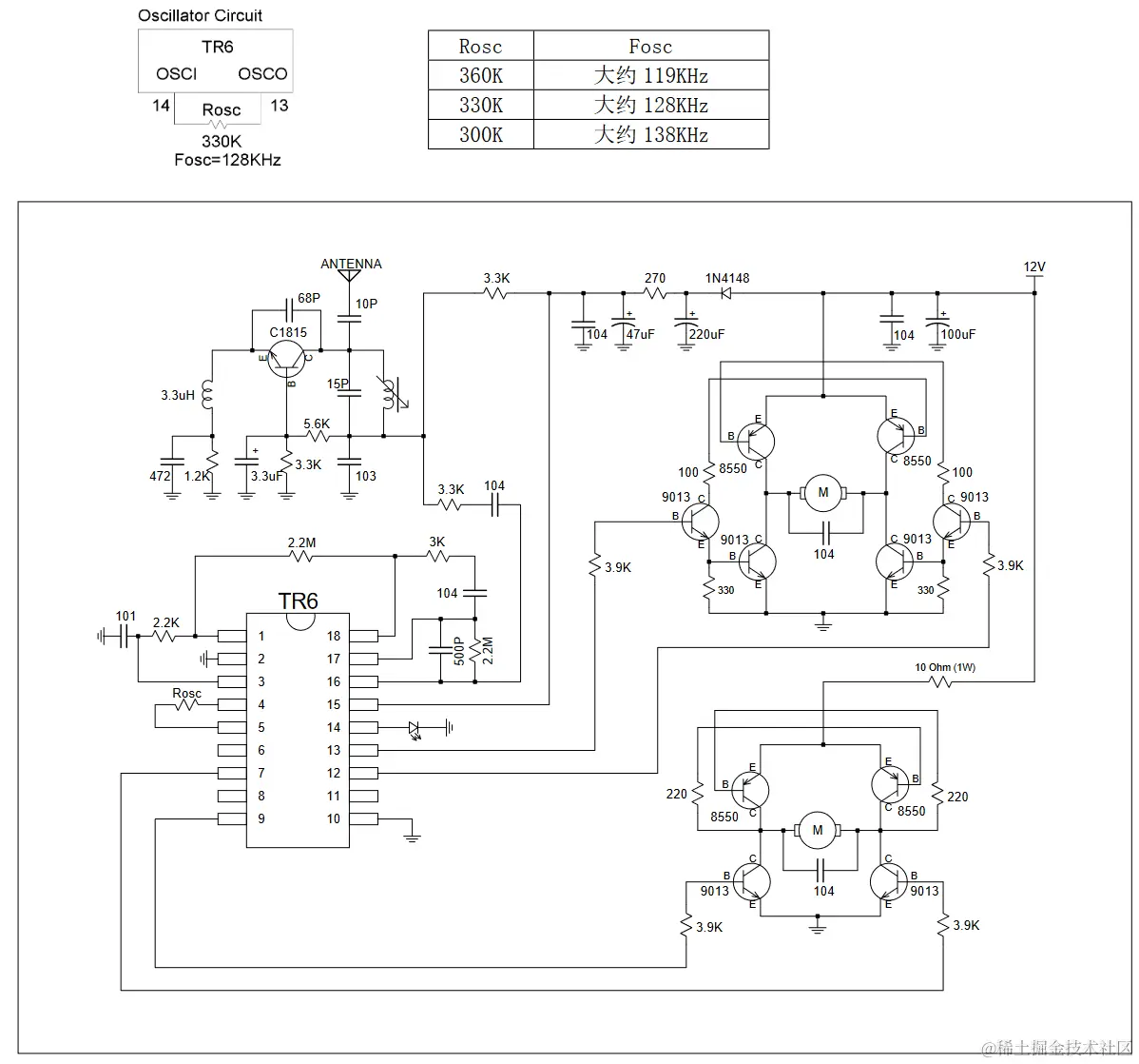
接收器应用电路 I (TR6 Fosc=128KHz)

备注:1.不使用“过流保护”功能,所以 VT 引脚接地

2.由于 TR6 内建稳压二极管,所以电源供电方面仅需接合适的限流电阻即可

3.F2 功能输出脚接声光电等外围应用电路;Turbo 引脚接发光二极管表高速运动

4.振荡电路示意图如下,图中所示值的振荡频率为 128KHz,如果客户需要改变振荡频率,请改变振荡电阻 R1

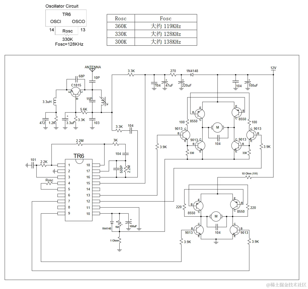
接收器应用电路 II (TR6 Fosc=128KHz)

备注:1.在前后驱动电机上启用“过流保护”功能

2.由于 TR6 内建稳压二极管,所以电源供电方面仅需接合适的限流电阻即可

3.F2 功能输出脚接声光电等外围应用电路

4.利用安装在玩具车转向外壳上的机械轻触开关实现“智能转向”功能

5.启用“转向时禁止高速”功能

6.振荡电路示意图如下,图中所示值的振荡频率为 128KHz,如果客户需要改变振荡频率,请改变振荡电阻 R1

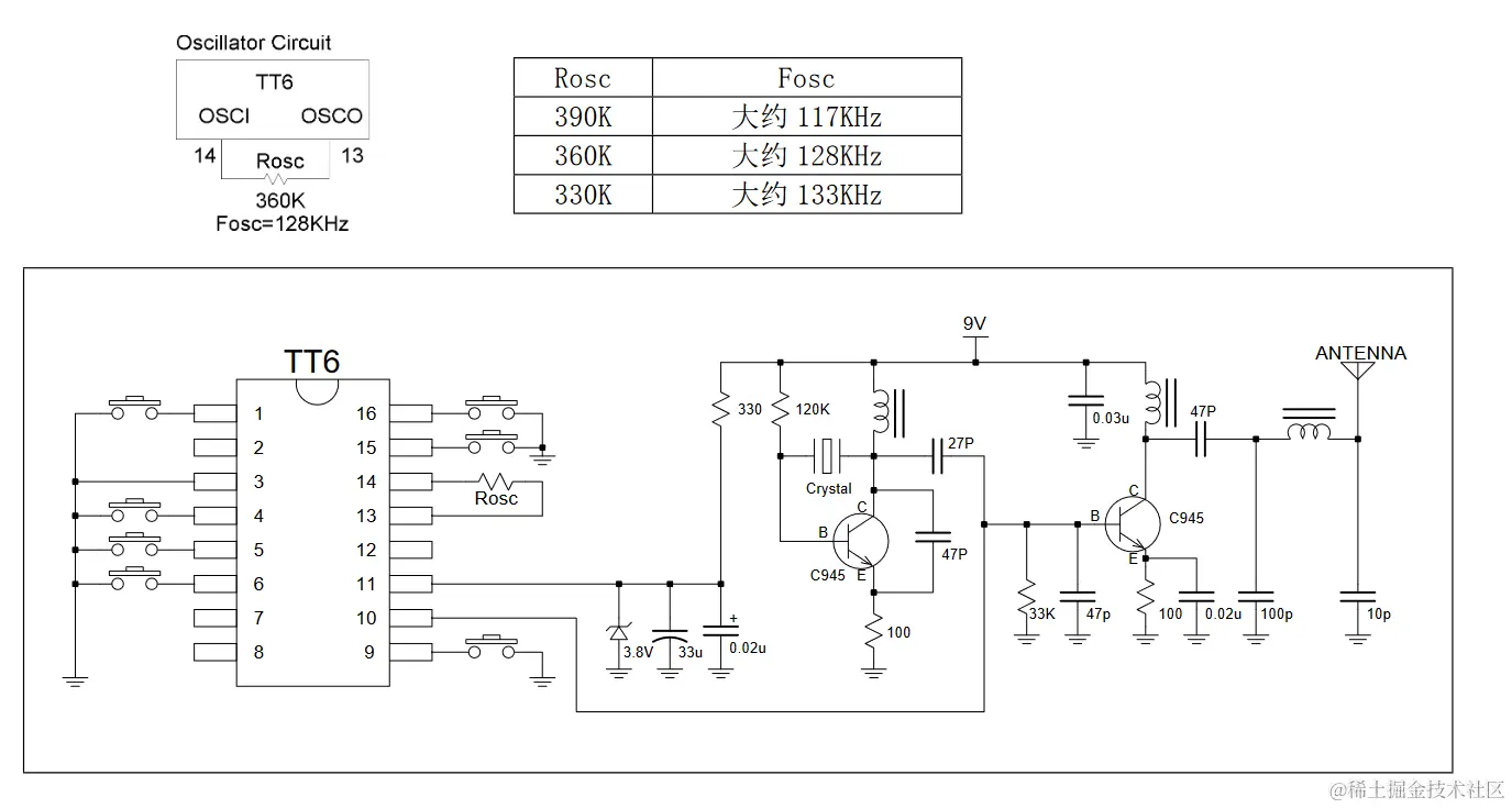
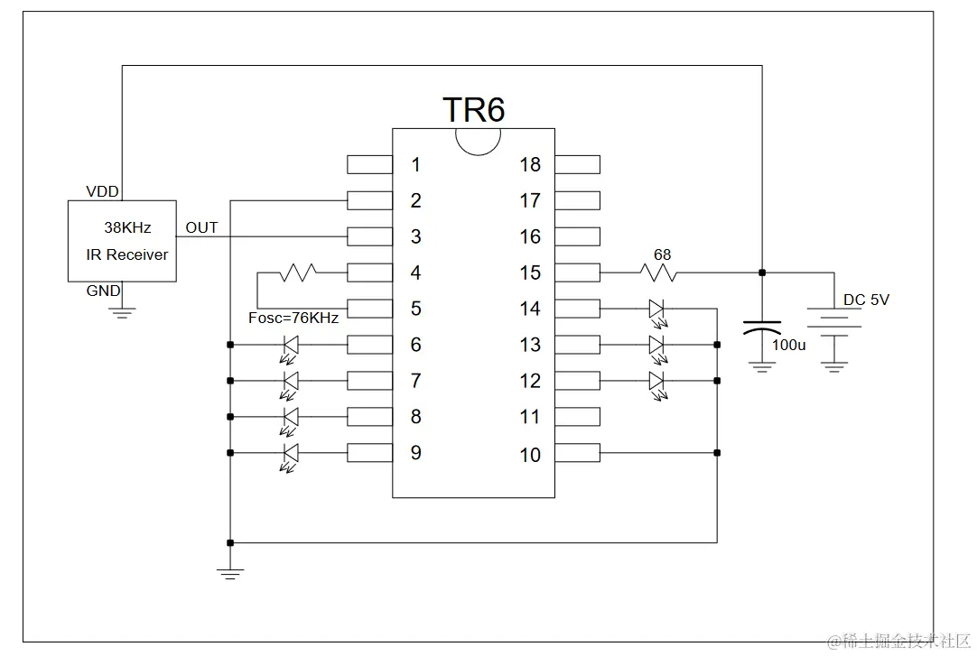
红外线遥控应用电路

发射器 (TT6 Fosc=76KHz)

接收器 (TR6 Fosc=76KHz)