1-4节电池升降压充电IC解决方案-CSDN博客

350 阅读3分钟

描述

MP2760是一款集成窄电压DC(NVDC)电源路径管理功能和USB On-the-Go(OTG)功能的升降压充电IC,兼容USB PD,适用于单节至4节串联的电池包应用。该芯片的充电输入电压范围广,可支持最高22V。

当启用电池放电模式(Source mode)时,芯片的IN引脚可提供高达21V的电压。当提供电源输入时,MP2760 通过3个充电阶段为电池充电:恒流(CC)涓流充电和恒流(CC)预充、恒流(CC)快充或恒压(CV)充电。

MP2760 具有充电截止功能和自动充电功能,另外还提供了输入电流限制和最小输入电压(VIN)限功能,以防止输入源出现过载。MP2760 集成了 I2C 接口,可以在充电和OTG模式下灵活配置参数(如输入电流限、VIN限制和充电电流)。

该芯片还能通过输出和故障寄存器提供工作状态。全方位保护特性包括输入过压保护(OVP)、电池过压保护(OVP)、系统过压保护、过温保护、可配置计时器可防止电池长时间充电。

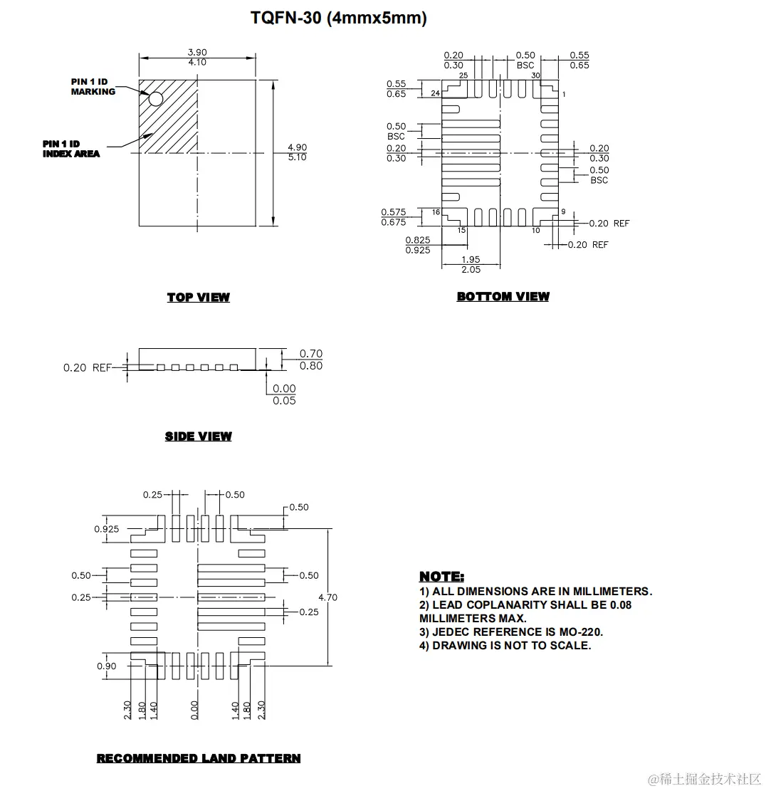
MP2760 采用 TQFN-30(4mmx5mm)封装。

特性

  • 工作输入电压(VIN)范围:4V - 22V
  • 耐受电压可达 26V
  • 带外部 MOSFET 时耐压可高达 28V
  • 支持 USB2.0, USB3.0, USB3.1, USB3.2, USB Type-C, 和 USB PD 3.0
  • 降压(Buck)与升压(Boost)模式无缝切换
  • 可配置最大输入电流(IIL)限
  • 可配置最小输入电压(VIN)限
  • 可调充电电流高达 6A
  • 每节电池的可配置满电电压高达4.68V,精度达0.5%
  • 3V - 21V 可配置输出电压(VOUT),步进值为20mV
  • 输出电流(IOUT)高达6A, 步进值为50mV
  • 500kHz至1.2MHz可配置开关频率(fSW)
  • 可通过I2C 和 SMBUS接口灵活配置参数
  • 输入源状态指示
  • 集成10位ADC来监控电压、电流和温度
  • 在充电和放电模式(Source mode)时模拟输出引脚可监控电池电流
  • 输入过压保护(OVP)
  • 系统过压保护(OVP)
  • 电池过压保护(OVP)
  • 充电模式下系统短路保护(SCP)
  • USB PD 放电模式(Source Mode)下输出短路保护(SCP)
  • 掉电检测
  • NTC 引脚悬空检测
  • 集成N-通道MOSFET驱动用于输入电源直通、过压保护和窄电压DC(NVDC)电源路径控制
  • 可配置电池温度保护阈值
  • 热管理
  • 过温关断

当启用源模式时,MP2760 还可以在 IN 引脚提供宽范围(3V 至 21V)的电压。它还具有源模式下高达 6A 的输出电流限制。这些允许 MP2760 兼容 USB PD。通过I2C/SMBus接口,可以灵活编程MP2760的充放电参数,如输入电流限制、输入电压限制、充电电流、电池满调节电压、源模式输出电压和输出电流等。它还可以通过寄存器提供运行中的状态和故障。

典型应用电路

评估套件

封装定义

引脚描述

部分电特性

工作条件

功能框图

Charge in NVDC Mode

Mode Transition Threshold

NTC Protection Circuit

Recommended PCB Layout

封装形式