CMOS电源稳压器LDO-CSDN博客

137 阅读1分钟

一、基本概述

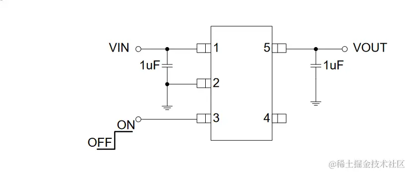
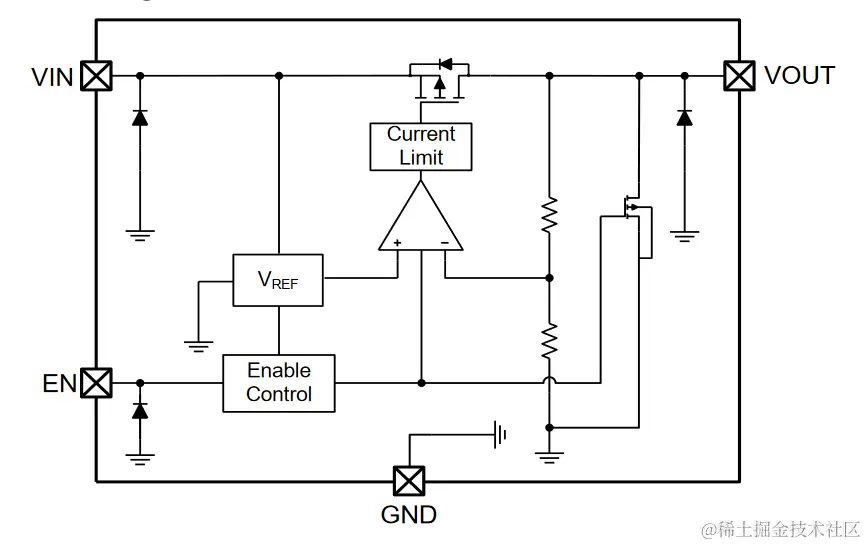
TX6213是一款300mA Low Power LDO,输入电压2.5V~6.5V,输出范围1.0V~3.3V,输出电流300mA,PSRR为75dB @1KHz,压差为220mV @ IOUT=200mA。

二、应用场景

  • MP3/MP4 Players
  • Cellphones, radiophone, digital cameras
  • Bluetooth, wireless handsets
  • Others portable electronics device

三、电气特性

The following specifications apply for VOUT=2.8V,TA=25℃, unless specified otherwise.

应用电路

四、Typical Performance Characteristics

CIN=1uF, COUT=1uF, VIN=4.5V, VOUT=2.8VTA=25oC, unless specified otherwise.

TX6213芯片输出电容器必须满足以下规定的要求:推荐电容表、应用条件。最小值、稳定性和正确操作的电容是0.6μF。电容公差应为超过工作温度±30%或更高范围。推荐的电容器类型为X7R以满足整个设备温度规范。介绍了电容器的应用条件,包括直流偏压、频率和温度。如果电容低于最小指定值(请参见下一节电容器特性)。TX6213设计用于非常小的陶瓷输出电容器。1.0μF电容器(X7R型),ESR类型介于0和400mΩ适用于各种应用场合。X5R型可以使用电容器,但电容器的温度范围。用这些和其他的电容器类型(Y5V,Z6U)可以使用,选择取决于操作范围a的条件和温度范围指定的应用程序。