一款LED段码显示屏驱动芯片方案

1,051 阅读1分钟

一、基本概述

TM1620是一种LED(发光二极管显示器)驱动控制专用IC,内部集成有MCU数字接口、数据锁存器、LED驱动等电路。本产品质量可靠、稳定性好、抗干扰能力强。

二、基本特性

  • 采用CMOS工艺
  • 显示模式(8段×6位~10段×4位)
  • 辉度调节电路(8 级占空比可调)
  • 串行接口(CLK,STB,DIN)
  • 振荡方式:内置RC振荡
  • 内置上电复位电路
  • 内置数据锁存电路
  • 内置针对LED反偏漏电导致暗亮问题优化电路
  • 抗干扰能力强
  • 封装形式:SOP20

三、主要应用

主要适用于家电设备(智能热水器、微波炉、洗衣机、空调、电磁炉)、机顶盒、电子称、智能电表等数码管或LED显示设备。

四、显示驱动

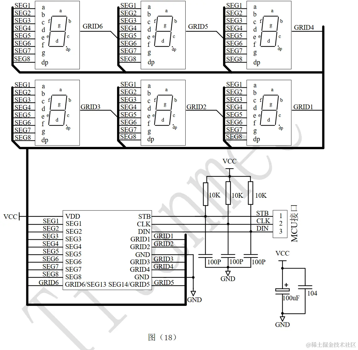
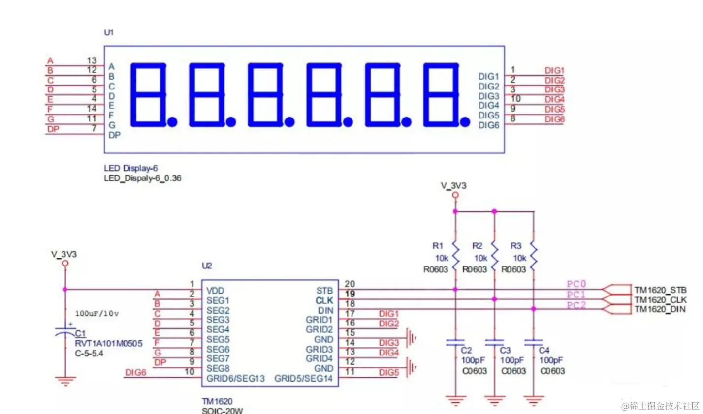
驱动共阴数码管:

读取和接收1个BIT都在时钟的上升沿操作。

五、串行数据传输

六、应用电路

TM1620驱动共阴数码屏硬件电路图(18)

1、VDD、GND之间滤波电容在PCB板布线应尽量靠近TM1620芯片放置,加强滤波效果。

2、连接在DIN、CLK、STB通讯口上下拉三个100pF电容可以降低对通讯口的干扰。

3、因蓝光数码管的导通压降压约为3V,因此TM1620供电应选用5V。

七、电气参数

硬件电路设计