建立时间与保持时间检查

499 阅读1分钟

建立时间时序检查(setup check)

建立时间:组合逻辑最大延迟=>时钟上升沿到来前数据必须稳定的最短时间 Tlaunch+Tcq+Tld < Tcycle+Tcapture-Tsetup

reg->reg

image.png image.pnglaunch路径(发射路径) image.pngcapture路径(采样路径)

input->reg

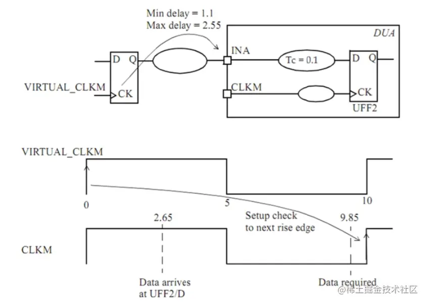
Min->hold检查 Max->setup检查 image.pnglaunch路径 image.png image.png

reg->output

需要约束三种

  1. output delay
    • set output delay -clock VIRTUAL CLKP-max 5.1 [get ports ROUT]
  2. load
    • set load 0.02 [get ports ROUT] image.png
  3. image.png image.png

input->output

image.png image.png image.png

保持时间检查(hold Time check)

Tcq+Tld+Tlaunch>Tcapture+Thold min delay=>hold time check

reg->reg

image.png image.png

input->reg

image.png image.png image.png

reg->output

image.png image.png image.png

input->output

image.png image.png image.png image.png

conclusion(总结)

image.png image.png