CISC 模型机设计(计算机组成原理课程设计)

230 阅读5分钟

持续创作,加速成长!这是我参与「掘金日新计划 · 10 月更文挑战」的第7天,点击查看活动详情


基本要求

设计一台CISC模型计算机。

具体要求

		1. 数据格式和指令系统
		2. 数据通路
		3. 时序系统
		4. 微指令格式
		5. 微程序控制器
		6. 微程序流程图
		7. 微程序代码表

一、数据格式和指令系统

数据的位数:如8位。 数据格式:如定点数 指令的类型: 按功能分:算逻运算、数据存取、程序控制、输入输出 按存取方式分:RR型、RS型 指令的格式和编码: 指令长度:单字节、双字节 操作码格式:如固定长度(4位) 操作数的位数:原寄存器、目的寄存器的表示 数据字节的含义:地址、数据

1).数据格式

模型机规定采用定点补码表示法表示数据,且字长为8位,其格式如下: 在这里插入图片描述

2).指令格式

模型机设计四大类指令共十六条,其中包括算术逻辑指令、I/O指令、访问及转移指令和停机指令。指令系统是计算机硬件的语言系统,也叫机器语言,指机器所具有的全部指令的集合,它是软件和硬件的主要界面,反映了计算机所拥有的基本功能。

(1) 算术逻辑指令

算术逻辑运算指令包括算术运算指令、逻辑运算指令和移位命令。算术运算指令是计算机能够执行的基本数值计算,包括加法ADD、减法SUB、乘法MUL、除法DIV等。逻辑运算指令是对数据进行逻辑操作,包括逻辑与AND、逻辑或OR、逻辑非NOT等三种基本操作以及同或、异或等组合逻辑操作

指令的寻址方式即确定本条指令的数据地址和下一条待执行指令的地址的方法。寻址方式分为指令寻址和数据寻址两类。七种基本的寻址方式:立即寻址,寄存器寻址,直接寻址,寄存器间接寻址,寄存器相对寻址,基址变址寻址,相对基址变址寻址。其中,后五种寻址方式(即直接寻址、寄存器间接寻址、寄存器相对寻址、基址变址寻址和相对基址变址寻址)属于存储器寻址,用于说明操作数或操作数地址所在存储单元的地址。

这里我们设计9条算术逻辑指令并用单字节表示,寻址方式采用寄存器直接寻址,其格式如下: 在这里插入图片描述

其中,OP-CODE为操作码,Rs为源寄存器,Rd为目的寄存器,并规定:9条算术逻辑指令的名称、功能和具体格式

(2) 访内指令及转移指令

转移指令可以通过修改CS和IP的值来实现对CPU执行内存某处代码的控制 模型机设计2条访问指令,即存数(STA)、取数(LDA),2条转移指令,即无条件转移(JMP)、结果为零或有进位转移指令(BZC),指令格式为: 在这里插入图片描述 其中,OP-CODE为操作码, Rd为目的寄存器,D为位移量(正负均可),M为寻址方式,其定义如下: 在这里插入图片描述

(3) 输入输出指令

在这里插入图片描述 其中,addr=01 时,选中“INPUT DEVICE”中的开关组作为入设备,addr=10时,选中“OUTPUT DEVICE”中的数码快作为输出设备。

(4) 停机指令

停机指令STP:计算机中有一个运行标志触发器G,当G=1时,表示机器运行,当G=0时,表示停机。STP指令在执行阶段只需将运行标志触发器置0,记作0 -> G 在停机模式,所有时钟停止工作,保留RAM和寄存器的值。

在这里插入图片描述 这类指令只有一条,即停机指令HALT

3)供参考的指令系统之一

在这里插入图片描述

二、数据通路

1)数据通路框图(两种可参考)

在这里插入图片描述

在这里插入图片描述

2)数据通路总图(proteus模拟)

软件模拟: 在这里插入图片描述 导出后: 在这里插入图片描述

2)数据通路分图(proteus模拟)

(1)通用寄存器

在这里插入图片描述

(2)ALU

在这里插入图片描述

(3)指令寄存器

在这里插入图片描述

(4)控制存储器

在这里插入图片描述

(5)其他部件分图

包括指令译码、程序计数器,数据地址寄存器,地址总线、存储器、数据总线等因篇幅原因不再展示,需要请前往资源学习与下载。

三、微程序控制器

微指令格式 在这里插入图片描述

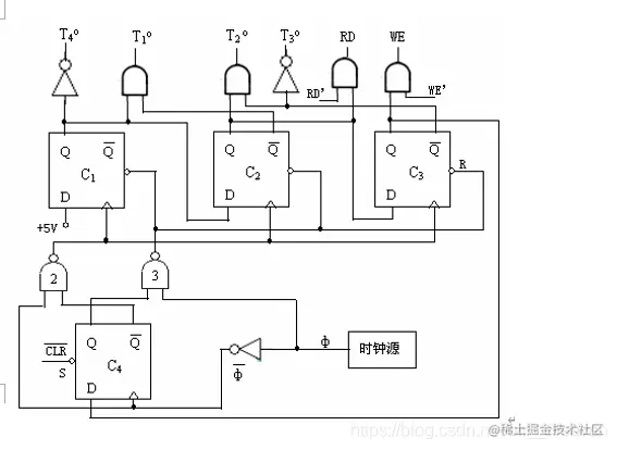
1)微程序控制器框图

在这里插入图片描述

2)微程序控制器总图(proteus模拟)

在这里插入图片描述

在这里插入图片描述

四、时序

1)时序系统图

在这里插入图片描述

2)时序波形图

在这里插入图片描述

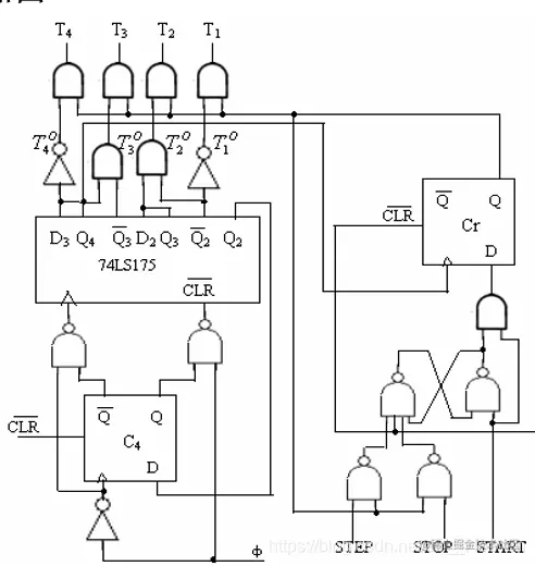
3)起停控制电路图

在这里插入图片描述

五、微程序

1)供参考的微程序流程图1

在这里插入图片描述

2)供参考的微程序流程图2

在这里插入图片描述

3)微程序代码表

在这里插入图片描述 在这里插入图片描述


四、模型机CISC的优缺点

主要优点: 1.指令丰富,功能强大 2.寻址方式灵活。 3.以微程序控制器为核心,指令存储器与数据存储器共享同一个物理存储空间,性能强大。

主要缺点: 1.指令使用率不均衡。 2.不利于采用先进结构提高性能。 3.结构复杂不利于VLSI(超大规模集成电路)实现。

现代的CPU往往采用CISC的外围,内部加入了RISC的特性,如超长指令集CPU就是融合了RISC和CISC的优势,成为未来的CPU发展方向之一。