RT-Thread Studio快速配置SDIO读写SD卡

695 阅读2分钟

文章目录

AB32读写SD卡

1.准备内容

1.1本章内容

本章基于RT-Thread Studio软件配置AB32VG1片上SDIO外设,快速使用SDIO功能,读写SD卡。

1.2模块介绍

SD卡接口位置

20210526211344

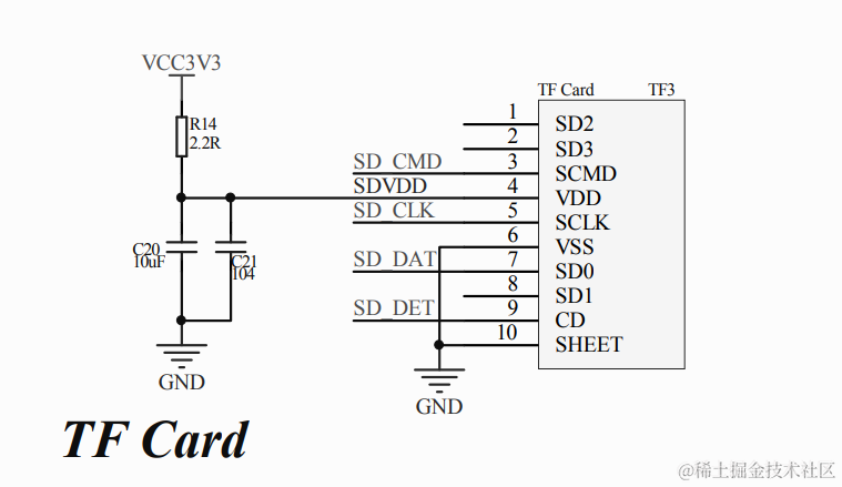
TF Card接口原理图

20210526201749

通过跳线帽将TF Card接口与芯片SDIO接口连接

20210526212350

因为开发板引脚冲突,需要将图上右侧位置跳线帽断开,SD卡处的跳线帽插上

20210526212754

1.3开发软件

20210318172331.png

编译平台:RT-Thread Studio: 安装链接

下载平台:Downloader: 安装链接

2.步骤说明

2.1 新建工程

点击 文件-> 新建-> RT-Thread项目控件

20210209213346.png

选择基于开发板的项目,填写工程名字,选择我们使用到的开发板(AB32VG1) ,调试器我们随便选,下载方式不是通过此处下载

20210531155708

注意:如果第一次使用RISC-V芯片需要安装工具链,在SDK管理器中下载工具链

20210318193859.png

然右击项目名称,进入属性

20210531160035

找到MCU->RISC-V ToolchainsPat ,配置Tool的环境,在软件安装位置下面的路径中

软件安装位置\RT-ThreadStudio\repo\Extract\ToolChain_Support_Packages\RISC-V\RISC-V-GCC\10.1.0\bin

20210531160138

工程新建后左边的项目资源管理器会显示我们的工程,我们把他展开,点击小锤子图标编译一下,编译结果如下

20210531160235

编译无报错,新建工程完成了!

2.2 RT-Thread Studio配置SDIO

点击RT-Thread Setting

20210531165247

选择更多配置

20210531165311

点击硬件,展开后选择使能SD卡

20210531165344

Ctrl + S保存,RT-Thread会自动生成代码,生成之后,我们回到工程文件,编译一下工程

20210531165943

编译无报错,SDIO功能添加完成,下面就是验证SD卡功能

3.代码验证

编译完成,打开Downloaded下载器,通过download下载生成的.dcf文件(第一次使用前需要先安装串口驱动),扫描串口,点击开始后,按一下板子上复位按键下载程序

20210531170138

程序下载完成后可以通过Downloader使用命令行进行在线调试,如下ls列出挂载的SD卡上的列表,mkdir创建新的目录

image.png

4.章节总结

本章节我们使用RTT Studio配置文件系统,然后通过终端进行接口调用,不需要写很多代码,因为挂载文件系统的代码已经封装完成,这样的机制有利于降低开发者的开发时间,使开发者不用了解底层也可快速通过终端对SD卡进行配置,减少开发时间