RTL设计- 多时钟域按顺序复位释放

131 阅读1分钟

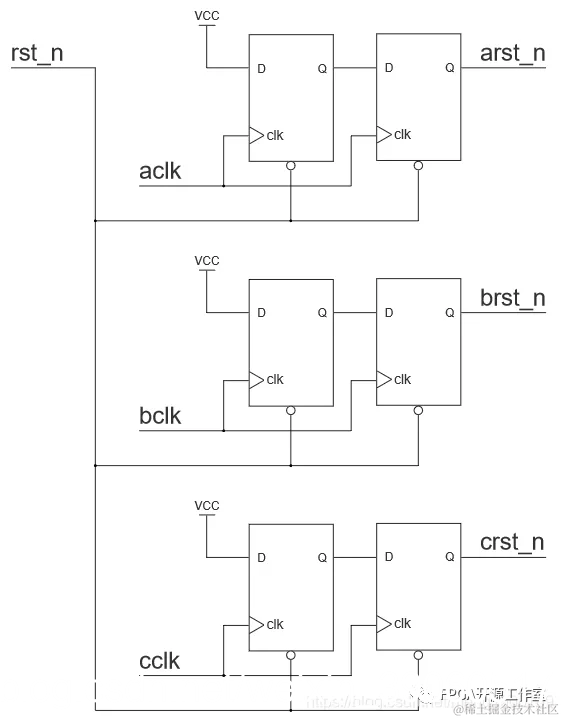
1 多时钟域的异步复位同步释放

当外部输入的复位信号只有一个,但是时钟域有多个时,使用每个时钟搭建自己的复位同步器即可,如下所示。

在这里插入图片描述


module CLOCK_RESET(
       input rst_n,
     input aclk,
     input bclk,
     input cclk,
     output reg  arst_n,
     output reg  brst_n,
     output reg  crst_n
       );


reg arst_n0