Verilog设计实例(6)基于Verilog的各种移位寄存器实现

4,252 阅读9分钟


写在前面


正文

在数字电子产品中,移位寄存器是级联的触发器,其中一个触发器的输出引脚q连接到下一个触发器的数据输入引脚(d)。 因为所有触发器都在同一时钟上工作,所以存储在移位寄存器中的位阵列将移位一个位置。 例如,如果一个5位右移寄存器的初始值为10110,并且将移位寄存器的输入绑定到O,则下一个模式将为01011,下一个模式将为00101。

5位移位寄存器示意图
5位移位寄存器示意图

移位寄存器的种类有很多,需要根据需求来设计,但万变不离其宗,都是每一个时钟,寄存器阵列移位一次,下面就盘点各种移位寄存器:

  1. 左移位寄存器
  2. 右移位寄存器
  3. 串行输入并行输出移位寄存器
  4. 并行输入串行输出移位寄存器

下面就分别认识下吧。

左移位寄存器

所谓的左移,这里约定成网高位移位,这是因为我们通常定义变量都是:

reg [MSB:LSB] VAR;

高位在左,底位在右,因此左移便是向高位移位。 其实这里还可以继续细分,是循环左移还是非循环的呢?

循环左移寄存器

所谓的循环左移,就是将最高位移位到最低位,次高位作为最高位,依次循环。

电路设计:

以四位循环左移为例,给出电路设计Verilog代码:

`timescale 1ns / 1ps
//////////////////////////////////////////////////////////////////////////////////
// Engineer: Reborn Lee
// Module Name: cycle_left_register
// Additional Comments:
// https://blog.csdn.net/reborn_lee
//////////////////////////////////////////////////////////////////////////////////


module cycle_left_register #(parameter MSB = 4)(
 input [MSB - 1 : 0] din,
 input i_rst,
 input i_load,
 input i_clk,
 output  [MSB - 1 : 0] dout
    );

 reg [MSB - 1 : 0] dout_mid;
 always@(posedge i_clk) begin
  if(i_rst) begin
   dout_mid <= 'd0;
  end
  else if(i_load) begin
   dout_mid <= din;
  end
  else begin
   dout_mid <= {dout_mid[MSB - 2 : 0], dout_mid[MSB - 1]};
  end
 end
 assign dout = dout_mid;


endmodule



注:里面添加了一个信号,叫装载信号i_load,这个信号有效的时候,将输入din赋值给中间寄存器dout_mid,这样才能实现每一个时钟上升沿来临时,都对输入左移一次。

测试代码

简单给出测试代码:

`timescale 1ns / 1ps
//////////////////////////////////////////////////////////////////////////////////
// Engineer: Reborn Lee
// Module Name: cycle_left_register_tb
// https://blog.csdn.net/reborn_lee
//////////////////////////////////////////////////////////////////////////////////


module cycle_left_register_tb(

    );
 parameter MSB = 4;

 reg [MSB - 1 : 0] din;
 reg i_rst;
 reg i_clk;
 reg i_load;
 wire [MSB - 1 : 0] dout;

 //generate clock
 initial begin
  i_clk = 0;
  forever begin
   #5 i_clk = ~i_clk;
  end
 end

 //generate rst and input data 
 initial begin
  i_rst = 1;
  din = 0;
  i_load = 0;

  # 22

  i_rst = 0;
  @(negedge i_clk) begin
  din = 'b1011;
  i_load = 1;
  end

  @(negedge i_clk) begin
   i_load = 0;
  end

  repeat(5) @(posedge i_clk);

  @(negedge i_clk) begin
   din = 'd0101;
   i_load = 1;
  end
  
  @(negedge i_clk) i_load = 0;

  repeat(4) @(posedge i_clk);

  #10 $finish;

 end

 initial
      $monitor (" i_rst = %0b, i_load = %0b, din = %b, dout = %b", i_rst, i_load, din, dout);

 cycle_left_register #(.MSB(MSB))inst_cycle_left_register(
  .i_clk(i_clk),
  .i_rst(i_rst),
  .i_load(i_load),
  .din(din),
  .dout(dout)
  );



endmodule


给出仿真结果:

左移位寄存器仿真结果
左移位寄存器仿真结果

监控记录:

 i_rst = 1, i_load = 0, din = 0000, dout = xxxx
 i_rst = 1, i_load = 0, din = 0000, dout = 0000
 i_rst = 0, i_load = 0, din = 0000, dout = 0000
 i_rst = 0, i_load = 1, din = 1011, dout = 0000
 i_rst = 0, i_load = 1, din = 1011, dout = 1011
 i_rst = 0, i_load = 0, din = 1011, dout = 1011
 i_rst = 0, i_load = 0, din = 1011, dout = 0111
 i_rst = 0, i_load = 0, din = 1011, dout = 1110
 i_rst = 0, i_load = 0, din = 1011, dout = 1101
 i_rst = 0, i_load = 0, din = 1011, dout = 1011
 i_rst = 0, i_load = 0, din = 1011, dout = 0111
 i_rst = 0, i_load = 1, din = 0101, dout = 0111
 i_rst = 0, i_load = 1, din = 0101, dout = 0101
 i_rst = 0, i_load = 0, din = 0101, dout = 0101
 i_rst = 0, i_load = 0, din = 0101, dout = 1010
 i_rst = 0, i_load = 0, din = 0101, dout = 0101
 i_rst = 0, i_load = 0, din = 0101, dout = 1010
 i_rst = 0, i_load = 0, din = 0101, dout = 0101

非循环左移寄存器

非循环左移对于循环左移来说,就是最高位不移入最低位,而是丢弃,最低位补零。 修改其中移位语句即可:

dout_mid <= {dout_mid[MSB - 2 : 0], dout_mid[MSB - 1]};

改为:

dout_mid <= {dout_mid[MSB - 2 : 0],1'b0};

行为仿真波形

非循环的左移移位寄存器仿真图
非循环的左移移位寄存器仿真图
 i_rst = 1, i_load = 0, din = 0000, dout = xxxx
 i_rst = 1, i_load = 0, din = 0000, dout = 0000
 i_rst = 0, i_load = 0, din = 0000, dout = 0000
 i_rst = 0, i_load = 1, din = 1011, dout = 0000
 i_rst = 0, i_load = 1, din = 1011, dout = 1011
 i_rst = 0, i_load = 0, din = 1011, dout = 1011
 i_rst = 0, i_load = 0, din = 1011, dout = 0110
 i_rst = 0, i_load = 0, din = 1011, dout = 1100
 i_rst = 0, i_load = 0, din = 1011, dout = 1000
 i_rst = 0, i_load = 0, din = 1011, dout = 0000
 i_rst = 0, i_load = 1, din = 0101, dout = 0000
 i_rst = 0, i_load = 1, din = 0101, dout = 0101
 i_rst = 0, i_load = 0, din = 0101, dout = 0101
 i_rst = 0, i_load = 0, din = 0101, dout = 1010
 i_rst = 0, i_load = 0, din = 0101, dout = 0100
 i_rst = 0, i_load = 0, din = 0101, dout = 1000
 i_rst = 0, i_load = 0, din = 0101, dout = 0000

注意事项:

循环移位语句:

dout_mid <= {dout_mid[MSB - 2 : 0],1'b0};

其中的最低位一定要写成1'b0,如果写成了0,即:

dout_mid <= {dout_mid[MSB - 2 : 0],0};

则仿真结果变为:

非循环左移的4位移位寄存器仿真图异常情况
非循环左移的4位移位寄存器仿真图异常情况

这意味着,直接赋值0给dout_mid了。

右移位寄存器

右移位寄存器和左移位寄存器是对称的,就是每一个时钟上升沿到来,都向低位移动一次,这里也必要重新写了,我们只需要改其中某条移位语句即可。

这里又分为循环与不循环,分别点出。

循环右移位

即:

dout_mid <= {dout_mid[MSB - 2 : 0], dout_mid[MSB - 1]};

改为:

dout_mid <= {dout_mid[0], dout_mid[MSB - 1 : 1]};

为了照顾新手,还是给出完整设计代码:

`timescale 1ns / 1ps
//////////////////////////////////////////////////////////////////////////////////
// Engineer: Reborn Lee
// Module Name: cycle_left_register
// Additional Comments:
// https://blog.csdn.net/reborn_lee
//////////////////////////////////////////////////////////////////////////////////


module shift_register #(parameter MSB = 4)(
 input [MSB - 1 : 0] din,
 input i_rst,
 input i_load,
 input i_clk,
 output  [MSB - 1 : 0] dout
    );

 reg [MSB - 1 : 0] dout_mid;
 always@(posedge i_clk) begin
  if(i_rst) begin
   dout_mid <= 'd0;
  end
  else if(i_load) begin
   dout_mid <= din;
  end
  else begin
   // dout_mid <= {dout_mid[MSB - 2 : 0], 1'b0}; // normal left shift
   // dout_mid <= {dout_mid[MSB - 2 : 0], dout_mid[MSB - 1]}; //cycle left shift
   dout_mid <= {dout_mid[0],dout_mid[MSB - 1 : 1]};
  end
 end
 assign dout = dout_mid;


endmodule

仿真波形:

由于仿真文件和上述的循环左移一致,就改一下例化即可,这里就没必要给出了 ,直接给出仿真波形:

循环右移寄存器仿真波形
循环右移寄存器仿真波形

监控记录

 i_rst = 1, i_load = 0, din = 0000, dout = xxxx
 i_rst = 1, i_load = 0, din = 0000, dout = 0000
 i_rst = 0, i_load = 0, din = 0000, dout = 0000
 i_rst = 0, i_load = 1, din = 1011, dout = 0000
 i_rst = 0, i_load = 1, din = 1011, dout = 1011
 i_rst = 0, i_load = 0, din = 1011, dout = 1011
 i_rst = 0, i_load = 0, din = 1011, dout = 1101
 i_rst = 0, i_load = 0, din = 1011, dout = 1110
 i_rst = 0, i_load = 0, din = 1011, dout = 0111
 i_rst = 0, i_load = 0, din = 1011, dout = 1011
 i_rst = 0, i_load = 0, din = 1011, dout = 1101
 i_rst = 0, i_load = 1, din = 0101, dout = 1101
 i_rst = 0, i_load = 1, din = 0101, dout = 0101
 i_rst = 0, i_load = 0, din = 0101, dout = 0101
 i_rst = 0, i_load = 0, din = 0101, dout = 1010
 i_rst = 0, i_load = 0, din = 0101, dout = 0101
 i_rst = 0, i_load = 0, din = 0101, dout = 1010
 i_rst = 0, i_load = 0, din = 0101, dout = 0101

非循环右移寄存器

相对于循环右移寄存器来说,只需要改动为:最高位补零即可。 即: 将移位语句:


dout_mid <= {dout_mid[0],dout_mid[MSB - 1 : 1]};

改为:

dout_mid <= {1'b0,dout_mid[MSB - 1 : 1]};

仿真波形为:

非循环右移寄存器
非循环右移寄存器

监控记录

 i_rst = 1, i_load = 0, din = 0000, dout = xxxx
 i_rst = 1, i_load = 0, din = 0000, dout = 0000
 i_rst = 0, i_load = 0, din = 0000, dout = 0000
 i_rst = 0, i_load = 1, din = 1011, dout = 0000
 i_rst = 0, i_load = 1, din = 1011, dout = 1011
 i_rst = 0, i_load = 0, din = 1011, dout = 1011
 i_rst = 0, i_load = 0, din = 1011, dout = 0101
 i_rst = 0, i_load = 0, din = 1011, dout = 0010
 i_rst = 0, i_load = 0, din = 1011, dout = 0001
 i_rst = 0, i_load = 0, din = 1011, dout = 0000
 i_rst = 0, i_load = 1, din = 0101, dout = 0000
 i_rst = 0, i_load = 1, din = 0101, dout = 0101
 i_rst = 0, i_load = 0, din = 0101, dout = 0101
 i_rst = 0, i_load = 0, din = 0101, dout = 0010
 i_rst = 0, i_load = 0, din = 0101, dout = 0001
 i_rst = 0, i_load = 0, din = 0101, dout = 0000

串行输入并行输出移位寄存器

3位串行输出并行输出移位寄存器示意图
3位串行输出并行输出移位寄存器示意图

该移位寄存器设计具有五个输入和一个n位输出,并且使用参数MSB对设计进行参数化以表示移位寄存器的宽度。 如果MSB为4,则它成为4位移位寄存器。 如果MSB为8,则它成为8位移位寄存器。 该移位寄存器具有一些关键功能。

  • 可通过驱动设计的en信号来启用或禁用
  • 驱动dir时可左右移动
  • 如果将rstn拉为低电平,则会重置移位寄存器,输出将变为0
  • 移位寄存器的输入数据值可以通过d引脚控制

因此,这里没有必要再将左移位以及右移位分开来写了,合在一个设计里,通过一个信号dir控制,dir为0,左移,否则,右移!

设计代码


`timescale 1ns / 1ps
//////////////////////////////////////////////////////////////////////////////////
// Engineer: Reborn Lee
// Module Name: shift_register
// https://blog.csdn.net/reborn_lee
//////////////////////////////////////////////////////////////////////////////////


module shift_register#(parameter MSB = 8)(
 input i_clk,
 input i_rst,
 input i_dir,
 input i_en,
 input din,
 output reg [MSB - 1 : 0] dout

    );

 always @(posedge i_clk) begin
  if (i_rst) begin
   // reset
   dout <= 'd0;
  end
  else if (i_en) begin
   case(i_dir)
    0: begin //left shift
     dout <= {dout[MSB - 2: 0], din};
    end
    1: begin
     dout <= {din, dout[MSB - 1 : 1]};
    end
   endcase
   
  end
  else begin
   dout <= dout;
  end
 end

endmodule

仿真代码

`timescale 1ns/1ps
module shift_register_tb;
 parameter MSB = 8;

    reg i_clk;
 reg i_rst;
 reg i_dir;
 reg i_en;
 reg din;
 wire [MSB - 1 : 0] dout;

 initial begin
  i_clk = 0;
  forever begin
   # 5 i_clk = ~i_clk;
  end
 end

 initial begin
  i_rst = 1;
  i_en = 0;
  i_dir = 0;
  din = 0;

  # 18
  @(negedge i_clk) begin
   i_rst = 0;
   i_en = 1;
  end

  repeat(8) begin
   @(negedge i_clk) begin
    din = $random;
   end
  end

  @(negedge i_clk) begin
   i_rst  = 1;
      
  end

  #18
  i_rst = 0;
    i_dir = 1;

  repeat(8) begin
   @(negedge i_clk) begin
    din = $random;
   end
  end
  # 20 $finish;


 end



 shift_register #(.MSB(MSB))inst_shift_register (
  .i_clk(i_clk),
  .i_rst(i_rst),
  .i_dir(i_dir),
  .i_en(i_en),
  .din(din),
  .dout(dout)

  );





endmodule

仿真波形

左移
左移
右移
右移

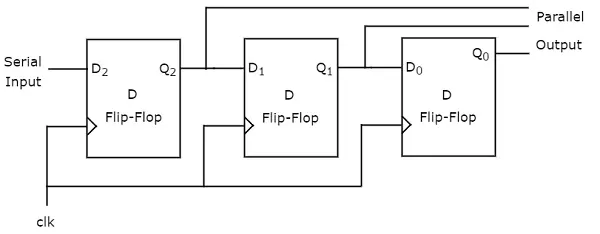
并行输入串行输出移位寄存器

并行输入串行输出的原理图如下:

3位的并行输入串行输出移位寄存器示意图
3位的并行输入串行输出移位寄存器示意图

该电路由三个串联的D触发器组成。 这意味着,一个D触发器的输出被连接为下一个D触发器的输入。 所有这些触发器彼此同步,因为相同的时钟信号被施加到每个触发器。

在该移位寄存器中,我们可以通过将Preset Enable(预置使能)设为1,将并行输入应用于每个D触发器。对于时钟信号的每个正沿触发,数据都会从一个级转移到下一个级。 因此,我们将从最右边的D触发器获取串行输出。

于此同时,我们仍然设置一个控制方向的使能信号i_dir,如果i_dir为0,则并行输出左移,取最高位作为串行输出;否则,右移,取最低位作为串行输出。

电路设计


//paralell input and serial output shift register
module shift_register#(parameter MSB = 4)(
 input i_clk,
 input i_load,
 input i_dir,
 input [MSB - 1 : 0] din,
 output dout
 );

 reg [MSB - 1 : 0] q_mid = 0;
 always@(posedge i_clk) begin
   if(i_load) begin
    q_mid <= din;
   end
   else begin
    case(i_dir)
    1'b0: begin
     q_mid <= {q_mid[MSB - 2 : 0], 1'b0}; //no cycle
    end
    1'b1: begin
     q_mid <= {1'b0, q_mid[MSB - 1 : 1]}; //no cycle
    end

    endcase
    
   end
 end

 assign dout = i_dir ? (q_mid[0]) : (q_mid[MSB - 1]);


endmodule

仿真文件

`timescale 1ns/1ps
module shift_register_tb;
 parameter MSB = 4;

    reg i_clk;
 reg i_dir;
 reg i_load;
 reg [MSB - 1 : 0] din;
 wire  dout;

 initial begin
  i_clk = 0;
  forever begin
   # 5 i_clk = ~i_clk;
  end
 end

 initial begin
  i_load = 0;
  i_dir = 0;
  din = $random;

  # 18
  @(negedge i_clk) begin
   i_load = 1;
  end

  @(negedge i_clk) i_load = 0;


  repeat(3) @(negedge i_clk); //finish shift output 


  din = $random;
  i_load = 1;

  @(negedge i_clk) i_load = 0;
  i_dir = 1;
  
  repeat(3) begin
   @(negedge i_clk);
  end
  # 20 $finish;


 end

// Monitor values of these variables and print them into the logfile for debug
   initial
      $monitor ("i_load=%0b, i_dir=%0b, din=%b,   dout = %0b", i_load, i_dir, din, dout);

 shift_register #(.MSB(MSB))inst_shift_register(
  .i_clk(i_clk),
  .i_dir(i_dir),
  .i_load(i_load),
  .din(din),
  .dout(dout)

  );





endmodule
4bit并行输入串行输出移位寄存器
4bit并行输入串行输出移位寄存器

监控数据

i_load=0, i_dir=0, din=0100,   dout = 0
i_load=1, i_dir=0, din=0100,   dout = 0
i_load=0, i_dir=0, din=0100,   dout = 0
i_load=0, i_dir=0, din=0100,   dout = 1
i_load=0, i_dir=0, din=0100,   dout = 0
i_load=1, i_dir=0, din=0001,   dout = 0
i_load=0, i_dir=1, din=0001,   dout = 1
i_load=0, i_dir=1, din=0001,   dout = 0

参考资料


交个朋友

  • 个人微信公众号:FPGA LAB,左下角二维码;

  • 知乎:李锐博恩,右下角二维码。 在这里插入图片描述

  • FPGA/IC技术交流2020