医用仪器液晶驱动32×4点阵LCD段码驱动芯片VK1620内置充电泵与蜂鸣器

0 阅读9分钟

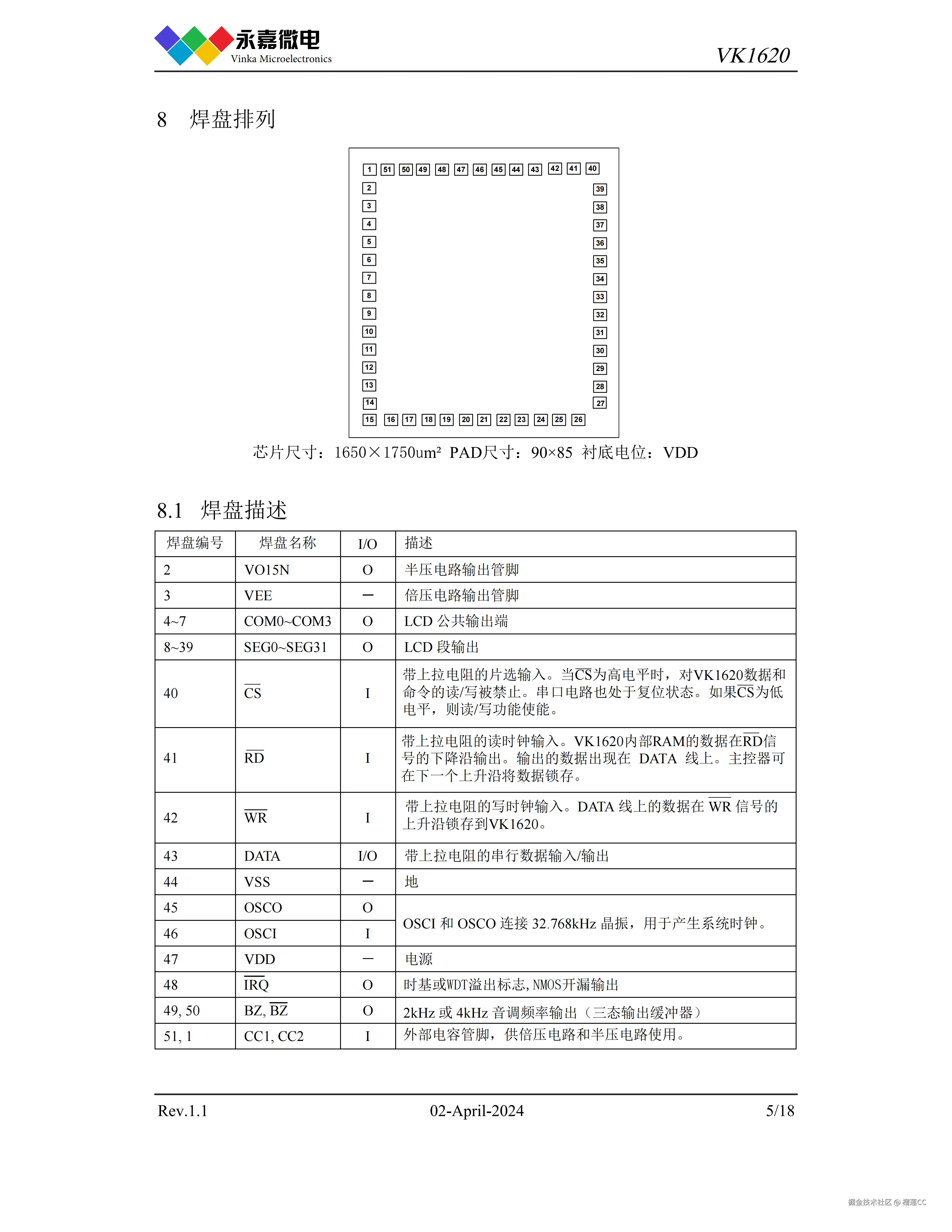
VK1620_V1.1-CN_05(1).png VK1620是一款显示点数为128(32×4),存储器映射的多功能LCD驱动器。VK1620的软件配置特性使其适合于各种LCD的应用,包括LCD模块和显示子系统。主控器与VK1620通信只需要3到4条线由于采用了电容型偏置电压充电泵,VK1620的操作电流非常的小。VK162X系列包括多款产品,适合不同的应用。LJQ8356

产品品牌:永嘉微电/VINKA
产品型号:VK6932

封装形式:SOP32

产品年份:最新年份

特点

• 工作电压:2.4V~3.3V

• LCD电压:3.6V~4.9V

• 低工作电流:3V时小于3μA

• 外部32.768kHz晶振

• 可选择1/2或1/3偏置;1/2、1/3或1/4占空比的LCD应用

• 内部时基频率源

• 两种可选的蜂鸣器频率2KHz或4KHz

• 片内电容型偏置充电泵

• 时基或WDT溢出输出

• 8种时基或WDT选择

• 32×4LCD驱动器

• 片内32×4位显示RAM

• 3线串行接口

• 内部LCD驱动频率源

• 软件配置特性

• 读/写地址自动增加

• 数据模式和命令模式指令

• 3种数据访问模式

VK1620_V1.1-CN_06.png LCD/LED控制器及驱动器系列芯片简介如下:

RAM映射LCD控制器和驱动器系列:
VK1024B  2.4V~5.2V   6seg4com  63   62    偏置电压1/2 1/3   S0P16  省电模式
VK1056B  2.4V~5.2V   14seg
4com   143  142   偏置电压1/2 1/3   SOP24  省电模式
VK1056C  2.4V~5.2V   14seg4com   143  142    偏置电压1/2 1/3   SSOP24 省电模式
VK1072B  2.4V~5.2V   18seg
4com   183  182    偏置电压1/2 1/3   SOP28  省电模式
VK1072C  2.4V~5.2V   18seg4com  183  182    偏置电压1/2 1/3   SOP28  省电模式
VK1072D  2.4V~5.2V   18seg
4com  183  182   偏置电压1/2 1/3   SSOP28 省电模式
VK1088B  2.4V~5.2V   22seg4com  223   222   偏置电压1/2 1/3 QFN32(44mm PP=0.4mm)超小体积
VK1128C    2.4V~5.2V    32seg4com   323    322     偏置电压1/2 1/3  QFN48 (55mm PP=0.35mm)超小体积
VK0192M   2.4V~5.2V   24seg8com              偏置电压1/4      LQFP44 省电模式
VK0256   2.4V~5.2V   32seg
8com             偏置电压1/4      QFP64  省电模式
VK0256B  2.4V~5.2V   32seg8com              偏置电压1/4      LQFP64 省电模式
VK0256C  2.4V~5.2V   32seg
8com             偏置电压1/4     LQFP52 省电模式
VK0384   2.4V~5.2V     48seg8com              偏置电压1/4       LQFP64 省电模式
VK1621     2.4V~5.2V   32seg
4com  323 322        偏置电压1/2 1/3    LQFP44(QFP44正方形)/LQFP48/SSOP48/SDIP28;DICE/DIE裸片(绑定COB);COG(绑定玻璃)          省电模式
VK1622    2.4V~5.2V   32seg8com              偏置电压1/4   LQFP44/LQFP48/LQFP52/LQFP64/QFP64;DICE/DIE裸片(绑定COB);COG(绑定玻璃) 省电模式
VK1623    2.4V~5.2V   48seg
8com              偏置电压1/4      LQFP100/QFP100;DICE/DIE
裸片(绑定COB);COG(绑定玻璃)  省电模式

VK1625   2.4V~5.2V   64seg*8com             偏置电压1/4      LQFP100/QFP100;DICE/DIE
裸片(绑定COB);COG(绑定玻璃)  省电模式

VK1626   2.4V~5.2V   48seg*16com             偏置电压1/5      LQFP100/QFP100;DICE/DIE裸片(绑定COB)  省电模式

——————————————————————————————————————————————————
高抗干扰LCD液晶控制器及驱动系列:
VK1C21A  2.4~5.2V  32seg4com       偏置电压1/2 1/3  3线/4线通讯接口   SSOP48;DICE/DIE裸片(绑定COB);COG(绑定玻璃)     高抗干扰/抗噪/低功耗
VK1C21B  2.4~5.2V  32seg
4com       偏置电压1/2 1/3  3线/4线通讯接口   LQFP48;DICE/DIE裸片(绑定COB);COG(绑定玻璃)     高抗干扰/抗噪/低功耗
VK1C21C  2.4~5.2V  32seg4com       偏置电压1/2 1/3  3线通讯接口        LQFP44;DICE/DIE裸片(绑定COB);COG(绑定玻璃)     高抗干扰/抗噪/低功耗
VK1C21D  2.4~5.2V  18seg
4com       偏置电压1/2 1/3  3线通讯接口    SOP28  高抗干扰/抗噪/低功耗

VK1C21DA  2.4~5.2V  18seg*4com       偏置电压1/2 1/3  3线通讯接口    SSOP28 高抗干扰/抗噪/低功耗

VK1C21E   2.4~5.2V  14seg4com       偏置电压1/2 1/3  3线通讯接口    SOP24  高抗干扰/抗噪/低功耗
VK1C21EA   2.4~5.2V  14seg
4com       偏置电压1/2 1/3  3线通讯接口    SSOP24 高抗干扰/抗噪/低功耗
———————————————————————————————————————————————————

VK2C21A  2.4~5.5V  20seg4com  168  偏置电压1/3 1/4  I2C通讯接口   SOP28;DICE/DIE裸片(绑定COB);COG(绑定玻璃)     高抗干扰/抗噪/低功耗
VK2C21AA  2.4~5.5V  20seg4com  168  偏置电压1/3 1/4  I2C通讯接口   SSOP28;DICE/DIE裸片(绑定COB);COG(绑定玻璃)     高抗干扰/抗噪/低功耗
VK2C21B  2.4~5.5V  16seg4com  128  偏置电压1/3 1/4  I2C通讯接口  SOP24;DICE/DIE裸片(绑定COB);COG(绑定玻璃)     高抗干扰/抗噪/低功耗
VK2C21BA  2.4~5.5V  16seg4com  128  偏置电压1/3 1/4  I2C通讯接口  SSOP24;DICE/DIE裸片(绑定COB);COG(绑定玻璃)     高抗干扰/抗噪/低功耗
VK2C21C  2.4~5.5V  12seg4com  88   偏置电压1/3 1/4  I2C通讯接口  SOP20;DICE/DIE裸片(绑定COB);COG(绑定玻璃)     高抗干扰/抗噪/低功耗
VK2C21D  2.4~5.5V  8seg4com  48  偏置电压1/3 1/4  I2C通讯接口  NSOP16;DICE/DIE裸片(绑定COB);COG(绑定玻璃)     高抗干扰/抗噪/低功耗
VK2C22A  2.4~5.5V    44seg4com      偏置电压1/2 1/3  I2C通讯接口  LQFP52;DICE/DIE裸片(绑定COB);COG(绑定玻璃)     高抗干扰/抗噪/低功耗
VK2C22B  2.4~5.5V  40seg
4com      偏置电压1/2 1/3  I2C通讯接口  LQFP48;DICE/DIE裸片(绑定COB);COG(绑定玻璃)     高抗干扰/抗噪/低功耗
VK2C23A  2.4~5.5V  56seg4com   528 偏置电压1/3 1/4  I2C通讯接口  LQFP64;DICE/DIE裸片(绑定COB);COG(绑定玻璃)     高抗干扰/抗噪/低功耗
VK2C23B  2.4~5.5V  36seg8com      偏置电压1/3 1/4   I2C通讯接口  LQFP48;DICE/DIE裸片(绑定COB);COG(绑定玻璃)     高抗干扰/抗噪/低功耗
VK2C24A  2.4~5.5V  72seg
4com  688 6016  偏置电压1/3 1/4 1/5  I2C通讯接口  LQFP80;DICE/DIE裸片(绑定COB);COG(绑定玻璃)     高抗干扰/抗噪/低功耗
VK2C24B  2.4~5.5V  56seg4com  528 44*16  偏置电压1/3 1/4 1/5  I2C通讯接口  LQFP64;DICE/DIE裸片(绑定COB);COG(绑定玻璃)     高抗干扰/抗噪/低功耗
——————————————————————————————————————————————————

超低功耗LCD液晶控制器及驱动系列:
VKL060   2.5~5.5V 15seg4com  偏置电压1/2 1/3  I2C通讯接口 SSOP24  超低功耗/抗干扰
VKL076   2.5~5.5V 19seg
4com  偏置电压1/2 1/3  I2C通讯接口 SSOP28  超低功耗/抗干扰
VKL128   2.5~5.5V 32seg4com  偏置电压1/2 1/3  I2C通讯接口 LQFP44  超低功耗/抗干扰
VKL144A  2.5~5.5V 36seg
4com  偏置电压1/2 1/3  I2C通讯接口 TSSOP48超低功耗/抗干扰
VKL144B  2.5~5.5V  36seg4com  偏置电压1/2 1/3  I2C通讯接口 QFN48(66超小体积) 超低功耗/抗干扰
——————————————————————————————————————————————————
静态显示LCD液晶控制器及驱动系列:
VKS118  2.4~5.2V 118seg1com  偏置电压 --     4线通讯接口  LQFP128  可视角大,对比度好,不闪烁
VKS232  2.4~5.2V 116seg
2com  偏置电压1/1 1/2    4线通讯接口  LQFP128 可视角大,对比度好,不闪烁

(永嘉微电/VINKA原厂-FAE技术支持,主营LCD驱动IC; LED驱动IC; 触摸IC; LDO稳压IC; 水位检测IC)

LCD驱动、液晶显示IC、LCD显示、液晶显示、显示LCD、段码液晶屏驱动、LCD液晶显示、段码屏LCD驱动、LCD显示驱动芯片、LCD显示驱动IC、液晶驱动原厂、LCD屏驱动、液晶屏驱动、驱动LCD、驱动液晶、LCD驱动控制器、液晶显示驱动原厂、段码LCD驱动、液晶段码屏驱动、液晶显示驱动芯片、点阵式液晶显示驱动、点阵式液晶显示IC、液晶驱动IC、液晶驱动芯片、LCD芯片、液晶芯片、液晶驱动控制器、液晶IC、段码驱动显示IC、笔段式液晶驱动、LCD液晶显示驱动、液晶LCD显示驱动、段码屏驱动厂家、段码驱动IC、段码驱动芯片、段码屏显IC、LCD显示IC、笔段式LCD驱动、LCD显示芯片、段码屏显示IC、段码屏显示芯片、LCD段码液晶驱动、段码LCD液晶驱动、段码驱动原厂、液晶显示芯片、段式液晶驱动、段码显示IC、LCD液晶屏驱动、笔段LCD驱动、LCD段码屏驱动、液晶屏驱动IC、液晶屏驱动芯片、液晶段码LCD驱动、液晶LCD段码驱动、LCD驱动器、液晶驱动电路、LCD驱动IC、断码LCD驱动、段码屏驱动原厂、LCD驱动厂家、LCD屏驱动IC、点阵式LCD驱动、LCD屏驱动芯片、点阵段码屏驱动、点阵液晶屏驱动、段码液晶驱动芯片、段码屏驱动、LCD驱动原厂、LCD驱动芯片、LCD段码驱动、LCD液晶驱动、液晶驱动IC原厂、液晶显示驱动IC、点阵LCD驱动、段式LCD驱动、LCD显示驱动、液晶显示驱动、段码液晶驱动