LabVIEW环形缓冲区工业级温度采集

0 阅读6分钟

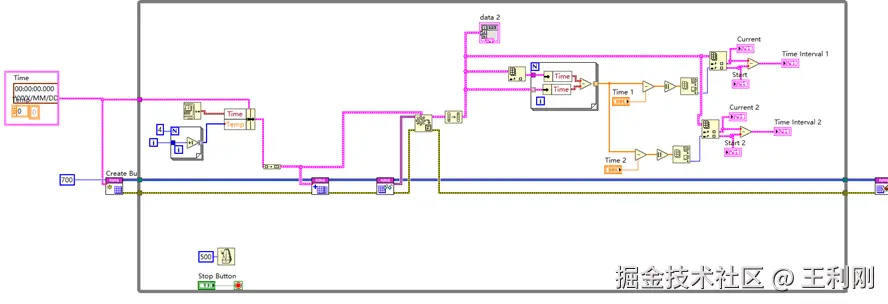
基于 NI 官方 Variant Ring Buffer v3.0.0.2 实现,针对 1 秒左右更新、周期可变的温度采集场景,通过固定大小环形缓冲区自动管理 3 分钟数据,结合时间戳精准查找 1/2 分钟前数据,计算温度变化量。方案摒弃类封装采用 Variant 数据类型,降低开发门槛,兼具高速存取、低内存占用与工业级稳定性,完美解决数据不丢、界面不卡的核心需求,是智能制造装备温度监测的专业实现方案。

核心 VI 功能说明

1. 环形缓冲区初始化 VI(Ring Buffer Initialize.vi)

  • 功能:配置缓冲区大小,初始化 Variant 类型的环形缓冲区结构体,设置初始元素与读写指针初始状态。
  • 参数:Initial Item(初始化元素,Variant 类型)、Buffer Size(缓冲区容量,本方案设 180-200)、Error In(错误输入)。
  • 作用:为温度采集分配固定内存,完成环形缓冲区基础搭建,是数据存取的前置条件。

2. 数据写入 VI(Ring Buffer Write.vi)

  • 功能:将包含时间戳 + 26 路温度的 Variant 数据写入缓冲区,缓冲区满时自动覆盖最早数据。
  • 参数:Buffer(环形缓冲区句柄)、Item(待写入数据,格式为 [时间戳,温度 1, 温度 2... 温度 26])、Stop Button(停止控制)、Error In/Out(错误簇)。
  • 作用:实现温度数据实时入列,依托环形结构特性,写入操作 O (1) 复杂度,无数据搬移开销,保障高频率采集不卡顿。

3. 数据读取 VI(Ring Buffer Read.vi)

  • 功能:从缓冲区按 FIFO 原则读取数据,支持单次 / 批量读取,返回读取结果与状态信息。
  • 参数:Buffer(缓冲区句柄)、Item(输出数据,Variant 类型)、Array of elements(数据数组,本方案存储完整采集序列)、Error In/Out。
  • 作用:提取缓冲区数据,为后续时间戳查找与变化量计算提供原始素材,是数据处理的核心入口。

4. 时间戳查找 VI(Timestamp Search.vi)

  • 功能:自定义封装,读取缓冲区全部数据后提取时间戳列,查找与「当前时间 - 60/120 秒」最接近的元素,返回对应温度数据。
  • 参数:Buffer(缓冲区句柄)、Target Time(目标时间戳,如当前时间 - 60s)、Matched Item(匹配到的温度数据)、Error In/Out。
  • 作用:精准定位 1/2 分钟前数据,解决周期可变场景下的时间对齐问题,是计算温度变化量的关键支撑。

5. 变化量计算 VI(Temperature Delta Calc.vi)

  • 功能:获取 1 分钟 / 2 分钟前温度数据与当前温度,计算差值并格式化输出结果。
  • 参数:Current Temp(当前温度数组)、History Temp(历史温度数组)、Temp Delta(温度变化量)、Error In/Out。
  • 作用:完成核心算法逻辑,输出可直接展示的温度变化数据,衔接采集与展示环节。

方案特点

  1. 工业级稳定性:采用 NI 官方成熟 VI 库,经实际工业场景验证,支持 LabVIEW 2014 及以上版本,兼容全 OS 系统,适配智能制造装备严苛运行环境。
  2. 高性能低损耗:Variant 数据类型替代类封装,降低 OOP 学习成本,同时环形缓冲区读写效率较普通数组提升约 10 倍,无额外内存分配开销,适配 1s 高频采集。
  3. 灵活适配性:支持周期可变的采集场景,时间戳精准匹配无需固定采样间隔,缓冲区自动覆盖过期数据,无需手动清理,仅保留 3 分钟数据即可满足需求。
  4. 模块化易扩展:VI 功能解耦,可直接嵌入现有采集程序,后续新增数据维度、调整时间范围时,仅需修改对应参数,无需重构核心逻辑。

使用场合

  1. 工业设备温度监测:如智能制造装备、新能源装备等,需实时采集多路温度并计算历史变化量,保障设备运行安全。
  2. 数据采集系统:适配周期不固定的传感器数据采集,如环境监测、实验室测试等场景,无需复杂的定时逻辑设计。
  3. 实时数据展示:需在 LabVIEW 界面动态展示数据并回溯历史,要求界面不卡顿、数据不丢失的应用场景。

使用注意事项

  1. 缓冲区大小配置:按「采集周期 × 保留时长」计算,本方案 1 条 / 秒、保留 3 分钟,设 180-200 即可,过小易丢数据,过大浪费内存。
  2. 数据格式规范:写入数据必须统一为「时间戳 + 多路温度」的 Variant 格式,时间戳采用 Double 类型,确保查找精度。
  3. 错误处理:严格传递错误簇,避免缓冲区异常导致程序崩溃;停止按钮需与主循环联动,安全释放缓冲区资源。
  4. 多线程同步:若采用多线程架构,需在读写环节添加同步机制,避免数据竞争,保证数据一致性。

与类似功能对比

表格

对比维度本方案( Variant 环形缓冲区)普通数组缓存自定义类环形缓冲区
开发难度低,Variant 无需 OOP 基础,官方 VI 直接调用中,需手动管理数组索引与过期数据高,需掌握类封装与面向对象编程
性能效率极高,O (1) 读写,无数据搬移低,数组操作需频繁移动数据,查找耗时高,类封装优化底层逻辑,效率略高于本方案
内存占用低,固定大小,自动释放过期数据中,需手动清理,易产生内存碎片低,固定内存分配,无碎片问题
适配场景工业级采集,周期可变,高频实时简单场景,周期固定,数据量小复杂工业场景,高可靠性要求
兼容性强,LabVIEW 2014 + 全兼容强,但扩展性差较弱,依赖 LabVIEW 版本与模块

实际应用案例

某智能制造装备研发项目,需采集 26 路设备温度信号,要求 1 秒左右更新数据,实时计算 1 分钟、2 分钟前的温度变化量,且不能丢数据、不能卡顿界面。

  1. 方案实施:初始化 Variant 环形缓冲区,大小设 180(适配 3 分钟采集数据);采集温度数据并添加时间戳,封装为 Variant 格式写入缓冲区;通过时间戳查找 VI,分别定位当前时间 - 60s、-120s 的温度数据;调用变化量计算 VI 得到差值,刷新界面显示。
  2. 实施效果:实现稳定的高频采集,界面刷新流畅无卡顿,时间查找误差小于 0.1 秒,温度变化量计算精准,完全满足装备运行监测的工业级要求,且无需额外维护缓存逻辑,大幅降低开发与调试成本。