前端经典面试题:从 URL 输入到页面展示,中间经历了什么?

291 阅读17分钟

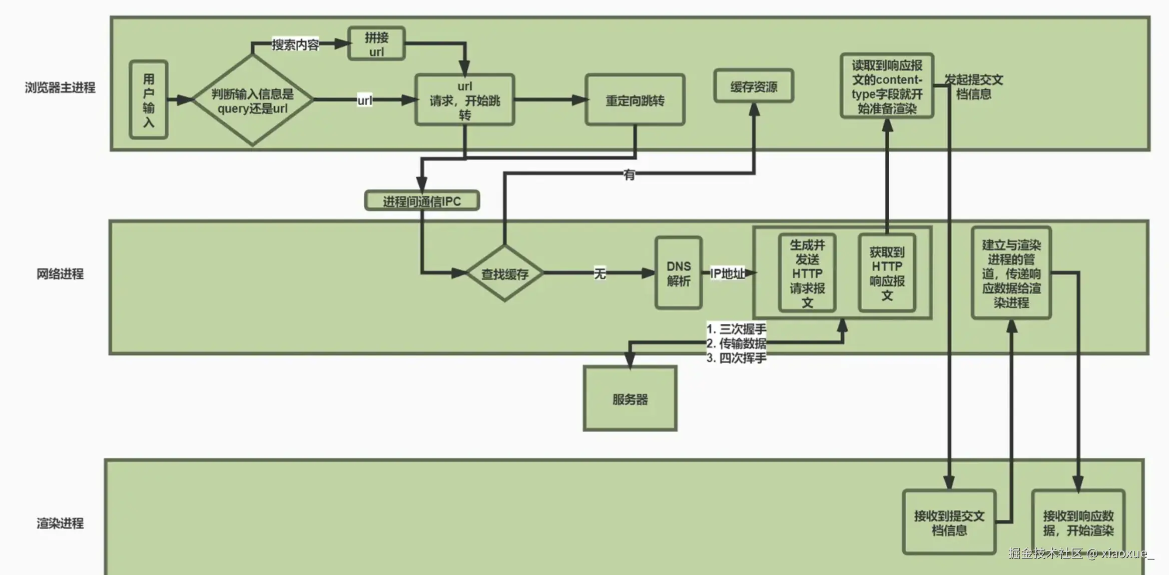
从 URL 输入到页面展示的完整流程

先来看一下下面两张整体流程示意图:

B7C4BAB1-BEE7-4916-9A43-928C4EC1C4EF.png

QQ20260308-170528.png

该流程是前端春招核心考题(考察覆盖率 80%),横跨前端渲染、计算机网络、操作系统(进程通信) 三大领域,核心是浏览器多进程协同完成 “导航”(用户输入 URL 到页面开始解析的全过程),以下按阶段拆解所有细节:

一、前置概念基础:浏览器多进程架构(操作系统层面)

浏览器采用多进程架构,整个流程依赖不同进程的 IPC(Inter-Process Communication,进程间通信)协作,先明确核心进程的职责:

进程类型核心职责(全流程关键动作)
浏览器主进程1. 接收用户 URL 输入、处理交互反馈(如输入框响应);2. 管理浏览历史(新 URL 入栈);3. 控制 loading 状态(请求开始显示、完成隐藏);4. 管理子进程(网络进程 / 渲染进程),通过 IPC 通信;5. 触发页面卸载事件(beforeunload)、更新页面状态;6. 管理缓存、Cookie、localStorage 等文件存储
网络进程1. 为渲染进程 / 主进程提供网络下载能力;2. 处理 HTTP 请求 / 响应的封装与解析;3. 与渲染进程建立 “数据管道” 传输 HTML / 静态资源;4. 处理 DNS 解析、TCP 握手等网络层逻辑
渲染进程1. 接收网络进程传输的页面数据;2. 解析 HTML/CSS、构建 DOM/CSSOM/ 渲染树;3. 向主进程 “确认提交”,表示准备好接收数据;4. 负责页面最终渲染(本流程截止到 “准备解析数据”,渲染细节为后续环节)

补充概念

  • 进程(Process):操作系统分配资源的最小单位(如内存、CPU);
  • 线程(Thread):操作系统执行指令的最小单位(一个进程可包含多个线程)。

二、阶段 1:URL 输入与预处理(用户交互→标准化 URL)

当用户在浏览器地址栏输入内容并回车,主进程首先完成 URL 预处理:

1. URL 标准化补全

结合文档中的实际示例,URL 补全逻辑如下:

  • 自动补充协议 / 域名前缀:如输入time.geekbang.org → 补全为https://time.geekbang.org(https 为浏览器默认安全协议);输入www.baidu.com → 补全为https://www.baidu.com
  • 补全默认端口:https 默认 443、http 默认 80(如https://www.baidu.com → 实际访问https://www.baidu.com:443
  • 关键词识别:若输入非 URL(如 “前端面试”),自动拼接至默认搜索引擎 URL 后(如https://www.baidu.com/s?wd=前端面试,文档中https://www.baidu.com/s?wd=即为搜索引擎的查询格式)。

2. 重定向预处理(提前拦截跳转逻辑)

若输入的原始 URL 需要跳转(如文档中的http://time.geekbang.org),会触发服务器重定向:

  • 触发条件:服务器返回 301/302/307 状态码 + Location响应头;

  • 重定向类型细节:

    • 301(永久重定向):浏览器会缓存跳转关系,后续直接访问新 URL;
    • 302(临时重定向):不缓存,每次访问都需服务器返回跳转指令;
    • 307(临时重定向):不允许修改请求方法(如 POST 请求跳转后仍为 POST,302 可能改为 GET);
  • 浏览器强制优化:即使服务器未返回重定向,部分浏览器会强制将 http 升级为 https(如http://time.geekbang.org → 直接跳转https://time.geekbang.org,两者会返回的内容一致也验证了这一优化)。

三、阶段 2:DNS 域名解析(域名→IP,分布式数据库查询)

网络通信依赖 IP 地址(如127.0.0.1),但用户输入的是域名(如www.baidu.comtime.geekbang.org),需通过 DNS(分布式数据库)完成 “域名→IP” 映射,解析层级从本地到全球逐步降级:

1. DNS 解析全流程(优先级从高到低)

表格

解析层级细节说明
本浏览器 DNS 缓存Chrome 可通过chrome://net-internals/#dns查看缓存的 IP 数组;缓存有过期时间,不同浏览器独立维护
本地操作系统 DNS 缓存多浏览器共享(如 Chrome/Firefox 共用 Windows/macOS 的 DNS 缓存),由操作系统内核维护
Hosts 文件- 路径(Windows):C:\Windows\System32\drivers\etc\hosts(需管理员权限编辑);- 用途:本地开发测试(如映射127.0.0.1 → douyin.com,模拟带域名访问本地代码);- 特殊规则:localhost/0.0.0.0等域名无需解析,默认指向127.0.0.1
局域网 DNS 缓存路由器 / 局域网内其他设备访问过的域名记录(如公司内网缓存常用域名)
运营商 DNS 服务器电信 / 移动 / 联通的城市级节点(缓存全网高频域名,如文档中的www.baidu.comtime.geekbang.org
全球 DNS 层级根服务器(全球 13 台)→ 顶级域服务器(如.com/.cn 服务器)→ 权威服务器(域名所属商服务器)

2. DNS 扩展细节(面试高频)

  • 分布式集群:DNS 返回的 IP 并非直接指向业务服务器,而是 Nginx 等反向代理服务器的 IP;
  • 负载均衡:反向代理通过 “轮询(Round Robin)” 将请求分配给后端多台服务器,动态适配服务器负载;
  • 地域优化:DNS 根据用户 IP 归属地,优先返回就近机房的 IP(用户当前位置为中国上海,访问www.baidu.comtime.geekbang.org时,DNS 会优先返回离上海近的机房 IP),降低网络延迟。

3.DNS 相关知识补充

  • Chrome 可通过 chrome://net-internals/#dns 查看 DNS 缓存中记录的 IP 地址列表。若缓存中存在对应域名的有效记录,浏览器在解析该域名时,会优先使用缓存中的 IP 地址,而无需发起新的 DNS 查询。

image.png

  • Hosts 文件用途:本地开发测试(如映射 127.0.0.1 → douyin.com,模拟带域名访问本地代码)。hosts 文件的本质是一个本地的 “域名→IP” 映射表,它的优先级比 DNS 服务器更高。当你在浏览器中输入一个域名时,系统会先检查 hosts 文件中是否有对应的 IP 映射。如果有,就直接使用这个 IP,而不会去请求 DNS 服务器。

image.png

四、阶段 3:TCP 三次握手(建立可靠传输连接)

HTTP/HTTPS 基于 TCP 协议(可靠传输),传输数据前需通过 “三次握手” 确认双方收发能力,核心是交换SYN(同步序号)和ACK(确认序号):

握手阶段通信方向核心报文(简化版)核心目的
第一次客户端→服务端发送SYN x(x 为随机初始序号)客户端向服务端 “请求建立连接”,告知自己的发送起始序号
第二次服务端→客户端发送ACK x+1 + SYN y(k 为服务端随机序号)1. ACK x+1:确认接收客户端的 SYN 请求;2. SYN y:向客户端确认自己的发送能力
第三次客户端→服务端发送ACK y+1客户端确认接收服务端的 SYN 请求,双方确认 “收发能力均正常”,连接建立

48ca501712822a88fa93e67cbf982da9.png

关键补充

  • 为何是 “三次” 而非两次:两次握手仅能确认 “客户端→服务端” 的单向能力,三次才能确认双向收发能力

  • HTTPS 额外步骤:需在 TCP 握手后完成 TLS 握手(验证证书、协商加密算法),比 HTTP 多一层安全校验。HTTPS 的本质:“HTTP 套上 TLS 安全壳”,

    • 无 TLS 时(HTTP) :TCP 连接建立后,HTTP 数据以明文直接传输,任何人截取网络数据包都能看到内容(如账号密码、请求参数),且数据可能被篡改。
    • 有 TLS 时(HTTPS) :TCP 三次握手建立连接后,先通过 TLS 握手建立加密通道,再把 HTTP 数据(请求行、请求头、响应体等)传入这个通道,数据会被加密后传输,截取后无法直接解读,且能检测是否被篡改。
  • TCB本质上是操作系统内核为每一条 TCP 连接单独维护的一个 “专属档案”,用来记录这条连接的所有关键状态和上下文信息。它会记录连接的所有关键信息,主要包括:

    • 连接状态:CLOSEDLISTENSYN-SENTSYN-RCVDESTABLISHED 等(就是你图里看到的那些状态)。
    • 序号信息:当前的发送序号(seq)、确认序号(ack)、窗口大小等,用于保证数据可靠传输。
    • 缓冲区指针:指向发送和接收缓冲区的地址,用于数据的收发。
    • 定时器:重传定时器、保活定时器等,用于超时重传和连接保活。
    • 对端信息:对端的 IP 地址、端口号等。

五、阶段 4:HTTP 请求与响应传输(应用层数据交互)

TCP 连接建立后,网络进程开始封装 HTTP 请求、与服务器交互:

1. 发送 HTTP 请求(客户端→服务端)

请求由 “请求行 + 请求头 + 请求体(可选)” 组成:

  • 请求行:核心信息,格式为请求方法 路径 HTTP版本,示例:

    • 访问https://time.geekbang.orgGET / HTTP/1.1
    • 访问https://www.baidu.com/s?wd=前端面试GET /s?wd=前端面试 HTTP/1.1
    • 常见请求方法:GET(查询数据,如文档中所有网页的访问均使用 GET)、POST(提交数据)、HEAD(仅获取响应头);
  • 请求头:携带业务 / 认证信息,高频字段:

    • Authorization:JWT Token/OAuth2.0 等认证信息;
    • Cookie:浏览器存储的用户标识(由服务端Set-Cookie响应头设置);
    • User-Agent:浏览器 / 设备信息(如Chrome/114.0.0.0 Windows NT 10.0);
  • 请求体:仅 POST/PUT 等方法使用,存储提交的数据(如 JSON、表单参数)。

2. 接收 HTTP 响应(服务端→客户端)

响应由 “状态行 + 响应头 + 响应体” 组成:

  • 状态行:HTTP版本 状态码 状态描述,示例:HTTP/1.1 200 OK(返回 200 状态码,表示请求成功);

    • 核心状态码:

      • 200:请求成功,响应体返回页面 / 资源数据(https://time.geekbang.org返回极客时间页面内容,https://www.baidu.com返回百度热搜页面);
      • 301/302/307:重定向,需重新请求Location头的 URL;
      • 404:资源不存在;500:服务端内部错误;
  • 响应头:控制浏览器行为,高频字段:

    • Content-Type:标识响应体类型(核心!):

      • text/html:HTML 文档,网络进程将数据传给渲染进程解析;
      • text/css/image/jpeg/application/javascript:静态资源,浏览器直接缓存;
      • application/json:接口数据,交给 JS 处理;
    • Location:重定向目标 URL;

    • Cache-Control:控制资源缓存策略(如max-age=3600表示缓存 1 小时);

  • 响应体:实际数据(https://time.geekbang.org返回的极客时间页面源码、https://www.baidu.com返回的百度热搜页面源码)。

六、阶段 5:导航提交与页面接收(进程协作)

HTTP 响应返回后,浏览器主进程、网络进程、渲染进程协同完成 “导航提交”:

  1. 建立数据管道:浏览器主进程通知网络进程,与渲染进程建立数据管道(直接传输 HTML 数据,无需中转);

  2. 渲染进程确认提交:渲染进程接收数据后,向主进程发送 “确认提交” 消息,表示已准备好解析页面;

  3. 页面状态更新:主进程接收到 “确认提交” 后,执行 3 个关键动作:

    • 移除当前标签页的旧文档(如之前打开的百度页面);
    • 更新浏览器的页面状态(URL、标题、历史记录,如访问https://time.geekbang.org后,URL 栏显示该地址,标题更新为 “极客时间”);
    • 显示 loading 状态(直到渲染进程完成首次渲染)。

核心定义

用户从输入 URL 回车,到渲染进程 “确认提交” 准备解析页面的全过程,称为导航(这是面试回答的核心边界)。

七、底层支撑:OSI 七层协议与传输优化

整个流程依赖网络协议栈,核心是 OSI 七层协议(实际常用 TCP/IP 五层模型),以下拆解关键层:

OSI 层级核心职责关键细节
物理层传输 0/1 二进制数据(物理介质:网线、光纤、无线)无逻辑处理,仅负责 “传输信号”
数据链路层封装数据为 “帧”,携带 MAC 地址(设备唯一标识)MAC 地址由网卡厂商分配,用于局域网内设备通信
网络层封装数据为 “数据包”,携带 IP 地址IP 地址负责跨网络定位主机;可能丢包、出错,依赖传输层修复
传输层封装数据为 “段 / 报”,标识端口号(对应应用程序)核心协议:TCP/UDP;端口号范围 0-65535(80/443 为 HTTP/HTTPS 默认端口)
应用层(/表示层/会话层)定义应用间通信规则(HTTP/HTTPS/DNS)基于传输层实现业务逻辑,如 HTTP 的请求 / 响应格式

1. UDP 协议(用户数据报协议)

  • 特性:简单、快速、无可靠性保证(无重传、无排序);
  • 适用场景:音视频直播 / 通话(允许少量丢包,优先保证实时性);
  • 核心问题:数据包可能丢失、乱序到达,无法传输 HTML/CSS 等 “要求完整” 的 Web 资源(网页使用 TCP 协议传输)。

2. TCP 协议(传输控制协议)

  • 特性:可靠、有序、速度略慢(有重传、排序机制);

  • 适用场景:浏览器请求、邮件、文件下载(要求数据完整,文档中所有网页的访问均基于 TCP 协议);

  • 核心解决的问题:

    • 丢包重传:为数据包设置 “过期时间”,超时未接收则重传;
    • 乱序重排:为每个数据包分配 “序号”,接收端按序号组装,解决乱序问题;
  • **TCP 完整生命周期:三次握手(建连)→ 数据传输 → 四次挥手(关连)**四次挥手是 TCP 关闭可靠连接的标准流程,和三次握手成对出现,关于它在「从 URL 输入到页面展示」流程中的定位:

    • 它不属于页面首屏渲染的前置核心步骤(页面展示不依赖连接关闭);
    • 它属于 TCP 连接完整生命周期的必要收尾,是整个页面加载全流程的一部分。

    (1)四次挥手的触发时机(与 HTTP 版本强相关)

    HTTP 版本连接策略触发四次挥手的场景
    HTTP/1.0默认短连接每传输完 1 个资源(如 HTML、单张图片)后,立即触发四次挥手
    HTTP/1.1默认长连接(Connection: keep-alive① 页面所有核心资源传输完成后,连接空闲超过超时时间(浏览器默认约 60s);② 页面关闭 / 刷新 / 标签页销毁时;③ 服务器主动关闭(如单连接最大请求数超限)
    HTTP/2/3多路复用长连接仅在页面关闭、标签页销毁、浏览器关闭或连接长时间空闲时触发

    (2)四次挥手的完整详细过程(客户端主动发起关闭为例)

    TCP 是全双工通信,客户端和服务端的发送 / 接收通道独立,关闭时需双向确认 “不再发送数据”,因此需要四次挥手:

    挥手阶段通信方向核心报文核心含义
    第一次客户端→服务端发送FIN M客户端告知服务端:我已无数据发送,请求关闭「客户端→服务端」的发送通道
    第二次服务端→客户端发送ACK M+1服务端告知客户端:我已收到关闭请求,先确认;但我可能还有数据没传完,你继续等待接收
    第三次服务端→客户端发送FIN N服务端告知客户端:我也无数据发送了,请求关闭「服务端→客户端」的发送通道
    第四次客户端→服务端发送ACK N+1客户端告知服务端:我已收到关闭请求,双向通道均确认关闭,连接可彻底释放

image.png

**(3)面试高频补充细节**
  • 为什么挥手是四次,握手是三次?

三次握手时,服务端的「ACK 确认客户端能力」和「SYN 告知自身能力」可合并成一次报文;但四次挥手时,服务端收到客户端的 FIN 后,大概率还有未传输完的数据(如文档中https://time.geekbang.org的页面资源可能分多个数据包传输),不能立即回 FIN 关闭自身通道,只能先回 ACK 确认,等自身数据传完后再单独发 FIN,因此必须拆分成两次,总共四次。

  • TIME_WAIT 状态(必考点)

客户端第四次挥手发送 ACK 后,不会立即关闭连接,会进入TIME_WAIT状态,等待2MSL(最长报文寿命,通常 2 分钟) 后才彻底释放连接。核心目的:防止最后一个 ACK 报文丢包,若服务端没收到 ACK,会重发 FIN 报文,客户端需在 TIME_WAIT 状态内处理重传请求,避免新连接收到旧连接的残留报文。

3. 数据包传输优化

  • 大数据拆分:大文件(如 100MB 的视频)拆分为多个小数据包(MTU 限制,通常 1500 字节 / 包),分批次、多通道并发传输;
  • 多路复用:单个 TCP 连接内同时传输多个请求 / 响应(HTTP/2 核心特性),提升带宽利用率;
  • 负载均衡:反向代理服务器(如 Nginx)接收请求后,通过轮询 / 权重分配至后端多台服务器,避免单服务器过载。

八、前端性能与浏览器优化(面试加分项)

1. 核心性能指标

  • FP(First Paint,首次渲染时间):从页面加载到首次绘制像素的时长,计算公式: FP = TTFB + 响应下载时间 + HTML DOM构建时间 + CSSOM构建时间 + 渲染树构建时间 + 布局树构建时间 + 首次渲染

  • TTFB(Time To First Byte,首字节时间):从请求发送到接收第一个响应字节的时长,包含:DNS解析时间 + TCP/TLS握手时间 + 服务器执行时间(如数据库慢查询)

  • 性能影响:FP/TTFB 直接影响用户留存、付费转化、PV(页面访问量)、UV(独立访客数)。

2. 浏览器缓存优化

  • 缓存类型:静态资源(CSS / 图片 / JS)优先缓存,无需重复请求;
  • 缓存逻辑:浏览器根据响应头Cache-Control/Expires判断是否读取本地缓存,缓存命中则跳过 DNS/TCP/HTTP 流程,直接渲染。

3. 页面卸载事件(beforeunload/pagehide)

当用户关闭标签页 / 刷新页面时,浏览器触发卸载相关事件(主进程管控),核心代码示例:

javascript

// 监听beforeunload:提示用户是否离开
window.addEventListener('beforeunload', function (event) {
    console.log('beforeunload 事件已触发');
    event.preventDefault(); // 阻止默认行为(浏览器强制显示默认提示文案)
    event.returnValue = ''; // 兼容各浏览器的提示信息设置
});

// 监听pagehide:处理bfcache场景(浏览器后退/前进缓存)
window.addEventListener('pagehide', function (e) {
    if (e.persisted) {
        console.log('⚠️ 页面进入bfcache(未触发beforeunload),属于浏览器优化');
    } else {
        console.log('✅ 页面正常卸载流程');
    }
});
  • 关键补充:bfcache(后退 / 前进缓存)是浏览器优化,会缓存页面状态,导致beforeunload不触发,需通过pagehide监听e.persisted判断。

总结(面试回答逻辑)

回答该问题时,需按 “进程协作→URL 预处理→DNS 解析→TCP 握手→HTTP 交互→导航提交→协议支撑→性能优化” 的逻辑组织,核心是体现 “多进程协同” 和 “网络协议栈” 两大主线,而非零散罗列知识点。

核心逻辑链:用户输入URL(主进程)→ URL标准化(主进程)→ DNS解析(网络进程)→ TCP握手(网络进程)→ HTTP请求/响应(网络进程)→ 数据管道传输(网络+渲染进程)→ 导航提交(主+渲染进程)→ 准备渲染(渲染进程)→ 数据传输完成后TCP四次挥手(网络进程)