MWORKS 2026a:助力航空燃油系统高保真仿真设计

20 阅读14分钟

航空燃油系统是飞行器的重要组成部分,负责将燃料从油箱输送至发动机,其性能直接影响飞行安全、燃油效率及操作成本。传统的航空燃油系统设计方法常常面临以下挑战:

图1-1 飞机燃油在飞机中的位置示意.jpg

  • 系统复杂性和多变的工作环境: 系统需在极端且多变的飞行工况下运行,原型试验环境复杂,难以全面预测燃油流动特性等变化;
  • 复杂的多领域耦合: 系统涉及流体力学、热力学等多领域的强耦合,导致系统优化难度大;
  • 精度与成本的矛盾: 系统需要精确控制燃油流量、压力、温度等参数,确保在不同飞行阶段的可靠性,而原型试验依赖反复试错,使得设计成本高昂且难以满足现代化需求。

一、产品介绍

为解决上述痛点,MWORKS 2026a引入了基于Modelica的航空燃油系统模型库,旨在提高航空燃油系统的设计效率和精度,减少设计误差,并降低成本。航空燃油系统模型库主要应用场景为:

1.燃油热管理设计

进行热-流体耦合仿真,基于飞行任务剖面仿真飞机油箱内燃油温度变化,评估油箱可燃特性;同时可在系统在集成冷却回路的元件(泵、阀、换热器等),通过仿真迭代优化回路的流量、换热参数等,降低燃油过热风险。

2.燃油加油、消耗与重心分析

基于飞行姿态(如俯仰、滚转等)的动态输入,仿真燃油在油箱内的实时分布状态;通过模型输出的燃油质量等数据,计算飞机重心的动态偏移量;进一步关联飞控系统的控制逻辑,仿真重心偏移对飞控稳定性的影响,辅助优化燃油消耗顺序、加油策略等。

3.燃油输运仿真分析

结合气动、热液压模型库可构建燃油输运管路的精细化模型,支持设置泄漏、低温环境等边界条件,分析输运过程中燃油的流动特性,如压力损失、流量波动等,通过多工况仿真验证输运系统的供油连续性,提前识别潜在故障风险。

4.燃油管理与控制

搭建燃油系统的控制-流体集成模型进行控制策略仿真,预设不同飞行状态(如巡航、爬升、机动)的触发条件,研究系统中各组件的控制逻辑,如流量阀的开度控制、燃油燃烧顺序的切换规则等;通过仿真还能分析不同飞行状态下的燃油流量、分配模式,验证系统的燃油利用效率,并评估燃油系统在动态工况下的可靠性和安全性。

图1-3 场景分析.jpg

航空燃油系统模型库包括一整套用于建模和仿真的设备模型,涵盖油箱,油箱间肋板、壁面孔洞、翻板阀、管道,连接热液压和气动子系统的孔口、翻板阀、浮球阀、单向阀,可充/排液的管道、飞机姿态与加速度等,可精确模拟油箱内气液体积、压力和温度的动态演变过程,高保真的燃油系统仿真能力可支撑航空燃油系统热管理设计 燃油加油、消耗与重心分析、燃油输运仿真、燃油管理与控制等。

航空燃油系统模型库可与液压气动类专业库配合使用, 包括液压介质模型库、气体介质模型库、热液压模型库和气动模型库,实现与液压气动的耦合计算。

二、功能亮点

1.支持CAD文件切片和系统模型生成

支持导入油箱/肋板几何文件进行切片和端口选择,一键生成Modelica系统模型和单个油箱可视化文件,同时支持在切片文件中可选地输出惯性张量与油箱湿面数据。

图3-1 CAD工具导入.gif

2.支持油液填充过程模拟

提供油箱填充孔口以及填充管路、弯管、节流孔、容积等组件,支持将油箱连接至可填充或排空的管网子系统。

图3-2 填充动画.gif

3.支持油箱间级联建模

提供油箱间肋板、孔洞、翻板阀和管道组件,支持多油箱级联建模,可模拟油箱间气体到气体、气体到液体、液体到气体、液体到液体的流动,共18类工况,实现燃油和气体在各油箱间的同步流动过程仿真。

图3-3 油箱级联.gif

4.支持后处理动画动态展示燃油系统变换

支持动画展示油箱线框模式、油液液面变化、油箱计量随动、气液孔口箭头等后处理功能,帮助用户直观地理解燃油系统动态行为。

图3-4 后处理动画.gif

5.支持联动液压和气动等多领域燃油系统构建

通过位于油箱或其边界的穿透件(如孔口、单向阀、浮球阀等),可将油箱与热液压子系统、气动子系统连接,构建多领域燃油系统。

图3-5 模型库关系结构.jpg

三、典型建模流程

航空燃油系统的典型建模流程如下图所示:

图4-1 建模流程.jpg

准备CAD文件与切片: 将油箱CAD文件导入CAD工具中,进行油箱切片和端口设计,一键生成Modelica系统模型。

模型构建与仿真设置: 在Sysplorer平台上完成模型构建,进行仿真设置与求解。

仿真与后处理: 查看仿真结果与数据曲线,通过动画形式展示液面变化、燃油流动等。

迭代优化: 根据仿真结果反馈,进行设计优化和迭代,确保符合实际需求。

四、应用案例

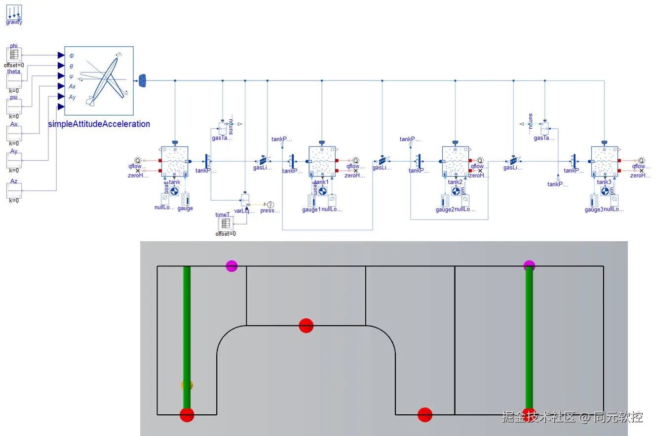
1.油箱级联

多油箱系统通过协同工作来确保飞行器在不同飞行姿态下的稳定供油。对于飞机而言,油箱间的流体流动必须在各种极端工况下保持稳定,避免出现供油中断或液位异常。

  • 挑战

a.多油箱流体流动: 姿态变化导致重力分量改变,引起油箱间流动状态非线性变化。精确描述燃油通过壁面孔洞时的瞬态流量分配,是确保连续供油的首要难题。

b.控制策略验证: 当系统遭遇“供油口堵塞”这一突发故障时,需保证系统压力平衡。同时,在滚转姿态变换时,需确保燃油液位监测和流量控制依然准确,避免吸空或溢出。

c.瞬态特性的不可实验性: 堵塞与姿态变换叠加的瞬态过程难以通过地面实验复现。亟需建立高精度数学模型,以数值仿真替代昂贵实验,精准预测全过程系统行为。

  • 方案验证

使用Sysplorer 2026a的航空燃油系统模型库进行多油箱级联系统仿真。通过精准模拟油箱间的燃油流动及油箱间壁面孔洞的瞬态流量分配,验证了系统在复杂姿态下的供油稳定性,并模拟了堵塞情况和姿态变化对系统的影响。

图5-1 油箱级联案例动画.jpg

图5-2 油箱级联案例结果.jpg

  • 效果

a.优化设计与论证效率: 建立的高保真模型可辅助预测燃油在极端态下的物理行为,为早期设计方案的迭代提供量化依据,有效减少对物理试验的依赖。

b.增强系统风险识别能力: 通过对复杂工况的覆盖,能够支持工程师提前识别供油中断、压力波动等潜在安全风险,为系统逻辑优化与容错设计提供数据支撑。

2.带肋板的马鞍形油箱仿真

马鞍形油箱通常用于机翼,肋板的设计用于分隔油箱并控制燃油流动,但在动态飞行状态下,肋板设计对流体流动及重心管理提出了挑战。

  • 挑战

a.复杂流态预测: 加油或飞行中,气液同时流经肋板孔口会导致流阻剧变和复杂压力反馈。准确预测此瞬态流动,避免排气不畅导致油箱受压变形或供油中断,是肋板设计选型的首要难题。

b.动态质心管理: 肋板分割油箱以抑制晃动,但在大角度机动时燃油仍会剧烈晃动。肋板设计需精确设定孔位和大小,确保极端姿态下质心可控,防止重心突变导致失控。

  • 方案验证

使用航空燃油系统模型库,仿真带肋板的马鞍形油箱在不同姿态下的燃油流动和气液交互。通过精准模拟肋板内气液流态及燃油流动,工程师能够实时调整肋板设计和优化重心分布。

图5-3 肋板和马鞍形油箱案例.jpg

图5-4 肋板案例结果.jpg

  • 效果

a.优化设计决策: 作为数字化验证手段,仿真提供了不同姿态下的燃油分布和重心变化预测数据,辅助肋板设计迭代,支持评估燃油分布对飞机稳定性的潜在影响。

b.助力提升飞行稳定性: 通过准确预测肋板孔瞬态流动,可避免排气不畅导致油箱受压变形或供油中断,辅助分析飞机在复杂飞行条件下的稳定性,保障飞行安全。

3.虹吸效应

虹吸效应是一种无泵供油机制,在实际设计中能有效减少泵的需求,但其工作条件非常严格,特别是在燃油流动和液位差方面的控制。

  • 挑战

a.虹吸启动的“排气”难题: 虹吸工作要求U型管先充满液体进行排气。在初期管路充满空气,需设计管路高度和孔径,确保燃油挤走空气建立连续液柱。若排气不彻底发生“气锁”,将导致供油中断。

b.气液切换风险: 虹吸建立瞬间,管内经历从“纯气”到“气液混合”再到“纯液”的剧烈过程。此瞬态压力波动较难预测,控制不当会导致液压冲击或虹吸中断,威胁结构安全。

c.流量控制问题: 虹吸依赖前后油箱液位差驱动。随着燃油消耗液位差变化,如何保证流量满足需求且不倒流或溢出,需通过仿真量化验证。

  • 方案验证

通过Sysplorer 2026a航空燃油系统模型库,建立了虹吸效应的动态模拟。仿真模型准确预测了虹吸启动和流量控制过程中的关键时刻,模拟了燃油从FDW油箱流至ATF油箱的连续供油过程,并验证了管路设计和系统稳定性。

图5-5 虹吸效应案例.png

图5-6 虹吸效应案例结果.jpg

  • 效果

a.辅助评估供油连续性: 仿真用于模拟虹吸机制在长时间消耗等工况下的运行状态,辅助评估供油系统的连续性,为识别供油中断风险提供验证依据。

b.辅助提升系统可靠性设计: 基于仿真数据分析,辅助验证无泵供油系统在极端条件下的性能表现,有助于降低设计中的不确定性,为提升系统可靠性提供参考。

五、使用说明

1.使用注意事项

1)切片与建模时,简单油箱(定姿态无加速度油箱)和普通油箱(变姿态与加速度油箱)该如何选择?简述二者区别及适用场景。

  • 简单油箱(SimpleTank): 适用于姿态不变且无加速度的场景,如:燃油系统加注过程模拟、油箱进油口静压头计算、通气系统尺寸设计(确保气体压力不超过结构限制)等。
  • 普通油箱(Tank): 适用于飞机姿态变化和加速度变化时仿真分析,它可用于监测飞机行动过程中的燃油重心位置变化,实现燃油与结构之间的热交换分析。

2)生成动画和动画设置

动画中的箭头和长度分别代表流体质量流量的流向和大小:

  • 流入油箱时箭头指向油箱质心
  • 流出油箱时箭头指向背离油箱
  • 橙色箭头代表液体流动
  • 紫色箭头代表气体流动

另外,几何元素颜色代表不同组件或状态:

  • 红色小球表示油液实时质心位置
  • 灰色小球表示传感器所在位置
  • 橙色小球表示液体孔口位置
  • 紫色小球表示气体孔口位置
  • 油量计圆柱体被淹没部分呈现黄色,未被淹没部分呈现绿色

在不同的场景下气体质量流量和液体质量流量值的量级可能不同,因此通过给定一个比例系数来调整箭头尺寸。一般场景下,需要先建模计算,根据实际变量结果值调整一次显示效果,再次仿真计算来查看动画。

图6-1 后处理动画设置说明.jpg

3)使用环境

CAD工具、航空燃油系统模型库、后处理动画均依赖MWORKS.Sysplorer 2026a及以上版本,并需要获得相关授权许可。

图6-2 使用许可.jpg

2.常见问题解答

1)如何避免后处理动画错位?

飞机燃油系统建模中默认Z轴向上,俯仰角和滚转角的顺序应该关注,用户在输入姿态角时应按照“滚转、俯仰、偏航”的顺序定义,但是在计算旋转的过程中应该按照“先偏航,再俯仰,最后滚转”的固定顺序。所有组件(油箱、孔口、穿透件、油量计、传感器和惯性测量单元)的位置都应相对于飞机参考坐标系(记为Ra)进行设置。

2)为何会出现动画窗口物体全部消失?

当使用CAD工具生成模型之后,直接点击仿真,打开后处理动画,经常出现画面中显示的飞机和油箱很小或直接消失。其主要原因就是质量流量过大导致箭头过长,导致其他动画显示较小。解决方法为:在参数设置环节,应使得物理参数符合真实场景,并适当调整箭头显示长度的比例系数。

3)为何流体流动不明显?

流体流动不明显,主要是液体质量流量不大,在较短时间内难以从后处理动画看出流体流动,解决方法为:加大进油压力、增加仿真时间并在播放动画时加快速度。

六、后续规划

我们将持续更新和优化航空燃油系统模型库,以适应不断发展的技术需求和行业标准。未来的版本将包括:

更多功能扩展: 增加更多的燃油系统建模组件,支持更复杂的航空系统仿真。

新场景支持: 根据行业反馈,新增更多应用场景的仿真支持,例如特殊飞行工况、不同类型飞行器的燃油系统分析等。

性能优化: 提升仿真精度和计算效率,减少仿真时间,提高系统稳定

图6-2 使用许可.jpg

七、试用与反馈

MWORKS.Sysplorer 2026a航空燃油系统模型库已在同元软控官网(www.tongyuan.cc/product/dow…)上线,用户可以免费下载并试用。通过平台提供的强大仿真功能,工程师们可以更高效地设计和优化燃油系统,提升航空系统的安全性与性能。

反馈渠道

欢迎用户在试用过程中提出宝贵意见和建议,您可以通过以下方式与我们联系:

  • Mohub社区:在社区发帖交流,获取技术支持或反馈问题。
    (mohub.net/home

  • 产品内反馈功能:直接在Sysplorer 2026a内提交反馈,助力我们及时了解您的需求。