驱动芯片与霍尔传感器基础

542 阅读12分钟

一.驱动芯片基础

1.驱动芯片简介

  • 驱动芯片是用于给马达或其他负载提供持续的驱动电流的一种集成电路,通常情况下,马达驱动内部集成由MOS管组成的半桥或者全桥,提供输入端输入逻辑信号去控制MOS的开合,从而控制电机的转速和方向。马达驱动芯片根据各大模拟芯片厂商的产品,可大致分为直流电机驱动IC、步进电机驱动IC、BLDC驱动IC(栅极驱动器)。
  • 驱动芯片内部的驱动方式一般为H桥驱动、半桥驱动和单边驱动,通常来讲,内部集成1个H桥的Driver IC一般用于驱动直流电机,称为​​直流马达驱动IC​​;内部集成2个H桥的Driver IC一般用于驱动步进电机,称为​​步进电机驱动IC​​;而内部集成3个半桥的Driver IC一般用于驱动BLDC电机,称为​​三相栅极驱动器​​;除此之外,还有独立的​​单路驱动​​(如低边驱动器、高边驱动器)和​​半桥驱动器​​。单路驱动用于最简单的开关场景;而独立的半桥驱动器则可用于需要生成PWM信号或构建自定义桥路的场景,例如驱动某些类型的超声波换能器、D类音频放大器的一声道,或作为构建更复杂驱动电路的基础模块。

2.关于H桥驱动

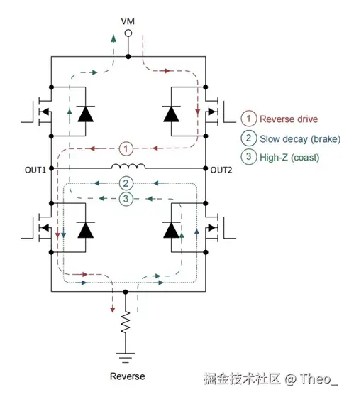
  • 如下图,H桥是由4个NMOS组成的电路,左侧的两个MOS管称作MOS1和MOS2,右侧的两个MOS管称作MOS3和MOS4;当MOS1、MOS3打开,MOS2和MOS4关闭时,VM和GND之间就形成了流经VM-MOS1-电机-MOS4-GND的通路(即图中①号路径),此时电机正转;当MOS2和MOS4打开,MOS1和MOS3关闭时,电机刹车;当电机实施刹车指令后,由于电感自身的特性,此时电机为维持原来的状态,会向外释放能量,简单来讲,电机在刹车之后会反向滑行一段时间,这也是图中的③号路径。

82363c3120ec9eb2e0f92d80cda2c2b.png

  • 当MOS1、MOS4关闭,MOS2和MOS3打开时,VM和GND之间就形成了流经VM-MOS3-电机-MOS2-GND的通路(即图中①号路径),此时电机正转;当MOS1和MOS4打开,MOS2和MOS3关闭时,电机刹车;和以上同理,③号路径为滑行状态的路径。

36801c3c05db0735674eada94e7a20c.png

  • 上文提到,单个的H桥电路一般用来驱动​​直流马达​​,如图为一颗直流马达驱动的时序图;随着nSLEEP脚的拉高,芯片开机。
  • IN1控制左侧的两个MOS,IN2控制右侧的两个MOS;当IN1为高,IN2为低时,左侧的上管开,右侧下管开,以此类推。我们需要掌握图中的时序图和真值表,这能帮助我们进行功能逻辑测试。在brake阶段时,IN1和IN2都拉高;在forward阶段时,IN1拉高,IN2拉低时,对应OUT1的高电平和OUT2的低电平(OUT1接VM,OUT2接GND),IN2不能持续拉低,而是一个PWM波,是因为电机调速为PWM调速,即控制PWM波的占空比去调速(和DCDC的原理类似),因此OUT1的波形也是PWM波。同理,反转的原理和正转完全相同,只是IN1和IN2调换了高低电平,不再赘述。

- cc1dc8e6ec0065c845c5eee5eb6ab26.png

3e53ca43c5a369703cc082087479a81.png

3.关于单边驱动

  • 单边驱动器的核心功能是将微控制器(MCU)发出的​​微弱控制信号​​(如3.3V或5V),放大成足以快速、有力地驱动大功率NMOS管(MOSFET)导通和关闭的​​强信号​​。
  • 单边驱动器分为高边驱动器和低边驱动器,高边驱动器是指开关管位于负载和VCC之间,低边驱动是指开关管位于负载和GND之间,下图展示的就是一个低边驱动器。

1cf1318edca2782b85777564ebe0278.png

4.关于步进电机驱动

  • 前文提到,步进电机驱动器是由两组H桥电路组成的,步进电机通常需要控制电机旋转的位置和角度,需要给​​两个相位(A和B)​​ 按特定顺序​​通电​​。每切换一次通电顺序,转子就转动一个固定的角度(一步)。

1101195437ed496b7ea61f398ecbac4.png

  • 下图为步进电机驱动器的工作原理及解释:

d989a9891986e9fa14627b9d9257fe1.png

8aaea0b605ea80f7fd35f78353aa70a.png

  • 下图为步进电机驱动器的逻辑真值表: 347cae590062d2bcd371a2ffb6f0dd8.png

5.关于三相栅极驱动器(BLDC电机驱动器)

由于栅极驱动芯片在模拟IC中属于比较典型且测试难度较高的芯片,在后面会出一篇文章讲栅极驱动芯片的ATE测试方案详解。

  • BLDC电机:无刷直流电机(Brushless DC Motor)是一种通过​​电子换向​​取代传统机械换向的同步电机。其核心设计理念是颠覆传统的“旋转线圈-静止磁场”结构,转而采用“​​旋转永磁体-静止绕组​​”的拓扑,从而实现了高效率、高可靠性及优异的可控性。
  • 栅极驱动器(Gate Driver)是一种专用于​​驱动功率开关管​​(如MOSFET、IGBT)的​​专用集成电路​​。它并非直接驱动电机,而是作为​​微控制器(MCU)与功率开关管之间的关键接口和桥梁​​。
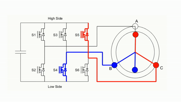
  • 下图为BLDC电机的6种工作状态(三相指UVW三组线圈),代表电机转动的6个相位,即60°、120°、180°、240°、300°、360°,而控制三组线圈通电的则是由6个功率MOSFET组成的三个半桥(每个半桥对应一组线圈)。

d0db69ef476c40be80837cd90aeed198.gif

  • BLDC电机驱动芯片(栅极驱动器)在内部集成了三个半桥用以控制6个分立的MOSFET或IGBT,如下图:

37d5e8669a1dee9f7cc167c3d9ce4f1d.gif

  • BLDC驱动芯片比较复杂,后续会专门写一篇测试栅极驱动器的文章,此处先贴一个TI的栅极驱动器的DATASHEET: [TI的无感BLDC电机驱动芯片](DRV10964 5V、三相正弦无传感器 BLDC 电机驱动器 datasheet)
  • BLDC驱动芯片分为有感和无感两种,BLDC电机需要按照一定的顺序(6步换相)给三个线圈通电,才能产生旋转的磁场,拖动永磁转子持续转动,要想让磁场始终“推着”转子跑,就必须知道转子当前的具体位置​​,以便在正确的时刻切换电流到正确的线圈。获取位置信息的方式,直接决定了驱动芯片的类型。 无感驱动与有感驱动最本质的区别在于转子位置信息的获取方式:​​有感驱动​​ 通过读取物理​​霍尔传感器​​提供的数字信号,​​直接获取​​转子绝对位置。 ​​无感驱动​​ 通过检测电机运行时产生的​​反电动势(Back-EMF)​​ 过零点,​​间接计算​​出转子的相对位置。
  • 那么,什么是霍尔传感器?

二.霍尔传感器基础

  • 霍尔传感器是一种基于霍尔效应的磁敏元件。当有磁场垂直于传感器元件时,其内部会产生一个与磁场强度成正比的电压差,即霍尔电压。该元件将此电压信号处理并输出为数字电平信号,从而将磁场的有无或变化转换为电信号。在BLDC电机中,它被嵌入定子,用于直接检测永磁转子的磁极位置,为驱动器提供精确的转子位置信息。霍尔传感器分为线性霍尔传感器和开关霍尔传感器

v2-96c8add166561ded1340b68d6db48b00_720w.gif

1.开关霍尔传感器

  • 工作原理:它像一个磁控的​​数字开关​​。当磁场强度超过某个“开启”阈值时,其输出瞬间从一种状态(如高电平)跳变为另一种状态(如低电平);当磁场减弱到“关闭”阈值时,输出又跳变回来。这个过程存在一个回差,以防止在临界点频繁抖动。​​输出信号​​:​​数字信号​​。通常是两种明确的状态:​​0​​ 或 ​​1​​。
  • ​主要用途​​:​​检测磁场的有无、极性或运动次数​​。 ​​经典应用​​:BLDC电机中的​​转子位置检测​​。转子磁极转过传感器时,磁场方向变化,导致传感器输出高低电平变化,形成一组位置编码。其他应用:速度测量、门窗开关、无触点开关等。
  • 下图为TI的一颗霍尔效应锁存器DRV5013的功能模块图,开关霍尔传感器输入的是是施加在传感器敏感区域上的​​磁场强度(Magnetic Field Strength)​​ 和磁场极性(Magnetic Polarity,即南极或北极),输出是​​数字电平信号​​,即高电平(VCC)或低电平(GND)。
  • 如下图,开关霍尔传感器的输出最常见的是​​开集电极 (Open-Collector)​​ 或​​开漏 (Open-Drain)​​ 输出。这意味着芯片内部只是一个开关管,需要外部连接一个​​上拉电阻​​到电源,才能输出高电平。

5c5a141e189594167c7bbc3142999d2.png

  • 开关霍尔传感器的工作原理如下图所述,对于最常用的锁存型霍尔传感器​​: 当转子磁铁的​​南极(S极)​​ 对准传感器时,传感器输出一种状态(比如​​低电平​​)。当转子磁铁的​​北极(N极)​​ 对准传感器时,传感器输出另一种状态(比如​​高电平​​)。 它的输出在磁极改变后就会“锁存”保持,直到相反磁极到来。

6af8baf882b8e0e750dd298539f373b.png

2.线性霍尔传感器

  • 线性霍尔传感器的核心特征是输出一个​​与磁场强度成连续比例关系的模拟电压​​。其分类主要依据其​​性能、集成度和输出接口​​,而非“单极/双极”的开关行为。
  • 以TI的一颗线性霍尔传感器 [DRV5055] 举例;[DRV5055] 是一款线性霍尔效应传感器,可按比例响应磁通量密度。该器件可用于在各种应用中进行精确的位置检测。该器件由3.3V或5V电源供电。当不存在磁场时,模拟输出可驱动1/2Vcc。输出会随施加的磁通量密度呈线性变化,四个灵敏度选项可根据所需的检测范围提供最大的输出电压摆幅。南北磁极产生唯一的电压。

c8c868b72a2dca7bae2ff2fe45a6693.png

  • 下图是[DRV5055]的典型应用图,可以看到,其输出外接了一个ADC,作用是将连续的模拟电压信号转换成离散的数字信号,发给控制器(一般的MCU内部自带ADC),控制器再将这组数字信号发给驱动器,驱动器根据数字信号将电机的角度转动到相应的位置。

e7133acc676b553bc35a8ee8338a020.png

  • 和开关霍尔不同的是,线性霍尔输入的是连续变化的磁场强度,输出的是连续变化的模拟电压。一般在BLDC电机上会同时安装线性霍尔和开关霍尔两种霍尔传感器。
  • 那么两者在应用上有何区别?顾名思义,BLDC电机定子上一般安装有3个开关型霍尔传感器,它们在空间上呈​​特定角度分布​​。转子旋转时,传感器输出一组三位的数字编码,这组编码直接对应了转子在360°圆周上的6个关键位置点。开关霍尔用于换相,告诉控制器何时何地给哪组线圈通电,这是BLDC电机运行的基础。
  • 电机定子上通常安装有2个线性霍尔传感器,并且在空间上呈​​90°电角度​​错开。转子旋转时,每个传感器会输出一个与所在位置磁场强度成正比的​​正弦波​​模拟电压信号。两个信号相位差90°,即一个是sin(θ),一个是cos(θ)。线性霍尔用于实现高精度位置检测,目的是使BLDC电机实现高性能的矢量控制,使电机运行更平滑、更安静、更高效率。
  • [DRV5055的数据表](DRV5055 比例式线性霍尔效应传感器 datasheet (Rev. C))

3.霍尔传感器的ATE测试方法

  • 无论是线性霍尔还是开关霍尔,都需要输入一个磁感应强度来使传感器正常工作,但ATE测试机无法直接产生磁场,所以我们在测试板上安装一个空芯线圈,并将芯片放置在线圈中心的位置,对线圈施加电流使其产生磁场。当然这个磁感应强度和电流的关系需要进一步进行计算。这也是ATE测试的难点。