倾佳电子交错并联技术:原理、优势及其在SiC碳化硅MOSFET大功率应用中的协同增效分析

177 阅读22分钟

倾佳电子交错并联(Interleaved Parallel)技术:原理、优势及其在SiC碳化硅MOSFET大功率应用中的协同增效分析

倾佳电子(Changer Tech)是一家专注于功率半导体和新能源汽车连接器的分销商。主要服务于中国工业电源、电力电子设备和新能源汽车产业链。倾佳电子聚焦于新能源、交通电动化和数字化转型三大方向,并提供包括IGBT、SiC MOSFET、GaN等功率半导体器件以及新能源汽车连接器。

倾佳电子杨茜致力于推动国产SiC碳化硅模块在电力电子应用中全面取代进口IGBT模块,助力电力电子行业自主可控和产业升级!

倾佳电子杨茜咬住SiC碳化硅MOSFET功率器件三个必然,勇立功率半导体器件变革潮头:

倾佳电子杨茜咬住SiC碳化硅MOSFET模块全面取代IGBT模块和IPM模块的必然趋势!

倾佳电子杨茜咬住SiC碳化硅MOSFET单管全面取代IGBT单管和大于650V的高压硅MOSFET的必然趋势!

倾佳电子杨茜咬住650V SiC碳化硅MOSFET单管全面取代SJ超结MOSFET和高压GaN 器件的必然趋势!

1. 引言:大功率电力电子转换的时代挑战与技术演进

1.1 功率转换技术的发展趋势

现代电力电子系统正朝着高功率密度、高效率、高可靠性及小型化的方向快速演进。特别是在新能源汽车充电桩、光伏逆变器、工业储能系统和高频感应加热等大功率应用场景中,对功率转换器的性能要求达到了前所未有的高度。单一功率器件的性能瓶颈已成为制约系统功率提升的关键因素。为了满足这些苛刻的需求,业界普遍采用两种主要策略:一是采用更先进的宽禁带半导体器件,二是利用多器件协同工作的拓扑结构来突破单体限制。

1.2 宽禁带半导体SiC MOSFET的崛起

碳化硅(SiC)MOSFET作为新一代宽禁带半导体功率器件,因其卓越的物理特性,正在电力电子领域引发一场技术革命。相较于传统的硅(Si)基功率器件,SiC MOSFET拥有更宽的禁带宽度、更高的临界电场强度和更高的热导率,这使其具备了低导通电阻、极快的开关速度、极低的开关损耗以及更高的工作温度承受能力。例如,基本半导体(BASiC)的BMF系列SiC MOSFET模块,其结温可高达175°C ,远超传统硅器件。这些特性使得SiC MOSFET特别适合在高频、大功率密度、高温等严苛环境下工作,为电力电子系统的小型化和高效化提供了坚实的器件基础 。  

1.3 交错并联技术:从功率扩展到性能优化的关键策略

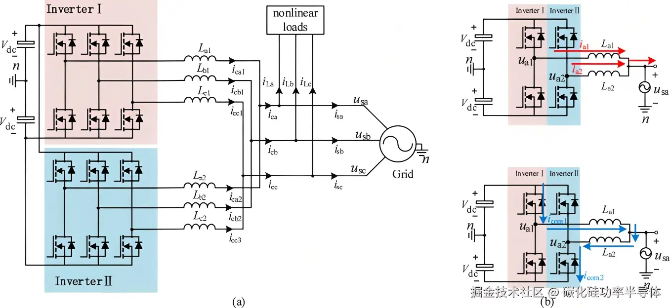
交错并联(Interleaved Parallel)技术是一种将多个相同的功率转换器并联运行,并通过相移控制信号使其交替工作的拓扑。该技术不仅能简单地实现功率扩展,更重要的是,它能够从系统层面优化性能,解决大功率应用中的诸多难题。当交错并联与SiC MOSFET结合时,其角色已不仅仅是简单的功率叠加,而是通过拓扑结构上的巧妙设计,有效解决SiC器件在应用中面临的固有挑战,从而将SiC的性能优势发挥到极致,实现系统性能的质的飞跃。

2. 交错并联技术的核心原理与固有优势的深度剖析

2.1 技术溯源与基本拓扑原理

2.1.1 起源与基本概念

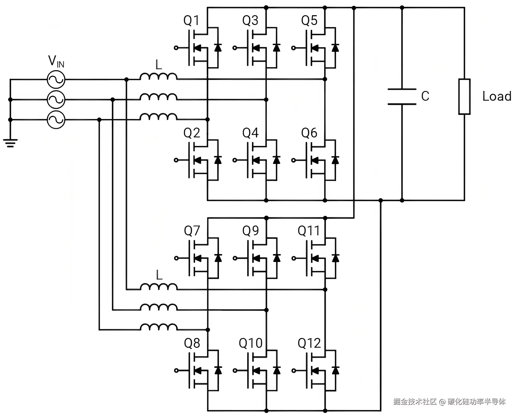
交错并联技术在电力电子领域已有广泛应用,尤其是在高功率的DC/DC变换器和功率因数校正(PFC)电路中。其核心思想是将多个完全相同的功率转换器(称为“相”或“通道”)并联起来,并通过对每个通道的控制信号进行等角度的相移,使其在时间上交替导通 。这种方法将总功率需求分散到多个小功率通道上,从而实现总功率的扩展。  

2.1.2 工作原理

交错并联的核心机制是利用多个频率相同但相位相差360∘/n的脉宽调制(PWM)信号来控制n个并联的功率支路(相),使其交错导通 。以两相交错并联Boost变换器为例,其两个支路使用相位相差180度的PWM信号控制,从而使两相电流脉冲在时间上交错,实现平滑的功率传输 。这种相移控制模式是大功率系统中实现性能优化的基础。  

2.2 核心优势一:纹波抵消机制与滤波器小型化

交错并联技术最引人注目的优势之一是其固有的纹波抵消能力。在多相交错并联拓扑中,每个支路产生的开关脉冲电流,在总输入或输出端会因相位差而相互叠加。由于电流脉冲的相位是错开的,它们在很大程度上会相互抵消。这种抵消机制使得总电流的纹波频率成倍提高,而纹波幅值则显著降低 。  

在某些特定占空比条件下,甚至可以实现“零纹波电流” 。纹波电流的显著减小意味着输入和输出滤波器所需的电感和电容的容量可以大幅降低 。例如,在多相Buck变换器中,交错并联可以减小输入滤波电容的用量,并延长其寿命 。这不仅直接带来了系统体积和重量的减小,也降低了制造成本,从而显著提升了系统的功率密度 。  

这种纹波抵消的深层价值,远不止于滤波器尺寸的缩小。首先,更小的电感可以使电源在负载变化时更快地响应,从而提高瞬态响应速度 。这是为高性能微处理器供电等对动态响应有极高要求的应用场景所必需的。交错并联通过其拓扑优势,在不牺牲稳态纹波性能的前提下,允许设计者使用更小的电感,从而优化了系统的动态性能。其次,这一优势与SiC MOSFET的高频特性形成了完美的协同。SiC器件本身就具备极低的开关损耗,使其能够工作在更高的开关频率。交错并联在此基础上,通过拓扑层面将纹波频率再次成倍提升,进一步压缩了滤波器元件的尺寸,实现了系统性能的指数级优化。  

2.3 核心优势二:功率的分布式传输与热管理优化

 

在大功率应用中,热量管理是决定系统可靠性和寿命的关键因素。交错并联拓扑通过将总功率流分散到多个并联的功率支路中,有效地将总电流应力分布到多个器件上 。每个开关管只需处理总电流的一部分,从而显著降低了单个器件的电流应力,避免了因电流集中而导致的过热现象 。  

功率损耗在物理空间上的均匀分布,极大地简化了热设计 。它避免了热量在单个器件上集中形成“热点”,从而降低了散热的难度和成本。这种分布式散热的理念与某些先进的散热器结构设计,如交错翅片和并联散热流道,不谋而合,通过在结构上实现热量分流,增强了整体的散热效果 。  

这种分布式散热的价值,也体现在多个层面。首先,它不仅能提高系统能效,更重要的是可以提升系统的长期可靠性。SiC器件的结温(Tvj​)是其寿命和可靠性的关键指标。通过有效的热管理,可以使器件工作在更低的结温下,从而延长其使用寿命,并提高在极端工况下的鲁棒性。其次,功率的分散使得设计者可以采用更常规、更具成本效益的散热方案,而不是依赖于昂贵的、定制化的超大或特殊散热器,从而在系统层面平衡性能、可靠性和成本。例如,多相变换器将电流应力分布到多个相位,使得热耗散和功率损耗更易于管理 。  

2.4 核心优势三:模块化、冗余与轻载效率提升

交错并联拓扑天然支持模块化设计,这使得系统易于进行功率扩展和维护,提高了系统的可制造性和可靠性 。当需要更高功率时,只需增加并联的功率通道即可。此外,它还能够实现在线热备份,进一步提升系统的可用性。  

在系统轻载工作时,交错并联的优势尤为突出。通过减少并联工作的通道数,可以有效地消除不工作通道的开关和导通损耗,从而提高整体效率 。这种“按需工作”的策略使得变换器能够在整个负载范围内实现高效率,进一步提升了系统性能。  

3. SiC MOSFET的独特特性与直接硬并联的内在缺陷

3.1 SiC器件的电学与热学特性

SiC MOSFET凭借其优异的材料特性,在大功率应用中展现出显著优势。

高速开关能力: SiC器件具备极快的开关速度和极低的开关损耗,这使其能够在兆赫兹(MHz)甚至更高的频率下工作 。  

热学性能: SiC器件能承受高达175°C的结温,这为高功率密度设计提供了可能 。然而,其导通电阻(  RDS(on)​)随温度的升高而增大,这一正向温度系数在一定程度上利于静态电流的被动均衡 。  

3.2 直接硬并联的致命缺陷

尽管SiC MOSFET性能卓越,但当多个分立器件直接硬并联以实现大功率输出时,会面临一系列严峻挑战,这些挑战主要源于器件的制造离散性和电路的寄生参数。

3.2.1 静态电流不均衡

由于生产工艺的限制,多个SiC MOSFET的门极阈值电压(VGS(th)​)和导通电阻(RDS(on)​)无法做到完全一致。当这些器件直接并联时,这些参数的微小差异会导致在导通状态下,不同器件所承载的电流不均匀 。虽然SiC的正向R_{DS(on)}温度系数有助于在温升后进行一定程度的电流再分配,但这并不能从根本上解决初始的均流问题,若离散性过大,仍然可能导致某些器件过载,影响系统可靠性。  

3.2.2 动态电流不均衡

这是SiC器件直接硬并联中最具破坏性的问题。在器件的开关瞬间,由于PCB走线和封装内部的寄生电感(Lσ​)和电容(Ciss​, Crss​)无法做到完全匹配 ,不同器件的开关速度会存在差异。例如,基本半导体BMF120R12RB3模块的杂散电感  Lσ​为40nH ,而BMF240R12E2G3模块则为20nH ,这说明封装设计对寄生电感有显著影响。这些不匹配的寄生参数会导致器件在同一纳秒级瞬间无法同步开关,从而产生严重的动态电流不均衡 。动态不均衡会使某些器件在极短时间内承受远超其额定值的电流尖峰,直接导致器件损坏 。此外,高di/dt和寄生参数的交互作用还会引发严重的电压尖峰和振荡,威胁到系统的电磁兼容性(EMI)和长期稳定性 。  

3.2.3 门极驱动面临的挑战

 

SiC MOSFET的高速开关特性也对其门极驱动提出了特殊要求。

米勒效应(Miller Effect): SiC器件在关断时,其漏极-源极电压(Vds​)会快速上升,产生极高的dVds​/dt。这个快速变化的电压会通过器件内部的米勒电容(CrssC_{rss}CgdC_{gd})向门极注入电流,从而在相邻器件的门极上产生电压尖峰,甚至可能导致其意外误导通,形成灾难性的直通短路 。  

短路保护: 在大功率应用中,短路故障的瞬态电流巨大且上升速度极快,需要具备快速、可靠的短路保护机制来防止器件损坏 。  

4. 交错并联技术如何解决SiC硬并联劣势并实现性能飞跃

 

交错并联技术与SiC MOSFET的结合,并非简单的性能叠加,而是一种系统级的协同增效策略。该拓扑的结构优势,能够从根本上解决SiC器件在直接并联时面临的诸多挑战,从而将SiC的高性能潜力完全释放。

 

4.1 核心矛盾的消解:动态均流问题的根本解决

交错并联技术通过其相移工作模式,从根本上消除了SiC直接硬并联时最危险的动态电流不均衡问题 。在交错并联拓扑中,任何一个时刻,只有一个功率支路处于开关转换状态,而其他支路则要么处于完全导通,要么处于完全关断状态。这意味着多个SiC器件不会在同一纳秒级瞬间同时经历高di/dt和高dV/dt的严苛挑战。通过这种拓扑设计,交错并联将高难度的动态均流问题,有效地降维为相对易于管理的静态电流均流问题。静态均流问题可以通过器件筛选、调整门极电阻,或利用SiC器件固有的正向导通电阻温度系数来有效缓解,从而避免了因动态不均而导致的器件损坏。  

4.2 交错并联与SiC专用门极驱动的协同作用

交错并联拓扑的每个独立支路都配备了专用的门极驱动器,这使得每个SiC器件的门极控制可以被精确且独立地管理。这种独立控制机制,能够与SiC专用门极驱动器的高级保护功能完美配合,有效应对SiC器件单体固有的电学挑战。

以基本半导体(BASiC)的BTD5452R智能隔离型门极驱动器为例,其功能可为交错并联系统提供坚实可靠的保障 。  

有源米勒钳位(Active Miller Clamp): 该驱动器集成了有源米勒钳位功能,可在SiC MOSFET关断时,当其门极电压降至1.8V(相对于VEE)以下时自动激活。此时,门极钳位引脚(CLAMP)将提供高达1A的钳位电流,形成一个低阻抗路径,有效吸收米勒电流,从而抑制高dVds​/dt引起的门极电压尖峰,防止器件误导通 。这对于高速开关的交错并联系统至关重要。  

软关断(Soft Shutdown): BTD5452R驱动器具备退饱和(DESAT)短路保护功能。当检测到短路故障(DESAT电压大于9V)时,它会启动软关断程序,以150mA的受控电流将门极缓慢关断,而不是突然硬关断 。这种受控的关断方式能够有效限制短路电流的di/dt,避免产生毁灭性的电压尖峰,从而保护器件和整个系统 。  

4.3 封装技术对交错并联的贡献:从分立器件到功率模块

 

封装技术是实现交错并联高性能的物理基础。分立器件(如TO-247-4)的挑战在于,多个器件并联时,PCB走线会引入不可控的、不匹配的寄生电感,加剧动态不均衡问题。而功率模块通过内部集成,从物理层面解决了这一问题。

提供的技术资料中,基本半导体的BMF系列SiC功率模块采用先进的封装技术,为交错并联提供了理想的物理平台。

低寄生电感设计: 功率模块将多个SiC芯片集成到优化的低寄生电感布局中,显著降低了内部杂散电感。例如,BMF240R12E2G3的杂散电感为20nH,低于BMF120R12RB3的40nH 。  

卓越的热管理: 这些模块通常采用氮化硅(Si3​N4​)陶瓷基板和铜基板,提供了优异的导热性能,显著降低了结到壳的热阻(Rth(j−c)​)。例如,BMF540R12KA3的热阻典型值为0.07 K/W ,为交错并联的分布式热管理提供了最佳物理平台。  

5. 实证分析与设计考量:基于数据的论证

 

为了更直观地展示SiC功率模块在交错并联应用中的优势,本报告对基本半导体系列器件和驱动器的关键参数进行了整理和对比。

5.1 表格一:基本半导体SiC功率模块核心参数对比

下表直观地展示了基本半导体BMF系列SiC功率模块在不同电流等级下的性能参数,为设计者进行器件选型提供了重要参考。

产品型号额定电流 ID​(A) (TC​=80/75/90∘C)导通电阻 RDS(on),typ​(mΩ)开通损耗 Eon​(mJ)关断损耗 Eoff​(mJ)热阻 Rth(j−c)​(K/W)
BMF60R12RB36021.2N/A1.0 (Tvj​=175∘C)0.70    
BMF80R12RA38015.02.7 (Tvj​=175∘C)1.3 (Tvj​=175∘C)0.54    
BMF120R12RB312010.66.9 (Tvj​=175∘C)3.5 (Tvj​=175∘C)0.37    
BMF160R12RA31607.59.2 (Tvj​=175∘C)4.5 (Tvj​=175∘C)0.29    
BMF240R12E2G32405.55.7 (Tvj​=150∘C)1.7 (Tvj​=150∘C)0.09    
BMF360R12KA33603.78.8 (Tvj​=175∘C)4.6 (Tvj​=175∘C)0.11    
BMF540R12KA35402.515.2 (Tvj​=175∘C)12.7 (Tvj​=175∘C)0.07    

*注:部分数据在不同温度下测得,因此不能直接线性对比,但可反映其整体性能趋势。

从表格中可以看出,随着额定电流的增大,SiC功率模块的导通电阻和热阻呈下降趋势。热阻的显著降低,特别是大电流模块,为交错并联拓扑的分布式热管理提供了优异的物理基础。

5.2 表格二:SiC分立器件与功率模块性能基础对比

为了说明封装技术在交错并联中的重要性,我们对比了一款分立器件(B3M013C120Z)和一款功率模块(BMF540R12KA3)的关键电学参数。

参数B3M013C120Z (分立器件)    BMF540R12KA3 (功率模块)    优势分析
总栅极电荷 QG​225 nC1320 nC功率模块的QG​较大,但它代表了多个芯片的总和,其内部低电感设计使其能被有效驱动。
输入电容 Ciss​5200 pF33.6 nF模块的电容更大,但其内部优化布局避免了外部并联带来的寄生效应。
反向传输电容 Crss​14 pF0.07 nF模块的CrssC_{rss}更高,对米勒效应敏感,但内部封装能更好地控制其影响。
内部栅极电阻 RG(int)​1.4 Ω1.95 Ω模块的RG(int)R_{G(int)}相对较高,但其内部并联路径优化了总栅极驱动阻抗。
热阻 Rth(j−c)​0.20 K/W0.07 K/W功率模块的热阻远低于分立器件,是实现高效热管理的决定性因素。

这个对比清楚地说明,功率模块通过高集成度的封装,从物理上解决了分立器件并联时由于PCB走线和器件离散性带来的寄生参数不匹配问题。模块的低热阻也为交错并联拓扑的分布式热管理提供了最佳平台,从而实现更高功率密度和可靠性。

 

5.3 表格三:BTD5452R门极驱动器关键保护功能概览

SiC专用门极驱动器在交错并联系统中的作用不可或缺。以下是BTD5452R驱动器的关键保护功能,这些功能直接解决了SiC器件的固有挑战。

功能关键参数作用与意义
有源米勒钳位钳位电流能力典型值1A ;钳位阈值电压1.8V    当门极电压降至阈值以下时,提供低阻抗路径吸收米勒电流,防止高dV/dt引起的误导通 。    
软关断软关断电流典型值150mA ;DESAT阈值电压>9V    在短路故障时以受控速度关断MOSFET,限制di/dt,避免毁灭性的电压尖峰,保护器件和系统 。    
高共模瞬态抑制CMTI典型值250V/ns    确保在高速开关产生的共模噪声下,隔离栅不受影响,保证控制信号的稳定传输 。    

这些保护功能在交错并联的每个独立支路中发挥作用,为整个大功率系统提供了分级的、独立的、高可靠性的保护,是实现SiC器件性能最大化的关键。

5.4 PCB布局与热设计建议

 

在交错并联SiC MOSFET的设计中,除了器件和驱动器的选择,PCB布局和热设计也至关重要。建议采取以下措施:

最小化驱动回路和功率回路面积: 驱动回路的寄生电感会影响开关速度和门极振荡,而功率回路的寄生电感则会产生电压尖峰。通过将栅极驱动器尽可能靠近SiC功率模块放置,并优化走线,可以最大限度地减小这些寄生电感 。  

使用低ESR/ESL的旁路电容: 将旁路电容尽可能靠近器件的电源引脚放置,以实现高频滤波,抑制振铃 。  

优化散热路径: 对于功率模块,应在PCB上使用大面积的覆铜以提供有效的散热路径,并避免在驱动芯片下方走线,以确保原副方隔离性能 。  

6. 结论与展望

6.1 总结交错并联技术的核心价值

深圳市倾佳电子有限公司(简称“倾佳电子”)是聚焦新能源与电力电子变革的核心推动者:
倾佳电子成立于2018年,总部位于深圳福田区,定位于功率半导体与新能源汽车连接器的专业分销商,业务聚焦三大方向:
新能源:覆盖光伏、储能、充电基础设施;
交通电动化:服务新能源汽车三电系统(电控、电池、电机)及高压平台升级;
数字化转型:支持AI算力电源、数据中心等新型电力电子应用。
公司以“推动国产SiC替代进口、加速能源低碳转型”为使命,响应国家“双碳”政策(碳达峰、碳中和),致力于降低电力电子系统能耗。
需求SiC碳化硅MOSFET单管及功率模块,配套驱动板及驱动IC,请搜索倾佳电子杨茜

交错并联技术在大功率SiC MOSFET应用中展现出非凡的价值。它不仅仅是一种功率扩展手段,更是解决SiC固有缺陷、充分发挥其高频高速优势的系统级策略。通过将SiC器件的低损耗和高开关频率特性与交错并联的拓扑优势相结合,系统设计者能够从多个维度实现性能突破:

动态均流: 交错并联从根本上消除了SiC硬并联中最危险的动态电流不均衡问题,将设计难点降维为可控的静态均流。

性能优化: 纹波抵消机制使得滤波器尺寸大幅减小,从而提高了系统的功率密度、降低了成本,并提升了动态响应速度。

热管理: 功率的分布式传输有效解决了SiC器件的热点问题,简化了散热设计,并显著提高了系统可靠性和寿命。

协同增效: 结合带有有源米勒钳位和软关断等高级保护功能的SiC专用门极驱动器,交错并联拓扑为每个SiC器件提供了独立且强大的保护,确保了系统在高速、大功率运行下的稳定性和鲁棒性。

6.2 技术融合的未来趋势

展望未来,交错并联、先进门极驱动和高集成度模块化封装三者的深度融合,将是实现下一代高效、可靠、高功率密度电力电子系统的必然趋势。随着SiC器件技术的不断成熟,封装技术和驱动芯片的创新将继续降低寄生参数和增强保护功能。交错并联作为一种成熟且高效的拓扑,将持续作为宽禁带半导体器件在大功率应用中不可或缺的基石,共同推动电力电子技术的持续进步。