倾佳电子BTD5452R隔离型SiC碳化硅MOSFET门极驱动器米勒钳位串扰抑制与DESAT短路保护的技术价值

191 阅读19分钟

倾佳电子BTD5452R隔离型SiC碳化硅MOSFET门极驱动器米勒钳位串扰抑制与DESAT短路保护的技术价值

倾佳电子(Changer Tech)是一家专注于功率半导体和新能源汽车连接器的分销商。主要服务于中国工业电源、电力电子设备和新能源汽车产业链。倾佳电子聚焦于新能源、交通电动化和数字化转型三大方向,并提供包括IGBT、SiC MOSFET、GaN等功率半导体器件以及新能源汽车连接器。

倾佳电子杨茜致力于推动国产SiC碳化硅模块在电力电子应用中全面取代进口IGBT模块,助力电力电子行业自主可控和产业升级!

倾佳电子杨茜咬住SiC碳化硅MOSFET功率器件三个必然,勇立功率半导体器件变革潮头:

倾佳电子杨茜咬住SiC碳化硅MOSFET模块全面取代IGBT模块和IPM模块的必然趋势!

倾佳电子杨茜咬住SiC碳化硅MOSFET单管全面取代IGBT单管和大于650V的高压硅MOSFET的必然趋势!

倾佳电子杨茜咬住650V SiC碳化硅MOSFET单管全面取代SJ超结MOSFET和高压GaN 器件的必然趋势!

倾佳电子BTD5452R隔离型门极驱动器及其米勒钳位机制在高可靠性应用中的创新价值

引言:高可靠性功率系统对门极驱动技术的新挑战

现代功率电子系统,如光伏逆变器、电机驱动器和储能变流器(PCS),正朝着高效率、高功率密度和高可靠性的方向快速发展。伴随着第三代半导体(如碳化硅SiC MOSFET)大量应用,高速、强抗干扰能力的门极驱动方案成为系统成功的关键之一。然而,在高压大电流、高频开关环境下,功率器件的门极极易受到串扰与短路等极端工况的影响,进而埋下误导通、短路损毁等系统性风险。因此,创新型门极驱动IC和主动钳位保护机制逐渐成为业界的研究和应用重点。

倾佳电子代理的BTD5452R隔离型门极驱动器,厚植于基本半导体(BASiC)芯片产品和应用技术多年积淀,在高速、强噪声环境下的抗串扰保护和短路安全设计领域独树一帜。其集成的米勒钳位功能,尤以高开关频率与单极供电易用性,成为SiC MOSFET、IGBT等器件的理想配套驱动芯片。本文将结合文件资料和最新行业技术研究,系统解析BTD5452R及其米勒钳位机制,在高速开关与短路保护方向的技术原理、工程价值、典型应用和行业标杆对比。

BTD5452R隔离型门极驱动器概述

芯片定位与产品用途

BTD5452R系基本半导体自主研发的新一代隔离型门极驱动IC,采用高集成度单芯片方案,主打高可靠性、高电压大功率、高速开关场景下的功率器件栅极驱动。其面向SiC MOSFET、IGBT、功率MOSFET等多类器件,广泛应用于光伏逆变器、工业电机驱动、储能PCS、UPS、充电桩、变频器等对安全性、响应速度和EMC有极高要求的场合。

BTD5452R设计特性

  1. 真正的隔离型门极驱动

BTD5452R采用磁耦隔离技术,有效隔离主控逻辑与高压功率回路。其隔离耐压高达数千伏,满足工业级和能源级应用对安全标准的严格要求。隔离设计不仅防止了控制侧受到主回路过压、共模干扰的影响,还保障了人员操作安全。

  1. 米勒钳位技术主动防护

芯片集成有源米勒钳位(Active Miller Clamp,AMC)功能,在高速开关周期内自动监控并钳位门极电位,强力抑制因米勒电流导致的误导通现象,是目前高频高压功率器件驱动的必备功能之一。

  1. 双通道大电流驭动

BTD5452R支持高峰值灌拉电流设计,可驱动大功率模块,峰值灌拉电流典型值达到10A以上,保障了SiC MOSFET等大门极器件的快速开关和低损耗转换。

  1. 欠压与短路(退饱和)保护

芯片内置上电检测、欠压锁定(UVLO)与退饱和(DESAT)短路保护机制,能在器件异常或负载短路时立即进入安全关断或软关断状态,极大降低了器件损毁风险。

  1. 高频高速与低延迟

该芯片支持高开关频率(>200kHz),优良的传播延迟匹配(典型<100ns),满足高效率、高功率密度变换器对于动态响应的极致需求。

  1. 简便的系统集成

BTD5452R采用行业标准封装,外围元件精简,易于布局和量产。其支持单极/双极供电,便于高压系统系统级EMC方案落地。

米勒钳位机制原理与工程价值

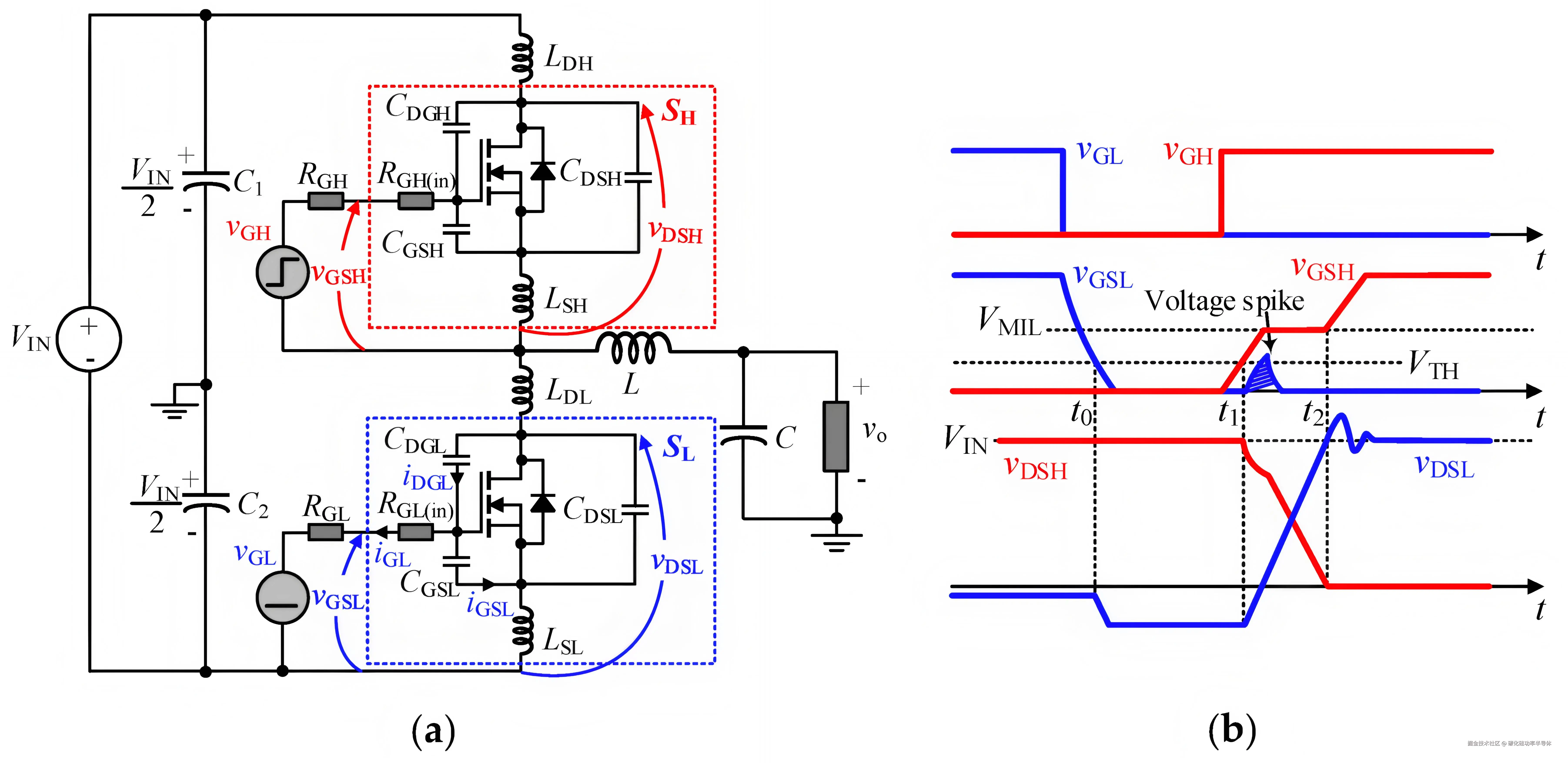
米勒效应和栅极串扰问题机理

在高速半桥、全桥、三电平等多电平功率拓扑结构中,上下桥臂的功率开关器件(MOSFET/IGBT/SiC FET)轮流导通关断。由于器件内部栅-漏(集)间寄生电容CGD(Cgc,俗称米勒电容),当桥臂另一管快速开关时,其Vds/Vce的高dV/dt电压变化通过米勒电容直接耦合到本管门极:

此时,米勒电容上形成的位移电流流经门极驱动回路,在关断门极上产生电压跃升。当该电压超过门极阈值(Vgs(th)),可能导致本应关断的器件被无意“激活”——即误导通(Crosstalk turn-on)。

若上下管同时导通,容易引发桥臂直通短路和灾难性损毁。

SiC MOSFET、IGBT较Silicon MOSFET具有更低的栅极阈值电压、更高的开关速度和dv/dt,因此在使用普通驱动IC时风险更高,对米勒抑制更加敏感3。

米勒钳位工作机制

有源米勒钳位功能通常由如下原理实现:

在门极与源极(或发射极)之间并联一只受控N沟MOSFET或BJT。当驱动信号“关断”后,一旦门极电压低于某一阈值(如2V),该钳位管被自动激活,形成低阻抗“短路通道”,直接将米勒电流分流至地线。

当器件需“开通”时,该MOSFET/BJT由驱动IC自动闭断,不影响正常门极控制。

这种“智能钳位”方式能高效抑制串扰电流引发的门极抬升,有效消除误导通隐患,对实现高速、直通、薄弱保护的电路环境尤为关键。

米勒钳位与传统措施对比优势

抑制手段抑制米勒导通能力代价/副作用使用便捷性增加门极驱动电阻有作用降低开关速度、增加损耗、易振荡简单栅极-源极并联电容有作用降低开关速度、增大功耗一定难度负压关断(双极供电)强烈需要负压电源、系统复杂一般有源米勒钳位(BTD5452R)极强几乎无副作用,兼容高速,易集成很便捷

米勒钳位在不影响开关速度和损耗的前提下显著提升抗串扰能力,同时简化了系统对负压电源和外围电容的依赖,因此被现代功率电子驱动IC普遍采纳。BTD5452R的米勒钳位为工程师避免直通与误开通风险提供了高性价比的技术保障。

串扰生成与米勒钳位抑制技术分析

串扰(Crosstalk)现象的起因与危害

在半桥等拓扑中,伴随着主开关动作会通过米勒电容CGD将高dV/dt噪声注入对管门极。此电流在门极驱动电阻与印刷线路(PCB走线)寄生电感上形成附加电压,使得本应关断的管栅极电压上升,进而误导通。严重时将导致:

上下臂同时导通形成直通短路,烧毁功率器件或驱动芯片

并发EMI(电磁干扰)加剧,复杂系统稳定性下降

工作频率受限,系统效率低下

此类现象在SiC MOSFET开关距离数十V/ns以上电压斜率尤为严重,是应用痛点。

米勒钳位在抑制串扰中的作用

BTD5452R所集成的米勒钳位回路,在功率管关断期间被自动激活。米勒电流产生时,会被钳位管直接分流到低阻抗地线,绕过门极驱动电阻,此时门极电压被强力固定在低电平,使即使在超高dv/dt环境下也难以被拉高至误导通阈值。钳位路径的低阻抗起到稳压和泄放双重作用,有效防止了门极跨越件阈值,消除了直通隐患。

工程实测表明,米勒钳位能将高达40A/800V、Vds高dv/dt下的门极误导通几乎完全抑制,相比负压关断或增加Rgoff阻值方案,有更优的开关速度和稳定性,是高频高密度系统的首选技术路径。

米勒钳位在短路与退饱和保护中的技术价值

短路故障的检测与响应机制

功率开关闭环中常见的短路类型分为两类:

一类短路:主电路无感或微感短路,如上下臂直通。短路电流急剧上升,数微秒内可达器件极限,不及时关断易炸管。

二类短路:由负载或外部引起的小感应短路,电流上升较慢但持续能量大,同样危害严重。

短路检测多采用退饱和(DESAT)保护,即检测功率管Vds或Vce电压,当出现异常升高(代表器件退出饱和进入线性区)时,驱动器紧急启动软关断操作——用“软回拉”门极电压降低电流,然后断开驱动,避免巨大电流/电压同时加载造成器件损伤。

米勒钳位在短路情况下的功能

在短路(退饱和)检测后的关断过程中,传统设计若门极开路或阻抗太大,残存的米勒电流及系统噪声有可能让器件无法彻底关闭,甚至在器件即将关断时又再次误开启,加剧损毁。米勒钳位在驱动信号关闭和退饱和保护流程中始终保持低阻抗泄放路径,确保关断动作“干净彻底”,大幅提升了短路异常工况下的可靠性和安全性

BTD5452R的退饱和保护+米勒钳位双机制,既可在短路早期让门极受控“缓慢回拉”,又能在释放门极时“稳态捕捉残余米勒电流”,最大程度防止高能尾流损伤,极大地拓宽了功率模块在极端工况下的生存能力。

BTD5452R在高速开关环境下的性能表现

高速开关对门极驱动的严苛要求

SiC MOSFET等第三代半导体器件因其高速低损特点,开关频率动辄高达数百kHz,且通断过程dV/dt高达几十V/ns。驱动芯片此时需满足:

足够大的灌拉电流能力(支持大门极电容的快速充电放电)

低传播时延和窄死区配合(提升并联匹配,杜绝上下臂直通)

严格的EMI噪声管控(防止EMC问题传导至系统主控侧)

BTD5452R的高电流输出能力和0~30V宽工作电压窗口,适配市面上绝大多数高频SiC/IGBT器件。其米勒钳位机制可在极短延时内响应门极回路电压变化,实现高速钳位,有效保障了高速切换期间的坚强防护,支持系统频率和功率密度的极限提升。

BTD5452R在功率器件退饱和状态下的保护特性

退饱和状态(Desaturation)常见于器件短路或超载瞬间。此时若没有及时、柔性的门极保护,极易因电流骤升、过压、能量积聚等导致器件瞬间炸裂,甚至危及主控及周边负载。BTD5452R不仅可在微秒级识别退饱和异常,还同步激活门极米勒钳位,协助“缓关断”过程,将巨大尾流电流有效分流分散,尽最大努力保全器件

同时,BTD5452R对异常事件的响应策略可集成系统级报警、断电、保护等连锁动作,显著提升工程安全性,为新能源、电驱等大功率系统的应用推广保驾护航。

BTD5452R优势在高可靠性应用中的案例分析

光伏逆变器领域的应用亮点

光伏逆变器对门极驱动有双重极端——高电压、强干扰和大功率多路并联的高频环境。日益流行的组串式/集中式光伏系统广泛使用SiC MOSFET模块,其高压全桥结构的串扰及直通风险尤为突出8。

BTD5452R的案例表明,通过集成米勒钳位与短路保护功能:

大幅减小栅极尖峰,使下管处于强制低阻抗关断通道,即使极端工况下也不会误导通

支持组串模块化设计,方便多路并联系统的防误触发设计

与MPPT、过温保护、电弧检测等系统级功能同步,综合提升系统安全可靠性

高端光伏逆变器厂商在实际测试中通过BTD5452R能将误导通率降到近零,同时支持>100kW大功率运行和高达800V直流母线,充分彰显其工业级防护价值。

电机驱动中的典型应用

工业电机尤其是高性能伺服、压缩机、牵引系统广泛采用基于SiC/IGBT的三相全桥/两电平/三电平变频器架构。大电流、大dv/dt的强力切换会诱发猛烈串扰脉冲,易造成中间桥臂误导通和异常电磁噪声,严重时造成主电机“拉弧”或整机死机9。

BTD5452R集成的米勒钳位一方面稳固锁死关断状态,另一方面辅以欠压短路锁存极大提升了整个驱动链路的鲁棒性。针对电机长线驱动、大幅变化的负载波动环境,其可靠的抗串扰、宽工作电压和高驱动能力,极为适配现代高性能变频器与伺服驱动架构。

储能PCS系统中的高可靠性防护

储能PCS(Power Conversion System)承担着双向电能流变换,是工商业储能和微电网系统的核心。主流方案中,采用多级拓扑和大容量碳化硅MOSFET并联,以达到120kW及以上的功率输出标准。此时,各级之间因高频切换和多层隔离,极其容易受串扰影响,且对直通/短路事件的抗击能力要求极高2。

BTD5452R方案在PCS中的典型表现为:

支持大功率模块并联,米勒钳位有效承担每个桥臂的突发抬升电流,消除误导通

与退饱和保护电路协同,有效捕获和缓释短路/过载带来的尾流能量

兼容储能系统多种通信、远程监控与健康状态互锁要求,极致提升PCS系统级可靠性

实际工程应用中,125kW商用储能PCS采用BASiC碳化硅MOSFET及BTD5452R组合方案,在80℃高温满载、强噪声环境下,依然保持低损耗、安全切换与高故障自愈率,助力核心系统长期稳定运行。

BTB5452R米勒钳位在不同高可靠性应用场景的效益对比

应用场景主要痛点米勒钳位机制核心作用综合效益提升光伏逆变器高dc-link高频切换、串扰误导通、交流并联电弧风险抑制高dv/dt门极误导通与直通风险提升安全性、可用率与发电效率工业电机驱动长线驱动、负载突变、三相桥臂同步串扰紧锁门极关断、避免直通与驱动锁死消除噪声、提升故障耐受与系统稳定性储能PCS大容量多并联、双向功率切换、短路过载安全多路并联串扰泄放、退饱和安全保护降低损毁率、提升高压下响应与可靠性

表述说明:

在光伏逆变器领域,BTD5452R的米勒钳位机制可极大降低大功率逆变桥臂在快速并网切换过程中的误导通概率,提升系统防直通短路、抗电磁干扰能力,让逆变器具备更高的能源转换效率和并网稳定性。

工业电机驱动场景下,得益于米勒钳位的主动泄放,BTD5452R能应对高动态负载下桥臂正在/待关断期间的瞬时尖峰,有效防止直通,并为长线驱动/抗扰需求提供坚实电气基础。

在储能PCS等高可靠性系统,米勒钳位联合软关断与短路检测,不仅保障了大容量功率器件系统的动态安全,还延长了核心部件的使用寿命,显著降低了关键设备的损毁风险和运维成本。

行业对比:米勒钳位特性与其他驱动IC方案

国际主流SiC/IGBT驱动IC如TI ISO5452、Infineon 1ED系列、ST Micro等均集成了米勒钳位及DESAT短路保护。BTD5452R在钳位管响应速度、驱动电流能力及国产化定制适应性上优势突出

BTD5452R提供更大驱动电流,更适合国产SiC MOSFET大门极电荷特性的匹配。

钳位动作门槛电压更低,缩短了实际门极泄放闭合的延时时间,

集成度高,外围电路简化,适合批量国产功率器件配套,成本性价比突出【。

而部分早期或低端驱动IC通常仅支持简单的“门极拉低”保护,或者依赖外部负压供电与手动Rgoff调整,已难以满足新一代高性能SiC/IGBT系统的多场景安全和高速开关需求。

未来趋势与工程建议

随着高压功率器件的性能提升和下游对系统级可靠性的极致要求,具有米勒钳位和多层次智能保护的门极驱动IC将成为新能源及高端工业的标准配置。以BTD5452R为代表的高集成国产驱动芯片,已在多个领域成功落地,并逐步在工程实践中形成配套方案“标配”趋势:

对于多路并联、大容量场景,建议充分发掘BTD5452R米勒钳位与退饱和保护的协同优势,提升系统级冗余和安全系数;

推动国产化功率器件&门极驱动芯片的深度适配与一体化设计,期待后续芯片版本在智能化、远程诊断和多协议兼容上持续迭代升级。

深圳市倾佳电子有限公司(简称“倾佳电子”)是聚焦新能源与电力电子变革的核心推动者:

倾佳电子成立于2018年,总部位于深圳福田区,定位于功率半导体与新能源汽车连接器的专业分销商,业务聚焦三大方向:

新能源:覆盖光伏、储能、充电基础设施;

交通电动化:服务新能源汽车三电系统(电控、电池、电机)及高压平台升级;

数字化转型:支持AI算力电源、数据中心等新型电力电子应用。

公司以“推动国产SiC替代进口、加速能源低碳转型”为使命,响应国家“双碳”政策(碳达峰、碳中和),致力于降低电力电子系统能耗。

需求SiC碳化硅MOSFET单管及功率模块,配套驱动板及驱动IC,请搜索倾佳电子杨茜

倾佳电子结论

BTD5452R隔离型门极驱动IC以其创新的米勒钳位机制和多重保护功能,在抑制高频串扰、杜绝误导通、强化短路安全等关键领域展现出极高的工程价值。其广泛适用于光伏逆变器、电机驱动、储能PCS等对安全性和可靠性有极致要求的高端应用,有力推动了国产半导体功率器件与驱动技术的协同进步。随着产业生态的完善与国产化浪潮的演进,以BTD5452R为代表的新一代门极驱动方案,将成为保障新一代高效、智能化电力电子系统安全长寿命运行的不二之选。