倾佳电子固态变压器SST在数据中心的应用及SiC MOSFET功率模块的关键作用

669 阅读16分钟

倾佳电子固态变压器SST在数据中心的应用及SiC MOSFET功率模块的关键作用

倾佳电子(Changer Tech)是一家专注于功率半导体和新能源汽车连接器的分销商。主要服务于中国工业电源、电力电子设备和新能源汽车产业链。倾佳电子聚焦于新能源、交通电动化和数字化转型三大方向,并提供包括IGBT、SiC MOSFET、GaN等功率半导体器件以及新能源汽车连接器。

倾佳电子杨茜致力于推动国产SiC碳化硅模块在电力电子应用中全面取代进口IGBT模块,助力电力电子行业自主可控和产业升级!

倾佳电子杨茜咬住SiC碳化硅MOSFET功率器件三个必然,勇立功率半导体器件变革潮头:

倾佳电子杨茜咬住SiC碳化硅MOSFET模块全面取代IGBT模块和IPM模块的必然趋势!

倾佳电子杨茜咬住SiC碳化硅MOSFET单管全面取代IGBT单管和大于650V的高压硅MOSFET的必然趋势!

倾佳电子杨茜咬住650V SiC碳化硅MOSFET单管全面取代SJ超结MOSFET和高压GaN 器件的必然趋势!

1. 引言:数据中心供电架构的变革与固态变压器(SST)的兴起

1.1. 传统数据中心供电架构的瓶颈

 

传统数据中心供电系统通常依赖于由工频变压器、交流不间断电源(UPS)和配电单元(PDU)组成的多级架构。这种方案虽然已在业界广泛应用,但其固有的技术局限性正日益成为制约数据中心发展的主要瓶颈。首先,传统工频变压器体积庞大且重量沉重,占据了宝贵的机房空间,增加了基础设施成本。其次,多级AC-DC和DC-AC的反复转换导致能量损耗显著,降低了整体系统效率,并带来了额外的冷却负担。最后,传统架构在系统灵活性、可控性以及与新能源的集成方面存在局限,难以适应未来数据中心对能效、模块化和可持续性的更高要求。

 

1.2. 固态变压器作为颠覆性解决方案的核心价值

固态变压器(SST),又称电力电子变压器(PET),是一种集高频变压器、电力电子转换器和智能控制电路于一体的新兴技术,旨在取代传统的线频率变压器,提供“智能”解决方案 。SST的核心价值在于通过高频化实现体积和重量的革命性减小,并通过数字化控制提升供电的智能性、可靠性与灵活性,完美契合了新一代数据中心对供电架构的变革需求。这种技术突破不仅解决了传统变压器在物理尺寸上的困境,更通过其固有的电力电子特性,为电网和负载之间提供了前所未有的智能接口。  

 

2. 固态变压器的技术优势与应用潜力

 

2.1. 相较传统工频变压器的核心优势

 

固态变压器相较于传统工频变压器,拥有多项颠覆性的技术优势:

高效率与低损耗:SST利用电力电子技术,可以实现高效的能量转换。文献显示,SST的传输效率可大于97.5%,甚至高达99%,远高于传统方案,有效降低了电能转换过程中的损耗 。  

小型化、轻量化与高功率密度:这是SST最显著的优势之一。通过采用高频变换,其核心部件——高频变压器——的体积和重量可大幅减小。研究表明,高频变压器体积可缩小至传统变压器的1/10,使整体供电方案的设备和工程施工量节省40%,占地面积减少50% 。实现这种小型化的关键在于功率半导体器件。传统硅基(Si)器件由于开关损耗随频率升高而急剧增加,难以在高频下高效工作,从而限制了变压器的高频化。SiC MOSFET凭借其固有的低开关损耗特性,能够在高频下保持高效率,从而解除了这一技术瓶颈,使得高频变压器得以小型化,是SST实现高功率密度的核心使能者。  

 

可控性与电能质量管理:SST集成了智能控制电路,具备强大的电能质量管理能力。它可以动态控制低压侧电压,补偿由非线性负载引起的谐波扰动,并能实现单位功率因数(PF≈1),有效抑制电网谐波污染(THD<5%)。这确保了为敏感的IT负载提供“超纯净”的电能,提高了系统运行的稳定性。  

灵活的双向功率流与多端口集成:SST支持能量的双向传输,能灵活地将电能从高压侧传输至低压侧,反之亦然 。此外,其直流母线(DC-link)允许其直接连接光伏阵列、储能电池等直流设备,无需额外的电力转换器,这为“源网荷储”一体化提供了理想的解决方案 。  

 

2.2. SST在数据中心供配电架构中的具体应用与价值

 

SST的诸多优势使其成为解决数据中心供电挑战的理想选择,其具体应用和价值体现在:

优化集成高压直流(HVDC)系统:SST可直接将10kVac转换为800Vdc或±375Vdc,从而取代传统供电架构中多级AC-DC转换环节,简化供电链路,显著提升系统能效,减少设备冗余,并节省占地面积 。  

 

与可再生能源及储能系统的无缝对接:面对日益增长的能源需求和对可持续发展的要求,数据中心正积极探索与可再生能源的整合。SST的多端口特性使其能够灵活接入风能、太阳能等多种电源,减少电能转换环节,并主动控制功率潮流,提高新能源的消纳率 。通过与储能系统的集成,SST还可提高供电可靠性,应对电网波动或故障 。  

 

 

3. 固态变压器的主流技术路线与拓扑结构

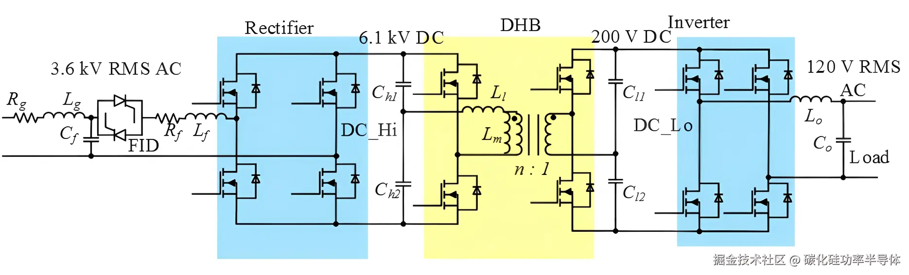
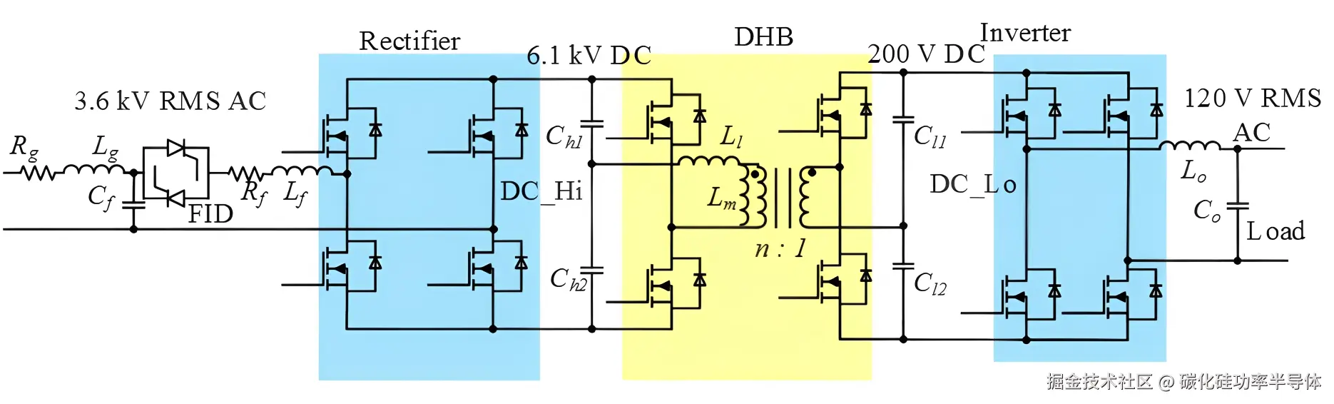
3.1. 典型三级功率变换架构解析

 

SST的核心技术路线通常采用三级功率变换架构,以实现从电网到负载的高效、可控电能转换 :  

输入级(AC/DC) :此级将来自电网的中压工频交流电转换为可控直流电。这是整个SST系统的第一步,其性能直接影响后续变换级的效率和电能质量。

隔离级(DC/DC) :这是SST的核心,负责将高压直流降压并实现电气隔离。该级通过高频工作(通常在20kHz-100kHz)来大幅减小变压器体积,是体现SST小型化优势的关键 。  

输出级(DC/AC) :此级可按需将直流电转换为低压交流电,或直接提供直流输出,以适配不同的IT设备负载 。  

 

值得注意的是,SST应用于中压(2kV~35kV)电网,而单个功率半导体器件(如1200V SiC MOSFET)的耐压能力有限。因此,必须采用模块化多电平转换器(MMC)或级联设计,将多个低压器件串联起来以分担高压 。这种模块化设计方法不仅解决了高压耐受问题,还提升了系统的可扩展性、可靠性和冗余性。随着10kV或更高耐压SiC器件的出现,未来的SST拓扑有望进一步简化,减少级联单元数量,从而提高系统效率和功率密度 。  

 

3.2. 主流高频DC/DC变换器拓扑精析

隔离级DC/DC变换器的拓扑选择直接决定了SST的性能。目前,主流的高频DC/DC拓扑包括双有源桥(DAB)和LLC谐振变换器。

双有源桥(DAB)拓扑:DAB拓扑采用两个全桥结构,通过控制原副边方波之间的相移来实现功率的灵活双向传输 。其核心优势在于能够实现软开关换流,可显著降低开关损耗,使其成为电动汽车充电站和储能系统的理想选择 。  

LLC谐振变换器拓扑:LLC拓扑利用由电感和电容组成的谐振腔来优化开关过程。其核心优势在于可以在宽负载范围内实现零电压开关(ZVS),从而最小化开关损耗,使得该拓扑非常适合高频高效率应用 。  

 

 

3.3. 模块化设计理念与级联应用

 

固态变压器的模块化设计理念至关重要。如前所述,由于功率开关器件的耐压限制,单个功率模块无法直接处理中高压电网电压。因此,通常采用级联多级单元的方式来构成完整的SST系统 。这种模块化的设计不仅解决了技术上的挑战,还为系统带来了多重优势,包括简化系统设计流程、提供可扩展性、提升系统可靠性和容错能力 。当某个模块发生故障时,系统可以重新配置,甚至实现“自愈”功能,从而减少对最终用户的负面影响 。  

 

 

4. SiC MOSFET:固态变压器的核心使能技术

 

 

4.1. SiC材料的固有优势对SST的性能提升作用

SiC MOSFET在SST中的关键作用,源于碳化硅材料本身卓越的物理和电学特性。

宽禁带带来的耐高压与高开关频率能力:SiC的禁带宽度是硅(Si)的3倍以上,击穿电场强度是硅的10倍以上,使其能承受更高的电压并以更快的速度开关 。这一特性直接决定了SST中隔离级变换器的工作频率上限,是实现SST小型化的基础。  

 

低导通电阻与低开关损耗:SiC器件的导通电阻(RDS(on)​)低,且其随温度升高的趋势远小于Si器件,这保证了在高温大电流下的高效率 。其极低的开关损耗是实现高频化的基石,从而大幅减少了高频工作下的总损耗 。  

 

高热导率与优异的散热性能:SiC的热导率是Si的3倍以上,这使得其器件具有更强的散热能力 。为了充分利用SiC的高温高可靠性优势,先进的封装技术至关重要。例如,BMF540R12KA3模块采用了导热性能和抗弯强度俱佳的  Si3​N4​(氮化硅)陶瓷基板和铜基板 。与传统的  Al2​O3​或AlN基板相比,Si3​N4​的抗弯强度更强,在1000次温度冲击试验后仍能保持良好的接合强度,这有效提升了模块在严苛应用中的功率循环能力和长期可靠性 。  

 

 

4.2. 以BMF540R12KA3模块为例的性能实证分析

 

BMF540R12KA3是一款典型的62mm SiC MOSFET半桥模块,其性能数据为SiC在SST中的应用提供了直观的证据。该模块具备1200V的额定耐压、540A的额定电流和低至2.5mΩ的超低导通电阻(典型值),并采用了低杂散电感设计(14nH以下)。  

 

通过对该模块与Si基IGBT模块在电机驱动应用中的仿真数据进行对比,可以清晰地看到SiC在SST核心诉求——高频、高效、高功率密度——上的决定性优势。

表4.2.1:BMF540R12KA3与Si基IGBT在电机驱动仿真中的性能对比

型号封装母线电压Vdc​ (V)相电流Iarms​ (A)开关频率fsw​ (kHz)单开关总损耗 (W)输出有功功率 (kW)整机效率 (%)最高结温Tj​ (°C)
FF800R12KE7 (IGBT)62mm80030061119.22237.697.25129.14
BMF540R12KA3 (SiC)62mm80030012242.66237.699.39109.49

数据来源: 仿真条件:散热器温度80°C  

 

从表中数据可以看出,在输出相同功率(237.6kW)的情况下,BMF540R12KA3能够在IGBT两倍的开关频率(12kHz vs 6kHz)下工作,其单开关总损耗仅为IGBT的约21.7%(242.66W / 1119.22W)。这一巨大的损耗优势使得SiC模块在更高频率下仍能保持较低的结温(109.49°C vs 129.14°C),并实现了更高的系统效率(99.39% vs 97.25%)。这有力地证明了SiC是SST实现高频、高效、高功率密度的决定性因素。

此外,另一组仿真数据对比了在相同的热极限条件下(结温限制Tj​≤175∘C),SiC模块可承载的输出电流。结果显示,BMF540R12KA3可承载520.5A的相电流,而IGBT仅为446A 。这一对比直观地阐释了“高功率密度”的含义:在同样的散热和热极限约束下,基于SiC的方案可以传输更多的功率,从而实现更高的功率密度。  

最后,必须指出的是,拥有高性能SiC模块并不意味着可以忽略其应用挑战。SiC MOSFET由于其极快的开关速度(高dv/dt)和较低的门槛电压(VGS(th)​),比IGBT更容易受到米勒效应的影响,可能导致桥臂直通,造成灾难性后果 。因此,必须采用专门的驱动方案,如米勒钳位功能,通过在关断期间提供低阻抗路径将门极电压钳位在负偏压,从而有效抑制误开通 。这表明,为了充分发挥SiC的优势,需要配套的专业驱动和系统级设计,而这正是SST技术路线的重要组成部分。  

5. 固态变压器的技术发展方向与展望

5.1. 市场趋势与驱动因素

全球固态变压器市场预计将持续增长,从2024年的1.37亿美元增至2032年的3.033亿美元,年复合增长率(CAGR)为10.4% 。这一增长主要由数据中心、电动汽车充电桩、智能电网和可再生能源集成等核心应用领域的强劲需求驱动 。各国政府对电网现代化、提高能效的积极政策,以及对老旧电力基础设施的更新换代需求,也将进一步推动SST的普及 。  

 

5.2. 技术演进路线:从器件到系统

 

未来SST的技术演进将围绕“更强、更轻、更智能”的方向展开:

器件层面:将继续向更高耐压、更大电流的新一代SiC和氮化镓(GaN)器件发展。同时,封装技术将更加注重集成化和散热性能,以适应日益提高的功率密度 。例如,BMF540R12KA3所采用的  Si3​N4​陶瓷基板技术将成为主流高功率模块的趋势。

系统层面:将探索在更高工作频率下(如500kHz甚至更高)运行的谐振和双有源桥拓扑 。这将对高频磁性器件提出更高要求,需要采用新型材料(如纳米晶或铁氧体磁芯)和更优化的绕组设计来降低损耗 。此外,更高级的数字控制和自适应算法将成为实现对多级变换和功率潮流精确控制的关键技术。  

5.3. 成本与商业化挑战

 

尽管SST前景广阔,但其大规模商业化仍面临挑战。当前,SST的实施成本相对较高,这主要源于SiC器件、高频磁性元件和复杂控制电路的成本 。此外,市场对半导体变压器技术的认知和应用知识尚有不足,这构成了另一大推广障碍 。因此,产业界需要继续在SiC器件的成本优化、封装技术和系统集成方案上进行投入,同时加强技术教育和推广,以加速SST的普及。  

深圳市倾佳电子有限公司(简称“倾佳电子”)是聚焦新能源与电力电子变革的核心推动者:
倾佳电子成立于2018年,总部位于深圳福田区,定位于功率半导体与新能源汽车连接器的专业分销商,业务聚焦三大方向:
新能源:覆盖光伏、储能、充电基础设施;
交通电动化:服务新能源汽车三电系统(电控、电池、电机)及高压平台升级;
数字化转型:支持AI算力电源、数据中心等新型电力电子应用。
公司以“推动国产SiC替代进口、加速能源低碳转型”为使命,响应国家“双碳”政策(碳达峰、碳中和),致力于降低电力电子系统能耗。
需求SiC碳化硅MOSFET单管及功率模块,配套驱动板及驱动IC,请搜索倾佳电子杨茜

6. 结论与核心建议

固态变压器代表了数据中心供电架构的未来方向。其在效率、小型化、可控性和双向能力上的卓越表现,完美契合了新一代数据中心对能效和灵活性的核心诉求。

SiC MOSFET凭借其在低损耗、高开关频率、高热导率等方面的固有优势,是SST实现上述所有技术优势的决定性核心技术。以BMF540R12KA3模块为代表的SiC功率器件,已通过实证数据清晰地展示了其在损耗和结温控制上的巨大潜力,证明了其在实现高频、高效、高功率密度方面相较于传统硅基器件的绝对优越性。

对于数据中心设计者和运营商而言,应积极评估和采纳基于SiC的SST方案,以期在能效、占地和系统灵活性上获得长期收益。对于产业界而言,应继续在SiC器件的成本优化、封装技术以及与专业驱动方案的深度集成上进行投入,以克服当前的商业化挑战,共同推动SST技术的广泛应用。