倾佳电子ANPC三电平拓扑深度解析及SiC MOSFET功率模块在ANPC中应用价值研究报告

219 阅读22分钟

倾佳电子ANPC三电平拓扑深度解析及SiC MOSFET功率模块在ANPC中应用价值研究报告

 

倾佳电子(Changer Tech)是一家专注于功率半导体和新能源汽车连接器的分销商。主要服务于中国工业电源、电力电子设备和新能源汽车产业链。倾佳电子聚焦于新能源、交通电动化和数字化转型三大方向,并提供包括IGBT、SiC MOSFET、GaN等功率半导体器件以及新能源汽车连接器。

倾佳电子杨茜致力于推动国产SiC碳化硅模块在电力电子应用中全面取代进口IGBT模块,助力电力电子行业自主可控和产业升级!

倾佳电子杨茜咬住SiC碳化硅MOSFET功率器件三个必然,勇立功率半导体器件变革潮头:

倾佳电子杨茜咬住SiC碳化硅MOSFET模块全面取代IGBT模块和IPM模块的必然趋势!

倾佳电子杨茜咬住SiC碳化硅MOSFET单管全面取代IGBT单管和大于650V的高压硅MOSFET的必然趋势!

倾佳电子杨茜咬住650V SiC碳化硅MOSFET单管全面取代SJ超结MOSFET和高压GaN 器件的必然趋势!

第一章:引言——多电平变换器与ANPC拓扑的兴起

 

 

1.1 传统两电平逆变器的局限性与多电平拓扑的需求

 

在现代高功率、中高电压应用领域,如太阳能电站、储能系统和大型工业电机驱动等,传统的两电平逆变器拓扑面临着显著的挑战。这些应用通常要求直流总线电压高达1000V或1500V,以降低系统电流,从而减少导通损耗(I2R),提升整体效率 。然而,在两电平拓扑中,每个开关器件都必须承受全部的直流总线电压 。这意味着在1000V或1500V的系统中,设计者需要使用额定电压超过1700V甚至2500V的功率器件 。  高压硅基(Si)器件,例如IGBT,通常由于其较厚的芯片结构以实现高阻断电压,导致其具有较高的开关损耗和较慢的开关速度 。同时,当器件以高电压全速开关时,会产生极高的  dv/dt(电压变化率)。这种高  dv/dt不仅会引发严重的电磁干扰(EMI),还会对电机绕组等负载造成绝缘应力,并要求使用尺寸更大的输出滤波器来平滑波形,这直接增加了系统的体积、重量和成本 。  

 

多电平拓扑的出现,从根本上为解决上述问题提供了新的路径。其核心思想在于通过增加输出电压的电平数量,将直流母线电压分摊到多个串联的开关器件上 。例如,三电平拓扑能够将每个开关器件承受的电压应力限制在直流总线电压的一半 。这种“分摊”策略使得设计者能够在高压系统中继续使用成熟、可靠且开关速度更快的低压器件(如600V或1200V额定电压的器件)。此外,多电平逆变器能够输出更平滑、阶梯化的电压波形,显著降低了谐波含量,从而减少了对滤波器磁性元件尺寸的要求,并有效抑制了  dv/dt和EMI,从根本上优化了系统性能。这种技术演进并非偶然,而是电力电子在高电压、高功率密度需求驱动下,为绕过传统两电变器物理极限而产生的必然选择。

1.2 中点钳位(NPC)拓扑的贡献与固有挑战

 

多电平拓扑的先驱之一是中点钳位(Neutral-Point-Clamped, NPC)拓扑,该技术于1980年被提出,并被广泛应用于高功率中压领域 。NPC拓扑的核心特征是使用钳位二极管来将输出电压钳位在直流母线的中点电位,从而产生三电平输出电压波形。这种结构成功地降低了开关器件的电压应力,使其能够使用更低电压等级的器件,为多电平变换器的发展奠定了基础 。  

 

然而,NPC拓扑存在一个固有的、难以克服的缺陷:器件损耗分布不均衡 。在NPC拓扑中,某些开关管和钳位二极管在特定的开关模式下会承受更高的开关损耗和导通损耗,而另一些器件则几乎不承担损耗。这种损耗的不对称性导致热量集中在少数几个器件上,形成“热点”。这不仅限制了系统的总输出功率,因为系统的性能受限于最热的那个器件,而且由于热应力不均,显著降低了系统的整体可靠性和使用寿命 。在损耗均衡问题上,由于NPC拓扑中的钳位器件是无源二极管,其导通路径是固定的,因此无法通过控制策略进行动态的损耗再分配。  

 

 

 

1.3 有源中点钳位(ANPC)拓扑的起源与基本概念

 

为解决NPC拓扑固有的损耗不均衡问题,有源中点钳位(Active Neutral-Point-Clamped, ANPC)拓扑应运而生 。ANPC拓扑的核心创新在于用  有源开关器件(如IGBT或MOSFET)取代了NPC拓扑中的无源钳位二极管 。这一看似简单的替换,从根本上改变了拓扑的运行机制。  

 

在ANPC拓扑中,即使是在产生零电平输出电压(即输出端与中点连接)时,也存在多种开关器件的组合可以实现这一状态,这被称为冗余的零电平开关状态 。这种冗余性赋予了ANPC拓扑“可编程”的能力,使其能够通过软件控制,根据不同的工作条件(如功率因数、调制深度等),动态地选择不同的开关路径。通过实时切换这些冗余状态,设计者可以将开关损耗和导通损耗在所有有源器件之间进行重新分配,从而实现损耗的均衡 。因此,ANPC的“有源”特性不仅仅是器件类型的改变,它将一个固定的、由硬件决定的损耗分布问题,转化为一个可以通过软件和控制策略优化的可变问题,这是其相比于NPC的本质性飞跃。  

 

 

第二章:ANPC拓扑的演变与核心技术原理

 

 

2.1 ANPC拓扑结构与开关模态详解

 

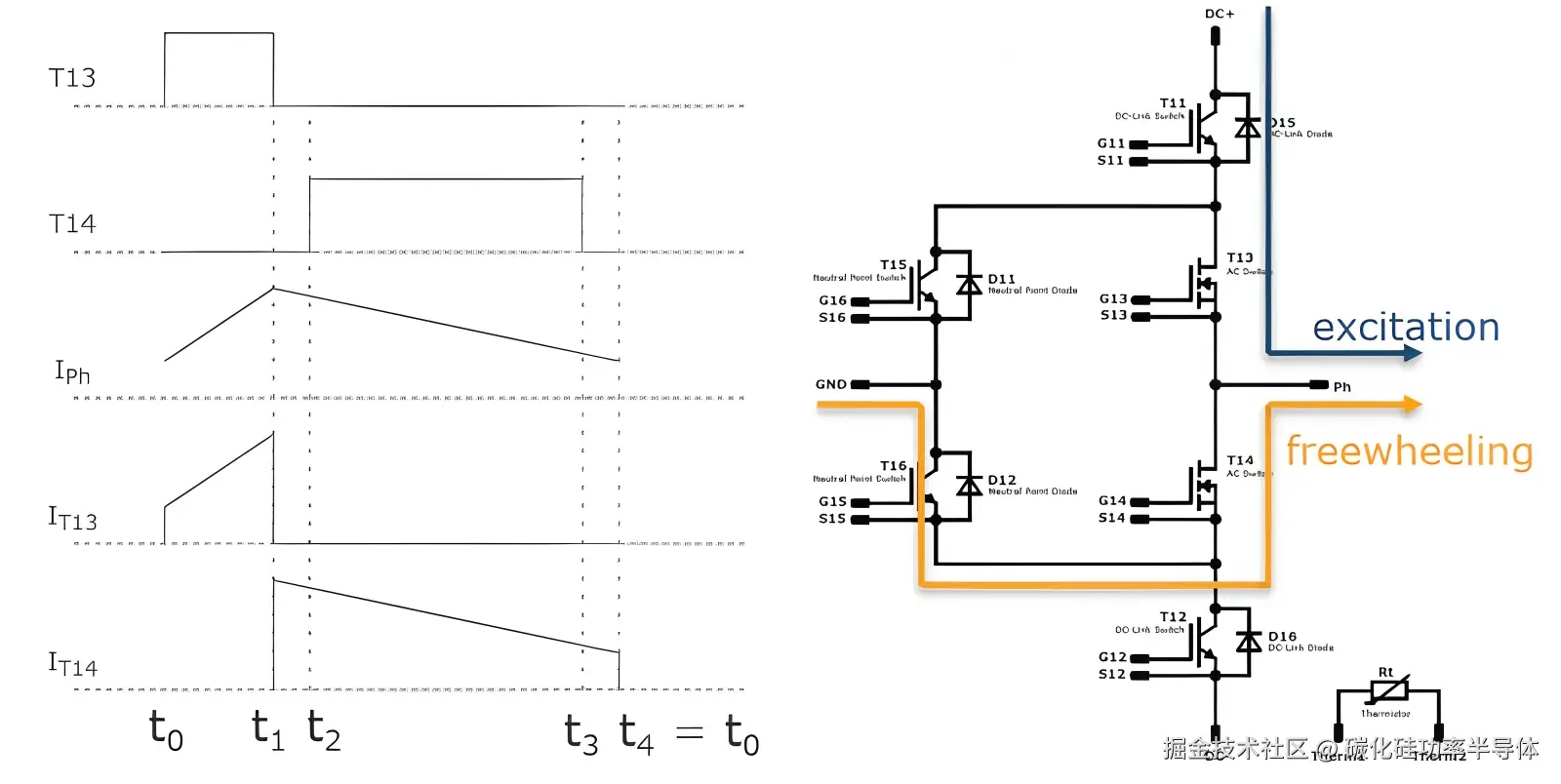
典型的三电平ANPC拓扑,其单相桥臂由六个开关管组成 。这些开关管通常分为两组:四对外部开关管(outer switches),负责在直流母线电压(  Vdc​)和其正负半压(Vdc​/2和_dc/2)之间切换;以及两个内部开关管(inner switches),负责将输出端钳位在直流中点 。通过这六个开关管的协调工作,一个ANPC桥臂能够产生三个离散的输出电压电平:+  Vdc​/2、0和-V_dc/2 。  

 

ANPC拓扑的模块化和可扩展性使其能够轻松实现更高电平的变换器。例如,五电平有源中点钳位(ANPC-5L)拓扑包含12个开关管,并能产生五个输出电压电平 。更高电平的ANPC,例如九电平(9L-ANPC)也已经被提出 。然而,随着电平数的增加,拓扑的复杂性也随之提高,这带来了更多的挑战,例如器件数量的显著增加以及悬浮电容电压的平衡控制问题 。  

 

2.2 关键调制策略分析:ANPC-1与ANPC-2

ANPC拓扑最显著的技术优势体现在其灵活的调制策略上,其中ANPC-1和ANPC-2是两种核心且具有代表性的调制方法。它们的主要区别在于零电平换流路径和高频开关器件的选择。

ANPC-1:短换流回路与内管工频动作 在ANPC-1调制策略下,内侧的两个开关管(通常记为T2和T3)以输出电压基波频率(即工频)进行开/关动作 。这意味着它们在绝大部分时间保持导通或关断状态,其开关损耗极低。而其余的开关管则以高开关频率进行动作 。这种调制方式采用“短换流回路”进行能量切换 。由于高频开关动作集中在外侧开关管上,因此开关损耗也主要集中于这些器件 。  

 

ANPC-2:长换流回路与内管高频动作 与ANPC-1相反,ANPC-2调制策略选择让内侧的两个开关管(T2和T3)以高开关频率进行动作 。而其余的开关管则以工频进行开/关,几乎不产生开关损耗 。这种调制方式采用“长换流回路”进行能量切换 。在这种模式下,大部分开关损耗都集中在内侧开关管上 。  

 

这两种调制策略并非简单的技术选择,而是针对不同器件特性进行损耗优化的战略性工具。在ANPC拓扑主要使用硅基(Si)IGBT的时代,由于IGBT的开关损耗远高于其导通损耗,ANPC-1和ANPC-2策略被用于将高损耗的开关动作在内外管之间转移,以实现热量的均衡分配,防止某些器件过热 。当SiC器件被引入后,这种调制策略的战略意义变得更加突出,因为它可以将损耗“导向”特定的器件类型,从而最大化SiC器件的性能优势。  

 

2.3 电容预充电与平衡控制

 

多电平拓扑的一个关键技术挑战是其内部直流电容(如直流母线支撑电容和悬浮电容)的电压平衡和预充电问题 。在逆变器启动前,必须确保这些电容的电压达到预定值,以防止运行中出现过高的电压应力 。例如,如果没有进行预充电,ANPC-5L逆变器在运行中开关管承受的最大电压应力可达正常工况下的两倍,这会极大地威胁器件的可靠性 。  

 

为了解决这一问题,研究人员提出了多种预充电策略。其中一种高效的策略是利用ANPC逆变器正常的开关模态进行充电,从而避免了传统方法中可能出现的强制性互补开关管同时导通的情况 。这种策略能够同时对支撑电容和悬浮电容进行充电,确保支撑电容中点电位稳定在母线电压的一半,同时保证各相桥臂的悬浮电容电压达到预期值 。  

 

 

此外,在逆变器正常运行过程中,需要持续对电容电压进行平衡控制。通过引入分区域控制等先进算法,可以根据当前的中点电位偏差和悬浮电容电压状态,实时选择合适的开关模态进行调节 。这些算法通常运算量较小,易于实现,并能够确保在逆变器全范围工作区域内,电容电压始终保持稳定,从而保障系统的安全、可靠运行 。  

 

 

 

第三章:ANPC拓扑的显著技术优势

 

 

3.1 核心优势一:卓越的器件损耗均衡能力

 

器件损耗均衡是ANPC拓扑相比其前辈NPC最根本的优势。如前所述,通过利用零电平状态的冗余性,ANPC拓扑能够根据特定的调制策略,将损耗在所有开关器件之间进行灵活的重新分配和平衡 。文献中提出了多种损耗均衡方法,例如通过引入额外的移相载波将损耗分配到不同的器件上,或者在ANPC-1和ANPC-2两种调制方式之间进行平滑切换,以达到整体的损耗均衡效果 。这种损耗均衡不仅提高了每个器件的利用率,使得系统能够以更高的功率密度运行,还避免了因热量集中而导致的器件寿命缩短和系统可靠性降低的问题 。  

 

 

3.2 核心优势二:降低开关管的电压应力与dv/dt

 

多电平拓扑的一个核心卖点是其能够降低开关器件的电压应力。三电平ANPC拓扑将每个开关管的电压应力限制在直流母线电压的一半 。这使得设计者可以选择额定电压更低、更具成本效益且开关性能更好的器件 。此外,ANPC拓扑能够产生阶梯化的输出电压波形,有效降低了输出电压的  dv/dt 。较低的  dv/dt对整个系统产生了多重积极影响:它减少了电磁干扰(EMI),降低了对输出滤波器的尺寸要求,并减轻了对电机绕组等负载的绝缘应力 。  

 

 

3.3 核心优势三:固有的双向功率流能力

 

ANPC拓扑的对称结构赋予了其固有的双向功率转换能力 。与某些单向拓扑不同,ANPC可以在不改变硬件配置的情况下,通过软件控制实现逆变器(直流到交流)和整流器/PFC(交流到直流)两种模式的无缝切换 。这一特性在许多现代应用中至关重要,例如储能系统(ESS)需要在充电时从电网取电(整流),在放电时向电网供电(逆变);电动汽车充电桩也需要将交流电网电能转换为直流电能对电池充电,并可能在未来支持车辆到电网(V2G)功能 。  

 

 

3.4 核心优势四:高功率密度与高效率的综合表现

 

ANPC拓扑的上述优势共同作用,使其成为高功率密度和高效率的理想选择。通过损耗均衡,器件的热应力得以分散,从而允许系统在更高的功率水平下运行。此外,由于ANPC-5L拓扑中只有少数器件工作在高开关频率下,这有利于降低整体损耗,从而提高电能变换效率 。文献研究显示,ANPC拓扑相比其他拓扑,在效率和器件应力方面表现出更好的综合性能 。  

 

 

第四章:SiC MOSFET功率模块对ANPC拓扑的赋能价值

 

 

4.1 SiC器件核心特性:宽禁带、低损耗与高频潜力

 

碳化硅(SiC)是一种宽禁带(Wide-Bandgap, WBG)半导体材料,其物理特性远优于传统的硅(Si)。这些特性包括更宽的禁带宽度、更高的导热率和更高的临界电场强度 。这些卓越的物理特性直接转化为功率器件无与伦比的性能优势:  

 

超低开关损耗: SiC MOSFET在开通和关断时几乎没有“尾电流”(tail current),因此其开关损耗远低于硅基器件 。这一特性对于高频开关应用至关重要。  

 

 

高频运行能力: SiC器件的开关速度极快,使其能够工作在数十kHz甚至数百kHz的高开关频率下 。  

 

 

高结温: SiC器件能够在更高的结温下稳定运行,这简化了散热设计,并提高了器件在恶劣环境下的可靠性 。  

 

 

 

4.2 价值协同:SiC在ANPC拓扑中的战略应用

 

SiC器件的引入并非简单的器件升级,它与ANPC拓扑形成了完美的战略协同,从根本上提升了系统的性能。

 

4.2.1 极大提升系统效率

 

ANPC拓扑的总损耗主要由导通损耗和开关损耗两部分组成,而SiC器件在两者上均有显著优势 。通过将SiC MOSFET应用于ANPC拓扑中,特别是放置在需要高频开关的器件位置(例如ANPC-2调制中的内管),可以最大程度地发挥其低开关损耗的优势 。  

 

量化研究显示,在45kHz的开关频率下,采用SiC器件的ANPC系统峰值效率可达99% ,相比采用Si器件的系统,平均效率可提升0.5%~1% 。在光伏逆变器等应用中,采用SiC方案可使整体系统效率提升1%~2%左右,能量损耗降低50%以上 。这种效率的提升在整个系统层面产生了乘数效应。因为损耗的降低直接减少了产生的热量 ,这使得对冷却系统的要求大大降低。更小的冷却系统意味着更小的逆变器体积和重量,从而提升了功率密度并降低了整体系统成本 。  

 

 

 

4.2.2 实现系统小型化

 

SiC器件的高频运行能力是实现系统小型化的关键。随着开关频率的提高,逆变器输出滤波器所需的电感和电容尺寸可以显著减小 。输出滤波器通常是逆变器中体积和重量最大的无源元件,因此其尺寸的减小直接带来了功率密度的大幅提升 。此外,在太阳能等应用中,通过ANPC等多电平拓扑将直流总线电压提高到1200V或1500V,可以在保持相同功率水平下降低电流 。较低的电流意味着线束所需的铜导线截面积更小,进一步降低了系统的重量和成本 。  

 

 

 

4.2.3 混合拓扑设计:兼顾成本与性能的Si/SiC混合方案

 

尽管SiC器件性能卓越,但其高昂的成本仍然是其大规模普及的主要障碍 。目前,一个SiC模块的价格仍可能是其Si-IGBT对应产品的数倍 。为了平衡成本与性能,一种更具性价比的解决方案是采用混合式(Hybrid)ANPC拓扑 。在这种方案中,设计者仅用SiC器件替换拓扑中损耗最大、对高频性能要求最高的部分Si器件,而其余部分仍使用成本较低的Si器件 。  

 

这种方案的成功实施依赖于对拓扑和调制策略的深度理解。例如,在ANPC-2调制策略中,高频开关损耗集中在内侧的两个开关管上 。因此,通过将昂贵的SiC器件精准地放置在内管位置,而将成本较低的Si-IGBT用于承载主要导通损耗的工频开关位置,可以以远低于纯SiC方案的成本,实现接近纯SiC方案的效率和功率密度 。这揭示了在电力电子领域,成本与性能的关系并非简单的线性。通过对拓扑和调制策略的深度理解,可以找到一个最优的平衡点,在有限增加成本的情况下,获得巨大的性能提升。  

 

 

第五章:ANPC拓扑在关键应用中的实践与未来展望

 

 

5.1 应用场景一:光伏逆变器

 

光伏发电系统对转换效率和功率密度有着极高的要求,以最大化能量产出并降低安装维护成本 。ANPC拓扑凭借其高效率、高功率密度和低损耗等优点,已成为现代光伏逆变器的优选拓扑之一 。中国作为全球光伏逆变器市场的领导者,其本土厂商对SiC器件的采用,为SiC技术的规模化应用提供了便利条件 。据行业数据显示,华为和阳光电源等国内头部企业已累计出货超过100GW,并于多年前开始在产品中规模化应用SiC器件,充分验证了SiC-ANPC方案在光伏领域的商业可行性和技术成熟度 。  

 

 

5.2 应用场景二:储能系统(ESS)

 

储能系统是智能电网和可再生能源整合的关键组成部分,其核心需求包括双向功率流、高效率和高可靠性 。ANPC拓扑固有的双向运行能力完美契合了储能系统的应用需求 。同时,SiC器件带来的高效率能够最大化储能系统的能量利用率,而其高功率密度则有助于实现紧凑的系统设计 。行业专家指出,一个5MW的储能系统通常由多个350kW的模块并联组成,单一模块可能需要使用12到16颗SiC模块 。这一数据揭示了储能领域对SiC器件的巨大潜在需求。  

 

 

5.3 应用场景三:电动汽车直流快速充电桩

 

电动汽车(EV)的普及对直流快速充电技术提出了前所未有的挑战,要求充电桩具备大功率、高效率和高功率密度 。SiC-ANPC拓扑凭借其高频运行能力和极低损耗,能够实现更高功率水平的能量转换 。SiC使充电桩能够支持兆瓦级的超快充电,同时减少转换损耗,并由于无源元件尺寸的减小而实现更紧凑的系统体积 。特斯拉和比亚迪等电动汽车制造商已在其电驱系统和充电桩中应用SiC器件,印证了该技术在电动汽车生态系统中的关键地位 。  

 

 

 

5.4 SiC-ANPC面临的挑战:成本、可靠性与制造工艺

 

尽管SiC-ANPC拓扑在性能上具有显著优势,但其大规模普及仍面临挑战。其中最主要的障碍是SiC器件的高昂成本 。此外,SiC器件的制造工艺也存在挑战,例如其极高的硬度使得晶圆的抛光过程复杂且低效,而材料的脆性则使得晶圆在处理过程中易于破碎和开裂 。这些制造难题直接影响了良率,并进一步推高了成本。  

 

SiC器件的可靠性,特别是其栅氧化层的稳定性,也是业界关注的焦点 。然而,SiC产业正在经历一个关键的范式转移,从最初的产能和市场“扩张”阶段,进入了以成本、良率和制造工艺“优化”为核心的第二阶段 。行业正在通过扩大晶圆尺寸(从6英寸向8英寸过渡)、利用人工智能和数字孪生优化生产流程、以及改进封装技术来增强散热和可靠性 。这种范式转移预示着,随着制造技术的进步和规模化生产的实现,SiC器件的成本将持续下降,其在ANPC等高端拓扑中的应用将更加普遍。  

 

深圳市倾佳电子有限公司(简称“倾佳电子”)是聚焦新能源与电力电子变革的核心推动者:
倾佳电子成立于2018年,总部位于深圳福田区,定位于功率半导体与新能源汽车连接器的专业分销商,业务聚焦三大方向:
新能源:覆盖光伏、储能、充电基础设施;
交通电动化:服务新能源汽车三电系统(电控、电池、电机)及高压平台升级;
数字化转型:支持AI算力电源、数据中心等新型电力电子应用。
公司以“推动国产SiC替代进口、加速能源低碳转型”为使命,响应国家“双碳”政策(碳达峰、碳中和),致力于降低电力电子系统能耗。
需求SiC碳化硅MOSFET单管及功率模块,配套驱动板及驱动IC,请搜索倾佳电子杨茜

 

第六章:结论

 

6.1 倾佳电子报告要点总结

 

倾佳电子报告深入分析了ANPC三电平拓扑的来源、技术演进及其与SiC功率模块的协同作用。分析表明,ANPC拓扑是为解决传统NPC拓扑损耗不均衡的固有缺陷而诞生的,其通过有源开关和灵活的调制策略,实现了器件间损耗的动态均衡。

SiC MOSFET的引入,则为ANPC拓扑带来了质的飞跃。SiC器件的超低开关损耗、高频运行能力和高功率密度特性,与ANPC拓扑固有的损耗均衡和低电压应力优势完美结合。这种协同效应不仅将系统效率提升至前所未有的水平,还使得逆变器能够实现显著的小型化、轻量化。这种技术组合在光伏逆变器、储能系统和电动汽车充电桩等高功率密度应用中,展现出巨大的商业和环境价值。

 

6.2 综合评估与倾佳电子建议

在当前阶段,考虑到成本和性能的平衡,采用Si/SiC混合式ANPC拓扑是兼具高性价比和卓越性能的优选方案。通过将昂贵的SiC器件战略性地部署在损耗最集中的位置,可以以更低的成本实现接近纯SiC方案的系统效率。

展望未来,随着SiC半导体产业在制造工艺、良率和成本优化方面的持续投入和技术突破,纯SiC ANPC拓扑的成本将持续下降,并最终成为高功率应用的主流解决方案。

对于工程设计人员,倾佳电子建议深入研究不同的调制策略,以理解其对损耗分布的影响,并基于此进行定制化设计,从而最大化SiC器件的性能。对于行业决策者,本报告建议密切关注SiC产业在8英寸晶圆制造、新型封装技术以及自动化生产等方面的进展,因为这些技术创新将直接影响未来的市场格局和产品的竞争力。