倾佳电子桥式电路:从经典测量工具到现代功率转换核心的演进与技术解析

156 阅读20分钟

倾佳电子桥式电路:从经典测量工具到现代功率转换核心的演进与技术解析

倾佳电子(Changer Tech)是一家专注于功率半导体和新能源汽车连接器的分销商。主要服务于中国工业电源、电力电子设备和新能源汽车产业链。倾佳电子聚焦于新能源、交通电动化和数字化转型三大方向,并提供包括IGBT、SiC MOSFET、GaN等功率半导体器件以及新能源汽车连接器。

倾佳电子杨茜致力于推动国产SiC碳化硅模块在电力电子应用中全面取代进口IGBT模块,助力电力电子行业自主可控和产业升级!

倾佳电子杨茜咬住SiC碳化硅MOSFET功率器件三个必然,勇立功率半导体器件变革潮头:

倾佳电子杨茜咬住SiC碳化硅MOSFET模块全面取代IGBT模块和IPM模块的必然趋势!

倾佳电子杨茜咬住SiC碳化硅MOSFET单管全面取代IGBT单管和大于650V的高压硅MOSFET的必然趋势!

倾佳电子杨茜咬住650V SiC碳化硅MOSFET单管全面取代SJ超结MOSFET和高压GaN 器件的必然趋势!

1. 倾佳电子引言:桥式电路的演进与核心价值

桥式电路作为一种基础且用途广泛的拓扑结构,其历史渊源深厚,可追溯至19世纪的电学测量领域。它最初并非被设计用于大规模的能量转换,而是作为一种精密测量工具而诞生。1833年,塞缪尔·亨特·克里斯蒂(Samuel Hunter Christie)发明了这一电路,后于1843年由查尔斯·惠斯通(Charles Wheatstone)加以改进和推广,并以他的名字命名为惠斯通电桥(Wheatstone bridge) 。这一早期应用的核心理念在于利用电路的平衡特性来精确测量未知电阻,这奠定了“电桥”这一概念的最初内涵:通过四臂电路的对称性来完成精密的差分测量 。  

 

然而,这一基础架构的内在价值远超其最初的构想。随着电力电子技术的发展,桥式电路因其固有的对称性、灵活的开关控制以及实现双向能量流动的能力,在功率转换领域找到了更广阔的应用。它已成为现代电能转换系统中的核心基石,广泛应用于光伏逆变器、储能系统、电动汽车充电桩和电机驱动器等对效率和功率密度有严苛要求的高性能场景 。桥式电路的核心价值在于能够实现对电能的精确、高效控制,满足现代社会对清洁能源、高效能电力传输和智能电力系统日益增长的需求。  

 

倾佳电子报告旨在提供一个全面且深入的分析,首先追溯桥式电路从测量工具到功率转换器的演变历程,随后深入剖析其核心技术特性与不同拓扑的优缺点,并重点解析上管与下管在其中的关键作用和工程挑战。最后,将探讨宽禁带半导体技术(SiC/GaN)等前沿技术如何进一步革新这一领域,并展望其在未来的发展前景。本报告的核心论点在于,桥式电路的生命力源于其灵活的拓扑结构与可控性,而其持续的技术进步始终围绕“提高效率”、“降低损耗”和“提升功率密度”这三大主轴展开。

 

2. 桥式电路的起源与类型溯源

 

 

2.1 惠斯通电桥:测量与平衡的艺术

 

惠斯通电桥是桥式电路概念的滥觞,其设计初衷是用于精确测量电阻 。它的基本结构由四个电阻臂组成,形成一个菱形或“桥”状,其中一个电阻是待测元件,另外三个是已知电阻或可变电阻 。其工作原理是利用两个并联的电压分压器来产生一个差分电压输出 。当电桥达到平衡状态时,即对角线上的两个电阻比值相等时,桥路输出端(通常连接有检流计或电压表)的电压差为零 。通过调节可变电阻使电桥平衡,即可根据已知的三个电阻值计算出未知电阻的精确值。  

在现代应用中,惠斯通电桥常与差分放大器结合使用,以将微小的电阻变化(例如来自应变片、热敏电阻或压力传感器的变化)转换为可用的电压信号 。这种组合有效解决了电桥输出本身是差分信号、且共模电压等于电源电压一半所带来的测量挑战 。通过使用仪表放大器,可以轻松放大两个电压分压器之间的微小差异,将其转换为以地为参考的信号,从而避免了共模电压变化对测量的影响,并提高了精度 。  

 

2.2 整流桥:从机械到固态的功率转换

 

在固态半导体技术问世之前,电能的整流转换是一个复杂且效率低下的过程。早期的整流器形式多样,包括通过同步电机驱动机械触点来实现电流换向的机械整流器,以及依赖真空管(如闸流管)的电子整流器 。这些方案普遍存在噪音大、需要高维护、电流密度低且无法处理高频等固有缺点 。  

 

电力电子领域的重大突破发生于固态二极管整流桥的发明。该电路于1895年由卡罗尔·波拉克(Karol Pollak)申请专利,并在1897年由莱奥·格拉茨(Leo Graetz)独立发布,故至今仍有时被称为“格拉茨电路” 。该电路仅需四个二极管便能将两线制交流电输入转换为固定的直流输出,实现全波整流 。相较于需要中心抽头变压器的两二极管整流方案,整流桥显著降低了成本、体积和重量,为电力电子技术的大规模应用奠定了基础 。  

 

2.3 H桥:双向控制与逆变器的核心

H桥,因其在电路图上形似字母“H”的结构而得名 ,是现代功率转换中最基础的拓扑之一。它由四个开关管(可以是继电器、BJT、MOSFET或IGBT)构成,用于控制施加于负载上的电压极性 。  

 

H桥最经典的应用是作为直流电机驱动器。通过控制对角线上的两对开关管交替导通,可以改变流经直流电机的电流方向,从而实现电机的正向或反向旋转 。此外,通过控制开关的开/关状态,H桥还能实现对电机的“制动”和“自由滑行”等多种工作模式 。  

 

作为逆变器,H桥是单相全桥逆变器的基本拓扑结构 。通过以特定频率交替导通对角线上的开关对,H桥能将直流电压源转换为交变方波电压,这是不间断电源(UPS)和光伏逆变器等系统的核心功能 。  

 

3. 桥式电路的技术特性与拓扑比较

3.1 基本电学特性分析

 

桥式电路的性能主要由其损耗、控制方式及谐波特性决定。一个理想的桥式电路应具备高效率、低损耗和高质量的输出波形。

损耗构成: 桥式电路中的总损耗主要由两部分组成:

导通损耗: 当开关管处于导通状态时,其内部存在一定的等效电阻(RON​),电流流经此电阻时会产生热量损耗,其大小与电流的平方成正比 。  

 

开关损耗: 在开关管的开通和关断过程中,电压和电流无法瞬时完成转换,导致在转换的瞬间存在电压和电流的交叠,从而产生能量损耗 。开关损耗与开关频率成正比,在需要高频运行的应用中尤为显著 。  

 

脉冲宽度调制(PWM)与谐波: PWM是控制逆变器输出电压的核心技术 。它通过调整一系列脉冲信号的宽度来控制输出电压的平均值,从而合成出接近正弦波的电压波形 。PWM调制的质量直接影响输出波形的谐波含量。谐波是输入或输出波形中频率为基波频率整数倍的额外正弦分量 。高次谐波会引起多种问题,包括电缆过热、电机振动和噪音、以及对敏感电子设备的损害 。因此,通过PWM技术降低总谐波失真(THD)对于提升系统效率和可靠性至关重要 。  

 

3.2 主流拓扑的详细对比

半桥与全桥: 半桥逆变器由两个开关管和两个电容组成,其输出电压的峰值仅为直流输入电压的一半(±VDC​/2) 。而全桥逆变器则使用四个开关管,输出电压峰值与直流输入电压相同(  ±VDC​) 。由于能够充分利用输入电压,全桥逆变器通常具有更高的功率处理能力和效率 。这使得全桥拓扑成为1kW以上超大功率开关电源电路的理想选择 。  

 

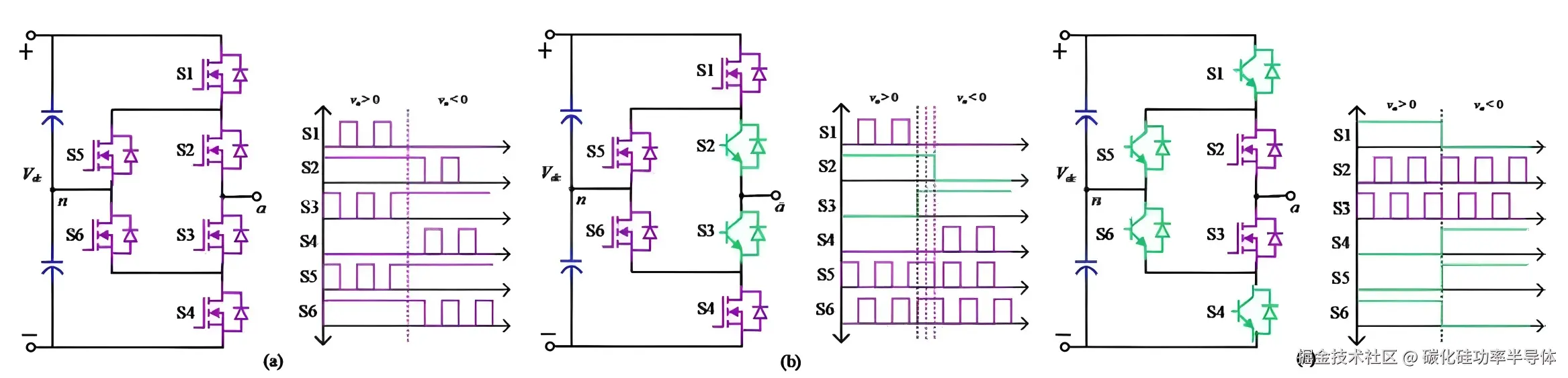
中点钳位(NPC)与有源中点钳位(ANPC): 三电平中点钳位(Neutral Point Clamped, NPC)变流器自1980年提出以来,已广泛应用于中高压大功率领域 。然而,其主要缺点在于开关器件间的损耗分布不均衡,这限制了其在大功率应用中的性能和可靠性 。有源中点钳位(Active Neutral Point Clamped, ANPC)拓扑应运而生,其核心改进在于用主动开关器件取代了NPC拓扑中的中点钳位二极管 。  

ANPC拓扑的核心优势:损耗均衡与效率提升: ANPC拓扑的最大价值在于其冗余的开关模态,这为控制算法提供了动态调整高频开关路径的能力,从而实现器件间损耗的重新分配和平衡 。通过在不同调制策略(如ANPC-1和ANPC-2)之间切换,可以灵活地将高频开关损耗分配给不同的开关管 。例如,ANPC-1模式采用短换流回路,让外管和钳位管工作在高频;而ANPC-2模式采用长换流回路,让内管工作在高频 。这种损耗均衡不仅提高了系统效率,也显著改善了热性能和可靠性 。  

 

 

特性\拓扑半桥逆变器全桥逆变器三电平ANPC逆变器
开关管数量246 (每相)    
电容数量2 (中点电容)    02+ (母线电容)    
输出电平3 (±V/2,0)3 (±V,0)5 (ANPC-5L) 或更多    
输出电压峰值VDC​/2    VDC​    VDC​
功率能力低功率应用    1kW以上    中高功率应用    
主要优点结构简单,成本低    高功率密度,效率高    损耗均衡,效率高,谐波低    
主要缺点功率密度低,需中点电容    开关管数量多,控制复杂    拓扑和控制复杂,成本相对较高
典型应用小功率电源高功率逆变器,UPS    光伏逆变器,储能系统,电机驱动    

 

4. 上管与下管的深度解析

4.1 基本功能与驱动原理

在一个桥臂电路中,根据开关管所连接的位置,它们被定义为上管(High-side switch)和下管(Low-side switch)。上管连接至电源的正极,而下管连接至地(GND) 。尽管它们在电路中功能对称,但在驱动方式上存在根本性差异。  

 

下管的驱动相对简单,因为其源极(Source)始终保持在地的电位。这意味着其栅极(Gate)驱动电压的参考点是固定的,可以直接由控制电路或简单的栅极驱动器提供 。  

 

然而,上管的驱动则面临着一个重要的技术挑战。上管的源极电位不是固定的,而是随着开关状态的切换在0V到直流母线电压之间“浮动” 。为了使上管导通,其栅极-源极间电压(  VGS​)必须始终高于导通阈值 。因此,驱动上管需要一个能够“浮动”的辅助电源,该电源能跟随源极电位变化,并为其提供一个高于源极电位约10V-15V的驱动电压 。  

 

 

4.2 驱动器与保护机制

 

为了应对上管的驱动挑战,工程师们开发了多种解决方案,其中最常见且经济的是自举电路(Bootstrap circuit) 。自举电路利用一个二极管和一个电容(自举电容)来为高边驱动电路提供浮动电源。其工作原理是在下管导通时,自举电容被充电。随后,当需要驱动上管时,电容上存储的电荷被释放,为上管的栅极提供所需的驱动电压 。  

 

然而,这种方法的固有局限性在于,自举电容的充电依赖于低边开关的导通。如果上管需要长时间保持导通(例如在PWM占空比接近100%时),自举电容将无法得到及时充电,其电压会逐渐下降 。这可能导致上管的栅极驱动电压不足,使其从全导通状态进入高损耗的线性工作区,进而因过热而损坏 。这一内在缺陷使得自举电路不适用于需要连续高占空比工作的应用,体现了工程设计中在“简单、低成本”与“功能限制”之间的经典权衡。  

 

对于需要更高可靠性或无占空比限制的应用,通常采用隔离式栅极驱动器 。这种驱动器通过电容、磁性或光耦合等方式,将低压控制侧的信号和电源与高压功率侧完全隔离 。尽管隔离式驱动器提供了优越的保护,但在高频、高压应用中,它们也面临着一个潜在的风险,即共模瞬态抗扰度(CMTI)问题。在高电压开关转换时,其极高的电压变化率(  dV/dt)会通过寄生电容,将高频噪声耦合到隔离屏障另一侧的控制信号上 。如果驱动器的CMTI指标不足,这种耦合噪声可能被误判为驱动信号,导致开关管意外导通,进而引发电源直通短路并损坏器件 。因此,CMTI已成为衡量现代栅极驱动器性能的关键指标。这表明在追求极致性能时,工程师必须关注那些看似次要的寄生效应所带来的挑战。  

 

除了驱动挑战,所有半桥和全桥设计都必须考虑“直通”风险。为了防止桥臂上的上管和下管在切换瞬间同时导通而造成电源短路,必须在两个开关之间设置一个短暂的“死区时间”(Dead Time),在此期间两个开关都处于关断状态,以确保安全可靠的运行 。  

 

 

4.3 电压与电流应力分析

在两电平桥式电路中,上管和下管在关断时都必须承受整个直流母线电压的应力 。然而,多电平拓扑(如ANPC)通过将总电压分解为多个电平,显著降低了单个开关管所承受的电压应力,允许使用更低电压等级、更快速的开关管 。  

 

对于电机或电感负载,当开关管关断时,负载电流由于电感特性无法立即中断。此时,电流会通过与开关管并联的续流二极管(或MOSFET的体二极管)形成新的路径 。如果续流二极管的性能不佳(例如反向恢复损耗高),会给开关管带来额外的应力,影响系统效率和可靠性。  

 

5. 宽禁带半导体(SiC/GaN)的变革性影响

 

 

5.1 SiC与GaN的材料优势

 

碳化硅(SiC)和氮化镓(GaN)等宽禁带(Wide-bandgap, WBG)半导体材料的出现,正在革新桥式电路的设计与性能。相比传统的硅(Si)器件,它们具有更高的禁带宽度、更高的临界电场强度和更优异的导热率 。这些材料特性带来了显著的系统性能提升:  

 

更高的效率: SiC和GaN器件具有极低的开关损耗和导通损耗 。例如,使用SiC器件的逆变器效率可超过99% ,平均比硅器件高出0.5%至1% 。  

更高的开关频率: SiC和GaN支持数十乃至上百kHz的开关频率 。这使得无源滤波元件(电感、电容)的尺寸和重量得以大幅减小 。  

 

更高的功率密度与更小的散热系统: 更低的损耗意味着更少的热量产生,从而可以使用体积更小、成本更低的散热系统 ,最终实现系统整体功率密度的显著提升。  

 

 

特性硅(Si)碳化硅(SiC)氮化镓(GaN)
禁带宽度 (Eg​)1.12 eV3.26 eV    3.4 eV    
临界电场 (Ecrit​)0.3 MV/cm3 MV/cm    3.3 MV/cm
导热率1.5 W/cm·K3.3 W/cm·K    1.3 W/cm·K
开关速度快    极快
导通损耗较高低    极低
开关损耗较高极低    极低
耐温能力较低高    
成本较高(正在下降)    较高

 

5.2 混合型ANPC拓扑(H-ANPC)

 

尽管SiC性能卓越,但其成本仍是传统硅器件的数倍 。为了平衡成本与性能,混合型ANPC(Hybrid-ANPC, H-ANPC)拓扑应运而生。这种方案利用了不同材料的优势,将SiC器件部署在承受高频开关损耗的桥臂上,而将成本更低的硅-IGBTs用于承受导通损耗的桥臂 。  

 

不同的调制策略能最大化这种混合方案的优势。例如,ANPC-2策略通过让内管工作在高频模式,可最大程度地发挥SiC器件的低开关损耗优势 。实验表明,这种2-SiC混合型ANPC拓扑在45kHz频率下的效率可高达99%,相比纯硅方案平均高出0.5%至1% 。  

 

 

6. 现代桥式电路应用与未来展望

 

6.1 核心应用场景

 

光伏逆变器与储能系统: 桥式拓扑是光伏逆变器和储能系统的关键核心。在光伏系统中,它将太阳能电池板的直流电转换为电网所需的交流电 。在储能系统中,双向桥式拓扑可实现电池的高效充放电管理 ,有助于通过调峰填谷来提高电网的灵活性和可再生能源的利用率 。  

 

电动汽车(EV)电驱系统与快充桩: SiC-ANPC拓扑已成为电动汽车高压电驱系统和兆瓦级快充桩的理想选择 。SiC器件能够将电驱系统的功率损耗降低高达80%,从而使电动汽车的续航里程延长约10% 。同时,多电平ANPC拓扑在1500V直流母线系统中的应用,显著降低了对开关器件的电压应力,使得系统可以采用更低电压等级、更易获得的SiC功率模块,从而降低了整体成本和技术门槛 。  

 

6.2 未来趋势:从优化到智能,AI与数字孪生的作用

桥式电路的未来发展将不再局限于单一的硬件升级,而是硬件、材料、控制算法和系统智能化的深度融合。

供应链与成本优化: 随着SiC晶圆尺寸从6英寸向8英寸过渡,以及生产工艺的成熟,SiC器件的制造成本将显著下降,加速其在主流市场的渗透 。未来可能会出现一个由专注于晶圆生产、芯片制造和模块组装的专业化公司构成的协作网络,通过分工协作进一步优化成本 。  

 

智能控制与可靠性: 结合人工智能(AI)和数字孪生技术,可以对储能系统中的电芯健康状态进行实时监测,并优化制造流程 。在电力电子系统中,ANPC拓扑的损耗均衡能力就是一个软件控制算法解决硬件热应力问题的典型范例 。未来,AI和数字孪生将进一步深化这一趋势,通过实时分析和预测,智能地调整控制策略,实现对器件电压、电流和热应力的动态管理,从而在整个生命周期内最大化效率和可靠性 。这标志着电力电子领域正在从传统的硬件创新驱动,转向由硬件与软件协同驱动的新范式。  

深圳市倾佳电子有限公司(简称“倾佳电子”)是聚焦新能源与电力电子变革的核心推动者:
倾佳电子成立于2018年,总部位于深圳福田区,定位于功率半导体与新能源汽车连接器的专业分销商,业务聚焦三大方向:
新能源:覆盖光伏、储能、充电基础设施;
交通电动化:服务新能源汽车三电系统(电控、电池、电机)及高压平台升级;
数字化转型:支持AI算力电源、数据中心等新型电力电子应用。
公司以“推动国产SiC替代进口、加速能源低碳转型”为使命,响应国家“双碳”政策(碳达峰、碳中和),致力于降低电力电子系统能耗。
需求SiC碳化硅MOSFET单管及功率模块,配套驱动板及驱动IC,请搜索倾佳电子杨茜

 

6.3 倾佳电子总结:桥式电路的核心价值与持续创新

 

桥式电路作为一种跨越百年的基础拓扑结构,其核心价值在于其固有的对称性和差分特性,使其能够灵活应用于从精密测量到大功率能量转换的广泛领域。在电力电子时代,其灵活的拓扑变体(如半桥、全桥、多电平ANPC)以及与宽禁带半导体材料(SiC/GaN)的结合,使其性能边界不断被拓宽。

从解决传统硅器件的效率和功率密度瓶颈,到应对高压系统中的电压应力挑战,桥式电路的每一次演进都精准地回应了行业的核心痛点。展望未来,随着新材料、先进拓扑、智能控制以及AI等技术的深度融合,桥式电路将继续在电动汽车、可再生能源和智能电网等关键领域发挥不可或缺的作用,成为推动社会向更高效、更可持续能源系统转型的重要驱动力。