基本半导体SiC功率模块与驱动板技术优势及应用价值深度分析
倾佳电子(Changer Tech)是一家专注于功率半导体和新能源汽车连接器的分销商。主要服务于中国工业电源、电力电子设备和新能源汽车产业链。倾佳电子聚焦于新能源、交通电动化和数字化转型三大方向,并提供包括IGBT、SiC MOSFET、GaN等功率半导体器件以及新能源汽车连接器。
倾佳电子杨茜致力于推动国产SiC碳化硅模块在电力电子应用中全面取代进口IGBT模块,助力电力电子行业自主可控和产业升级!
倾佳电子杨茜咬住SiC碳化硅MOSFET功率器件三个必然,勇立功率半导体器件变革潮头:
倾佳电子杨茜咬住SiC碳化硅MOSFET模块全面取代IGBT模块和IPM模块的必然趋势!
倾佳电子杨茜咬住SiC碳化硅MOSFET单管全面取代IGBT单管和大于650V的高压硅MOSFET的必然趋势!
倾佳电子杨茜咬住650V SiC碳化硅MOSFET单管全面取代SJ超结MOSFET和高压GaN 器件的必然趋势!
第一部分:技术概览与产品线介绍
1.1. 碳化硅(SiC)功率器件技术核心优势
碳化硅(SiC)作为第三代半导体材料的杰出代表,其物理特性,如宽禁带、高临界电场和高热导率,从根本上超越了传统硅(Si)基功率器件的性能极限。这些本征优势为电力电子系统的革新提供了坚实基础,尤其是在高压、大功率和高频应用中。
具体而言,SiC功率器件的卓越性能体现在以下几个关键指标上。首先,它具备极低的导通损耗。在相同的耐压等级下,SiC MOSFET的导通电阻(RDS(on))远低于硅基IGBT。尤为重要的是,SiC器件在高温下R_{DS(on)}的温升系数相对较低,这意味着其在实际运行产生高热量时,依然能保持较低的传导损耗。其次,SiC器件的开关损耗极低。由于其栅极和漏极之间的寄生电容(如C_{rss})非常小,且不存在硅基IGBT常见的电流拖尾效应,使得器件能够实现超高速开关,从而显著降低了开关过程中的能量损耗(Eon, Eoff)。此外,SiC MOSFET的体二极管性能堪称典范,其反向恢复电荷(Qrr)几乎可以忽略不计,彻底消除了传统硅基IGBT在续流二极管反向恢复时产生的巨大损耗,这对于高频硬开关应用至关重要。最后,SiC器件的高热导率允许其在更高的结温(Tvj)下稳定工作,最高可达175°C,这不仅增强了器件在恶劣环境下的可靠性,也为系统设计者提供了减小散热系统体积和重量的可能。
1.2. 基本半导体SiC功率模块产品线深度解析
基本半导体针对不同的功率需求,推出了62mm标准封装的系列SiC半桥模块,其中BMF360R12KA3和BMF540R12KA3是其工业级产品线的核心。
BMF360R12KA3模块定位为高压、中大功率应用。该模块的耐压等级为1200V,在90°C壳温下可支持360A的连续电流,其芯片典型导通电阻(RDS(on))低至3.7 mΩ(@ 25∘C,VGS=18V)。在动态性能方面,该模块在25°C下展现出极快的开关速度,开通能量( Eon)和关断能量(Eoff)分别为7.6 mJ和3.9 mJ,这使其在高频硬开关应用中具备显著优势。其体二极管的反向恢复性能同样出色,反向恢复电荷(Qrr)为1.7 µC,反向恢复能量(Err)仅为0.4 mJ 。在封装层面,该模块采用62mm标准尺寸,内部使用 Si3N4陶瓷基板和铜基板,热阻(Rth(j−c))为0.11 K/W,确保了出色的热管理能力。
BMF540R12KA3模块则代表了更高功率密度方向的旗舰产品。同样采用1200V耐压、62mm封装,其连续电流能力提升至540A(@ 90°C壳温),芯片导通电阻进一步降低至2.5 mΩ(@ 25∘C,VGS=18V)。这种额定电流和导通电阻的提升,表明其内部并联了更多的SiC芯片裸片。这一设计选择带来了产品性能上的连锁变化。由于芯片数量的增加,模块的总门极电荷( QG)从BMF360R12KA3的880 nC上升至1320 nC 。门极电荷的增加直接导致了开关能耗的提高,BMF540R12KA3在25°C下的开通能量( Eon)和关断能量(Eoff)分别为14.8 mJ和11.1 mJ 。为了应对更高的功率和随之产生的热量,模块的热管理设计也进行了优化,其结壳热阻( Rth(j−c))降至0.07 K/W 。这种热阻的显著降低是实现高电流等级和高功率密度的关键,体现了产品设计的深厚工程实力。
下表总结了BMF360R12KA3与BMF540R12KA3模块的核心参数,为用户提供清晰的横向对比。
| 参数 | BMF360R12KA3 | BMF540R12KA3 | 单位 |
|---|---|---|---|
| VDSS | 1200 | 1200 | V |
| ID (TC=90∘C) | 360 | 540 | A |
| RDS(on) (typ. @ chip, 25∘C) | 3.7 | 2.5 | mΩ |
| QG (typ.) | 880 | 1320 | nC |
| Eon (typ. @ 25∘C) | 7.6 | 14.8 | mJ |
| Eoff (typ. @ 25∘C) | 3.9 | 11.1 | mJ |
| Rth(j−c) | 0.11 | 0.07 | K/W |
| 封装尺寸 | 62mm 半桥 | 62mm 半桥 | - |
Export to Sheets
1.3. 基本半导体SiC模块配套驱动板解决方案
为了充分发挥SiC功率模块的性能并确保系统可靠运行,基本半导体提供了与其模块紧密配套的驱动板解决方案。这些驱动板并非通用产品,而是根据不同模块的电气特性量身定制的。
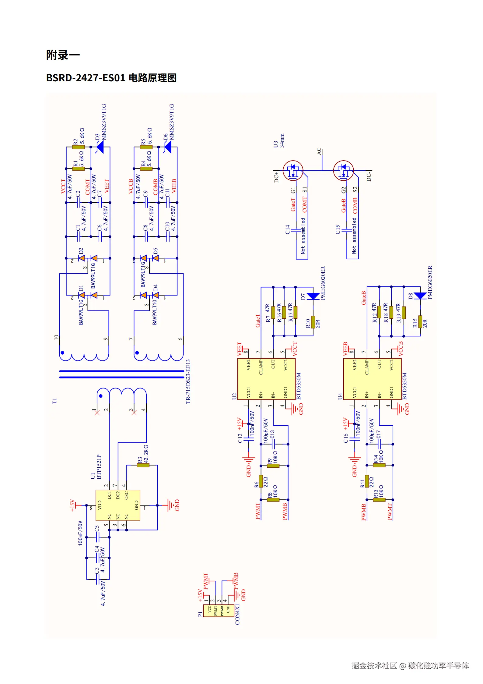
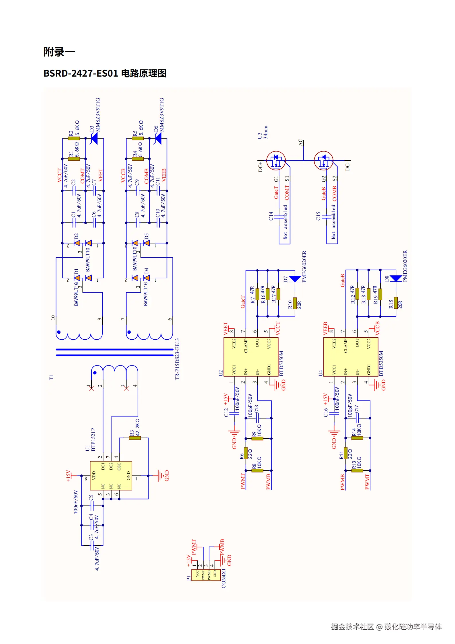
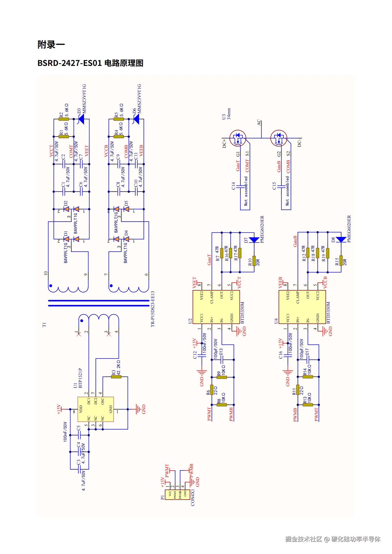
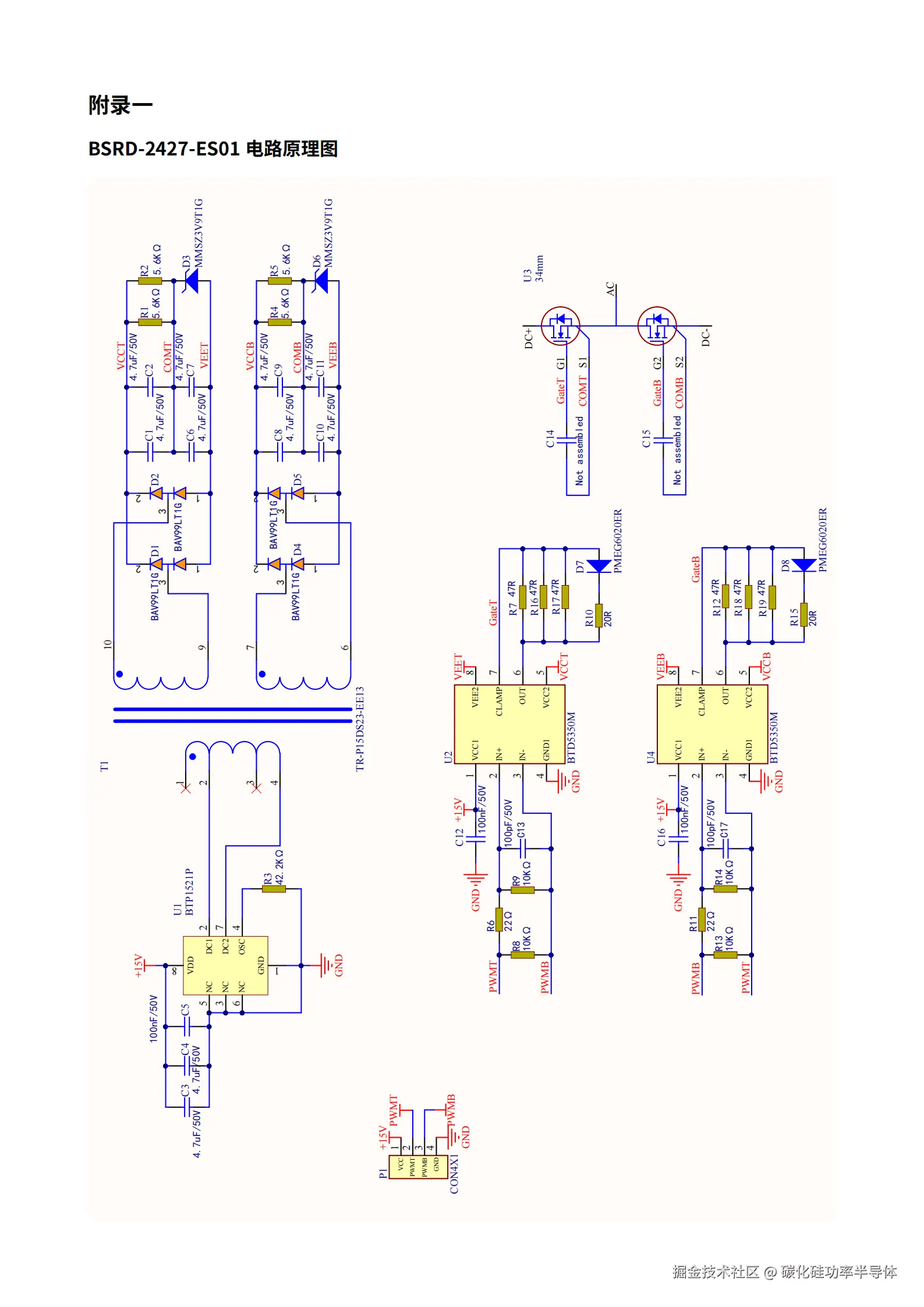
BSRD-2427-ES01是一款专为34mm SiC半桥模块设计的双通道隔离驱动板。其最高耐压为1200V,单通道驱动功率为1W,峰值电流可达±10A。该驱动板的核心特性在于其高度集成化,内置隔离DC/DC电源、原边/副边电源欠压保护(UVLO)和米勒钳位(Miller Clamp)功能。它适用于中等功率等级的工业应用,如SiC逆变焊机和感应加热等。
BSRD-2503-ES01驱动板则专门针对62mm大功率模块设计。其最高耐压同样为1200V,但为了匹配更大功率模块的门极驱动需求,其单通道驱动功率提升至2W,峰值电流能力保持在±10A。此外,该驱动板支持高达300kHz的开关频率。其共模瞬态抗扰度(CMTI)高达150 kV/µs,确保了在高 dv/dt开关环境下,PWM控制信号能够稳定、无误地传输。与BSRD-2427-ES01一样,该驱动板也集成了米勒钳位功能,其启动阈值电压为2.2V,钳位峰值电流能力为10A 。
驱动板的设计与功率模块的电气特性存在着紧密的内在联系。例如,62mm模块(如BMF540R12KA3)的总门极电荷(QG)远大于34mm模块,在高频下驱动如此大的容性负载,需要更大的瞬时驱动功率。因此,BSRD-2503-ES01的驱动功率被设计为2W,是BSRD-2427-ES01(1W)的两倍,且支持更高的开关频率。这表明驱动板的功率和频率设计是根据其目标功率模块的物理特性量身定制的,是实现SiC模块高频高效运行的必要前提。
下表对比了这两款驱动板的核心参数,展示了它们在不同应用场景下的适配范围和性能差异。
| 参数 | BSRD-2427-ES01 | BSRD-2503-ES01 | 单位 |
|---|---|---|---|
| 适用模块尺寸 | 34mm | 62mm | mm |
| 功率器件最高电压 | 1200 | 1200 | V |
| 单通道驱动功率 | 1 | 2 | W |
| 峰值电流能力 | ±10 | ±10 | A |
| 最高开关频率 | 80 | 300 | kHz |
| CMTI | 150 | 150 | kV/µs |
| 集成功能 | 隔离DC/DC、UVLO、米勒钳位 | 隔离DC/DC、UVLO、米勒钳位 | - |
Export to Sheets
第二部分:核心技术优势与性能评估
2.1. 超低损耗特性分析
基本半导体的SiC模块在关键性能指标上展现出强大的竞争优势,尤其是在高温和动态开关条件下。
在导通损耗方面,BMF540R12KA3的芯片导通电阻在25℃时为2.5 mΩ,而在175℃高温下为4.3 mΩ。与其竞争对手CREE的CAB530M12BM3相比,后者在25℃时的导通电阻为1.92 mΩ,在150℃时为3.48 mΩ。尽管在室温下,竞争产品略有优势,但在实际高功率应用中更常见的高温工作条件下,基本半导体产品的性能展现出更强的竞争力。分析表明,随着结温升高,BMF540R12KA3的导通电阻温升系数可能更优,导致其在150℃下电阻值(3.40 mΩ)已经低于竞争对手(3.48 mΩ)。这对于实际应用具有重要意义,因为它意味着在同样的工作温度下,基本半导体模块的导通损耗更低,直接转化为更高的系统效率和更小的热管理负担。
在动态开关性能上,基本半导体的模块同样表现出色。BMF540R12KA3的内部栅极电阻(RG(int))在25°C时约为2.5 Ω,明显低于竞争对手CREE的3.54 Ω到3.93 Ω。同时,其输入电容( Ciss)和反向传输电容(Crss)值也相对较低。这些参数的优化是实现超快开关速度的物理基础。门极驱动回路的时间常数由门极电阻和门极电容共同决定,因此更低的内部栅极电阻和寄生电容意味着门极可以被更快地充放电。双脉冲测试结果证实了这一点,BMF540R12KA3的开通延时( td(on))和上升时间(tr)均优于竞品。这种快速开关能力使得模块能够实现更高的 di/dt,从而在相同条件下,产生更低的开通和关断损耗,允许系统工作在更高的开关频率。
SiC器件的体二极管反向恢复性能也是其损耗分析中的关键一环。BMF360R12KA3在25℃下的反向恢复电荷(Qrr)和能量(Err)分别为1.7 µC和0.4 mJ。然而,该性能会随着温度升高而发生变化。例如,BMF540R12KA3在175℃下的 Qrr(9.5 µC)和峰值反向恢复电流(Irrm)(338 A)远高于25℃时(2.7 µC,152 A)。这表明即使是SiC器件,在高温下其体二极管的反向恢复损耗也并非可以完全忽略。因此,在进行高频硬开关应用设计时,工程师必须将不同结温下的反向恢复特性纳入考量,进行精确的损耗计算和热管理设计。
下表详细对比了BMF540R12KA3与竞品在关键静态和动态参数上的表现,提供了量化的选型依据。
| 参数 | BMF540R12KA3 | CREE CAB530M12BM3 | 单位 |
|---|---|---|---|
| BVDSS (25∘C) | 1596 / 1591 | 1530 / 1470 | V |
| RDS(on) (150∘C) | 3.63 / 3.40 | 3.34 / 3.48 | mΩ |
| RG(int) (25∘C) | 2.47 / 2.50 | 3.54 / 3.93 | Ω |
| Ciss (25∘C) | 33.95 / 33.85 | 41.86 / 41.69 | nF |
| Crss (25∘C) | 53.02 / 92.14 | 57.14 / 85.42 | pF |
| td(on) (25∘C, 270A) | 106.6 / 108.2 | 127.4 / 133.4 | ns |
| tr (25∘C, 270A) | 45.7 / 42.6 | 57.3 / 61.5 | ns |
2.2. 卓越的热管理与高可靠性
封装技术是决定SiC器件能否在实际应用中充分发挥其材料优势的关键环节。基本半导体深知这一点,在其功率模块中采用了多项先进的封装设计来确保长期可靠性。
模块内部采用了高性能的Si3N4陶瓷基板。与传统的Al2O3和AlN材料相比,Si3N4具有更高的抗弯强度(700 N/mm2)和断裂强度(6.0 Mpam),使其不易在剧烈的热应力循环下开裂。实验结果显示,在1000次温度冲击试验后, Si3N4基板仍能保持良好的接合强度,而Al2O3和AlN基板在仅10次试验后就可能出现分层现象。这种优越的机械和热循环性能,使得 Si3N4成为SiC模块在高功率、高热循环应用中的理想选择,从根本上解决了器件的可靠性痛点,确保了模块的长期稳定运行。
此外,模块还采用了铜基板设计以优化热扩散,配合封装内部低至0.07 K/W的热阻,能够迅速将芯片结温产生的热量传递到散热器,有效降低器件的运行温度。低杂散电感设计也是SiC模块性能的关键。该模块的杂散电感被控制在14nH以下。这对于超高频SiC应用至关重要,因为它可以有效抑制开关过程中的电压尖峰,防止器件在高压高速开关下因过压而损坏,从而保证了系统运行的安全性。
2.3. 驱动方案的优化与可靠性增强
米勒钳位(Miller Clamp)功能对于SiC MOSFET而言,从“锦上添花”的辅助功能,已升级为“不可或缺”的保护机制。这源于SiC器件与生俱来的物理特性与桥式电路拓扑的相互作用。
在半桥电路中,当一个开关管(例如上管)开通时,桥臂中点电压会快速上升。这一快速变化的电压(高dv/dt)会通过另一个处于关断状态的开关管(下管)的栅漏寄生电容(Cgd),产生一个米勒电流(Igd)。这个米勒电流流经下管的关断路径,会在门极栅极电阻( Rgoff)上产生一个正向电压。由于SiC MOSFET的门槛电压(VGS(th))普遍较低(典型值2.7V)且随温度升高而下降,同时其高开关速度会产生极高的dv/dt,从而产生更大的米勒电流。这使得下管的门极电压极易被抬升超过门槛电压,导致上下管同时导通,即发生“直通”灾难性失效。
为了解决这一固有的风险,基本半导体的驱动板集成了米勒钳位功能。该功能在SiC MOSFET处于关断状态时,当门极电压降至预设阈值(如2.2V)以下时,会迅速导通一个低阻抗的MOSFET,将门极电位直接钳位到负电源轨。这为米勒电流提供了一条远低于栅极电阻的泄放路径,从而有效抑制门极电压的抬升,防止误导通。将米勒钳位功能集成到驱动板中,基本半导体提供了一套完整的、高度协同的“模块+驱动”解决方案,显著提升了系统在高频、高dv/dt应用下的鲁棒性和可靠性,有效降低了客户的设计风险。
第三部分:典型应用场景下的价值转化
3.1. 工业焊机应用(基于BMF80R12RA3)
通过对20 kW全桥拓扑工业焊机的电力电子仿真数据分析,基本半导体的SiC模块相对于传统IGBT模块的优势得到了量化体现。在仿真中,SiC模块(BMF80R12RA3)的开关频率被提升至80 kHz,而传统IGBT(1200V 100A和150A)的开关频率保持在20 kHz。
仿真结果显示,在相同的20 kW输出功率下,SiC模块的总损耗仅为IGBT模块的一半左右。整机效率从IGBT方案的97.10%显著提升至SiC方案的98.68%,提高了约1.58个百分点。这一效率的提升直接转化为可观的用户价值。首先,高开关频率使得电感、变压器等磁性元器件和滤波电容的体积能够大幅减小,同时,低损耗意味着产生的废热更少,从而可以使用更小、更轻的散热器。这直接解决了工业焊机等设备体积大、重量重、搬运不便的痛点,实现了设备的小型化和轻量化。其次,更快的动态响应速度和更精准的电流控制能力使得焊机能够适应更复杂的焊接工艺,提供更高质量的焊接效果。最后,1.58%的效率提升对于20 kW的设备而言,长期运行将带来显著的节能效果,降低了客户的运营成本。
下表展示了20 kW工业焊机应用中,SiC模块与IGBT模块的仿真数据对比。
| 参数 | BMF80R12RA3 (SiC) | 1200V 100A IGBT | 1200V 150A IGBT | 单位 |
|---|---|---|---|---|
| 拓扑 | 全桥 | 全桥 | 全桥 | - |
| 输出功率 | 20 | 20 | 20 | kW |
| 载波频率 | 80 | 20 | 20 | kHz |
| 导通损耗 | 16.17 | 37.66 | 37.91 | W |
| 开通损耗 | 38.36 | 64.26 | 41.39 | W |
| 关断损耗 | 12.15 | 47.23 | 22.08 | W |
| 总损耗(H桥) | 266.72 | 596.6 | 405.52 | W |
| 整机效率(H桥) | 98.68 | 97.10 | 98.01 | % |
Export to Sheets
3.2. 电机驱动应用(基于BMF540R12KA3)
在母线电压为800V的电机驱动系统仿真中,BMF540R12KA3 SiC模块与传统IGBT模块(英飞凌FF800R12KE7)的性能对比揭示了SiC技术在功率密度和可靠性上的巨大潜力。
在相电流为300 Arms、散热器温度为80°C的工况下,SiC模块在12 kHz开关频率下的系统效率高达99.39%,而IGBT模块在6 kHz频率下效率仅为97.25%。效率的显著提升得益于SiC模块的超低损耗特性。与此同时,SiC模块的最高结温为109.49°C,远低于IGBT模块的129.14°C。在相同的功率输出下,更低的结温意味着更小的热应力,从而延长了器件和整个系统的使用寿命。
此外,在对功率密度的极限探索中,以结温不超过175°C为约束条件,SiC模块在12 kHz频率下可输出520.5 Arms,而IGBT模块在6 kHz下只能输出446 Arms。这一数据表明,在相同的散热和温升约束下,SiC模块的输出功率提升了约16.7%。这一结果证明,SiC技术能够使电机驱动系统在相同体积下提供更高的输出电流和功率。这为电动汽车、工业自动化等领域的设计者带来了革命性的功率密度提升,提供了更大的设计自由度。
3.3. 通用高频应用(储能、光伏、UPS、DC/DC)
除了上述特定应用,基本半导体的SiC功率模块和驱动板解决方案在储能、光伏、不间断电源(UPS)和DC/DC转换器等通用高频应用中也具有显著价值。
SiC模块结合了低导通损耗、极低的开关损耗和优异的体二极管性能,使其能够工作在更高的开关频率下,并有效降低整机损耗。配套驱动板提供的米勒钳位功能和高共模瞬态抗扰度(CMTI)则保证了高频、高dv/dt应用下的系统稳定性。
这些技术优势的综合应用为用户带来了多重价值。首先,更高的开关频率允许使用体积更小、重量更轻的电感和电容,从而实现了逆变器、转换器等设备的小型化和轻量化,便于部署和维护。其次,在储能和光伏等对效率敏感的应用中,每一点效率的提升都意味着更高的能量转化率和更低的运行温度,从而提升了系统的能量密度和整体经济效益。
第四部分:结论与综合建议
4.1. 核心发现总结
本报告深入分析了基本半导体代理的SiC功率模块及配套驱动板的技术特性与应用价值,得出了以下核心结论:
全面的产品矩阵:基本半导体提供了从34mm到62mm封装、不同电流等级的SiC功率模块,并为其量身定制了集成米勒钳位等关键功能的配套隔离驱动板,形成了完整的系统级解决方案。
卓越的器件性能:基本半导体的SiC模块在导通损耗、开关损耗和动态性能上均表现出色,尤其在高温下的导通电阻性能,以及更低的内部栅极电阻和寄生电容方面,与竞争对手相比展现出强大竞争力。
高可靠性封装:通过采用机械强度和热循环可靠性更高的Si3N4陶瓷基板,并配合铜基板和低杂散电感设计,有效解决了SiC器件在高功率、高热循环下的可靠性痛点。
量化的应用价值:通过具体的应用仿真数据,报告量化了SiC模块在工业焊机和电机驱动等领域带来的能效、功率密度和可靠性提升,将其技术优势转化为可衡量的商业价值。
4.2. 产品应用与选型建议
根据不同的应用场景和功率需求,建议用户进行如下产品选型:
对于工业焊机、感应加热等中等功率应用,由于其对设备体积和动态响应速度有较高要求,建议采用BMF360R12KA3模块配合BSRD-2427-ES01驱动板,以实现高频化和小型化设计。
对于电机驱动、储能系统、高功率UPS等大电流应用,由于其追求极致的功率密度和系统效率,建议采用BMF540R12KA3模块配合BSRD-2503-ES01驱动板,以最大化系统的性能优势。
在所有SiC应用的设计中,强烈建议客户采用集成米勒钳位功能的驱动板。由于SiC器件的固有特性(低门槛电压、高dv/dt),米勒钳位功能是防止桥臂“直通”失效、确保系统在超高开关速度下稳定运行的必要保护机制。选择高度协同的“模块+驱动”完整解决方案,将是确保系统鲁棒性、降低设计风险的最佳途径。
深圳市倾佳电子有限公司(简称“倾佳电子”)是聚焦新能源与电力电子变革的核心推动者:
倾佳电子成立于2018年,总部位于深圳福田区,定位于功率半导体与新能源汽车连接器的专业分销商,业务聚焦三大方向:
新能源:覆盖光伏、储能、充电基础设施;
交通电动化:服务新能源汽车三电系统(电控、电池、电机)及高压平台升级;
数字化转型:支持AI算力电源、数据中心等新型电力电子应用。
公司以“推动国产SiC替代进口、加速能源低碳转型”为使命,响应国家“双碳”政策(碳达峰、碳中和),致力于降低电力电子系统能耗。
需求SiC碳化硅MOSFET单管及功率模块,配套驱动板及驱动IC,请搜索倾佳电子杨茜