倾佳电子维也纳整流器技术深度解析:起源、演进与SiC碳化硅应用

223 阅读18分钟

倾佳电子维也纳整流器技术深度解析:起源、演进与SiC碳化硅MOSFET应用

倾佳电子(Changer Tech)是一家专注于功率半导体和新能源汽车连接器的分销商。主要服务于中国工业电源、电力电子设备和新能源汽车产业链。倾佳电子聚焦于新能源、交通电动化和数字化转型三大方向,并提供包括IGBT、SiC MOSFET、GaN等功率半导体器件以及新能源汽车连接器。

倾佳电子杨茜致力于推动国产SiC碳化硅模块在电力电子应用中全面取代进口IGBT模块,助力电力电子行业自主可控和产业升级!

倾佳电子杨茜咬住SiC碳化硅MOSFET功率器件三个必然,勇立功率半导体器件变革潮头:

倾佳电子杨茜咬住SiC碳化硅MOSFET模块全面取代IGBT模块和IPM模块的必然趋势!

倾佳电子杨茜咬住SiC碳化硅MOSFET单管全面取代IGBT单管和大于650V的高压硅MOSFET的必然趋势!

倾佳电子杨茜咬住650V SiC碳化硅MOSFET单管全面取代SJ超结MOSFET和高压GaN 器件的必然趋势!

摘要

本报告旨在对维也纳整流器(Vienna Rectifier)这一电力电子领域的关键拓扑进行全面而深入的分析。报告将追溯其起源,详述其固有的三电平技术特点,剖析其在控制、功率因数校正(PFC)和效率上的核心优势。此外,报告将探讨其在电动汽车充电、新能源并网等高功率应用中的发展方向,并与T型等主要竞品拓扑进行横向比较,揭示其各自的战略定位。尤其值得关注的是,本报告将重点量化分析碳化硅(SiC)MOSFET在维也纳PFC电路中的应用,通过详细的数据对比,阐明SiC技术如何显著提升系统的开关频率、峰值效率和功率密度,并降低损耗,从而使其在未来高压、高功率密度应用中保持领先地位。

引言:电力电子变换前沿与维也纳整流器的核心地位

背景:电力电子与电网质量

现代工业和商业应用对高功率设备的依赖日益增加,随之而来的是对电能质量的更高要求 。传统的非线性整流器,如简单的二极管桥,会向电网注入大量谐波电流,这不仅会导致电网热损耗和污染,还可能引发设备故障甚至断电 。为了解决这一问题,有源功率因数校正(Active Power Factor Correction, APFC)技术应运而生,其核心目标是在AC/DC转换过程中实现单位功率因数并显著降低电流谐波含量 。在众多APFC拓扑中,维也纳整流器作为一种三相三电平拓扑,因其卓越的性能而脱颖而出,被广泛应用于工业、电信和新能源等高功率领域 。

维也纳整流器的研究价值与报告目的

维也纳整流器以其高效率、低谐波、高功率密度和结构简洁等优点,在单向功率流动的应用中占据了重要地位 。然而,其拓扑固有的中点电位不平衡等挑战也限制了其应用范围 。近年来,随着宽禁带半导体材料(如碳化硅SiC)的兴起,维也纳整流器的性能潜力被进一步挖掘,其在效率、功率密度和可靠性方面实现了显著飞跃 。本报告旨在全面阐述维也纳整流器的核心技术脉络,并重点剖析SiC器件对其性能的革命性影响,为行业内研发和设计人员提供一份权威的技术参考。


第一章:维也纳整流器的历史溯源与拓扑解析

1.1 起源:J. W. Kolar教授的开创性工作

维也纳整流器由J. W. Kolar教授于1993年在奥地利维也纳技术大学(TU Wien)发明,并于1994年正式提出了其三电平单向功率传输的整流拓扑 。Kolar教授的研究生涯一直致力于超紧凑、高效率的宽禁带半导体变换器系统研究 ,维也纳整流器正是其早期代表性成果之一。

维也纳整流器的诞生并非偶然,而是针对传统六开关变换器在特定应用场景下的性能瓶颈所提出的定向解决方案。在那些不要求能量回灌(即单向功率流)的场合,传统的六开关全控整流器虽然功能全面,但其冗余的开关管数量和复杂的控制策略增加了成本和损耗 。

维也纳整流器的核心理念是在不牺牲性能的前提下,通过集成一个升压变换器和一个三相二极管桥,仅使用三个可控开关,便可实现与六开关变换器相媲美的PFC性能 。这种有意识的工程权衡——以牺牲双向性换取更高的效率、更简单的结构和更低的成本——正是其设计的精髓,也是其在特定市场(如电信电源、高功率PFC)取得成功的根本原因。

1.2 核心拓扑与工作原理

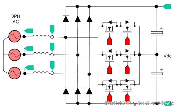
维也纳整流器是一种三相三电平三开关的脉宽调制(PWM)整流器 。其基本拓扑由三相交流侧电感、一个由六个不可控二极管组成的三相二极管桥、以及三个连接到直流侧电容中点的双向开关构成 。每个相桥臂由两个二极管和一个双向开关组成,其中双向开关通常由两个反向串联的绝缘栅双极型晶体管(IGBT)或MOSFET组成 。

其工作原理是,每个相桥臂的电流方向由输入交流电压决定。通过控制三个双向开关的通断,可以使相线电压箝位到直流母线的正极、负极或中点,从而产生三电平输出 。在连续导通模式(CCM)下,通过实时调整开关的占空比,可以使输入电流波形接近纯正弦波,并与电压同相,从而实现接近单位功率因数的运行 。

维也纳整流器在电路结构上的巧妙之处在于其固有的防直通能力。由于其桥臂由不可控的二极管和可控的开关管组合而成,功率流的路径决定了即使在控制出现故障时,也无法发生像传统全控桥臂那样的上下管直通短路问题 。这种设计从根本上提高了系统的可靠性,并简化了驱动控制,无需设置死区时间(dead time) 。这种高可靠性特点也解释了为何该拓扑在对安全性和可靠性要求极高的应用(如航空电源)中备受青睐 。


第二章:维也纳整流器的核心技术特点与性能优势

维也纳整流器凭借其独特的三电平拓扑,在多个关键性能指标上超越了传统的二电平PFC整流器。

2.1 高功率因数与低谐波畸变

通过精确的PWM控制,维也纳整流器能够在宽负载范围内实现接近单位功率因数 。多个参考设计和研究案例表明,该拓扑的输入电流总谐波失真(THD)可以达到非常低的水平。例如,在满载时,THD通常低于3% ,某些设计甚至能达到小于2% 或在特定输入电压下低于1% ,从而满足或超越IEEE-519等严格的电能质量标准要求 。

2.2 固有的多电平与低电压应力

作为一种三电平拓扑,维也纳整流器的每个开关管仅需承受直流母线总电压的一半,显著降低了器件的电压应力 。这一特性使得设计者可以使用耐压等级较低的功率器件,从而降低了器件成本并提高了系统的可靠性。更低的工作电压应力也意味着更小的开关损耗,因为开关损耗与关断电压的平方成正比。

2.3 高效率与功率密度

维也纳整流器具有较低的导通损耗和开关损耗,这得益于其三电平结构和连续导通模式(CCM)运行 。多个设计案例报告了其峰值效率超过98% ,甚至在特定功率等级下能达到惊人的99.28% 。高效率直接转化为更低的发热,从而减小了散热系统的体积和重量。同时,其固有的多电平特性使得输出电压波形更接近正弦波,从而可以减小所需的交流侧滤波器尺寸 ,这些因素共同使其具有出色的功率密度,适用于空间受限的应用 。

2.4 与传统二电平整流器的比较

维也纳整流器在技术上代表了从“蛮力”型二电平拓扑向“精细化”多电平拓扑的转变。传统的二电平整流器通常需要六个全控开关,而维也纳整流器仅需三个,并通过牺牲双向性换来了更高的效率、更小的体积和更低的器件应力。这种设计哲学在电力电子领域是具有普遍意义的。下表直观地展示了维也纳整流器在单向PFC应用中的核心优势。

特性维也纳整流器 传统二电平(六开关)整流器

功率流向 单向(AC-DC)双向(AC-DC,DC-AC)

开关管数量(三相)

3个双向开关

6个全控开关

电压应力

1/2 Vdc​

Vdc

防直通特性

固有防直通

需死区时间控制

典型峰值效率

98%

约96-97%

谐波畸变 (THD)

<3% (通常)

较高,需要更大的滤波器

功率密度

较高

较低


第三章:维也纳整流器的控制挑战与解决方案

维也纳整流器虽然在拓扑上具有诸多优势,但其控制设计并非易事,尤其是在直流侧中点电位平衡和交流电流过零点畸变等问题上存在独特的挑战。

3.1 核心挑战:中点电位平衡问题

维也纳整流器固有的中点电位不平衡问题是其推广应用的主要障碍之一 。这种不平衡表现为直流侧电容电压的波动和偏移 ,这会降低输出电压质量,增加器件应力,并导致需要使用更大容量的直流侧电容,从而增加系统成本 。

中点电位不平衡不仅仅是一个单一问题,而是一个包含直流分量和交流分量的复杂动态问题 。其成因复杂,与拓扑结构、开关状态和负载变化等多种因素相关。这种固有的复杂性使得维也纳整流器的控制设计变得非常具有挑战性 ,需要专门的控制策略来动态调节,以确保两个直流侧电容电压保持平衡。例如,中国的一项专利提出了一种通过注入共模分量来动态调整直流和交流补偿系数的方法,以有效抑制中点电位波动,从而减少对直流侧电容设计容量的要求 。

3.2 控制策略与硬件实现

解决上述挑战需要先进的控制算法和强大的数字硬件支持。回顾典型的控制方法,包括传统的迟滞(hysteresis)控制和正弦脉宽调制(SPWM)。SPWM原理简单、容易实现,但其在处理四线制拓扑的零序电流和过零点畸变问题上存在局限性 。

空间矢量脉宽调制(SVPWM)虽然能够更好地控制谐波,但对于三电平维也纳整流器,其复杂的扇区划分、判定和矢量作用时间计算带来了实现上的难度 。因此,在实际应用中,设计者通常采用双闭环控制策略,即电压外环和电流内环,来分别实现直流电压稳定和电流波形跟踪 。为了应对负载突变和电网扰动,一些先进的控制算法,如滑模变结构控制(sliding mode control),因其快速响应和强抗干扰能力而受到关注 。

现代高性能微控制器(MCU),如TI的C2000™系列 和ST的STM32G4系列 ,对实现这些复杂控制算法至关重要。这些MCU通常集成了硬件加速器(如TI的CLA),可以有效分担CPU的运算负担,从而实现高达50kHz 或更高的控制环路频率,满足高动态性能要求 。


第四章:发展方向与典型应用场景

维也纳整流器因其独特的性能特点,在高功率、单向功率流动的应用中找到了广泛的市场。同时,随着技术的演进,其应用场景也在不断扩展,并与T型等竞品拓扑形成了各有侧重的市场格局。

4.1 主要应用领域

维也纳整流器最典型的应用场景是需要高功率因数校正和单向功率流的场合。

电动汽车充电桩: 特别是高功率的非车载直流快充桩。这些充电桩通常从电网获取三相交流电,转换为高压直流电为电动汽车电池充电,其单向功率流特性与维也纳整流器完美匹配 。通过模块化设计,维也纳整流器可以进行堆叠组合以实现更高的功率等级,如30kW的模块可以组合成150kW甚至350kW的充电系统 。

新能源发电与储能: 作为光伏发电系统和风力发电系统的PFC前端,以及储能变流器(PCS)中的关键部分 。它能够高效地将太阳能电池板或风力发电机产生的电能转换为直流电进行储存或并网。

其他工业应用: 包括电信电源、不间断电源(UPS)、工业驱动以及对可靠性和紧凑性有严格要求的航空电源系统 。其固有的防直通特性使其在这些关键负载供电应用中具有不可替代的可靠性优势 。

4.2 与T型拓扑的横向比较

T型三电平拓扑在结构上与维也纳整流器有相似之处,但其采用了六个全控开关(每相桥臂四个开关,共12个开关管 ),可以实现双向功率流 。这种能力使其适用于新兴的、需要能量回灌的场景,如车网互动(V2G) 和双向储能系统 。

维也纳整流器与T型拓扑的竞争,本质上是“最佳单向”与“最佳双向”解决方案的博弈。维也纳整流器通过简化开关数量和利用二极管的被动保护,在不牺牲性能的前提下,优化了单向PFC应用,使其在成本、复杂性和可靠性方面更具优势 。而T型拓扑则通过全控开关的配置,为需要能量双向流动的应用提供了可能性。这表明未来的拓扑选择将更多地取决于应用需求,而不是单一的性能指标。

特性维也纳整流器 T型拓扑

功率流向

单向

双向

开关管数量(三相)

3个双向开关

6个全控开关

电压应力

开关管承受1/2 Vdc​

中点开关承受1/2 Vdc​,主开关承受Vdc​

防直通特性

固有防直通

需死区时间控制,可能发生直通

典型应用场景

EV直流快充,UPS,电信电源

V2G,双向储能系统

制造成本

较低

较高


第五章:碳化硅(SiC)技术在维也纳整流器中的应用与价值

SiC功率器件的出现,为维也纳整流器拓扑带来了革命性的性能提升,使其能够突破传统硅器件的物理限制,向更高的效率、功率密度和开关频率演进。

5.1 SiC器件的性能优势

相较于传统的硅(Si)器件,SiC具有更宽的禁带宽度、更高的击穿电场和热导率 。这些独特的物理特性使得SiC MOSFET能够实现极低的导通电阻和极低的开关损耗 。尤其是在高频开关时,SiC几乎没有尾电流(tail current),显著优于Si IGBT 。这种开关特性的改进,直接体现在更低的开关损耗和更高的开关频率上,从而为系统设计带来了巨大的自由度。

5.2 SiC带来的量化性能提升

SiC技术对维也纳整流器的性能提升是可量化的。

效率: SiC显著提升了维也纳整流器的整体效率。例如,ST公司的30kW SiC维也纳整流器解决方案报告了98.7%的最高效率 ,而TI的11kW参考设计达到了98.6%的峰值效率 。与使用IGBT的传统方案相比,采用SiC器件的效率提升通常超过0.5% 。一些研究原型甚至达到了惊人的99.28%的极高效率 。

功率密度: SiC器件支持更高的开关频率,例如70kHz至140kHz 。这使得设计师可以大幅减小磁性元件(如输入电感和LCL滤波器)的尺寸和重量 。ST公司的30kW解决方案实现了48.8W/in³的高功率密度 ,这一数据充分证明了SiC在实现紧凑化和轻量化设计方面的巨大潜力。

5.3 设计挑战与未来趋势

尽管SiC带来的性能提升显著,但在实际应用中也面临一些独特的设计挑战。

高频驱动与寄生参数: SiC的快速开关特性带来了高dV/dt和dI/dt,这会引发电磁干扰(EMI) 和寄生振荡。因此,需要采用专用的隔离栅极驱动器,并特别注意PCB布局以抑制寄生电感。

成本与供应链: 尽管性能卓越,但SiC器件的成本和产能问题曾是其大规模应用的“拦路虎” 。然而,随着行业向8英寸晶圆过渡 ,预计器件成本将降低30%甚至更多,这将进一步加速其在汽车、光伏和智能电网等领域的渗透 。

总结与展望

深圳市倾佳电子有限公司(简称“倾佳电子”)是聚焦新能源与电力电子变革的核心推动者:

倾佳电子成立于2018年,总部位于深圳福田区,定位于功率半导体与新能源汽车连接器的专业分销商,业务聚焦三大方向:

新能源:覆盖光伏、储能、充电基础设施;

交通电动化:服务新能源汽车三电系统(电控、电池、电机)及高压平台升级;

数字化转型:支持AI算力电源、数据中心等新型电力电子应用。

公司以“推动国产SiC替代进口、加速能源低碳转型”为使命,响应国家“双碳”政策(碳达峰、碳中和),致力于降低电力电子系统能耗。

需求SiC碳化硅MOSFET单管及功率模块,配套驱动板及驱动IC,请搜索倾佳电子杨茜

报告核心观点总结

维也纳整流器作为一种创新的三电平单向PFC拓扑,在简化结构、提高效率和可靠性方面取得了巨大成功。其固有的三电平特性有效降低了器件电压应力,使其在电动汽车充电、工业驱动等高功率应用中具有不可替代的价值。尽管其控制复杂且受限于单向功率流,但通过先进的控制算法和强大的数字控制器,这些挑战正逐步得到克服。

未来发展展望

展望未来,维也纳整流器与SiC技术的协同发展将持续深化。SiC器件的成本下降和性能提升将进一步推动系统向更高的功率密度、更宽的工作范围和更强的可靠性演进。同时,对于中点电位平衡和高频驱动等挑战的研究也将不断深入,更智能、更鲁棒的数字控制算法将成为未来的主要方向。