3_基于深度学习的钢铁缺陷检测系统(yolo11、yolov8、yolov5+UI界面+Python项目源码+模型+标注好的数据集)

118 阅读15分钟

@TOC


项目介绍

本项目基于 PyQt5 构建了简洁易用的图形用户界面,支持用户选择本地图片或视频进行目标检测。系统界面美观,交互流畅,具备良好的用户体验。

项目附带完整的 Python 源码和详细的使用说明,适合学生进行学习或有一定 Python 基础的开发者,参考与二次开发。您可以在文末获取完整的代码资源文件


✨ 项目亮点

  • 🔧 完整系统级项目: 包括pyqt5界面、后台检测逻辑、模型加载等模块

  • 🧠 支持深度学习模型扩展: 源代码,支持个人添加改进、模型修改等

  • 🚀 可用于毕(she)/课(she)/个人项目展示: 结构清晰,逻辑完整,便于演示


在这里插入图片描述

🎯 功能展示

本系统具备多个核心功能,支持图像、视频、摄像头等多种输入源的目标检测需求:

  • 🎴功能1:支持单张图片识别 加载本地图片进行目标识别,支持多种图片格式(如 .jpg.png 等)。

  • 📁功能2:支持遍历文件夹识别 可批量读取指定文件夹中的所有图像,并依次完成目标检测任务。

  • 🎫功能3:支持识别视频文件 支持导入本地视频文件,逐帧分析,实时显示检测效果。

  • 📷功能4:支持摄像头识别 直接调用笔记本/外接USB摄像头进行实时目标检测。(此功能识别不准,仅仅是为了有这个功能。)

  • 📤功能5:支持结果文件导出(.xls 格式) 自动保存检测结果为表格文件,包含类别、位置、置信度等信息,方便后续统计与分析。

  • 🔄功能6:支持切换检测目标进行查看 可自定义选择或切换需要检测的目标种类,仅显示感兴趣的目标。

🎥 更多功能细节、代码演示效果获取请参考下方视频演示。此视频是必看的,里面的信息比文章要丰富,很多内容无法通过博客文字表达出来。

[video(video-9175c5db-1754649708631)(type-bilibili)(url-player.bilibili.com/player.html…)]

[video(video-af7b90a1-1754649708631)(type-bilibili)(url-player.bilibili.com/player.html…)]


🌟 一、环境安装

🎆 环境配置说明

本项目已准备好 完整的环境安装资源包,包含:

  • Python、PyCharm
  • CUDA、PyTorch
  • 其他依赖库(版本已适配)

所有依赖版本均已过验证,确保彼此兼容,可直接参考配套文档或视频教程一步步安装,无需手动调试


📘 安装指南说明

本项目附带的环境配置文档及配套视频,文档是我在辅导上千名同学安装环境过程中,持续整理总结而成的经验合集,内容覆盖:

  • GPU 与 CPU 两种版本的详细安装流程
  • 安装过程中常见问题汇总
  • 每个问题对应的解决方案
  • 实测可行的安装顺序建议与注意事项

🧩 无论你是新手还是有经验的开发者,相信这份文档都能为你省下大量踩坑时间!

🎥 环境安装教学视频

[video(video-LEPxELTl-1754364124172)(type-bilibili)(url-player.bilibili.com/player.html…)]


🌟 二、数据集介绍

使用数据集一部分个人标注,一部分来源网络,已统一标注格式并完成预处理,可直接用于训练与测试。 数据集样式如下:

训练样例1训练样例2
3_steels_detect-train_batch0.jpg3_steels_detect-train_batch1.jpg

数据集制作流程 标注数据: 使用标注工具(LabelImg)对图像中的目标进行标注。每个目标需要标出边界框,并且标注类别。

转换格式: 将标注的数据转换为YOLO格式。YOLO标注格式为每行: <x_center> <y_center> ,这些坐标是相对于图像尺寸的比例。

分割数据集: 将数据集分为训练集、验证集和测试集,通常的比例是80%训练集、10%验证集和10%测试集。

准备标签文件: 为每张图片生成一个对应的标签文件,确保标签文件与图片的命名一致。

调整图像尺寸: 根据YOLO网络要求,统一调整所有图像的尺寸(如416x416或608x608)。

这里只是简单大概介绍,我实际的文档里,内容更要比这里丰富很多,保姆级的教程。这里放太多链接,大家容易看不到😂😂😂。


🌟 三、系统环境(框架/依赖库)说明

以下内容是简单的介绍,方便大家写文章,可直接套用。

🧱 系统环境与依赖配置说明

本项目采用 Python 3.8.10 作为开发语言,整个后台逻辑均由 Python 编写,主要依赖环境如下:

🎡 图形界面框架:

  • PyQt5 5.15.9:用于搭建系统图形用户界面,实现窗口交互与组件布局。

🧠 深度学习框架:

  • torch 1.9.0+cu111:PyTorch 深度学习框架,支持 CUDA 11.1 加速,用于模型构建与推理。
  • torchvision 0.10.0+cu111:用于图像处理、数据增强及模型组件辅助。

⚡ CUDA 与 cuDNN(GPU 加速支持):

  • CUDA 11.1.1(版本号:cuda_11.1.1_456.81):用于 GPU 加速深度学习运算。
  • cuDNN 8.0.5.39(适用于 CUDA 11.1):NVIDIA 深度神经网络库,用于加速模型训练与推理过程。

🧪 图像处理与科学计算:

  • opencv-python 4.7.0.72:实现图像读取、显示、处理等功能。
  • numpy 1.24.4:用于高效数组计算及矩阵操作。
  • PIL (pillow) 9.5.0:图像文件读写与基本图像处理库。
  • matplotlib 3.7.1(可选):用于结果图形化展示与可视化调试。

📈 模型训练参数说明

本项目中提供了两个训练好的模型,均基于如下参数完成训练。具体训练时的设置需根据您自己的硬件配置灵活调整:

🎯 基本训练参数

  • batch size:16
  • epoch:200
  • imgsz(输入尺寸):640
  • 优化器:SGD
  • 学习率:初始学习率 0.01,最终学习率 0.0001
  • 学习率衰减策略:余弦退火(Cosine Annealing)
  • 激活函数:SiLU
  • 损失函数:CIOU(Complete IOU)

🔁 实时数据增强策略

训练过程中使用了多种 在线增强 方法,包括:

  • HSV 色域变换
  • 上下翻转、左右翻转
  • 图像旋转
  • Mosaic 图像拼接增强

⚠️ 特别说明
以上所有增强操作均为 实时数据增强,只在训练过程中动态生成,用作模型输入,不会将增强后的图像保存到本地

这种策略具有以下优势:

  • 节省磁盘空间
  • 提高训练样本的多样性
  • 增强模型的泛化能力

若需要可视化增强效果,可自行编写脚本或借助工具(如 Photoshop、美图秀秀等)生成示例图像进行展示。


🌟 四、YOLO相关介绍

🎀 yolov5相关介绍

YOLOV5有YOLOv5n,YOLOv5s,YOLOv5m,YOLOV5l、YOLO5x五个版本。这个模型的结构基本一样,不同的是deth_multiole模型深度和width_multiole模型宽度这两个参数。就和我们买衣服的尺码大小排序一样,YOLOV5n网络是YOLOV5系列中深度最小,特征图的宽度最小的网络。其他的三种都是在此基础上不断加深,不断加宽。不过最常用的一般都是yolov5s模型。 在这里插入图片描述

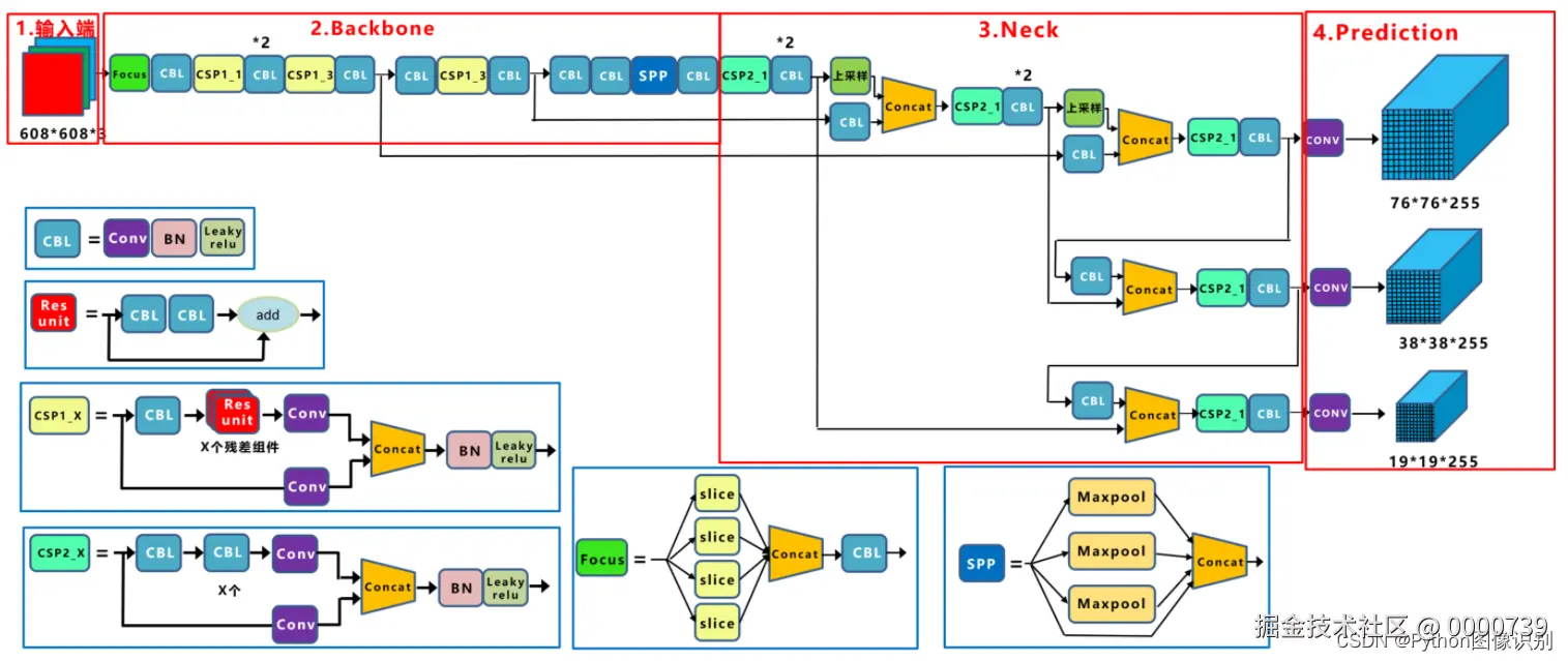
  本系统采用了基于深度学习的目标检测算法YOLOv5,该算法是YOLO系列算法的较新版本,相比于YOLOv3和YOLOv4,YOLOv5在检测精度和速度上都有很大的提升。YOLOv5算法的核心思想是将目标检测问题转化为一个回归问题。此外,YOLOv5还引入了一种称为SPP(Spatial Pyramid Pooling)的特征提取方法,这种方法可以在不增加计算量的情况下,有效地提取多尺度特征,提高检测性能。

  在YOLOv5中,首先将输入图像通过骨干网络进行特征提取,得到一系列特征图。然后,通过对这些特征图进行处理,将其转化为一组检测框和相应的类别概率分数,即每个检测框所属的物体类别以及该物体的置信度。YOLOv5中的特征提取网络使用CSPNet(Cross Stage Partial Network)结构,它将输入特征图分为两部分,一部分通过一系列卷积层进行处理,另一部分直接进行下采样,最后将这两部分特征图进行融合。这种设计使得网络具有更强的非线性表达能力,可以更好地处理目标检测任务中的复杂背景和多样化物体。

在这里插入图片描述

  在YOLOv5中,每个检测框由其左上角坐标(x,y)、宽度(w)、高度(h)和置信度(confidence)组成。同时,每个检测框还会预测C个类别的概率得分,即分类得分(ci),每个类别的得分之和等于1。因此,每个检测框最终被表示为一个(C+5)维的向量。在训练阶段,YOLOv5使用交叉熵损失函数来优化模型。损失函数由定位损失、置信度损失和分类损失三部分组成,其中定位损失和置信度损失采用了Focal Loss和IoU Loss等优化方法,能够有效地缓解正负样本不平衡和目标尺寸变化等问题。

  YOLOv5网络结构是由Input、Backbone、Neck、Prediction组成。Yolov5的Input部分是网络的输入端,采用Mosaic数据增强方式,对输入数据随机裁剪,然后进行拼接。Backbone是Yolov5提取特征的网络部分,特征提取能力直接影响整个网络性能。YOLOv5的Backbone相比于之前Yolov4提出了新的Focus结构。Focus结构是将图片进行切片操作,将W(宽)、H(高)信息转移到了通道空间中,使得在没有丢失任何信息的情况下,进行了2倍下采样操作。

🎑 yolov8相关介绍

YOLOv8 是一个 SOTA 模型,它建立在以前 YOLO 版本的成功基础上,并引入了新的功能和改进,以进一步提升性能和灵活性。具体创新包括一个新的骨干网络、一个新的 Ancher-Free 检测头和一个新的损失函数,可以在从 CPU 到 GPU 的各种硬件平台上运行。

不过 ultralytics 并没有直接将开源库命名为 YOLOv8,而是直接使用 ultralytics 这个词,原因是 ultralytics 将这个库定位为算法框架,而非某一个特定算法,一个主要特点是可扩展性。其希望这个库不仅仅能够用于 YOLO 系列模型,而是能够支持非 YOLO 模型以及分类分割姿态估计等各类任务。 总而言之,ultralytics 开源库的两个主要优点是:

  • 融合众多当前 SOTA 技术于一体

  • 未来将支持其他 YOLO 系列以及 YOLO 之外的更多算法

在这里插入图片描述

网络结构如下: 在这里插入图片描述

🎐 yolo11相关介绍

YOLO11 是Ultralytics YOLO 系列实时物体检测器的最新版本,以尖端的精度、速度和效率重新定义了可能性。基于先前 YOLO 版本的令人印象深刻的进步,YOLO11 在架构和训练方法方面引入了重大改进,使其成为各种计算机视觉任务的多功能选择。 在这里插入图片描述

Key Features 主要特点:

  • 增强的特征提取:YOLO11采用改进的主干和颈部架构,增强了特征提取能力,以实现更精确的目标检测和复杂任务性能。
  • 针对效率和速度进行优化:YOLO11 引入了精致的架构设计和优化的训练管道,提供更快的处理速度并保持准确性和性能之间的最佳平衡。
  • 使用更少的参数获得更高的精度:随着模型设计的进步,YOLO11m 在 COCO 数据集上实现了更高的平均精度(mAP),同时使用的参数比 YOLOv8m 少 22%,从而在不影响精度的情况下提高计算效率。
  • 跨环境适应性:YOLO11可以无缝部署在各种环境中,包括边缘设备、云平台以及支持NVIDIA GPU的系统,确保最大的灵活性。
  • 支持的任务范围广泛:无论是对象检测、实例分割、图像分类、姿态估计还是定向对象检测 (OBB),YOLO11 旨在应对各种计算机视觉挑战。 在这里插入图片描述

🌟 五、模型训练步骤

以下操作步骤,每年我都会更新,所以下方操作步骤可跳过,可以去我文档里查看最新的操作步骤。

  1. 使用pycharm打开代码,找到train.py打开,示例截图如下: 在这里插入图片描述

  2. 修改 model_yaml 的值,根据自己的实际情况修改,想要训练 yolov5s模型 就 修改为 model_yaml = yaml_yolov5s, 训练 添加SE注意力机制的模型就修改为 model_yaml = yaml_yolov5_SE

  3. 修改data_path 数据集路径,我这里默认指定的是traindata.yaml 文件,如果训练我提供的数据,可以不用改

  4. 修改 model.train()中的参数,按照自己的需求和电脑硬件的情况更改

    # 文档中对参数有详细的说明
    model.train(data=data_path,             # 数据集
                imgsz=640,                  # 训练图片大小
                epochs=200,                 # 训练的轮次
                batch=2,                    # 训练batch
                workers=0,                  # 加载数据线程数
                device='0',                 # 使用显卡
                optimizer='SGD',            # 优化器
                project='runs/train',       # 模型保存路径
                name=name,                  # 模型保存命名
                )
    
  5. 修改traindata.yaml文件, 打开 traindata.yaml 文件,如下所示: 在这里插入图片描述 在这里,只需修改 path 的值,其他的都不用改动(仔细看上面的黄色字体),我提供的数据集默认都是到 yolo 文件夹,设置到 yolo 这一级即可,修改完后,返回 train.py 中,执行train.py

  6. 打开 train.py ,右键执行。 在这里插入图片描述

  7. 出现如下类似的界面代表开始训练了 在这里插入图片描述

  8. 训练完后的模型保存在runs/train文件夹下 在这里插入图片描述


🌟 六、模型评估步骤

以下操作步骤,每年我都会更新,,所以下方操作步骤可跳过,可以去我文档里查看最新的操作步骤。

  1. 打开val.py文件,如下图所示: 在这里插入图片描述

  2. 修改 model_pt 的值,是自己想要评估的模型路径

  3. 修改 data_path ,根据自己的实际情况修改,具体如何修改,查看上方模型训练中的修改步骤

  4. 修改 model.val()中的参数,按照自己的需求和电脑硬件的情况更改

    model.val(data=data_path,           # 数据集路径
              imgsz=300,                # 图片大小,要和训练时一样
              batch=4,                  # batch
              workers=0,                # 加载数据线程数
              conf=0.001,               # 设置检测的最小置信度阈值。置信度低于此阈值的检测将被丢弃。
              iou=0.6,                  # 设置非最大抑制 (NMS) 的交叉重叠 (IoU) 阈值。有助于减少重复检测。
              device='0',               # 使用显卡
              project='runs/val',       # 保存路径
              name='exp',               # 保存命名
              )
    
  5. 修改完后,即可执行程序,出现如下截图,代表成功(下图是示例,具体输出结果以自己的实际项目为准。) 在这里插入图片描述

  6. 评估后的文件全部保存在在 runs/val/exp... 文件夹下 在这里插入图片描述


🌟 七、训练结果

模型训练完成后,所有相关文件(包括权重文件、训练日志、评估结果等)均统一保存在代码工程的weights文件夹下,便于后续模型部署与复用。文件夹内包含训练过程中生成的所有最优权重(best.pt)及最终权重(last.pt),整体结构清晰,可直接用于推理或二次训练。

3_steels_detect-weights_folder_screenshot.png

训练的曲线图: 训练过程中,模型的关键指标(如损失值、精度、召回率等)变化曲线已自动记录并可视化。从曲线中可以清晰观察到:

  • 训练集与验证集的损失值(Loss)随迭代次数增加逐步下降并趋于稳定,表明模型有效学习到数据特征;
  • 核心评估指标(如 mAP@0.5、准确率)在训练后期逐步收敛,验证集性能与训练集保持一致,无明显过拟合现象;
  • 通过对比不同阶段的指标变化,可直观判断模型收敛速度与稳定性,为参数调优提供参考。

3_steels_detect-results.png

评估的结果示例图: 为更直观展示模型性能,选取val中具有代表性的样本进行可视化评估,涵盖不同场景、不同目标密度及复杂背景下的检测 / 分类效果:

评估示例图1评估示例图2
3_steels_detect-val_batch0_labels.jpg3_steels_detect-val_batch1_labels.jpg

🌟 获取方式说明

这是一套完整的资源,经过往届学长学姐检验过,是OK的项目,我这里就不做过多的介绍了,说的太多了,大家容易看不到。如果想要获取源码进行学习,可观看一下前面 功能展示 章节的视频演示。如有疑问,也可通过下方的名片或者留言进行交流,一起学习、进步。

💡 温馨提示:资源仅用于学习交流,请勿用于商业用途,感谢理解与支持!