LabVIEW VI Server功能介绍

215 阅读3分钟

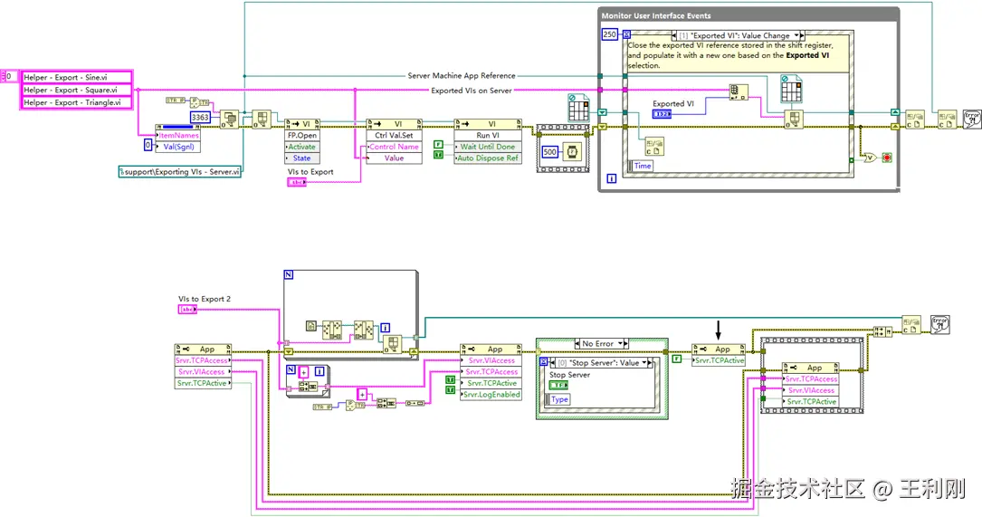
​LabVIEW通过 VI Server 配置、执行导出VI(Exported VIs),实现跨 VI 通信与远程调用,涵盖服务端、客户端逻辑搭建,利用 TCP/IP 协议打通本地 / 远程 VI 交互流程。

VI 说明与对比

服务端(SupportExportingVIs - Server.vi)

  • 功能
    加载待导出 VI(如 Sine、Square、Triangle 计算逻辑),配置 VI Server 通信参数(TCP 端口 3363、访问权限),管理导出 VI 生命周期(启动、保持、终止)。
  • 使用场合
    作为 “服务提供方”,需对外暴露 VI 功能(如算法逻辑、硬件控制),供本地 / 远程客户端调用时使用。
  • 特点
    支持批量导出多 VI,通过 Open Application Reference 建立通信基座,借助 Run VI 等方法动态执行导出逻辑;需手动管理资源释放(如 Close Reference)。
  • 注意事项
    提前启用 LabVIEW 工具选项(Tools → Options → VI Server →     Protocols → TCP/IP),确保端口(3363)未被占用;复杂场景需完善 “握手机制”(如延时等待 VI 加载完成),避免通信超时。
  • 对比类似功能
    传统本地 VI 调用依赖 “静态连线”,灵活性低;VI Server 支持远程 / 动态调用,突破 “同一程序内调用” 限制,适配分布式系统,但需额外配置通信参数,调试复杂度稍高。

客户端交互(ExportingVIs.vi)

  • 功能
    通过列表框展示服务端导出 VI,选择后触发 Val(Sgnl) 属性模拟 “值改变事件”,调用服务端 VI 并接收输出(如波形数据),实时显示在图表。
  • 使用场合
    作为 “功能消费方”,需调用远程 / 第三方 VI 功能(如复用算法、跨程序协作)时使用,典型场景:多模块协同测试、分布式数据处理。
  • 特点
    图形化交互直观(列表框选 VI、图表显结果),利用 To More Specific Class 转换引用,适配不同 VI 输出类型;事件监控(Monitor User Interface Events)确保交互响应实时性。
  • 注意事项
    服务端需先启动,否则客户端 Open     Application Reference 会报错;调用远程 VI 时,需严格匹配 “导出 VI 名称、参数类型”,否则通信失败。
  • 对比类似功能
    若用 “动态调度 VI”(Call by Reference),需手动处理参数匹配、错误分支;VI Server 封装通信逻辑,简化跨 VI / 跨程序调用流程,但依赖服务端持续运行。

服务端控制(Stop Server 逻辑)

  • 功能
    接收客户端 / 本地 “Stop Server” 指令,终止 VI Server 通信服务,释放导出 VI 资源,断开 TCP 连接。
  • 使用场合
    需安全关闭服务端、避免资源泄漏(如长时间运行后退出程序)时使用,保障系统稳定性。
  • 特点
    通过 Srvr.TCPActive 等属性控制服务启停,支持 “一键终止”;搭配移位寄存器保存引用,确保关闭操作准确。
  • 注意事项
    终止服务会强制断开所有客户端连接,需提前提示用户或在业务空闲时执行;重启服务需重新加载导出 VI,建议封装 “重启逻辑” 复用初始化代码。
  • 对比类似功能
    直接关闭程序(如点击窗口 ×)可能跳过 “资源释放” 步骤,导致内存泄漏;专用 Stop Server 逻辑规范化资源管理,适配工业级程序 “稳健启停” 需求。

开发背景

LabVIEW 作为 “图形化编程” 工具,VI Server 是其分布式协作、功能解耦的核心特性 —— 打破 “单程序、单机器”限制,让算法逻辑(如 Sine 波形生成)可被远程 / 多客户端复用,适配测试自动化、工业物联网等场景。相比传统 “复制代码、静态调用”,VI Server 显著提升代码复用率与系统扩展性,虽增加通信调试成本,但为复杂工程提供 “模块化协作” 基础。