LabVIEW振动信号处理与分析功能

206 阅读4分钟

LabVIEW一个简单的振动处理与分析的功能,围绕振动及转速计数据展开处理与分析,整合数据加载、信号调理、包络检测、频谱分析等功能,助力工程师挖掘振动信号中的特征信息,用于设备状态监测与故障诊断。

内容功能

数据加载与预处理

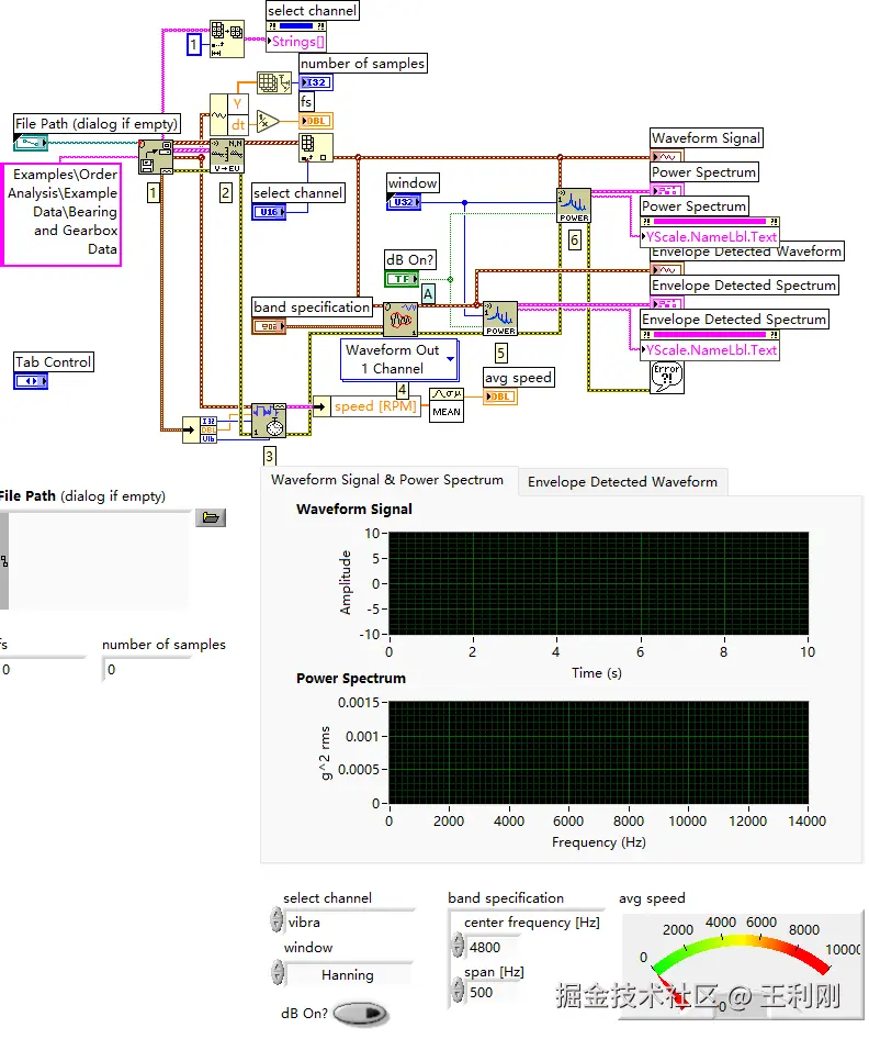
  • 文件读取:通过 “File Path” 控件加载存储振动和转速计数据的.dat 文件,为后续分析提供原始素材。
  • 通道选择与缩放:借助 “select channel” 选择振动(vibra)等通道,结合通道信息将电压数据缩放至目标工程单位,适配分析需求。
  • 转速相关处理:利用转速计信号确定脉冲位置,生成转速曲线,计算平均转速(avg speed),反映设备运转工况。

信号分析

  • 波形与功率谱分析:对原始振动信号,输出 “Waveform Signal” 展示时域波形,经 “Power Spectrum” 分析得到频域功率谱,呈现信号频率成分分布。
  • 包络检测:针对调幅振动信号,依据 “band specification”(中心频率、带宽)选定感兴趣频带,提取包络信号,输出 “Envelope Detected     Waveform”(时域包络波形)与 “Envelope Detected     Spectrum”(包络频谱),凸显故障特征频率。

应用场景

  • 设备状态监测:在工厂产线中,对电机、轴承、齿轮箱等旋转设备,实时 / 定期采集振动数据,分析其波形、频谱及包络特征,及时发现早期异常,如轴承磨损、齿轮啮合故障等。
  • 故障诊断与预测:结合历史数据与故障样本,通过该系统分析振动信号变化规律,辅助判断故障类型(如不平衡、不对中、松动等)、评估故障严重程度,为设备维修计划制定提供依据。

使用范围

适用于各类以旋转机械为主的工业设备振动分析场景,如电力(汽轮机、发电机)、制造业(机床、输送设备)、轨道交通(列车牵引电机)等行业,只要涉及振动信号采集与故障诊断需求,均可应用该系统开展分析。

注意事项

  • 数据质量:确保.dat 文件数据准确、完整,若原始数据存在噪声污染、采样异常,需预处理(如滤波、重采样),否则影响分析结果可靠性。
  • 参数设置:“band specification”(中心频率、带宽)、“window”(窗函数,如 Hanning)等参数需结合设备特性(如转动频率、故障特征频率范围)合理设置,参数不当可能遗漏关键故障信息或引入虚假成分。
  • 物理单位适配:电压缩放至工程单位时,需准确获取通道校准信息,保证物理量(如加速度、速度)换算正确,否则分析结果物理意义失真。

功能对比

优势

  • 功能集成度高:一站式整合数据加载、预处理、多种信号分析(时域、频域、包络)功能,无需在多个工具间切换,提升分析效率。
  • 可视化交互好:通过前面板控件(如波形图、转速表)实时展示分析结果,便于工程师直观观察信号特征与设备状态,快速决策。
  • 适配 LabVIEW 生态:可与 LabVIEW 其他模块(如数据库存储、故障诊断算法库)无缝衔接,拓展功能(如长期数据趋势分析、智能诊断模型部署)便捷。

局限

  • 平台依赖性:基于 LabVIEW 开发,对运行环境有要求(需安装 LabVIEW 及相关分析库),相较于通用编程框架(如 Python + 科学计算库),跨平台部署灵活性稍弱。
  • 高级算法拓展门槛:复杂智能诊断算法(如深度学习故障识别)集成时,需借助 LabVIEW 与其他语言(如 Python)接口,开发难度较纯代码框架略高。

 

综上,该振动信号处理与分析系统在工业设备状态监测诊断场景中,凭借集成化、可视化优势高效支撑工程师工作,虽有平台依赖等局限,但结合应用场景需求,仍是设备健康管理的实用工具。