LabVIEW远程面板交互控制

232 阅读4分钟

基于LabVIEW 远程面板(Remote Panel)技术,实现服务器端 VI 与客户端的远程交互控制,涵盖服务器配置、客户端连接请求、VI 执行状态监测及控制权交接等流程,支持跨 LabVIEW 实例(可跨设备)的远程 VI 操作管理。

流程及功能介绍

(一)服务器端 VI(以配置服务器示例)

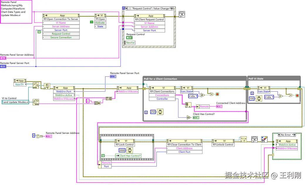
  1. 环境准备与初始化:从项目(Remote Panel Methods.lvproj )中打开 VI,确保启用远程面板服务器(通过 Tools > Options > Web     Server 配置)。运行 VI 后,其作为服务端,用于配置远程面板连接参数,如获取并暂存当前远程面板服务器设置,后续会话结束后恢复。
  2. VI 访问列表配置:打开目标 VI(如波形图表示例 VI)引用,将其添加到远程面板服务器的 VI 访问列表,允许客户端连接交互。
  3. 连接与状态监测:轮询客户端连接(Poll for Client Connection),检测到连接后,持续监测客户端 VI 执行状态(Poll VI State),判断客户端是否运行 VI(执行状态从 “Idle” 变化)。
  4. 控制权管理与断开:客户端运行 VI 一次后,服务器锁定 VI 控制权(Lock Remote Panel Control),延迟(如 3 秒)让客户端收到 “Server Regained Control” 提示,随后关闭与客户端连接(Close Connection to the client)、解锁控制权(Unlock remote panel control ),最后恢复服务器初始设置并清理错误。

(二)客户端 VI

  1. 连接建立:通过 “RP.Open Connection To Server” 方法,依据服务器端指定的地址、端口,连接到目标 VI,可配置是否请求控制权、是否安全连接。
  2. 控制权请求:点击 “Request Control” 按钮,借助 “RP.Client Request Control” 方法向服务器请求目标 VI 控制权,获取控制权后可操作 VI(如运行、停止波形图表 VI )。

使用范围与应用场景

(一)使用范围

需基于LabVIEW Full Development System,支持同一版本 LabVIEW 的不同实例(可部署在不同物理设备,如实验室服务器与工程师本地电脑),实现跨设备远程操控 LabVIEW VI。

(二)应用场景

  1. 分布式测试与监控:工业自动化产线中,远程监控产线数据采集 VI(如温度、压力监测),工程师在办公室即可连接服务器端 VI,获取数据、控制采集流程。
  2. 协同开发与调试:研发团队中,不同成员可远程连接服务器端测试 VI,验证算法、UI 交互逻辑,无需物理接触设备,提升协作效率。
  3. 无人值守设备管理:实验室无人值守测试台,定时 / 按需远程连接控制测试 VI 运行,自动采集、上传实验数据。

注意事项

  1. 环境一致性:服务器与客户端 LabVIEW 版本必须一致,否则可能出现兼容性问题,导致连接失败、功能异常。
  2. 项目依赖:服务器配置类 VI 需从指定项目(Remote Panel Methods.lvproj )中打开,脱离项目运行可能因资源路径、依赖缺失无法正常工作。
  3. 网络与权限:确保服务器端允许客户端连接(网络端口开放、防火墙配置),同时 LabVIEW 远程面板服务器功能已正确启用,避免因网络阻塞、权限不足无法建立连接。
  4. 状态同步:监测 VI 执行状态、控制权交接时,需注意网络延迟导致的状态不同步问题,合理设置轮询间隔、延迟时间,保障交互流畅性。

功能对比

(一)与 LabVIEWTCP/IP 直接通信对比

  • 优势:基于远程面板框架,无需手动编写复杂 TCP/IP 通信协议解析代码,直接复用 LabVIEW UI 交互、状态监测功能,开发效率高;内置权限管理、连接状态管理,安全性、稳定性更优。
  • 劣势:依赖 LabVIEW 运行环境,对非 LabVIEW 系统兼容性差;功能与远程面板绑定,定制化通信逻辑(如特殊数据加密、自定义指令)灵活性低于 TCP/IP 直接开发。

(二)与 LabVIEW Web 服务(Web Service)对比

  • 优势:专注 LabVIEW VI 交互控制,对 VI 前端面板操作、执行状态管理更直接,适合深度操控 LabVIEW 算法、硬件交互逻辑场景;客户端连接流程围绕 LabVIEW 实例设计,LabVIEW 工程师上手门槛低。
  • 劣势:功能聚焦 VI 远程控制,拓展 Web 化通用服务(如开放 RESTful API 给非 LabVIEW 系统)能力弱于 Web Service;界面呈现依赖 LabVIEW 运行时环境,无法像 Web Service 结合网页实现跨平台无插件访问。

简言之,远程面板交互VI 专为 LabVIEW 生态内跨实例 VI 控制设计,在 LabVIEW 主导的自动化测试、设备控制场景高效便捷,可根据需求灵活选择技术方案。