高性能低功耗XL2409

132 阅读2分钟

XL2409 是由深圳市芯岭技术有限公司推出的一款高性能、低功耗的SOC集成无线收发芯片,集成32位单片机XL32F003,M0+内核,嵌入高达64Kbytes flash和8Kbytes SRAM存储器,最高工作频率48MHz。芯片集成多路12C、SPI、USART等通讯外设,1路12bit ADC,5个16bit定时器,以及2路比较器。

XL2409芯片是一款高性能、低功耗的SOC集成无线收发芯片,内置M0核MCU,支持2.400~2.483GHz ISM频段,集成了多种功能模块,简化了外部电路设计,便于通过FCC认证。

芯片特征:

频率范围2.400~2.483GHZ

工作电压

1.7~3.6v

功耗较低

发射模式(0dBm)工作电流13.7mA;接收模式工作电流12.3mA;休眠电流小于2uA。

节省外围器件

支持外围4个元器件,包括1颗晶振和3个贴片电容;

支持双层或单层印制板设计,可以使用印制板微带天线;

芯片自带部分链路层的通信协议;配置少量的参数寄存器,使用方便。

性能优异

125K/250K / 1M / 2M bps模式的接收灵敏度为-96.5/-95/-92/-90dBm;

发射输出功率最大可达8dBm;

抗干扰性好,接收滤波器的邻道抑制度高,接收机选择性好。容易过FCC等认证。

支持最大数据长度为128字节(4级FIFO)

1M /2Mbps模式,需要晶振精度±40ppm&CL=12pF

125K/250kbps模式,需要晶振精度±20ppm&CL=12pF

BLE广播包模式,需要晶振精度±10ppm&CL=12pF

GFSK通信方式

支持自动应答及自动重传

内置32位MCU

XL2409应用领域

消费电子:无线鼠标/键盘、游戏手柄、遥控器(电视/机顶盒)。

智能家居:安防系统、有源无线标签。

工业控制:传感器网络、远程监控设备。

玩具与穿戴设备:遥控玩具、低功耗追踪器。

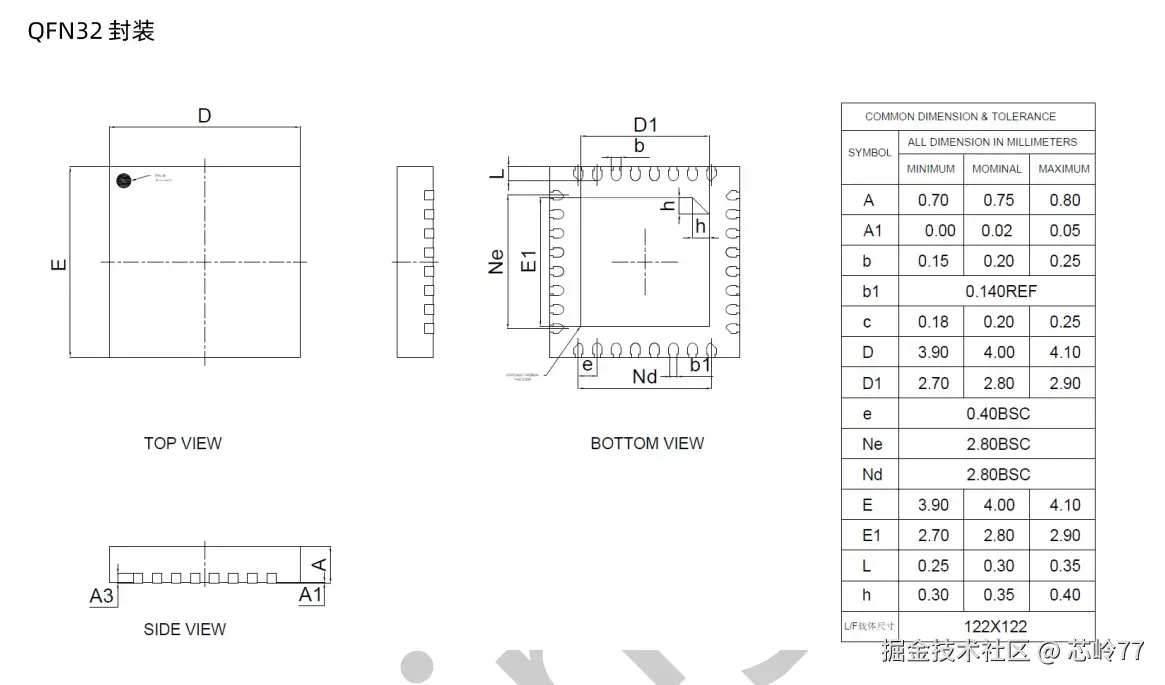
封装信息

QFN32封装图