【USB声卡】uac_4i4o 四进四出开发板介绍

78 阅读1分钟

blog.csdn.net/weixin_3842…

继去年 magic_uac 开发板设计,为满足平时开发需要,笔者重新设计了一款4进4出的声卡,如下图:

00.main_board.png

01.pcba.png

基本硬件结构:

MCU:MIMXRT1011DAE5A

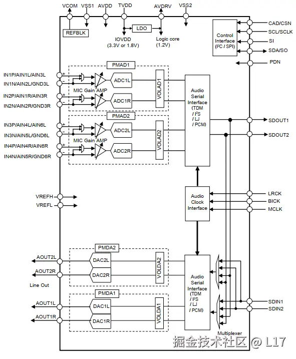
CODEC:AK4619 四进四出,最高192k/24bit(平时扣扣嗖嗖的笔者,这次也终于舍得加钱了🐕)

下面是有关AK4619的特性和基本框架

02.ak461_a.png

03.ak461_b.png

Codec基本原理图如下(具体看用TDM还是I2S方式,SDIN2和SDOUT2可以取消掉):

04.sch.png

这次上了这么好的Codec当然要对标当下各类专业声卡了,除此之外为了榨干最后资源,也为了音色输出更加多元,增加一些常规的滤波器均衡(eq) 调节等功能

技术特点:

四进四出的设计方案:

方案一:TDM方式实现

方案二:多数据线I2S、PCM模式

多进多出方案可以了解笔者一篇文章:

blog.csdn.net/weixin_3842…

成果展示:

模拟 Berringer(百灵达) 一款声卡 UMC404HD,完美兼容官方asio驱动

05.umc404.png

未完待续:后期成果陆续展示