LabVIEW基于IMAQ实现直线边缘检测

97 阅读2分钟

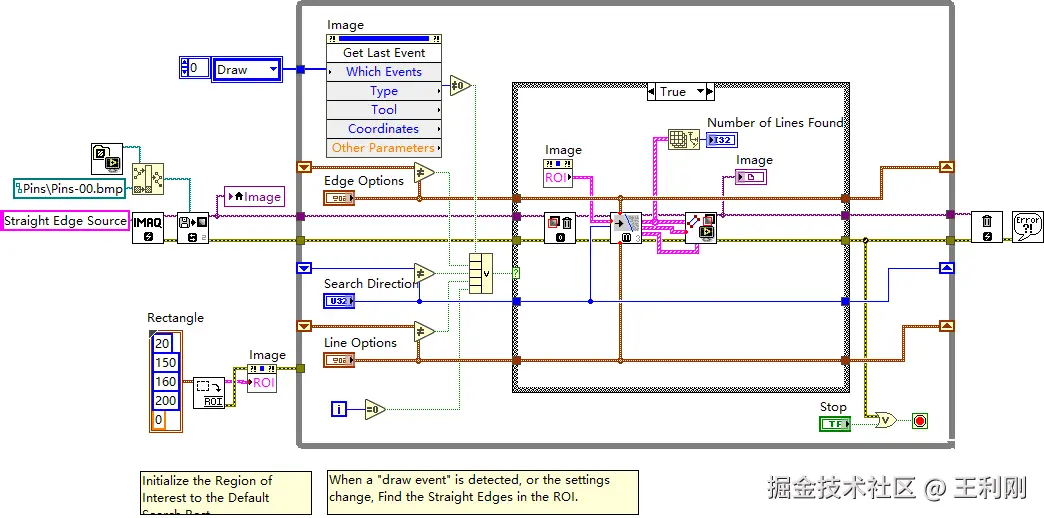
本程序基于 NI Vision Development 模块,通过 IMAQ Find Straight Edges 函数,在指定 ROI(感兴趣区域) 内检测多条直线边缘。用户可 动态调整检测参数 或 自定义ROI,实时观察识别效果,适用于 高精度视觉检测 场景。


程序说明

核心功能模块

  1. 区域初始化(Initialize ROI)

    • 默认ROI为矩形区域 (20, 150, 160, 200) ,可通过 绘制事件 重新定义ROI。
  2. 边缘参数(Edge Options)

    • 设置 边缘检测的敏感度、方向 等,优化识别的准确性和抗噪能力。
  3. 线条参数(Line Options)

    • Step(搜索步长):控制检测精细度。
    • Number of Lines Found(最大检测线条数):限制检测结果数量。
  4. 执行流程

    • 程序启动后 自动执行直线检测
    • 用户调整ROI或修改参数 时,算法 实时更新检测结果

交互操作

  • 绘制ROI:用户可 手动绘制 感兴趣区域,精准调整检测范围。
  • 参数调整:支持 边缘/线条参数 调整,实时反馈检测效果。
  • 结果显示:检测到的 直线边缘以高亮线条叠加 显示在图像上。

应用场合

工业检测:如 PCB线路对齐检测、机械零件 边缘尺寸测量
自动化定位:机器人视觉引导,识别直线特征 实现精准抓取
科研分析:用于 材料表面缺陷检测 或 生物显微图像分析


注意事项

参数优化

  • Step 值过小可能 计算量过大,过大则 可能漏检细节,需平衡分辨率。
  • Number of Lines Found 需结合需求 合理设置,避免过多干扰线条影响判断。

ROI定义

  • ROI应 精准覆盖目标区域,避免包含 复杂背景
  • 建议手动绘制ROI 以优化检测范围。

环境要求

  • 依赖 NI Vision Development 模块,需确保 NI相关驱动及库文件正确安装

总结

本程序结合 灵活参数配置 和 交互式ROI调整,实现了 高效直线边缘检测,适用于 工业自动化、科研分析 等场景。
用户需结合 具体应用优化参数,并注意 环境兼容性,以 充分发挥算法性能