软件开发需要了解的 CPU 的硬件组成

329 阅读11分钟

为什么要学习计算机组成原理

最近在学习计算机组成原理,了解到 CPU 的组成,虽然是软件开发,看上去和硬件无关,但软件和硬件存在千丝万缕的联系。很多优秀的设计都是依赖底层硬件设计,例如 Disruptor 使用了缓存行填充减少伪共享带来性能问题,通过无锁设计减少 cpu 切换带来的问题。通过虚拟内存实现在有限内存的情况下运行更大内存的软件等等。因此多了解一些硬件知识还是很有必要的。

下面的内容都是按我的理解整理而来,非标准答案,有错误欢迎指出。

组成 CPU 的层次结构

组成 CPU 的层次结构可以分成 4 层,开关元件,门电路,组合逻辑电路,功能单元。每一层基于下一层组合而来,例如门电路是由开关元件组合而来,而组合逻辑电路又是由门电路组成。我们从最底下的开关元件说起。

image.png

开关元件

计算机选择二进制是计算机物理结构导致的,不管是继电器,真空管,晶体管,都只能最稳定表达 1 和 0 的情况。晶体管虽说可以根据电压大小表达多值,但不够稳定,容易受外界影响导致识别错误。而布尔提出的布尔代数使得基于 0 和 1 的组合也可以有丰富的计算逻辑,为设计、分析和优化逻辑电路提供了理论基础。因此二进制在计算机领域脱颖而出,成为计算机的标准进制。

因为开关元件是底层,一个 cpu 就对应了成千上万,甚至上亿个开关元件,因此它的性能很大程度决定了 cpu 的性能。而计算机的发展史也和它密切相关。

计算机发展史

第零代-继电器机械计算机(-1945)

第一个计算机称为 马克1号,使用了 3500 个继电器,1秒能进行3次加法。缺点是速度慢,体积大,组件容易坏。

image.png

继电器的结构非常简单,2* (电源+物理开关+通电线圈) 就组成了一个继电器,下面的开关通电,线圈产生磁力,把上面的开关关上,上面的电路也会通电。通过组合开关和线圈,就可以实现门电路。因为继电器结构比较简单,为了便于理解,后面的门电路都是通过继电器来实现。

image.png

第一代-电子管计算机(1945-1955)

比较有名的电子管计算机是 ENIAC,有17,468个真空管,1秒15000次加法。因为不涉及开关运动,速度比继电器要快。缺点是体积还是偏大,耗电巨大。

image.png

电子管是一种利用电场对真空中的电子流进行控制和放大的电子器件。‌它主要由阴极、栅极和阳极组成,阴极负责发射电子,栅极控制电子流的强度,而阳极则负责收集电子并产生电流。‌

image.png

第二代-晶体管计算机(1955-至今)

现代计算机都用上了晶体管,因为集成电路的出现使得一个小小的 cpu 就可以集成几十亿个晶体管,1秒上亿次加法运算。晶体管的发明催生了硅谷和一大批互联网公司,使得个人计算机成为可能,是能改变历史的伟大发明。

晶体管结构比较复杂,这里就展开讲了。原理也是有3极,1极是控制极,通过控制极来控制电路。

门电路

门电路是由开关元件组成,有自己的符号。实现了一些布尔运算,正是这些布尔运算使得计算成为可能。

image.png

布尔运算种类有很多,最简单的就是"与"和"或"。下面是与门和或门的继电器实现。

image.png

image.png

上面的 V 是有电压的意思,会和接地线形成回路,所以下面的两个图是等价的。 image.png

异或门会复杂一些,他的计算如下,和或门的区别在于 1,1 或门会输出 1 ,而异或门会输出 0,因此需要或门基础上,在 1,1 的时候变成 0,这时候只要与一个非与门就行了。

A值B值异或结果
110
011
101
000

image.png

组合逻辑电路

半加器

有了门电路,就可以进行计算了,我们先看看最简单的加法是怎么实现的。先进行一个位的计算,然后再拓展到多个位。二进制的加法逻辑和十进制是一样的,会有进位。先把所有计算结果枚举出来,再看看计算特点。

A值B值
1110
011
101
000

可以发现,个位的计算符合异或门的特点,而判断要不要进位,只需要一个与门就行了,因此一个简单的一个位的加法可以用下面的门电路实现,输入2个位,输出2个位来表示一个位的结果和是否进位。而这个逻辑电路称为半加器。

image.png

全加器

称为半加器是因为还处理不了多个位,要处理多个位需要把进位也考虑上,例如要计算第二位的值,需要加上第一位的进位值,如果是 0 则不用加,如果是 1 还要加 1,还要判断加上进位制之后,第二位是否也要进位。3个输入(前一位是否进位和2个值),同样 2个输出。这就是全加器。

image.png

全加器由两个半加器组成,A B"和"后是否进位,"或"上 +1 之后是否进位,就得出最终是否进位。A,B "和"的结果再加上进位输入的 "和"就得出这一位的值是多少。

这时候再把多个全加器连起来,就变成了支持多位"和"计算的运算器了。

image.png

减法实现

如何支持减法呢? 已知:

  • 正数 - 正数 = 正数 + 负数
  • 负数 = 正数的补码 (反码 + 1)

得出

  • 正数 - 正数 = 正数 + 正数的反码 + 1

减法变成了加法运算,就可以用全加器了。反码的实现很简单,用门实现就是加一个反门,而加 1 则刚好用上第一位的进位值。

image.png

反馈电路

复杂的电路带来一个问题,门的开合是需要时间的,一个电路从开始到最后的输出,经过了n 条路径,n个门,如何才能确定最终的值。例如下面的全加器,什么时候能确定异或之后的进位输出值呢? 这就需要到反馈电路来确定最终的值了。

image.png

反馈电路就是自己开关自己,不断循环,不断产生 0101。这种反馈电路可称为振荡器,频率就是1s的周期数,单位是赫兹 Hz。我们常见的 CPU 的频率是以 GHz 为单位,1 GHz 为 10^9Hz,也就是 1s 产生 10^9 个周期,一个周期只需要 1 纳秒的时间。

image.png

简化之后就变成了

image.png

因此产生高低电路,一个周期我们称为一个 CPU 的时钟周期。这个电路我们是可以调节快慢的,我们可以规定在低电压的时候电路还没稳定,等到高电压的时候我们才确定最终的值。这样的话最长的电路执行时间就必须小于半个时钟周期。

其实根据上升沿这瞬间去确定最终的值更好,这样最长电路执行时间只要小于一个时钟周期即可,但电路会更复杂。为了方便理解下文使用高电压作为电路值确定的时间。

image.png

锁存器

有了时钟周期,会带来另一个问题,这个时钟周期多大合适。例如下面的例子,这个电路会经过2个加法器,假设经过一个加法器是要 1ns,为了确定最终的值,这个时钟周期只能设置成 2*2ns,相当于10ns 只能计算 5 次。

image.png

时间浪费在在第2ns 的时候其实加法器并没有进行计算,那能不能提升一下效率,变成 10ns 能计算 10次呢? 答案是只要增加一个锁存器,这个锁存器的功能就是把值存起来。第 1ns 的时候锁存器存储第一个加法器的值,第2ns 的时候第一个加法器进行第二次计算,第二个加法器根据锁存器的值进行计算,那后面每 1ns 就能进行一次运算了.

image.png

总结一下,我们需要一个可以存储数据的电路,在高电压时写入数据,低电压的时候保留高电压写入的数据。下面这个电路正好可以实现这个功能。我们先一步一步看。

下面的电路用了2个或非门,或非门是 0,0 的时候才是 1

A值B值
001
010
100
110

image.png

电路有2种情况

上合下断

红色的线代表 1,黑色的线代表 0。这时灯泡是亮的,代表最终的值输出是 1。两个门中间的电路是 0。

image.png

这时候把上面的开关也断开,灯泡还是亮的,最终输出值还是 1。两个门中间的电路是 0。

image.png

上断下合

这时最终输出值是 0,两个门中间的电路是 1

image.png

下面开关断开之后,最终输出值还是 0,两个门中间的电路是 1

image.png

总结一下就是上下开关代表的 01 和 10 决定了最终的值,且变成 00 之后的值还是上一个开关状态的值。电路简化之后就是如下图。

image.png

这时我们可以引入一个保持位,这个保持位为1 代表可以写入数据,如果变成 0 则不能写数据,而且仍然输出之前写入的值。

image.png

因为上下开关只有 01,10 两种组合,因此可以加一个反门,把 2 个开关合并成一个。

image.png

只要把振荡器接入保持位,即可实现高电位可写入,低电位数据保持的功能。这就是锁存器。如果把保持位当作写入位,也就是一个存储器了。

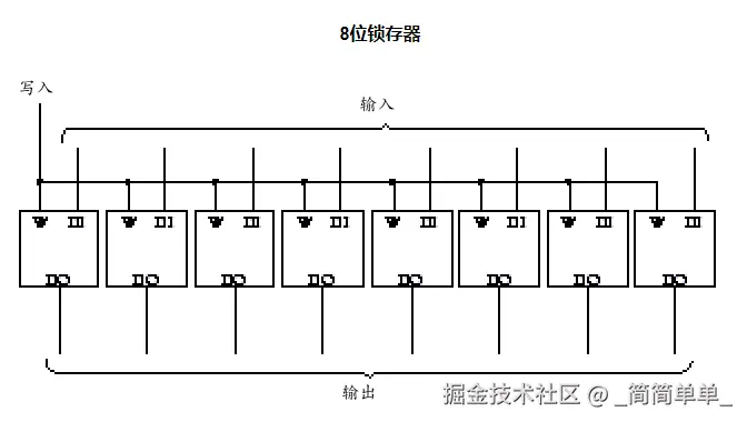
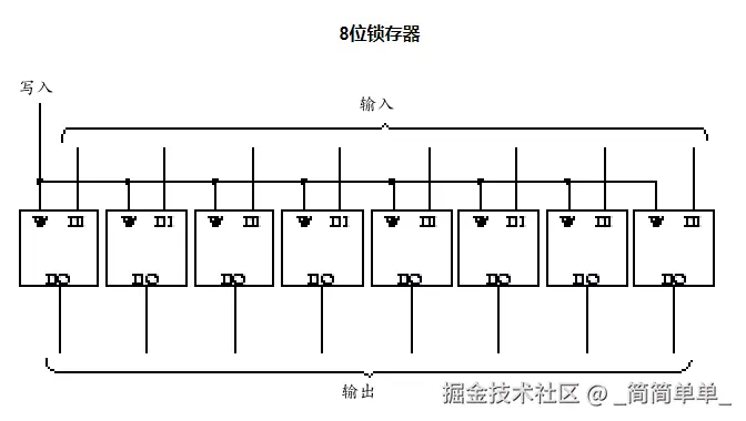
如果把8个锁存器连在一起,有 8 个输入数据,对应 8 个锁存器,就变成了一个 8位锁存器。可以存一个字节的数据。

image.png

image.png

存储器

锁存器虽然可以实现数据存储功能,但还不是一个完整的存储器,我们希望存储器可以存多个字节的数据,并根据地址选择对应的数据。那假设这个存储器有 多锁存器,怎么根据地址来选择对应的锁存器呢?

image.png

这时候就要用到选择器了。选择器也叫译码器 8 个锁存器需要 3 位的地址(2^3=8) 来进行标识,这种选择器叫做 3-8 选择器,4 个锁存器需要 2个地址来标识,叫做 2-4 选择器。下面用 2-4 选择器举例。

2-4 选择器的作用是输入 2个位,输出 4 个位,根据 2 个位的组合进行输出,例如 00 -> 0001,01 -> 0010,如此类推,每次 4位都只有 1 位是 1 ,其他是 0

image.png

这时候只要配合上与门,即可实现选择的功能。写入的逻辑则是把选择器当成写入位,把写入位同时接到锁存器中即可(相当于把所有锁存器都输入,但因为只有一个锁存器写入是1 ,所以只有这个锁存器写入成功).

image.png

选择器的电路如下,看上去很复杂,但实际上看 D0 和 D1 就知道选择器的逻辑了。

image.png

如果想存储多个位的数据,只要多加几个锁存器即可。下面就是有 8 * 2位大小的存储,读写单位是 2 个位。

image.png

选择器除了可以用于地址译码,还能用于指令译码。也就是可以根据不同的指令来选择不同的电路,从而实现不同的功能。

总结

我们已经知道 CPU 是由运算器,存储器,控制器组成,但他们是怎么协作,使得 cpu 可以执行指令的呢? 下篇文章再进行分析。