4种常见的MOS管栅极驱动电路,你用过几个?

235 阅读3分钟

唯样.png MOS管因为其导通内阻低,开关速度快,因此被广泛应用在开关电源上。而用好一个MOS管,选择唯样商城的MOS管,其次驱动电路的设计就很关键。下面分享几种常用的驱动电路。

**
**

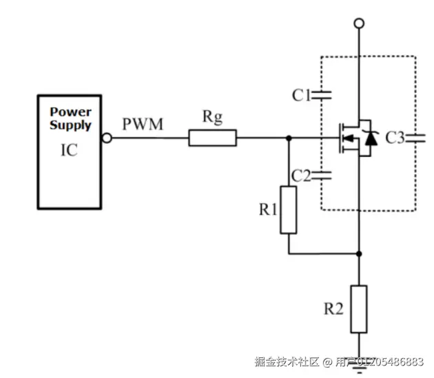
**01 **IC直接驱动型  

这种电源IC的直接驱动是最常见、最简单的驱动方式。

upfile

图1 IC直接驱动MOS栅极

使用这种方法,我们应该注意几个参数及其影响。

首先查看电源IC手册,了解最大峰值驱动电流,因为不同的IC芯片具有不同的驱动能力。
其次,检查MOSFET的寄生电容,如图中的C1、C2和C3,如果容值较大,导通MOS管所需的能量也比较大。如果电源IC没有足够的峰值驱动电流,晶体管将以较慢的速度开启。
如果驱动能力不足,上升沿可能会出现高频振荡,即使减小图1中的Rg也无法解决问题!而IC驱动能力、MOSFET寄生电容、MOSFET开关速度等因素,也会影响驱动电阻的选择,所以Rg不能无限减小。

**02 **推挽输出电路增强驱动

该驱动电路的作用是增加电流供应能力,快速完成栅极电容输入的充电过程。这种拓扑增加了开通所需的时间,但减少了关断时间,开关管能够快速开通,避免上升沿的高频振荡。

upfile

图2 推挽输出电路增强驱动

**03 **驱动电路加速MOS管的关断

在关断的瞬间,驱动电路可以提供尽可能低阻抗的通路,使MOSFET的栅极和源极之间的电容快速放电,保证开关管可以快速关断。
为了保证栅源极间电容C2的快速放电,找元器件现货上唯样商城 在Rg1上并联了一个Rg2和一个二极管D1。
其中D1通常采用快恢复二极管,缩短了关断时间并降低了关断损耗;Rg2的作用是防止电源IC在关断时因电流过大而烧坏。

upfile

图3 加速MOS管关断电路
图腾柱电路也可以加速关断,当电源IC的驱动能力足够时,图2中的电路可以改进为下图这种形式。

upfile

图4 改善型加速MOS管关断电路
用三极管释放GS电容的电是很常见的,如果Q1的发射极没有电阻,PNP晶体管导通时栅极与源极之间的电容会短路,可以在最短的时间内实现放电,最大限度地减小关断时的交叉损耗。
图4,因为三极管的存在,栅极和源极之间电容电流不会直接通过电源IC放电,提高了电路可靠性。

**04 **变压器驱动电路加速MOS管的关断

为了满足驱动高边MOS管的要求,如图5所示,通常使用变压器驱动器,有时也用于安全隔离。
使用R1的目的是抑制PCB板上的寄生电感与C1形成LC振荡,其设计目的是隔离直流,通过交流,同时防止磁芯饱和。

upfile

图5 高边MOSFET驱动电路