CHAPTER 15 Oscillators

102 阅读1分钟

CHAPTER 15 Oscillators

这一章介绍CMOS振荡器, VCO(电压控制振荡器). 先学习振荡器负反馈系统, 介绍环形振荡器和LC振荡器, 和改变频率的各种方法. 然后介绍VCO的建模, 以应用在PLL设计中.

15.1 General Considerations

振荡器就是一个稳定性很差的unity-gain 反馈电路.

VoutVin(s)=H(s)1+H(s)\frac{V_{out}}{V_{in}}(s)=\frac{H(s)}{1+H(s)}

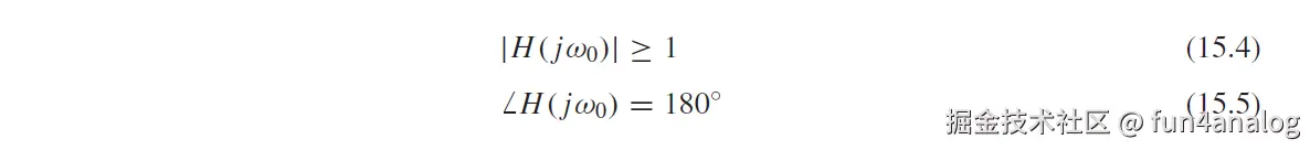
要在w0处震荡, 这个负反馈系统要满足两个条件: Gain>1, Phase (w0) = 180deg, 即Barkhausen criteria

15.2 Ring Oscillators

环形振荡器采用奇数级放大器组成.

可由小信号模型推导出震荡频率为:

A03ω0/2A0\sqrt3ω_0/2

由大信号推导出震荡频率为:

1/(6TD)1/(6T_D)

由于输出电压限制, 频率会降低为大信号频率.

环震也可由偶数级全差分运放组成.

考虑到功耗, 速度, 常见3-5级环振结构

考虑全差分结构, M3和M4作为resistor, 需要Vb bias (Fig 15.18 a). (b)结构牺牲了headroom. (c)结构, 对于M3, Vsd3=Vsg3-Vgs5. 当Vgs5=Vth3时, Vsd3=Vsg3-Vth3, 即M3恰好处于饱和区, 阻抗为1/gm3.

15.3 LC Oscillators

对于带ESR的电感L并联电容C, 可转化为Lp, Rp, Cp三者并联

其阻抗|Z|如下图所示, 在w<w1 低频时表现出电感性, w>w1在高平时表现出电容性

w1=1/(LPCP)w1=1/\sqrt(L_PC_P)

可用cross-couple的结构

15.3.4 One-Port Oscillators

也可以用negative resistor来组成振荡器. 即输入电压增加, 电路消耗的电流减小.

如何产生负电阻呢? 可以用正反馈来做. 考虑下图电路. M1为source follower, M2为common gate反馈. 当M1 gate增加时, M1 source也增加, 导致ID2即消耗的Ib减小, 部分Ib流入输入.

输入阻抗: Vx/Ix=-2/gm1,2

负电阻并联上LCR网络, 就能形成振荡器, oscillation build-up, RP − 2/gm ≥ 0

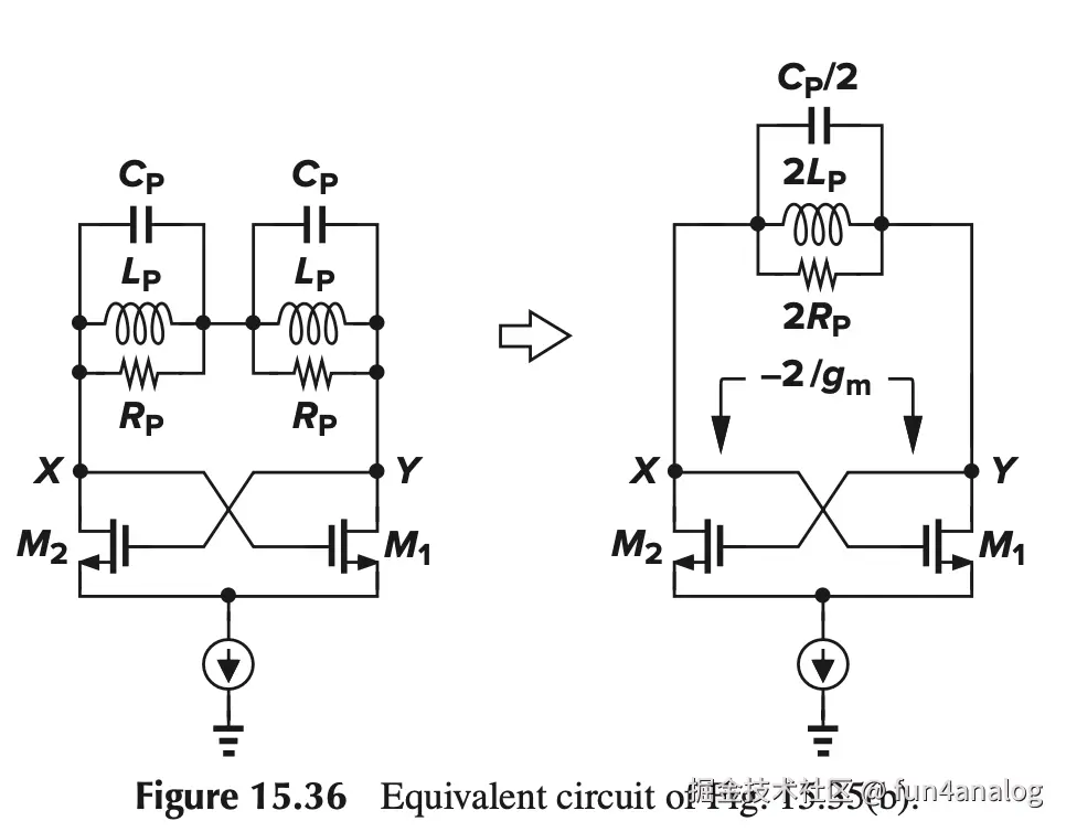
变形一下两管 cross couple产生-2/gm阻抗, 如下图所示. M1和M2的gate和drain互接产生-2/gm 阻抗. 这是常用产生负电阻的办法.

这种架构也称为negative-Gm oscillator.

15.4 Voltage-Controlled Oscillators

不少应用需要电压控制振荡器, 即振荡器频率与输入电压有关. ωout =ω0+KVCO*Vcont.

我们关心中心频率和调节范围. 因为频率随着工艺变化很大, 因此tuning range要够大. 我们也关心调节线性度, 希望电压增益Gain, KVCO越小越好, 这样频率随着电压变化小.

15.4.1 Tuning in Ring Oscillators

考虑下图环振结构

Vcont控制M3,M4的电阻. 当Vcont增加, M3电阻增加, 增加time constant τ1\tau_1, 从而降低频率fosc. 因此频率fosc和Vcont成正比.

Fig 15.42电路的缺点是, 输出摆幅为 2ISS*Ron3,4, 随着Vcont与频率变化.

为了减小输出摆幅的变化, 考虑下图结构, 通过A1运放调节M3,M4,M5的gate, 钳位

VX=VY=VP=Vref. VDS5=VDD-Vref. 因此VX和VY在VDD与VDD-Vref之间变化. 即使I1由于工艺发生变化.

运放A1的带宽不能太慢, 否则wout的建立时间太长, 影响PLL的性能.

Ron3 Iss=VDD-Vref, Ron3=(VDD-Vref)/Iss,

因此震荡频率和ISS成正比, 也和Vcont成正比.

Delay Variation by Positive Feedback

还可以采用cross-couple产生的负电阻来进行频率tuning.

当I1增加, gm3增加, Rn less negative, 输出阻抗增加, 频率降低.

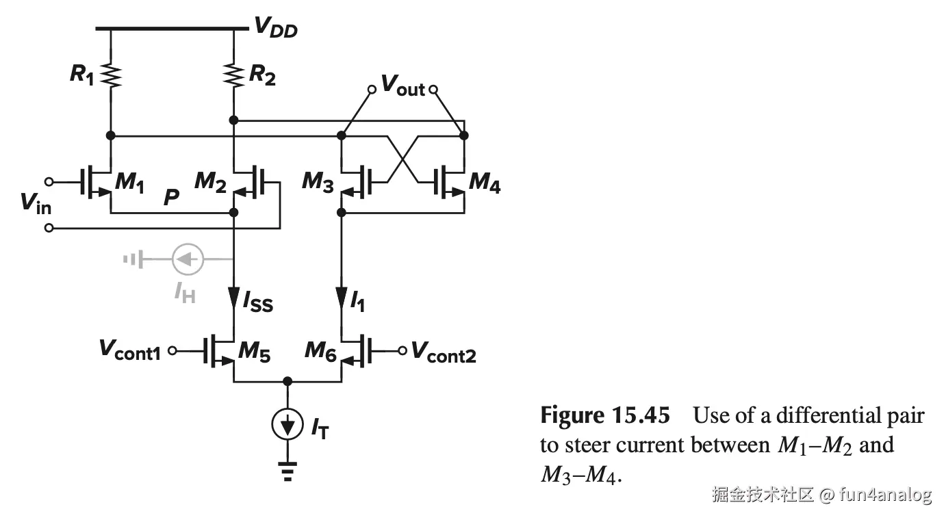
但上图缺点是当I1变化时, R1,R2的电流也发生变化, 导致输出电压摆幅不一致. 希望能设计Iss+I1电流和恒定, 变化相反. 考虑下图Fig15.45, Iss+I1=IT. Vcont1和Vcon2为差分控制信号, 相比单端能提高抗噪声能力.

Fig15.45结构的缺点是headroom. 想要M5和M6的override电压小, 但是M5和M6的gm要小(这样control-osc的gain才小), gm=2ID/(Vgs-Vth), 意味着M5,M6的override要大. M5.M6不需要工作在饱和区, 工作在线性区, 能减小headroom, 同时降低sensitivity. 这就是VCO, headroom和sensitivity的trade-off.

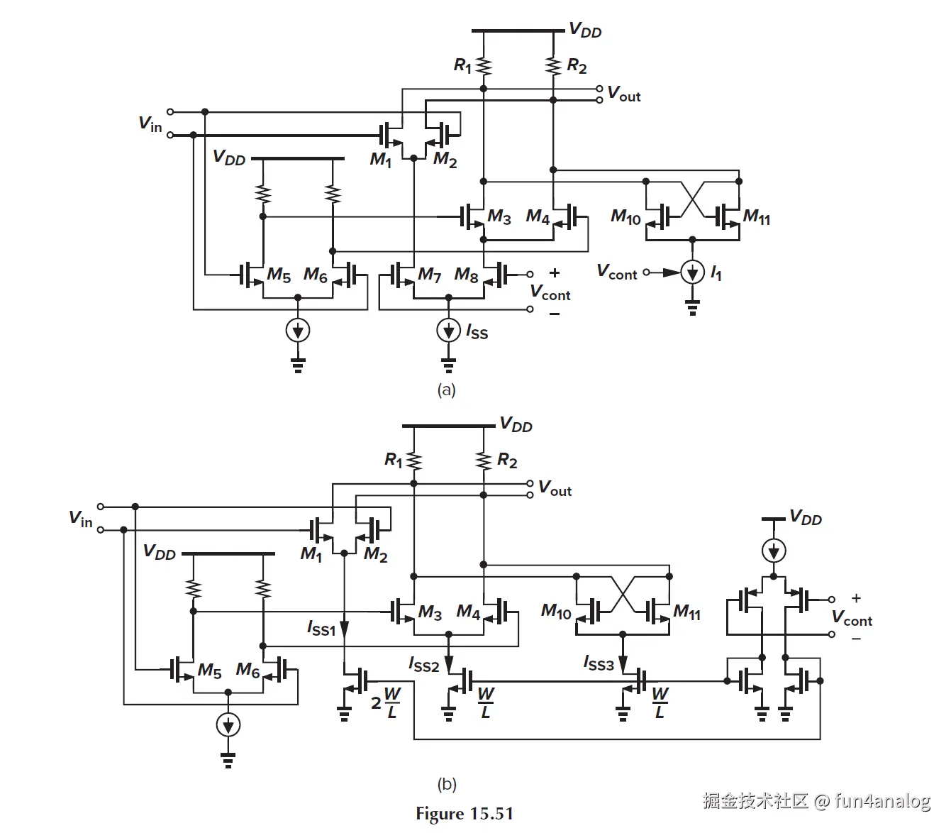
对于低电压供电, 要省M5,M6的headroom, 可用folded电流结构, 即把M5, M6改成PMOS输入, 用电流镜转一下, 让M1/M2, M3/M4的电流镜为Vds, 即所谓current folding. 如下图所示. Iout1 + Iout2 = K ISS. M1/M2电流+M3/M4电流=K*ISS. 供电能力还放大了K倍, 但是两边电流之和不变.

Delay Variation by Interpolation

考虑在Vin和Vout的通路之间加入slow path和fast path.

a)中 Iout = gm1,2 * Vin1+gm3,4 ** Vin2, 输出电流为两pair之和.

b)中 Vcont+和Vcont-变化相反, I12和I3,4的电流之和为输出Vout. I1,2为fast path, I3,4为slow path.

Fig15.50 中 Iss控制M1-M2 (fast path), M3-M4的电流 (slow path). 当Vcont+很低, M8 off, M7 on, fast path on. 当Vcont+很高, M7 off, M8 on, slow path on. 这样Vin到Vout的delay时间不一致. 可以产生VCO的tuning range.

为了解决a) headroom问题, 可以用current folding技术, 如b) 所示

Wide-Range Tuning

上面介绍的结构, tuning范围都在1 ~ 3之间. 下图结构可提供更大的tuning range. M5和M6受input控制, 可把Vout拉到Vdd. 这样即使Vcont改变Iss, 也能提供相对稳定的输出摆幅. 采用该级电路的环形振荡器,其振荡频率的变化幅度可超过四个数量级,而幅度变化却不到两倍。

15.4.2 Tuning in LC Oscillators

LC架构的振荡器频率为

fosc=12πLCf_{osc}=\frac{1}{2\pi \sqrt{LC}}

频率与L,C的值有关, 和bias, gm等值无关. 因此可用电压控制电容, 即varactor, 来改变频率.

反偏的PN节能做varactor, 如下图所示

0 < Vcont < VDD − A + 300 mV.

X和Y的电压变化大, 因此电容变化也大.

为了减小N-well寄生电容, 可采用PMOS输入结构, 下图所示

也可以用MOS作为varactor电容, 把source, drain, body接到一起作为terminal 1, gate作为terminal 2. 而且这样不会漏电.

15.5 Mathematical Model of VCOs

考虑Vco输出电压的时域表达式

考虑次级谐波