解锁保险新世界-带你走进保险基本法

295 阅读12分钟

作者:京东保险 薛艳凯

一、 引言

提到京东,大多数人的第一印象便是那座繁华的购物商城,便捷的购物体验深入人心。但在这片商业沃土上,还孕育着一群特殊的京东人——他们不卖“商品”,却以传递保障、守护幸福为己任,那就是京东保险人。我所在的部门是保代业务研发部,专注于为保险代理人提供全方位的技术与业务支持,我们致力于持续优化服务,为代理人创造更多机遇,共同推动保险行业的繁荣与进步。

代理人是客户与公司间不可或缺的信任桥梁,其角色在业务环境的多变与挑战中显得尤为重要。为了维护这一信任桥梁的稳固,确保业务运营的有序与高效,规章制度的建立成为了至关重要的任务。正是基于这样的需求,基本法应运而生,它不仅是一套管理、薪酬体系,更是引导与规范行业运作的智慧结晶。基本法如同基石,稳固地支撑着保险代理业务的健康发展,确保每位代理人都能在明确的框架内发挥潜能,并得到丰厚的佣金奖励。

为提升代理人和内勤的服务效率,需要搭建一套智能化、自动化、个性化的系统架构来实现业务流程的优化和创新,同时可以快速响应市场变化、精准评估风险。而现有的架构已不满足当前环境的需要,且系统问题频出,不仅给业务团队带来了沉重的负担,也严重影响了公司的运营效率和客户信任。面对这一问题,我们深刻认识到重构系统的紧迫性和必要性。接下来就让我们共同走进基本法系统的蜕变之路吧。

二、 基本法介绍

保险基本法,是针对保险营销员(包括代理人和从业人员)的日常基础管理规定,而非统一的法律条文。这些规定详细覆盖了展业、晋升、奖惩以及利益分配等各方面,是保险公司推动其营销队伍发展的核心工具。在京东保代业务中保险基本法主要服务于公司的外勤业务人员--代理人,通过设定明确的规则和标准,来指导代理人的职业发展、业绩考核以及薪酬分配。这不仅关乎代理人的收入和发展,更直接影响到保代业务的稳定和市场竞争力。

2.1基本法核心内容

日常管理: 包括代理人的签约、异动、解约等日常行为规范,同时提供员工培训,确保队伍的稳定性和专业性。

薪酬与福利: 明确了薪酬的计算方式,包括直佣、间佣、非现金奖励等,同时涵盖了员工福利,如养老金等。

业绩考核: 代理人从初级业务员到营业区总监,每一阶段都有明确的业绩要求和相应的激励措施,设定了清晰的晋升路径。从业务达成率、继续率、团队指标等多个维度进行考核,确保代理人的工作质量。

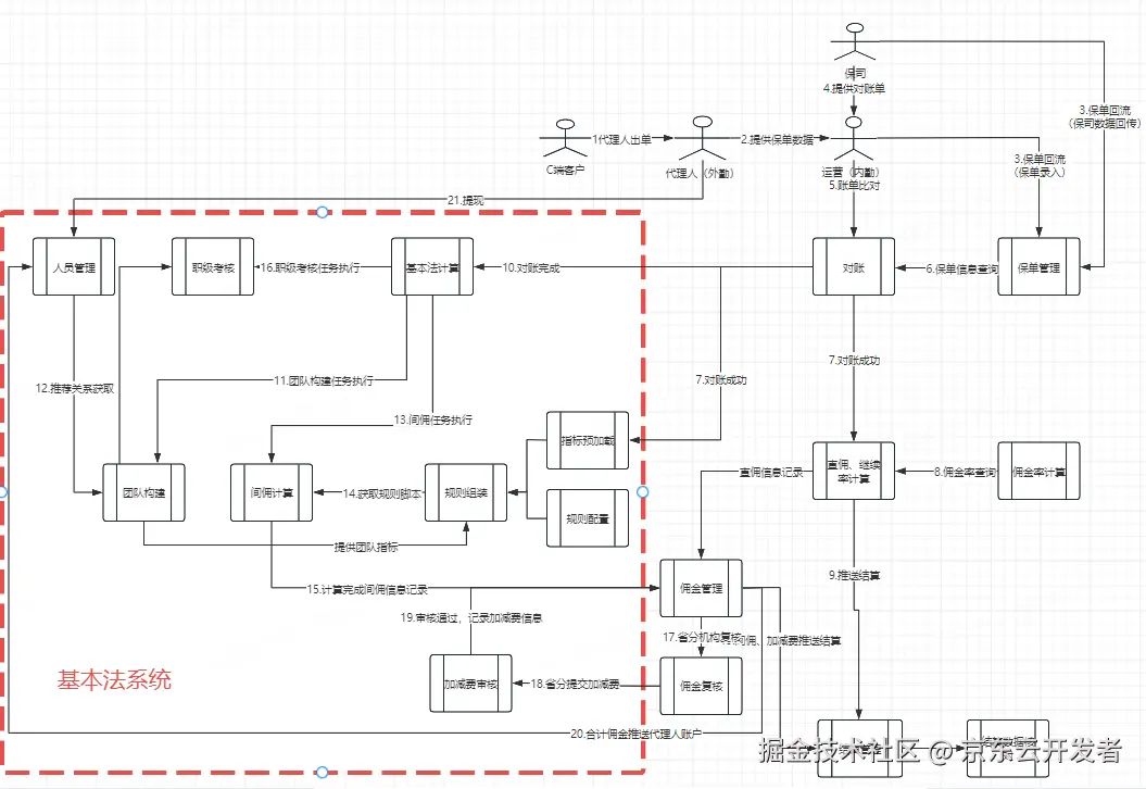
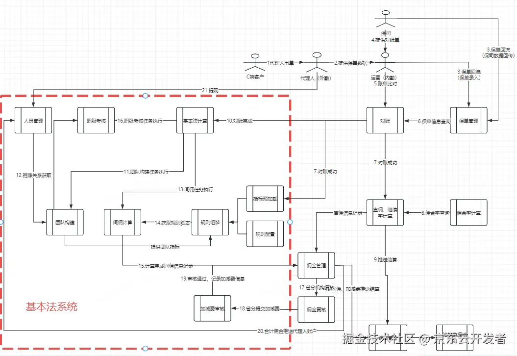
2.2 系统业务链路流程





三、基本法面临的挑战

3.1 系统复杂性

数据处理复杂性:随着业务规模的扩大,需要处理大量的业务数据,包括客户信息、保单信息、业绩数据等。由于数据的多样性和复杂性,系统建设面临着巨大的挑战。

系统定制化需求:基本法现存在三套版本,共涉及36个佣金项、17个职级,后续还会有新增基本法的要求。三套基本法彼此存在较大差异,这要求系统开发团队不仅要具备深厚的保险业务知识,还要具备强大的系统定制能力,以满足业务团队对不同版本基本法的特定需求。

政策与法规变动:保险行业政策法规频繁变动,且受到严格的监管。为适应政策变化,及时更新相应基本法规则,确保基本法的合规性,系统必须具备良好的灵活性和可扩展性。

3.2 业务复杂性

产品种类多样化:保险公司提供的产品种类繁多,包括寿险、财险、车险等。每种产品都有其独特的保险条款和费率结构,这就对基本法的制定和执行提出了更高的要求。

销售渠道多样化:保代业务通过多种渠道销售产品,包括代理人线下渠道、网销渠道等。不同渠道的销售模式和客户需求各不相同,这就要求基本法能够灵活应对各种销售场景。

风险管理:保险业务本身就存在较高的风险性,包括信用风险、市场风险、操作风险等。基本法需要在促进业务发展的同时,加强风险管理,确保公司的稳健运营。

四、基本法系统蜕变

4.1 系统全场景架构







4.2 系统重构对比





重构前重构后
可读性代码高耦合、重复、混乱,难以理解和修改代码低耦合、消除重复、逻辑清晰 复杂度降低,便于理解
系统灵活性系统模块化程度低,不利于维护和扩展模块化设计、易于维护和扩展‌
可靠性0%99.99%
安全性错误处理机制缺失自动复核、链路跟踪
性能依赖实时数据,存在不必要的资源消耗,系统响应时间长、吞吐量低,执行时长6小时指标预加载、引入drools规则引擎,响应时间短,执行时长30分钟

五、系统关键破局点深度介绍

5.1模块化解耦,明确职责划分

组件化设计: 组件化设计是现代软件架构的核心策略,将复杂系统细分为多个独立、自治的组件,每个组件专注于单一业务领域(如基础规则、业绩奖励、职位级别管理、绩效评估、团队协作等),极大地提升了系统的可维护性、可扩展性和复用性。这些组件内部封装了详尽的业务逻辑、精细的数据模型及标准化的服务接口,确保了组件间的低耦合与高内聚。

可配置化:赋予了系统极高的灵活性,允许通过直观的配置界面调整组件的行为与属性,无需修改代码即可快速响应业务需求变化。这一特性极大简化了基本法规则的定制流程,降低了运维成本。





自由组合: 用户能够像搭建积木一样,根据具体场景灵活选择并组合不同组件的版本,快速构建出符合个性化需求的基本法,极大缩短了基本法的落地时间,满足了市场多样化的需求。





5.2引入规则引擎

针对基本法佣金和考核规则多样性,引入了drools规则引擎作为解决方案。通过声明性语言DRL(Drools Rule Language)极大地简化了规则的描述过程,使得业务逻辑更加直观易懂,同时也显著提升了规则编写的灵活性和效率。

规则与代码解耦:通过将业务规则以脚本形式存储在文件中,实现了规则与业务代码的解耦,便于规则的修改和管理。

抽取通用指标并预加载:识别并提取佣金计算和绩效考核中的通用指标,通过数据预加载机制,减少实时计算的数据访问压力。

规则配置化:

可视化配置界面:提供友好的页面视图,将抽离出的指标(FYC、RYC、R13等)、条件符号(如大于、小于、等于等)、算法符号(如加、减、乘、除等)、逻辑符号(如或、且等)作为可选项呈现给业务或研发人员。用户只需通过选择的方式,即可轻松组合出所需的业务规则,无需深入了解DRL脚本的语法细节。

自动生成DRL脚本:在用户完成规则配置后,系统将自动根据用户的配置选项生成相应的DRL脚本。这一功能不仅大大减少了研发人员的编码工作量,还确保了规则配置的准确性和一致性,有效避免了因人为错误导致的规则执行问题。

直观读取规则:通过页面视图展示的规则配置结果,用户可以清晰地看到每一条规则的构成和逻辑关系,无需阅读复杂的DRL脚本即可理解规则的含义。这种直观性不仅降低了配置人员的学习成本,还提高了规则审核和验证的效率。





5.3多维度执行 + 数据版本隔离机制

基本法可以拆解到基本法版本、业务团队的不同维度执行计算任务,也可以将团队、佣金、考核组件单独执行,相较于之前架构更灵活高效。同时计算结果数据采取数据版本隔离,可以支持任务重复执行,并进行多个版本的数据比对,为佣金与考核预测提供坚实的技术支撑。佣金预测让代理人能够实时掌握任务进度,包括已完成的出单量、已获得的佣金收入、当前佣金与下一个佣金档位之间的差距等关键信息。这些信息可以让代理人认识到自己的提升空间,激发挑战欲望,提升工作积极性,为争取达到更高的佣金档位而努力。



收入追踪



该技术实现不仅为佣金与考核的精准预测铺设了技术快车道,更为基本法制定者赋予了前所未有的灵活性。在基本法制定过程中,可轻松切换不同规则进行组合,即时验证方案可行性,有效降低了试错成本,缩短了决策周期。对于新基本法方案的推行,通过数据驱动的验证与优化,确保新方案既符合市场趋势,又贴合团队实际。

5.4完善研发核对机制

5.4.1数据核对

为确保本月对账手续费的佣金核算准确无误,我们在业务审核前增加了核对流程。基于手续费预设比例精准计算出应付佣金的合理区间,系统自动化地将直接佣金(直佣)、间接佣金(间佣)及其他各类佣金项进行汇总,通过比对汇总结果与预设佣金区间,确保所有佣金支出均严格控制在合理范围内,有效避免了人为错误。既保障了代理人的应得利益,也维护了公司的财务健康。此优化机制不仅提升了工作效率,还显著增强了数据处理的准确性和可靠性。

5.4.2 多维度业务数据分析

接入BI报表系统,实现了数据的多维度可视化分析,为数据验证与洞察开辟了新路径。不仅深化了对数据复杂性的理解,还显著增强了数据的可解释性和可信度。通过拖拽式界面轻松构建图表与仪表板,能够直观展现数据在不同维度下的变化趋势与关联关系,从而快速识别异常值,进一步验证数据的准确性。此外,多维度的视角还促进了跨部门间的数据共享与协作,共同挖掘数据背后的商业价值,为企业决策提供坚实的数据支撑。





六、系统稳定性建设

6.1告警机制

系统接入应用监控(UMP)和机器监控(MDC)监控系统,配置了jvm监控、CPU使用率、磁盘使用率、连通性、RSS内存使用率、系统负载、TCP连接数、网络流入速率、网络流出速率、TCP重传数等告警项,全方位保障应用在处理基本法任务时能够持续、稳定、高效地运行。

6.2基本法任务执行链路跟踪

接入链路监控 (PFinder) :依赖PFinder能力,按多个维度指标进行监控,自动对 SpringMVC,JSF,MySQL,JMQ 等常用中间件进行性能埋点,自动梳理服务的上下游和中间件的依赖拓扑,在出现异常时可以基于请求的跨服务调用追踪,快速分析性能瓶颈。

系统任务链路监控: 关键任务(如团队任务、佣金结算、绩效考核等)按照预定的规则执行,将各节点执行信息进行留存,通过定时任务进行扫描任务各节点是否执行完成,超时未执行进行重试,重试3次仍未成功将触发邮件和电话告警,研发人员将在告警触达的第一时间响应处理,确保关键任务能够按照预定的规则顺利执行。

七、汇总展望

自系统重构实施以来,该系统已历经多轮严苛任务考验,其准确率跃升至99.99%,为超过4万名代理人提供了坚实的技术支撑与保障,彻底扭转了代理人及内勤团队对系统的旧有观念,得到了业务方的肯定。

未来,我们将坚定不移地聚焦于系统性能、稳定性及安全性的持续提升,确保每一环节的优化都能为业务的高速增长注入强劲动力。同时,我们将积极拥抱新技术,不断探索其在系统中的应用潜力,致力于推动系统向更加智能化、自动化的方向迈进。我们相信,通过技术的不断创新与应用,能够进一步释放生产力,加速业务流程的自动化与智能化转型,从而以技术为引擎,驱动业务实现跨越式发展。