工作原理:单向导电性
LED的工作是有方向性的,只有当正级接到LED阳极,负极接到LED的阴极的时候才能工作,如果反接LED是不能正常工作的。
开发板LED原理图
点亮LED
#include “reg52.h”
//此文件中定义了单片机的一些特殊功能寄存器,调用头文件
sbit led=P0^0; //将单片机的P0.0端口定义为led,p是port的缩写
void main()
{
while(1)
{
led=1; //P0.0端口设置为高电平
}
}
//补充:bit和sbit都是C51扩展的变量类型。sbit用法:sbit 变量名=地址值;在给某个引脚取名的时候经常会用到。
- 1
- 2
- 3
- 4
- 5
- 6
- 7
- 8
- 9
- 10
- 11
- 12
- 13
LED闪烁
1.C语言常用的预处理命令
typedef使用
typedef unsigned char u8;
typedef unsigned int u16;(后面要加分号)
新定义一些常用的关键词,可以增强程序的可移植性,因为在不同的编译软件上面,C语言的数据类型的关键词的位宽是不一样;
}
2.延时函数
void delay(u16 i)//大约延时10us
{
while(i--);
}
- 1
- 2
- 3
- 4
#include "reg52.h"
typedef unsigned int u16; //预处理命令
typedef unsigned char u8;
sbit led=P0^0; //端口定义
void delay(u16 i) //大约延时10us
{
while(i--);
}
void main()
{
while(1)
{
led=0; //管脚置低电平
delay(50000); //大约延时0.5秒
led=1; //管脚置高电平
delay(50000);
}
}
//Pracitce:控制第一个和第二个LED交替闪烁,周期为两秒。
- 1
- 2
- 3
- 4
- 5
- 6
- 7
- 8
- 9
- 10
- 11
- 12
- 13
- 14
- 15
- 16
- 17
- 18
- 19
- 20
- 21
- 22
LED流水灯
1.C语言常用预处理命令
#define使用 #define A P0(注意后面不用加分号)
2.循环左移右移函数
crol(a,b);循环左移函数,a是左移的值,b是左移的位数。包含在instrins.h库函数里面。
cror(a,b);循环右移函数,a是右移的值,b是右移的位数。包含在instrins.h库函数里面。
#include "reg52.h"
#include<intrins.h> //包含crol函数的头文件
typedef unsigned int u16;
typedef unsigned char u8;
#define led P0 //预处理命令
void delay(u16 i) //延时函数
{
while(i--);
}
void main() //主函数
{
u8 i;
led=0x01; //设定初始状态
delay(50000);
while(1)
{
/* for(i=0;i<8;i++)
{
P0=(0x01<<i);//无循环 delay(50000);
}
*/
for(i=0;i<7;i++)
{
led=_crol_(led,1);//有循环左移位 delay(50000);
}
for(i=0;i<7;i++)
{
led=_cror_(led,1); //有循环右移位
delay(50000); }
}
}
//practice:如何实现与流水灯恰好相反的效果
----------
- 1
- 2
- 3
- 4
- 5
- 6
- 7
- 8
- 9
- 10
- 11
- 12
- 13
- 14
- 15
- 16
- 17
- 18
- 19
- 20
- 21
- 22
- 23
- 24
- 25
- 26
- 27
- 28
- 29
- 30
- 31
- 32
- 33
- 34
- 35
- 36
- 37
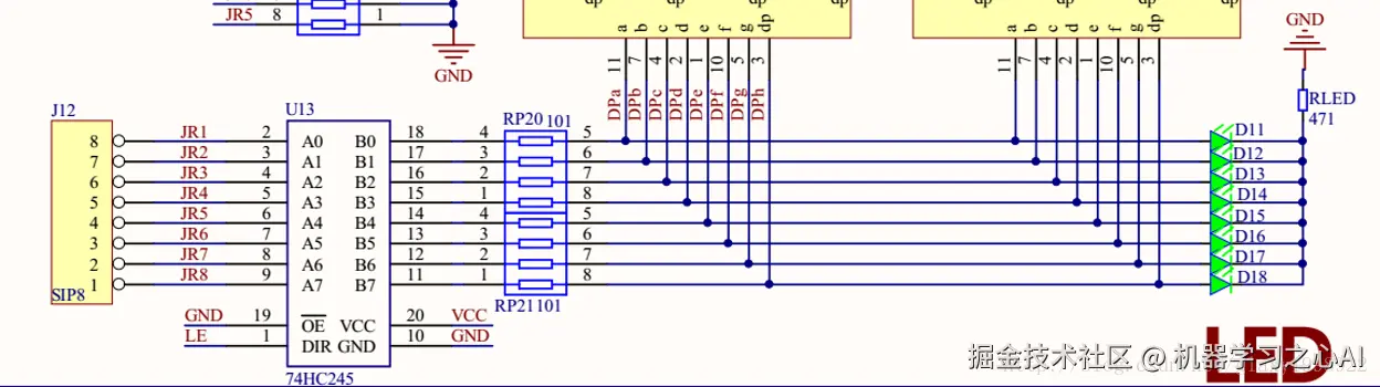
静态数码管
原理图
**led数码管(LED Segment Displays)**由多个发光二极管封装在一起组成“8”字型的器件,引线已在内部连接完成,只需引出它们的各个笔划,公共电极。数码管实际上是由七个发光管组成8字形构成的,加上小数点就是8个。这些段分别由字母a,b,c,d,e,f,g,dp来表示。
LED数码管根据LED的不同接法可以分为2类:共阴和共阳。
封装
工作原理
因为是共阳数码管,所以控制端为低电平才能导通,LED发光,所以如果需要静态数码管显示固定字符只要找到对应的端口状态,进而控制显示字符。
静态数码管控制
#include "reg52.h"
typedef unsigned int u16;
typedef unsigned char u8;
u8 code smgduan[17]={0x3f,0x06,0x5b,0x4f,0x66,0x6d,0x7d,0x07,
0x7f,0x6f,0x77,0x7c,0x39,0x5e,0x79,0x71};
//这是共阴数码管表, code 是定义存放在FLASH中的常量,单片机的RAM
// 有限,所以尽量把不变的数组都存在ROM中
void main()
{
P0=~smgduan[];
while(1);
}
//Practice:让静态数码管循环显示你的电话号码,每个数字周期为0.5秒。
- 1
- 2
- 3
- 4
- 5
- 6
- 7
- 8
- 9
- 10
- 11
- 12
- 13
- 14
独立按键
轻触开关是一种电子开关,使用时,轻轻按开关按钮就可使开关接通,当松开手时,开关断开。我们使用的开关如下图:
封装
原理图
独立按键是一个输入模块,将按键受力转化为电学量,按键按下的瞬间两边导通,电平相同,单片机可以检测电平变化以作出相应应答。
难点在于实际按键按下时存在抖动,我们可以通过软件消除抖动因素
独立按键编程
#include "reg52.h" //此文件中定义了单片机的一些特殊功能寄存器
typedef unsigned int u16; //对数据类型进行声明定义
typedef unsigned char u8;
sbit k1=P1^0; //定义P10口是k1
sbit led=P0^0; //定义P00口是led
void delay(u16 i)
{
while(i--);



**既有适合小白学习的零基础资料,也有适合3年以上经验的小伙伴深入学习提升的进阶课程,涵盖了95%以上Go语言开发知识点,真正体系化!**
**由于文件比较多,这里只是将部分目录截图出来,全套包含大厂面经、学习笔记、源码讲义、实战项目、大纲路线、讲解视频,并且后续会持续更新**
**[如果你需要这些资料,可以戳这里获取](https://gitee.com/vip204888)**