电路设计(27)——交通信号灯的multisim仿真_设计一份基于multisim的红绿灯电路图

240 阅读4分钟

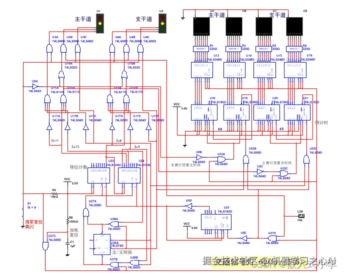
3.芯片介绍

74LS190是一种BCD(二进制编码十进制)计数器/分频器,属于74系列逻辑芯片的一种。以下是关于74LS190的一些特点和功能:

  1. **计数功能:** 74LS190具有四位二进制计数器,可以进行0至9(二进制表示为0000至1001)的循环计数。它根据时钟脉冲信号的作用逐次递增。

  2. **BCD输出:** 74LS190的输出以BCD形式(二进制编码十进制)表示计数结果。每一位的输出通过四个输出引脚(QA、QB、QC和QD)进行表示,分别对应一个BCD数位。

  3. **清零功能:** 74LS190具有异步清零功能,可以通过清零输入引脚将计数器的值重置为零。

  4. **多种计数模式:** 74LS190可以在不同的计数模式下运行,包括正向计数、逆向计数、二进制分频和十进制分频等模式。通过模式选择引脚(UP/DOWN)和分频输入引脚(CP)的控制,可以选择不同的计数方式。

  5. **级联功能:** 多个74LS190计数器可以级联连接,形成更宽的计数范围或扩展功能。通过将进位输出引脚(CO)连接到下一个计数器的时钟输入引脚,可以将多个计数器连接成一个更大的计数器。

  6. **工作电压:** 74LS190通常在5V电源下工作,与TTL逻辑兼容。

74LS190广泛应用于数字电路中需要BCD计数和分频功能的应用,例如计时器、频率分频器、时钟控制等。它提供了灵活的计数和分频选项,以适应不同的应用需求。

74LS164是74系列逻辑芯片中的一种8位移位寄存器,也被称为串行至并行转换器。以下是关于74LS164的一些特点和功能:

  1. **移位寄存器:** 74LS164内部包含8位寄存器,可以将输入数据进行串行输入,然后通过时钟脉冲信号控制将数据并行输出到8个输出引脚中。

  2. **串行至并行转换:** 74LS164能够将串行输入的数据位按顺序存储在内部寄存器中,然后通过时钟信号将这些数据并行输出到8个输出引脚中,实现了串行至并行数据转换。

  3. **时钟控制:** 数据的移位和存储由时钟信号控制,通常在每个时钟周期内,输入数据会向左移动一个位,同时从最右边的位开始并行输出。

  4. **级联功能:** 多个74LS164移位寄存器可以级联连接,实现更多位的数据移位和存储。通过将一个寄存器的输出连接到下一个寄存器的串行输入,可以形成更大规模的移位寄存器。

  5. **工作电压:** 74LS164通常在5V电源下工作,与TTL逻辑兼容。

  6. **广泛应用:** 74LS164常被用于串行数据转换为并行数据的应用中,例如显示驱动、存储器芯片、数据传输等。它在数字系统设计中具有重要作用,能够方便地处理串行数据与并行数据之间的转换。

总的来说,74LS164是一种常见的串行至并行转换器,适用于各种数字电路设计中,为设计师提供了一种方便有效的数据处理方式。

4.源文件

        multisim仿真文件如下:

交通信号灯的multism仿真资源-CSDN文库icon-default.png?t=N7T8https://download.csdn.net/download/guangali/88854139?spm=1001.2014.3001.5501

img img

既有适合小白学习的零基础资料,也有适合3年以上经验的小伙伴深入学习提升的进阶课程,涵盖了95%以上物联网嵌入式知识点,真正体系化!

由于文件比较多,这里只是将部分目录截图出来,全套包含大厂面经、学习笔记、源码讲义、实战项目、大纲路线、电子书籍、讲解视频,并且后续会持续更新

如果你需要这些资料,可以戳这里获取