51单片机学习历程(一)单片机入门,2024年最新程序员如何技术划水

122 阅读7分钟

单片机入门

什么是单片机

  • 单片机(Microcontrollers)是一种集成电路芯片,是采用超大规模集成电路技术把具有数据处理能力的中央处理器CPU、随机存储器RAM、只读存储器ROM、多种I/O口和中断系统、定时器/计数器等功能(可能还包括显示驱动电路、脉宽调制电路、模拟多路转换器、A/D转换器等电路)集成到一块硅片上构成的一个小而完善的微型计算机系统,在工业控制领域广泛应用。从上世纪80年代,由当时的4位、8位单片机,发展到现在的300M的高速单片机。
  • 不是完成某一个逻辑功能的芯片,而是把一个计算机系统集成到一个芯片上相当于一个微型的计算机,和计算机相比,单片机只缺少了I/O设备。概括的讲:一块芯片就成了一台计算机。

Intel公司推出了MCS-51系列单片机:集成 
8位CPU、4K字节ROM、128字节RAM、4个8位并口、1个全双工串行口、2个16位定时/计数器。寻址范围64K,并有控制功能较强的布尔处理器。

封装这里写图片描述

单片机工作的基本时序

  • 振荡周期: 也称时钟周期, 是指为单片机提供时钟脉冲信号的振荡源的周期,我们开发板上为12MHZ。 状态周期:
  • 每个状态周期为时钟周期的 2 倍, 是振荡周期经二分频后得到的。
  • 机器周期: 一个机器周期包含 6 个状态周期S1~S6, 也就是12 个时钟周期。 在一个机器周期内, CPU可以完成一个独立的操作。
  • 指令周期: 它是指CPU完成一条操作所需的全部时间。
  • 每条指令执行时间都是有一个或几个机器周期组成。MCS - 51 系统中, 有单周期指令、双周期指令和四周期指令

数字电路基础

电平特性 
数字电路中只有两种电平:高电平和低电平 
高电平:5V或者3.3V,取决单片机电源。 
低电平:0V 
RS232电平:计算机串口的电平 
高电平:-12V 
低电平:+12V 
所以当我们用单片机跟电脑通信的时候,我们要通过各种元器件将单片机的电平转换为计算机可识别的电平才能跟电脑进行通信。

二进制逻辑运算

  • “与”运算 
    有0得0 
    1&1=1 ; 1&0=0 ; 0&0=0 ;
  • “或”运算 
    有1得1 
    1|1=1 ; 1|0=1 ; 0|0=0;
  • “非”运算 
    1的非得0,0的非得1。 
    ~1=0; ~0=1;
  • “异或”运算 
    必须不同,否则没有(0) 
    1^1=0;1^0=1;0^0=0;

80C51的引脚

这里写图片描述

P3口第二功能各引脚功能 定义: P3.0:RXD串行口输入 
P3.1:TXD串行口输出 
P3.2:INT0外部中断0输入 
P3.3:INT1外部中断1输入 
P3.4:T0定时器0外部输入 
P3.5:T1定时器1外部输入 
P3.6:WR外部写控制 
P3.7:RD外部读控制


建立keil工程文件

1.创建工程文件夹 
2.创建工程文件 
3.选择正确的单片机型号 
4.创建新的C语言文件 
5.保存并添加C语言文件 
6.开始编写程序


LED

Light Emitting Diode 
LED,即发光二极管,是一种半导体固体发光器件。 
插件 
这里写图片描述 
贴片 
这里写图片描述 
LED 原理图 
这里写图片描述

工作原理:单向导电性

LED的工作是有方向性的,只有当正级接到LED阳极,负极接到LED的阴极的时候才能工作,如果反接LED是不能正常工作的。

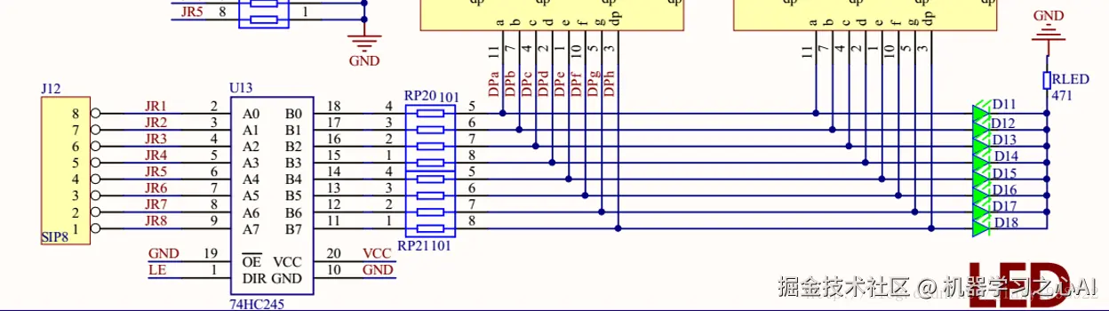
开发板LED原理图

这里写图片描述

点亮LED

#include “reg52.h”   
                   //此文件中定义了单片机的一些特殊功能寄存器,调用头文件
 sbit led=P0^0;    //将单片机的P0.0端口定义为led,p是port的缩写

void main()
{
    while(1)
    {
        led=1;  //P0.0端口设置为高电平
    }       
}
//补充:bit和sbit都是C51扩展的变量类型。sbit用法:sbit 变量名=地址值;在给某个引脚取名的时候经常会用到。

  • 1
  • 2
  • 3
  • 4
  • 5
  • 6
  • 7
  • 8
  • 9
  • 10
  • 11
  • 12
  • 13

LED闪烁

1.C语言常用的预处理命令

typedef使用 
typedef unsigned char u8; 
typedef unsigned int u16;(后面要加分号)

新定义一些常用的关键词,可以增强程序的可移植性,因为在不同的编译软件上面,C语言的数据类型的关键词的位宽是不一样; 

2.延时函数

void delay(u16 i)//大约延时10us
{
    while(i--); 
}
  • 1
  • 2
  • 3
  • 4
#include "reg52.h"          
typedef unsigned int u16;                    //预处理命令
typedef unsigned char u8;
    sbit led=P0^0;                       //端口定义

void delay(u16 i)                                   //大约延时10us
{
    while(i--);                                     
}

void main()                                            
{
    while(1)
    {
        led=0;                         //管脚置低电平
        delay(50000);             //大约延时0.5秒
                            led=1;                         //管脚置高电平      
        delay(50000);   
    }       
}                                            
//Pracitce:控制第一个和第二个LED交替闪烁,周期为两秒。

  • 1
  • 2
  • 3
  • 4
  • 5
  • 6
  • 7
  • 8
  • 9
  • 10
  • 11
  • 12
  • 13
  • 14
  • 15
  • 16
  • 17
  • 18
  • 19
  • 20
  • 21
  • 22

LED流水灯

1.C语言常用预处理命令

#define使用 #define A P0(注意后面不用加分号)

2.循环左移右移函数

crol(a,b);循环左移函数,a是左移的值,b是左移的位数。包含在instrins.h库函数里面。 
cror(a,b);循环右移函数,a是右移的值,b是右移的位数。包含在instrins.h库函数里面。

#include "reg52.h"          
 #include<intrins.h>         //包含crol函数的头文件
typedef unsigned int u16;   
typedef unsigned char u8;
#define led P0             //预处理命令
void delay(u16 i)             //延时函数 
{
    while(i--); 
}
void main()                      //主函数
{
    u8 i;
    led=0x01;            //设定初始状态
    delay(50000); 
    while(1)
    {   
/*      for(i=0;i<8;i++)
        {
            P0=(0x01<<i);//无循环                                  delay(50000); 
        }
*/
for(i=0;i<7;i++)    
    {
    led=_crol_(led,1);//有循环左移位   delay(50000); 
    }
for(i=0;i<7;i++)        
            {
    led=_cror_(led,1); //有循环右移位
                delay(50000);           }
    }       
}
//practice:如何实现与流水灯恰好相反的效果


----------


  • 1
  • 2
  • 3
  • 4
  • 5
  • 6
  • 7
  • 8
  • 9
  • 10
  • 11
  • 12
  • 13
  • 14
  • 15
  • 16
  • 17
  • 18
  • 19
  • 20

收集整理了一份《2024年最新物联网嵌入式全套学习资料》,初衷也很简单,就是希望能够帮助到想自学提升的朋友。 img img

如果你需要这些资料,可以戳这里获取

一个人可以走的很快,但一群人才能走的更远!不论你是正从事IT行业的老鸟或是对IT行业感兴趣的新人

都欢迎加入我们的的圈子(技术交流、学习资源、职场吐槽、大厂内推、面试辅导),让我们一起学习成长!